• Автор темы Anonymous
  • Дата начала

танкист

капитан 1-го ранга
Регистрация
15.11.2014
Сообщения
12 410
Карма
3 901
Город
г. Пермь
Имя
Андрей
Лодка
Прогресс-4
Мотор
Нептун-23 Вихрь-25 Вихрь-30 Ветерок-8М Johnson-60

kav75

капитан 1-го ранга
Регистрация
16.01.2010
Сообщения
2 769
Карма
1 310
Возраст
50
Город
Томск (Северск)
Имя
Алексей
Лодка
ПВХ Нерпа-3 (продана), Прогресс 4 есть.
Мотор
Вихрун 30, Ветерок 8М, Sea Pro 2.5, Yamaha 40 HEO
fedor024 сказал(а):
и как его к этой схеме подключить
Как-то так

Но, как выяснилось, эта схема не особо хорошая.
 

Вложения

танкист

капитан 1-го ранга
Регистрация
15.11.2014
Сообщения
12 410
Карма
3 901
Город
г. Пермь
Имя
Андрей
Лодка
Прогресс-4
Мотор
Нептун-23 Вихрь-25 Вихрь-30 Ветерок-8М Johnson-60
Алексей kav75 вроде вопрос по регулятору напряжения на предыдущей странице или я что то перепутал?
 

vovan944

капитан 1-го ранга
Регистрация
16.05.2013
Сообщения
1 753
Карма
71
Город
Астраханская обл. Астрахань
Имя
Владимир
Лодка
Казанка-М, Казанка-5
Мотор
Москва-М, Вихрь 25,30 Ветерок 8 75г. и Ветерок-12Р 95г. Suzuki DT15, Yamaha 40XWS

kav75

капитан 1-го ранга
Регистрация
16.01.2010
Сообщения
2 769
Карма
1 310
Возраст
50
Город
Томск (Северск)
Имя
Алексей
Лодка
ПВХ Нерпа-3 (продана), Прогресс 4 есть.
Мотор
Вихрун 30, Ветерок 8М, Sea Pro 2.5, Yamaha 40 HEO
танкист сказал(а):
Алексей kav75 вроде вопрос по регулятору напряжения на предыдущей странице или я что то перепутал?
Да это вроде как простой диодный мост. Человек спросил как его подцепить к катушкам - я коряво нарисовал :D
забыл написать, что в приведённой схеме таких мостов надо три и выводы + и - запараллелить.
 

танкист

капитан 1-го ранга
Регистрация
15.11.2014
Сообщения
12 410
Карма
3 901
Город
г. Пермь
Имя
Андрей
Лодка
Прогресс-4
Мотор
Нептун-23 Вихрь-25 Вихрь-30 Ветерок-8М Johnson-60
Подождём автора вопроса :unknown:
 

fedor024

ст. мичман
Регистрация
09.12.2014
Сообщения
195
Карма
8
Возраст
40
Город
приднестровье, тирасполь
Имя
евгений
Лодка
южанка
Мотор
4 нептун 23 ,2 стрелы, москва 10, 25
не ребят вы не поняли у меня есть три катушки освещения отдельные мн-1 я имел в виду как подключить регулятор после мостов чтоб напряжение зарядки не превышало 14,2 v как то так
 

танкист

капитан 1-го ранга
Регистрация
15.11.2014
Сообщения
12 410
Карма
3 901
Город
г. Пермь
Имя
Андрей
Лодка
Прогресс-4
Мотор
Нептун-23 Вихрь-25 Вихрь-30 Ветерок-8М Johnson-60
fedor024 сказал(а):
не ребят вы не поняли у меня есть три катушки освещения отдельные мн-1 я имел в виду как подключить регулятор после мостов чтоб напряжение зарядки не превышало 14,2 v как то так
Есть вот такие регуляторы, но я сильно сомневаюсь что генератор ПЛМ будет работать при таком включении катушек.
http://img-fotki.yandex.ru/get/2714/30732269.71/0_5e0c2_94577b1b_orig
Вот тут можно почитать много интересного на эту тему
http://www.reaa.ru/cgi-bin/yabb/YaBB.pl?num=1330850970/120
 

IGNAT

капитан 2-го ранга
Регистрация
27.01.2013
Сообщения
1 322
Карма
120
Город
Псков
Имя
Константин
Лодка
Прогресс-4
Мотор
Вихрь-30 2шт. Ветерок-8
fedor024 сказал(а):
что вы думаете если пименить данный регулятор на мн-1 мв-1
Ну лучше наверное вот такой:



Главное стабилитроны подобрать. На стенде испытал, всё нормально, даже без нагрузки держит 14.2- 14.3 V. Симисторы греются при этом, т.к. коротят катушки. Поэтому установлены на радиатор. Сделано два ограничителя на одной плате на каждый блок генератора.
 

Вложения

fedor024

ст. мичман
Регистрация
09.12.2014
Сообщения
195
Карма
8
Возраст
40
Город
приднестровье, тирасполь
Имя
евгений
Лодка
южанка
Мотор
4 нептун 23 ,2 стрелы, москва 10, 25
IGNAT сказал(а):
fedor024 сказал(а):
что вы думаете если пименить данный регулятор на мн-1 мв-1
Ну лучше наверное вот такой:



Главное стабилитроны подобрать. На стенде испытал, всё нормально, даже без нагрузки держит 14.2- 14.3 V. Симисторы греются при этом, т.к. коротят катушки. Поэтому установлены на радиатор. Сделано два ограничителя на одной плате на каждый блок генератора.
спорить не буду в электронике пока начинающий ещё бы все маркировки прописать было бы супер :good: , чтоб пришёл в магазин всё по названиям подобрал .Я и так их подза..... постоянно со схемами прихожу а они сидят и гадают что да как :crazy: :crazy: :crazy:
 

танкист

капитан 1-го ранга
Регистрация
15.11.2014
Сообщения
12 410
Карма
3 901
Город
г. Пермь
Имя
Андрей
Лодка
Прогресс-4
Мотор
Нептун-23 Вихрь-25 Вихрь-30 Ветерок-8М Johnson-60
fedor024 сказал(а):
IGNAT сказал(а):
fedor024 сказал(а):
что вы думаете если пименить данный регулятор на мн-1 мв-1
Ну лучше наверное вот такой:



Главное стабилитроны подобрать. На стенде испытал, всё нормально, даже без нагрузки держит 14.2- 14.3 V. Симисторы греются при этом, т.к. коротят катушки. Поэтому установлены на радиатор. Сделано два ограничителя на одной плате на каждый блок генератора.
спорить не буду в электронике пока начинающий ещё бы все маркировки прописать было бы супер :good: , чтоб пришёл в магазин всё по названиям подобрал .Я и так их подза..... постоянно со схемами прихожу а они сидят и гадают что да как :crazy: :crazy: :crazy:
Ты это очень замечательно делаешь Евгений образования нашим новоиспечённым менеджерам не помешает. :hahaha: :D
 

yked

старшина 1ст.
Регистрация
31.10.2012
Сообщения
93
Карма
3
Город
Ульяновск
Имя
Эдуард
Лодка
Казанка5м3
Мотор
Моськи, Вихри-25, 30, Москва большая в разборе
IGNAT
Чет не понял , какой марки стабилитроны ставить? И резисторы какой мощности?
 

kav75

капитан 1-го ранга
Регистрация
16.01.2010
Сообщения
2 769
Карма
1 310
Возраст
50
Город
Томск (Северск)
Имя
Алексей
Лодка
ПВХ Нерпа-3 (продана), Прогресс 4 есть.
Мотор
Вихрун 30, Ветерок 8М, Sea Pro 2.5, Yamaha 40 HEO
fedor024 сказал(а):
не ребят вы не поняли у меня есть три катушки освещения отдельные мн-1 я имел в виду как подключить регулятор после мостов чтоб напряжение зарядки не превышало 14,2 v как то так
А там катушки мощные? Разве их нельзя просто тупо подцепить к аккумулятору (после диодных мостов, естественно). У меня на МВ-1 подсоединено без всяких регуляторов, проблем не наблюдал. Аккумулятор у меня 60 ампер/час.
 

fedor024

ст. мичман
Регистрация
09.12.2014
Сообщения
195
Карма
8
Возраст
40
Город
приднестровье, тирасполь
Имя
евгений
Лодка
южанка
Мотор
4 нептун 23 ,2 стрелы, москва 10, 25
они то не мощные просто гелевые акб не любят превышения напряжения заряда выше 14,5 v
 

kav75

капитан 1-го ранга
Регистрация
16.01.2010
Сообщения
2 769
Карма
1 310
Возраст
50
Город
Томск (Северск)
Имя
Алексей
Лодка
ПВХ Нерпа-3 (продана), Прогресс 4 есть.
Мотор
Вихрун 30, Ветерок 8М, Sea Pro 2.5, Yamaha 40 HEO
Понятно. А стОит ли ставить гелевый, или он есть в наличие?
Я сначала тоже хотел поставить гелевый аккумулятор, Вихрь у меня с электростартером. Гелевый нужной ёмкости оказался совсем не демократичный по цене, поставил Б/У не обслуживаемый кислотный. С лодки не снимаю.
 

IGNAT

капитан 2-го ранга
Регистрация
27.01.2013
Сообщения
1 322
Карма
120
Город
Псков
Имя
Константин
Лодка
Прогресс-4
Мотор
Вихрь-30 2шт. Ветерок-8
yked сказал(а):
IGNAT
Чет не понял , какой марки стабилитроны ставить? И резисторы какой мощности?
Стабилитроны можно поставить BZX55C или BZV55C (smd исполнение) напряжение стабилизации соответственно схемы, т. е. обозначение например BZX55C9V1 - это на 9,1 в. Резисторы пофиг какие мощностью 0,25-0,5 Вт. (древние МЛТ например или китай пойдёт тоже). Симистор BTA16-600 ставил. Но только не BTB!!! У него вывод А2 соединён с корпусом. Диодная сборка KBPC 3510, конденсатор электролитический 6800мкф х 25в. Хотя если стоит акум, то кондёр можно и не ставить. Вот примерно так. :)
 

танкист

капитан 1-го ранга
Регистрация
15.11.2014
Сообщения
12 410
Карма
3 901
Город
г. Пермь
Имя
Андрей
Лодка
Прогресс-4
Мотор
Нептун-23 Вихрь-25 Вихрь-30 Ветерок-8М Johnson-60
IGNAT сказал(а):
yked сказал(а):
IGNAT
Чет не понял , какой марки стабилитроны ставить? И резисторы какой мощности?
Стабилитроны можно поставить BZX55C или BZV55C (smd исполнение) напряжение стабилизации соответственно схемы, т. е. обозначение например BZX55C9V1 - это на 9,1 в. Резисторы пофиг какие мощностью 0,25-0,5 Вт. (древние МЛТ например или китай пойдёт тоже). Симистор BTA16-600 ставил. Но только не BTB!!! У него вывод А2 соединён с корпусом. Диодная сборка KBPC 3510, конденсатор электролитический 6800мкф х 25в. Хотя если стоит акум, то кондёр можно и не ставить. Вот примерно так. :)
16 ампер Костя маловато ВТА-41 менее нагрев будет давать, мнение моё не навязываю ни кому.
 

IGNAT

капитан 2-го ранга
Регистрация
27.01.2013
Сообщения
1 322
Карма
120
Город
Псков
Имя
Константин
Лодка
Прогресс-4
Мотор
Вихрь-30 2шт. Ветерок-8
танкист сказал(а):
16 ампер Костя маловато ВТА-41 менее нагрев будет давать, мнение моё не навязываю ни кому.
Андрей, BTA-16 для МВ-1 хватит. Чуть тёпленький если на алюминиевый уголок прикрутить с термопастой. Ну если халявный BTA-41 подвернётся, то поставлю его ;) . Ток короткого замыкания штатного генератора МВ-1 4,1 Ампер при 2800 rpm., после моста замерял правда.
 

танкист

капитан 1-го ранга
Регистрация
15.11.2014
Сообщения
12 410
Карма
3 901
Город
г. Пермь
Имя
Андрей
Лодка
Прогресс-4
Мотор
Нептун-23 Вихрь-25 Вихрь-30 Ветерок-8М Johnson-60
IGNAT сказал(а):
танкист сказал(а):
16 ампер Костя маловато ВТА-41 менее нагрев будет давать, мнение моё не навязываю ни кому.
Андрей, BTA-16 для МВ-1 хватит. Чуть тёпленький если на алюминиевый уголок прикрутить с термопастой. Ну если халявный BTA-41 подвернётся, то поставлю его ;) . Ток короткого замыкания штатного генератора МВ-1 4,1 Ампер при 2800 rpm., после моста замерял правда.
В 4 раза запас только только но если говоришь еле теплый значит хватает, нагрузка будет отнимать ток с генератора и тиристору вообще работы не останется тогда, думаю :good: :good: :good:
 

IGNAT

капитан 2-го ранга
Регистрация
27.01.2013
Сообщения
1 322
Карма
120
Город
Псков
Имя
Константин
Лодка
Прогресс-4
Мотор
Вихрь-30 2шт. Ветерок-8
танкист сказал(а):
..... нагрузка будет отнимать ток с генератора и тиристору вообще работы не останется тогда.....
Вот именно, даже полностью заряженный акум 55-60 А\Ч всё равно потребляет где-то примерно 0,5 А, может ещё какая нагрузка у кого стоит. Это я проверял температуру симистора без нагрузки на генератор вообще.
 

танкист

капитан 1-го ранга
Регистрация
15.11.2014
Сообщения
12 410
Карма
3 901
Город
г. Пермь
Имя
Андрей
Лодка
Прогресс-4
Мотор
Нептун-23 Вихрь-25 Вихрь-30 Ветерок-8М Johnson-60
IGNAT сказал(а):
танкист сказал(а):
..... нагрузка будет отнимать ток с генератора и тиристору вообще работы не останется тогда.....
Вот именно, даже полностью заряженный акум 55-60 А\Ч всё равно потребляет где-то примерно 0,5 А, может ещё какая нагрузка у кого стоит. Это я проверял температуру симистора без нагрузки на генератор вообще.
:yes: :good: Простая схема Костя мне такие нравятся
 

танкист

капитан 1-го ранга
Регистрация
15.11.2014
Сообщения
12 410
Карма
3 901
Город
г. Пермь
Имя
Андрей
Лодка
Прогресс-4
Мотор
Нептун-23 Вихрь-25 Вихрь-30 Ветерок-8М Johnson-60
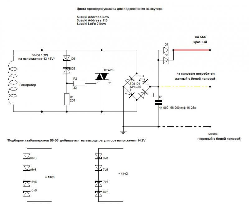
Вот она же с вариантами, с твоего разрешения Костя
 

Вложения

TayPan

матрос
Регистрация
22.03.2015
Сообщения
14
Карма
0
Город
Запорожье
Имя
Дмитрий
Лодка
Прогресс 2м
Мотор
Вихрь 30
Скажите а возможно ли подключить к вихрю реле регулятор от скутера?
 

Telenkov

капитан 1-го ранга
Регистрация
25.05.2013
Сообщения
5 198
Карма
1 354
Возраст
54
Город
Нижегородская обл. Арзамас
Имя
Алексей
Лодка
Прогрес 4, ПВХ 380, РИБ 2037, РИБ 480
Мотор
Меркури-60, вихрь-30 2шт., сузуки-30, ямаха-40
Присоединяюсь к вопросу. Мы недавно на 60й мерик от скутера поставили, вместо сгоревшего, подошел как родной, и работает.
 
Вверх Снизу