sergey081965
капитан 1-го ранга
- Регистрация
- 10.04.2011
- Сообщения
- 4 323
- Карма
- 508
- Город
- Мурманская область
- Имя
- Сергей
- Лодка
- Флагман-420
- Мотор
- Москва-10,5, Ямаха-30.
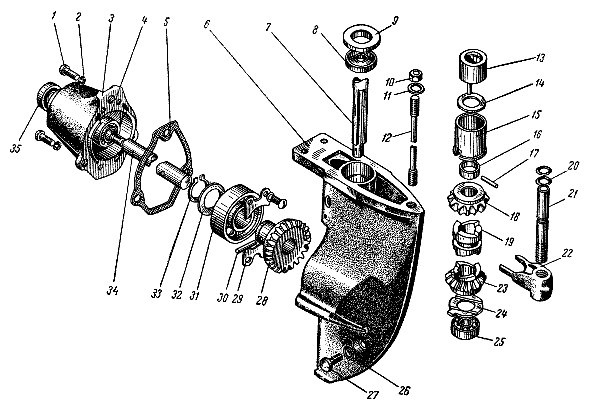
сначала проверь, как втыкаются скорости:свечи выкрути и за маховик при включенных скоростях: вперед, нейтраль, назад - смотри на винт.а подвеска откидывается легко - расцепляешь от шестерни румпеля вертикальную тягу привода дроссель-зажигание, с насоса скидываешь подводящий шланг, скидываешь две пружины по обеим сторонам двигла на уровне румпеля и внизу кронштейн на двух винтах, там тоже две пружины стоят. после голову от дейдвуда откинешь - увидишь соединение рычага скоростей с тягой - там хитрая кулиса присобачена. если скорости не втыкаются, возможно, что-то там у тебя и рассыпалось. при сборке втыкай рессору в КВ и патрубком помпы в отверстие рубашки попадай. иногда при снятии дейдвуда рвется прокладка между "ногой" и "головой". не беда - из паронита легко режется новая. если полезешь в редуктор - прокладки старайся сохранить, там зазоры нужно соблюсти. удачи!

... переставляй зажигание и пользуй с удовольствием! Пусть только радует!
. как тогда искра была на одной катушке???? а на другой нет???? Выручайте могет я че не так понимаю ??????
или что то не так делаю?????? проверял с катушками от вихря(за не имением других) на одном проводе обе катушки работают(по очередно), а на другом нет. А и еще мне не понятен коричневый провод( четвертый в жгуте) он зачем? куда его?