Вован Бармалей

ст. лейтенант
Регистрация
22.02.2014
Сообщения
344
Карма
35
Возраст
42
Город
Карелия
Имя
Вован
Лодка
Казанка 5м3, Воронеж(2шт).
Мотор
Suzuki df20s, Tohatsu mfs18b2, Tohatsu 9.8(2шт), Sea pro 9.8
Давай теперь помоги скубатурить сколько можно с головы снять лишнего?
 

Pilot-by

капитан 1-го ранга
Регистрация
20.09.2010
Сообщения
5 255
Карма
157
Имя
--
Лодка
--
Мотор
--
я точно не скажу. нужно измерять, анализировать...
продувка дефлекторная или возвратно-петлевая?
 

Вован Бармалей

ст. лейтенант
Регистрация
22.02.2014
Сообщения
344
Карма
35
Возраст
42
Город
Карелия
Имя
Вован
Лодка
Казанка 5м3, Воронеж(2шт).
Мотор
Suzuki df20s, Tohatsu mfs18b2, Tohatsu 9.8(2шт), Sea pro 9.8
озадачил... :? Виктор(победа) написал что с дефлекторной.
 

pan

мл. лейтенант
Регистрация
23.08.2012
Сообщения
235
Карма
14
Возраст
41
Город
Киев
Имя
Алексей
Лодка
Крым
Мотор
Honda BF40D
Продувка дефлекторная. Как снимается ГБЦ? Болты вкручиваются в блок цилиндров? Смотрел на своем моторе, вроде как сквозные через блок и на конце гайка. Гайки позакисали сильно, зимой хочу снять почистить да и прокладку сменить, там уже труха одна походу)). Для снятия ГБЦ прийдется голову снимать+болгаркой поработать, болты с гайками новые подобрать с правильной резьбой (не дюймовой).
 

Вложения

профессор

ст. матрос
Регистрация
04.09.2016
Сообщения
32
Карма
0
Город
спб
Имя
юрий
Лодка
прогресс,renken
Мотор
mercury402 mercruzer
Всем привет! Датчик работает на прохождение металла, прислал человек который устанавливает бсз на. мотоциклы он был уже с проводкой. По поводу плавающего уоз:-скорее так и есть сегодня еще раз проверим по микромету и отпишусь. Кстати, лучше подключить родной датчик но не знаю как согласовать его с коммутатором( волговским)
 

pan

мл. лейтенант
Регистрация
23.08.2012
Сообщения
235
Карма
14
Возраст
41
Город
Киев
Имя
Алексей
Лодка
Крым
Мотор
Honda BF40D
Профессор, выложите схему как подключали. Волговский коммутатор должен работать, вот Дмитрий22 делал topic4741.html#p91699
 

Rickov

лейтенант
Регистрация
10.05.2013
Сообщения
297
Карма
20
Возраст
48
Город
Улан-Удэ
Имя
Евгений
Лодка
Днепр
Мотор
Suzuki DT65
уважаемые коллеги, извините что еще раз лезу в тему, но разве коммутатор от Волги годится на эту роль?
УОЗ на CDI системах задается мозгами, и, если уж мозги крякнули проще простого привинтить два коммутатора от скутеров и катушки от них-же. Работать будет (проверял лично правда на своей сузе), но полной выдачи мощности от мотора не ждите.
 

Rickov

лейтенант
Регистрация
10.05.2013
Сообщения
297
Карма
20
Возраст
48
Город
Улан-Удэ
Имя
Евгений
Лодка
Днепр
Мотор
Suzuki DT65
Заработать то заработал, а как с УОЗ? Это по сути не совсем научный колхоз
 

pan

мл. лейтенант
Регистрация
23.08.2012
Сообщения
235
Карма
14
Возраст
41
Город
Киев
Имя
Алексей
Лодка
Крым
Мотор
Honda BF40D
Rickov, какая модель коммутаторов и катушек использовалась на Сузе 30? У Вас датчик индукционный?
 

Rickov

лейтенант
Регистрация
10.05.2013
Сообщения
297
Карма
20
Возраст
48
Город
Улан-Удэ
Имя
Евгений
Лодка
Днепр
Мотор
Suzuki DT65
Коммутатор тиристорный датчик индукционный. Катушки родные от сузы. По моей ссылке сверху весь процесс
 

pan

мл. лейтенант
Регистрация
23.08.2012
Сообщения
235
Карма
14
Возраст
41
Город
Киев
Имя
Алексей
Лодка
Крым
Мотор
Honda BF40D
Про коммутаторы со скутеров в Вашей теме ничего не нашел. У Вас проблемма с катушкой была
 

Вован Бармалей

ст. лейтенант
Регистрация
22.02.2014
Сообщения
344
Карма
35
Возраст
42
Город
Карелия
Имя
Вован
Лодка
Казанка 5м3, Воронеж(2шт).
Мотор
Suzuki df20s, Tohatsu mfs18b2, Tohatsu 9.8(2шт), Sea pro 9.8
Pilot-by сказал(а):
я точно не скажу. нужно измерять, анализировать...
продувка дефлекторная или возвратно-петлевая?
Саш давай с тобой покубатурим сколько можно снять с башки, да и Леха если собрался тоже поджимать с нами заодно покубатурит! ты мне скажи чего померить надо, я за мотором поеду на следующих выхах
 

Pilot-by

капитан 1-го ранга
Регистрация
20.09.2010
Сообщения
5 255
Карма
157
Имя
--
Лодка
--
Мотор
--
сразу бы прокладку найти.

по поводу сколько снимать - правильно мерить объёмы, камеры сгорания и рабочего объёма (на перекрытых окнах). отношение есть степень сжатия. подогнать её под нужный бензин.
но у дефлекторного свои заморочки, много не снимешь, может дефлектором (дефлектор это ступенька на поршне) доставать бошку....

можно попробовать сделать проще, накинуть голову без прокладки и посмотреть что получится. если касается, то где и сколько, если нет, то измерить толщину прокладки, и если она ~2мм, то 1.5-1-7мм снять.
 

профессор

ст. матрос
Регистрация
04.09.2016
Сообщения
32
Карма
0
Город
спб
Имя
юрий
Лодка
прогресс,renken
Мотор
mercury402 mercruzer
Подключение коммутатора: кор. С датчика на массу, бел на коммутотор:-Д. + на коммутатор и 3й с коммутатора на катушку волговскую 2 выводную. про уоз.: опережения зажигания на этом моторе я не нашел и вообще на старых 2 тактных двигателях (на наших) его не было
 

профессор

ст. матрос
Регистрация
04.09.2016
Сообщения
32
Карма
0
Город
спб
Имя
юрий
Лодка
прогресс,renken
Мотор
mercury402 mercruzer
Да про снятие сголовы: на старых жигулях чтобы не ставить прокладку мы снимали с поршней 1.2-1.3 мм
 

профессор

ст. матрос
Регистрация
04.09.2016
Сообщения
32
Карма
0
Город
спб
Имя
юрий
Лодка
прогресс,renken
Мотор
mercury402 mercruzer
Да.,совсем забыл проверили сегодня зажигание по микрометру -оно было сильно сбито и оба цил по разному поправили - завелся, более или менее но дальше не было времени копаться
 

Pilot-by

капитан 1-го ранга
Регистрация
20.09.2010
Сообщения
5 255
Карма
157
Имя
--
Лодка
--
Мотор
--
профессор сказал(а):
Да про снятие сголовы: на старых жигулях чтобы не ставить прокладку мы снимали с поршней 1.2-1.3 мм
а я ввёртыши под свечи ставил. захотел, выкрутил и снова 93 лей. на всё про всё 5 мин. :)
 

Тугарин

капитан 1-го ранга
Регистрация
08.03.2015
Сообщения
26 027
Карма
11 889
Возраст
44
Город
Саратов - Рай
Имя
Александр сын Сергея
Лодка
П2, К, К5м, К5м4, К2м, Амур-д, ПрофМарин 350 нднд было, Обь-м НТ, ямаран т330, гулянка есть
Мотор
Ямахa 2, Вихрь 25,30, HDX T5, Меркурий 50ЕО, джонсон 70 было. Джонсон 15, Ямаха F25AEHT, Вихрь 30 есть
Pilot-by сказал(а):
профессор сказал(а):
Да про снятие сголовы: на старых жигулях чтобы не ставить прокладку мы снимали с поршней 1.2-1.3 мм
а я ввёртыши под свечи ставил. захотел, выкрутил и снова 93 лей. на всё про всё 5 мин. :)
А это разве не ухудшает поджигание смеси?
Ввёртыш же отодвигает как бы свечу от поршня?
Прокладками не проще регулировать?
 

Pilot-by

капитан 1-го ранга
Регистрация
20.09.2010
Сообщения
5 255
Карма
157
Имя
--
Лодка
--
Мотор
--
хз, ну ехала в принципе, как и должна на 76-ом. просто мне халявный его редко подвозили, поэтому переделывать глобально смысла не было.
 

pan

мл. лейтенант
Регистрация
23.08.2012
Сообщения
235
Карма
14
Возраст
41
Город
Киев
Имя
Алексей
Лодка
Крым
Мотор
Honda BF40D
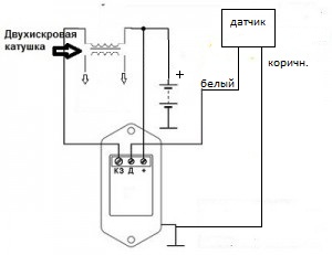
По мануалу обьем двигателя составляет - 0.55л. Вот схемку накидал с волговским коммутатором 131.3734-11, профессор поправьте если что не так
 

Вложения

Тугарин

капитан 1-го ранга
Регистрация
08.03.2015
Сообщения
26 027
Карма
11 889
Возраст
44
Город
Саратов - Рай
Имя
Александр сын Сергея
Лодка
П2, К, К5м, К5м4, К2м, Амур-д, ПрофМарин 350 нднд было, Обь-м НТ, ямаран т330, гулянка есть
Мотор
Ямахa 2, Вихрь 25,30, HDX T5, Меркурий 50ЕО, джонсон 70 было. Джонсон 15, Ямаха F25AEHT, Вихрь 30 есть
Pilot-by сказал(а):
хз, ну ехала в принципе, как и должна на 76-ом. просто мне халявный его редко подвозили, поэтому переделывать глобально смысла не было.
Ну тогда, да, проще ввертыши, тем более если работал нормально.
 

профессор

ст. матрос
Регистрация
04.09.2016
Сообщения
32
Карма
0
Город
спб
Имя
юрий
Лодка
прогресс,renken
Мотор
mercury402 mercruzer
Все правильно по схеме
 

Pilot-by

капитан 1-го ранга
Регистрация
20.09.2010
Сообщения
5 255
Карма
157
Имя
--
Лодка
--
Мотор
--
я бы этот вариант, как самый - при самый последний рассматривал.
1. мотор должен быть энергонезависим. (ну это ещё ладно, у каждого свои вкусы)
2. мотору с дефлекторной продувкой не очень идёт одноканальное зажигание, к тому же с такой мощной искрой, то бишь батарейное.
 

профессор

ст. матрос
Регистрация
04.09.2016
Сообщения
32
Карма
0
Город
спб
Имя
юрий
Лодка
прогресс,renken
Мотор
mercury402 mercruzer
Вполне с вами согласен, это в любом случае последний вариант. Т.к сезон уже проходит, думаю за зиму все найду родное
 

Pilot-by

капитан 1-го ранга
Регистрация
20.09.2010
Сообщения
5 255
Карма
157
Имя
--
Лодка
--
Мотор
--
нет, с возвратно-петлевой было бы нормально. а с дефлекторной (её ещё называют контурной) вот, что получается

дефлектор, загрождая смесь от вылета в выхлоп, направляет её вверх, т.е к свече. ...а там в этот момент искра, т.к в одноканальном она 2 раза за оборот. и ненужная вспышка.
 

Вложения

Вверх Снизу