МИЧМАН

капитан 3-го ранга
Регистрация
30.03.2015
Сообщения
583
Карма
18
Возраст
57
Город
Таганрог
Имя
Артур
Лодка
Адмирал-320, Стелс 275 аэро
Мотор
Москва-10 ;М; 12,5 Сузуки 2,2
gartongarva сказал(а):
МИЧМАН сказал(а):
gartongarva сказал(а):
gartongarva сказал(а):
По поводу сальников, 21,7х30х4, набрал в интернете и вот Вам фото с сайтом (это не реклама). Просто сейчас буду разбирать свой двиг. Может я что то не понимаю
Короч не могу кинуть принскрин, кидаю ссылку гдже размер вводишь и выдаёт http://www.talanmash.ru/production/cuff_seals/index.htm
САЛЬНИК и менжета это разные вещи как Х... и палец .[/quВсе с Вами ясно, википедия Вам в помощь. Есть армированные манжеты(сальник). И суть не в этом, на этом сайте имеется изготовление любых размеров резинометаллических изделий. Прежде чем критиковать, тщательно изучите то что Вам предоставили.
Не спорьте, сальник это САЛЬНИК а манжета это МАНЖЕТА !!!! А ИНДИВИДУАЛЬНЫЙ ЗАКАЗ ДА МОЖНО мин партия 100 штук и цена не хилая ТАК КАК ДЕЛАЕТСЯ ИНДИВИДУАЛЬНАЯ ФОРМА. ЧЕМ БОЛЬШЕ ПАРТИЯ ТЕМ ДЕШЕВЛЕ !!! Я ТАК ДУМАЮ что 1000 штук вам уж всяк не НУЖНО.
 

salaga8336

матрос
Регистрация
04.11.2015
Сообщения
7
Карма
0
Город
Беларусь, Речица
Имя
Игорь
Лодка
самодельная
Мотор
Ветерок 8/12, Вихрь 25
Re: Сальники,подшипники Москва 10.

salaga8336 сказал(а):
--но нашел другой вариант: 3кк30х35х46 стоит примерно 1$
написано что применяется:Автомобиль ГАЗ "Газель" Рулевое управление/ Трактор МТЗ МТЗ-80 КПП/ Трактор МТЗ МТЗ-82 КПП/ Трактор МТЗ "БЕЛАРУС" 2522 Мост задний/Трактор МТЗ "БЕЛАРУС" Серия 500 / 800 / 900 Коробка переключения передач (КПП)/ Трактор МТЗ "БЕЛАРУС" Серия 500 / 800 / 900 Опоры промежуточного и внутреннего валов...
но эт теория, куплю(надо ехать в соседний город) отпишу про иголки с него...
Не было времени тогда заниматься ветерком, но добрался я до этого подшипника и купил...у нас Беларуси он был чуть ли не в каждой конторе по подшипникам в которую я звонил цена как и писал около 1$ купил чуть дешевле! Ожидания оправдались - 36 иголок в подшипнике, диаметр соответствует, только длину подрезать и под кону заточить!
 

Вложения

Алексей1979

пассажир
Регистрация
15.10.2016
Сообщения
4
Карма
0
Город
Кашира
Имя
Алексей
Лодка
Hunter 360
Мотор
Sea Pro 9,9 OTH,Москва 10(восстанавливаю)
Всем привет.
Подскажите как демонтировать из корпуса редуктора обойму роликового подшипника вертикального вала(рессоры)
 

vistas70

капитан 3-го ранга
Регистрация
07.10.2015
Сообщения
502
Карма
38
Возраст
55
Город
Тольятти
Имя
Виталий
Лодка
Адмирал 320
Мотор
Москва, Москва 12,5х4, Нептун 23, Тохацу 9,9
Алексей1979 сказал(а):
Всем привет.
Подскажите как демонтировать из корпуса редуктора обойму роликового подшипника вертикального вала(рессоры)
topic8167-75.html#p211734
Глянь вот здесь - уже обсуждали.

И вот здесь про обоиму подшипника из втулки, topic8167-375.html#p247108, удачи.
 

Алексей1979

пассажир
Регистрация
15.10.2016
Сообщения
4
Карма
0
Город
Кашира
Имя
Алексей
Лодка
Hunter 360
Мотор
Sea Pro 9,9 OTH,Москва 10(восстанавливаю)
vistas70 сказал(а):
Алексей1979 сказал(а):
Всем привет.
Подскажите как демонтировать из корпуса редуктора обойму роликового подшипника вертикального вала(рессоры)
topic8167-75.html#p211734
Глянь вот здесь - уже обсуждали.

И вот здесь про обоиму подшипника из втулки, topic8167-375.html#p247108, удачи.
Спасибо,все понял.
 

Sergei19

капитан 3-го ранга
Регистрация
13.07.2014
Сообщения
610
Карма
109
Возраст
57
Город
Урал
Имя
Сергей
Лодка
Самодельная из пвх
Мотор
Гибрид из Ветерка 8 и Чемпион 200, Москва-М, Yamaha 9,9 Mercury 40
Был во многих авто магазинах но подшипника 33*30*35*46 никто не видел..Есть большего диаметра но там иголки короче на миллиметр .Я в тупике..Где искать...
 

Sergei19

капитан 3-го ранга
Регистрация
13.07.2014
Сообщения
610
Карма
109
Возраст
57
Город
Урал
Имя
Сергей
Лодка
Самодельная из пвх
Мотор
Гибрид из Ветерка 8 и Чемпион 200, Москва-М, Yamaha 9,9 Mercury 40
Подскажите как правильно установить сальники коленвала ? Я так понимаю пружинками внутрь блока ??
 

vistas70

капитан 3-го ранга
Регистрация
07.10.2015
Сообщения
502
Карма
38
Возраст
55
Город
Тольятти
Имя
Виталий
Лодка
Адмирал 320
Мотор
Москва, Москва 12,5х4, Нептун 23, Тохацу 9,9
Sergei19 сказал(а):
Подскажите как правильно установить сальники коленвала ? Я так понимаю пружинками внутрь блока ??
Верхний пружинкой вниз(к блоку).
Нижний- первый сальник пружинкой к блоку, второй пружинкой от блока.
 

Sergei19

капитан 3-го ранга
Регистрация
13.07.2014
Сообщения
610
Карма
109
Возраст
57
Город
Урал
Имя
Сергей
Лодка
Самодельная из пвх
Мотор
Гибрид из Ветерка 8 и Чемпион 200, Москва-М, Yamaha 9,9 Mercury 40
vistas70 сказал(а):
Sergei19 сказал(а):
Подскажите как правильно установить сальники коленвала ? Я так понимаю пружинками внутрь блока ??
Верхний пружинкой вниз(к блоку).
Нижний- первый сальник пружинкой к блоку, второй пружинкой от блока.
Спасибо!!! А то уже мозги вспухли..Завтра на работу потащу игольчатые подшипники и буду растачивать гнезда. А то попробовал запихнуть сальник он не лезет.Думаю пока не угробил надо расточить
 

vistas70

капитан 3-го ранга
Регистрация
07.10.2015
Сообщения
502
Карма
38
Возраст
55
Город
Тольятти
Имя
Виталий
Лодка
Адмирал 320
Мотор
Москва, Москва 12,5х4, Нептун 23, Тохацу 9,9
Sergei19 сказал(а):
vistas70 сказал(а):
Sergei19 сказал(а):
Подскажите как правильно установить сальники коленвала ? Я так понимаю пружинками внутрь блока ??
Верхний пружинкой вниз(к блоку).
Нижний- первый сальник пружинкой к блоку, второй пружинкой от блока.
Спасибо!!! А то уже мозги вспухли..Завтра на работу потащу игольчатые подшипники и буду растачивать гнезда. А то попробовал запихнуть сальник он не лезет.Думаю пока не угробил надо расточить
Я для коленвала брал сальники 22х30х7, с наружи на мелком наждаке обтачивал резиновую кромочку-без фанатизма,
и смазав тосолом(авто) оправкой легко ставил в "стаканы" игольчатого подшипника КВ. Без каких либо проточек "стакана".
Делал это на 9-и моторах и без проблем всё ставится и работает.

Да! - и вместо 3-его сальника 22х30х7-того что на нижнем "стакане", "пружиной вниз" -ставил родную Московскую манжету(они у меня новые в смазке ещё есть-мягкие). Иначе 3-й сальник торчит.
 

Sergei19

капитан 3-го ранга
Регистрация
13.07.2014
Сообщения
610
Карма
109
Возраст
57
Город
Урал
Имя
Сергей
Лодка
Самодельная из пвх
Мотор
Гибрид из Ветерка 8 и Чемпион 200, Москва-М, Yamaha 9,9 Mercury 40
замерил гнездо сальника в корпусе подшипника 29.7 мерю сальник на котором 22*30*6 написано , импортный 2 бортный..диаметр 30,5 Вычисление простое натяг 0,8 мм, очень много ,сальник из уродуешь и выкинешь. Так что точить посадочное место однозначно!!!!
 

masyak

ст. лейтенант
Регистрация
02.06.2012
Сообщения
333
Карма
11
Возраст
54
Город
Ижевск
Имя
Евгений
Лодка
Корсар 335
Мотор
Москва,Москва-М,Москва 12.5
Добрый день всем.что то не могу найти от чего подойдут манжетки на шток вилки передач,ни кто не подскажет???
 

Вложения

sergey081965

капитан 1-го ранга
Регистрация
10.04.2011
Сообщения
4 323
Карма
508
Город
Мурманская область
Имя
Сергей
Лодка
Флагман-420
Мотор
Москва-10,5, Ямаха-30.
Два года назад я с этими колечками пошел в автолабаз и подобрал подходящие за 10 рэ. От чего - даже не смотрел. Главное - резина должна быть бензо-масло-стойкая.
 

Hy noroqu

гл. старшина
Регистрация
24.08.2016
Сообщения
115
Карма
42
Город
Клин
Имя
Алексей
Лодка
Таймень 3600
Мотор
Ветерок 12 , Москва 12.5
Здравствуйте . Подскажите пожалуйста точные размеры втулки , устанавливаемой вместо игольчатого подшипника на вертикальном валу . По ссылке чертеж вообще без размеров .
 

masyak

ст. лейтенант
Регистрация
02.06.2012
Сообщения
333
Карма
11
Возраст
54
Город
Ижевск
Имя
Евгений
Лодка
Корсар 335
Мотор
Москва,Москва-М,Москва 12.5
Hy noroqu сказал(а):
Здравствуйте . Подскажите пожалуйста точные размеры втулки , устанавливаемой вместо игольчатого подшипника на вертикальном валу . По ссылке чертеж вообще без размеров .
Диаметр и длина втулки те же, что и у старого подшипника, выточка под стопорное кольцо также должна находиться на «старом» месте. Вместо расточки диаметра под сепаратор протачивается (или сверлится) сквозное отверстие под шейку рессоры.
 

Hy noroqu

гл. старшина
Регистрация
24.08.2016
Сообщения
115
Карма
42
Город
Клин
Имя
Алексей
Лодка
Таймень 3600
Мотор
Ветерок 12 , Москва 12.5
Это все понятно . Ногу уже собрал , подшипник с небольшим люфтом , еще походит . А сейчас есть возможность изготовить втулку . Очень не хочется опять все разбирать и выбивать подшипник . Поэтому интересует : диаметр опорной части , диаметр самой втулки , длинна , размеры проточки под стопорное кольцо , диаметр сквозного отверстия .
 

masyak

ст. лейтенант
Регистрация
02.06.2012
Сообщения
333
Карма
11
Возраст
54
Город
Ижевск
Имя
Евгений
Лодка
Корсар 335
Мотор
Москва,Москва-М,Москва 12.5
Hy noroqu сказал(а):
Это все понятно . Ногу уже собрал , подшипник с небольшим люфтом , еще походит . А сейчас есть возможность изготовить втулку . Очень не хочется опять все разбирать и выбивать подшипник . Поэтому интересует : диаметр опорной части , диаметр самой втулки , длинна , размеры проточки под стопорное кольцо , диаметр сквозного отверстия .
Если подождешь вечера понедельника,то попробую помочь.У меня как раз она снята,сегодня пойду в гараж заберу ее.
 

Hy noroqu

гл. старшина
Регистрация
24.08.2016
Сообщения
115
Карма
42
Город
Клин
Имя
Алексей
Лодка
Таймень 3600
Мотор
Ветерок 12 , Москва 12.5
Спасибо . Конечно подожду .
 

masyak

ст. лейтенант
Регистрация
02.06.2012
Сообщения
333
Карма
11
Возраст
54
Город
Ижевск
Имя
Евгений
Лодка
Корсар 335
Мотор
Москва,Москва-М,Москва 12.5
Hy noroqu сказал(а):
Спасибо . Конечно подожду .
Прошу извинить, немного в суббу не успел заехать в гараж. Сегодня втулку забрал,но дома не колумбика. Завтра на работе замеры сниму.
 

masyak

ст. лейтенант
Регистрация
02.06.2012
Сообщения
333
Карма
11
Возраст
54
Город
Ижевск
Имя
Евгений
Лодка
Корсар 335
Мотор
Москва,Москва-М,Москва 12.5
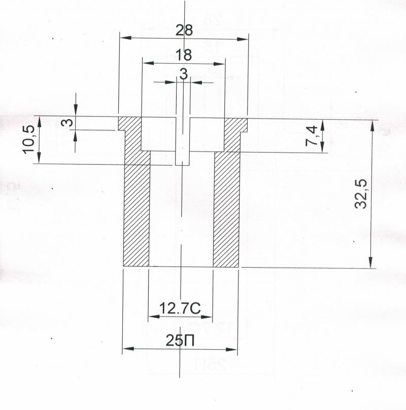
Прошу простить,но не чертежник я :sorry: Размер по срезу 24.5 ; глубина прорези 10,5 ; ширина прорези 3,0 ;Внутренний диаметр наверно нужно будет по валу подгонять.
Что то будет не понятно,спрашивайте.Исправил.
 

Вложения

bosya

капитан 1-го ранга
Регистрация
02.07.2014
Сообщения
1 750
Карма
307
Город
Украина
Имя
Александр
Лодка
Колибри К-280, Колибри КМ-300->>МКМ, Романтика-2 ->>Автобот,
Мотор
Прибой->Ветерок-8Э->Ветерок-12 ->>, Fisher 2.5->> Hidea HD3.0FHS, Москва-М, Привет-22, Нептун-23
masyak сказал(а):
Прошу простить,но не чертежник я :sorry: Размер по срезу 24.5 ; глубина прорези 10,5 ; ширина прорези 3,0 ;Внутренний диаметр наверно нужно будет по валу подгонять.
Что то будет не понятно,спрашивайте.
на фото 2 сверху, после установки на втулке снизу, видна проточка внутрь, на чертеже 0,5мм - это износ от шестерни переднего хода. в новой втулки должно быть ровно с бортами.

еще информация о размерах здесь.
 

masyak

ст. лейтенант
Регистрация
02.06.2012
Сообщения
333
Карма
11
Возраст
54
Город
Ижевск
Имя
Евгений
Лодка
Корсар 335
Мотор
Москва,Москва-М,Москва 12.5
bosya сказал(а):
masyak сказал(а):
Прошу простить,но не чертежник я :sorry: Размер по срезу 24.5 ; глубина прорези 10,5 ; ширина прорези 3,0 ;Внутренний диаметр наверно нужно будет по валу подгонять.
Что то будет не понятно,спрашивайте.
на фото 2 сверху, после установки на втулке снизу, видна проточка внутрь, на чертеже 0,5мм - это износ от шестерни переднего хода. в новой втулки должно быть ровно с бортами.

еще информация о размерах здесь.
Да согласен,скорей всего так и есть. Озадачил,шайбу теперь что ли подбирать???
 

bosya

капитан 1-го ранга
Регистрация
02.07.2014
Сообщения
1 750
Карма
307
Город
Украина
Имя
Александр
Лодка
Колибри К-280, Колибри КМ-300->>МКМ, Романтика-2 ->>Автобот,
Мотор
Прибой->Ветерок-8Э->Ветерок-12 ->>, Fisher 2.5->> Hidea HD3.0FHS, Москва-М, Привет-22, Нептун-23
Идеально бы этот узел разделить на два. Ролики - для верт.вала, упорный подшипник для шестерни.
 

Hy noroqu

гл. старшина
Регистрация
24.08.2016
Сообщения
115
Карма
42
Город
Клин
Имя
Алексей
Лодка
Таймень 3600
Мотор
Ветерок 12 , Москва 12.5
Спасибо за размеры . Единственный вопрос : диаметр вала точно 14 ? По-моему 1\2 дюйма - 12.7 мм.
 

Вложения

bosya

капитан 1-го ранга
Регистрация
02.07.2014
Сообщения
1 750
Карма
307
Город
Украина
Имя
Александр
Лодка
Колибри К-280, Колибри КМ-300->>МКМ, Романтика-2 ->>Автобот,
Мотор
Прибой->Ветерок-8Э->Ветерок-12 ->>, Fisher 2.5->> Hidea HD3.0FHS, Москва-М, Привет-22, Нептун-23
masyak сказал(а):
Внутренний диаметр наверно нужно будет по валу подгонять.
дан чертеж втулки с подшипником внутри.
 
Вверх Снизу