bombila

гл. кор. старшина
Регистрация
01.12.2014
Сообщения
132
Карма
8
Возраст
53
Город
Камень-на-Оби
Имя
Алексей
Лодка
Викинг 340 LS, Хантер 320 ЛКА
Мотор
Москва-М,-12,5,Zongshen 9,9
Анатолий Ильич,хорошо подходят маслосъёмные УЗАМовские,у нас 25 руб. комплект 8 шт.
 

нордик301

капитан 1-го ранга
Регистрация
22.10.2011
Сообщения
2 202
Карма
339
Возраст
72
Город
Алтайский край
Имя
Анатолий Ильич
Лодка
Нордик -300 (был ) , самодельная кастрюля -"люмишка " Солар-380
Мотор
"Мелкомоськи , "В-8 " , "Ямаха 9,9 GMHS"
bombila сказал(а):
Анатолий Ильич,хорошо подходят маслосъёмные УЗАМовские,у нас 25 руб. комплект 8 шт.
+++ :good: Спасибо , Алексей ! Твои рекомендации ранешние у меня в архиве имеются . Поинтересовался просто для варианта в случае чего .. Ибо в наших автолабазах на "Москвича "ничего нет .. Но из Барнаула мне пообещали привезти .. Как то так . С уважением . :pardon:
 

bombila

гл. кор. старшина
Регистрация
01.12.2014
Сообщения
132
Карма
8
Возраст
53
Город
Камень-на-Оби
Имя
Алексей
Лодка
Викинг 340 LS, Хантер 320 ЛКА
Мотор
Москва-М,-12,5,Zongshen 9,9
Всех с 2018-ым!Брал подшипники на гребной вал вот здесь https://ru.aliexpress.com/item/AXK-2X-6 ... 92f56ad4f2 ,с виду качественно,люфт минимальный.Проехал немного,пока всё отлично.
 

bosya

капитан 1-го ранга
Регистрация
02.07.2014
Сообщения
1 750
Карма
307
Город
Украина
Имя
Александр
Лодка
Колибри К-280, Колибри КМ-300->>МКМ, Романтика-2 ->>Автобот,
Мотор
Прибой->Ветерок-8Э->Ветерок-12 ->>, Fisher 2.5->> Hidea HD3.0FHS, Москва-М, Привет-22, Нептун-23
нашел в коробочке чашки от каких-то крестовин. промерял. иголки диаметром 2,515-2,52мм. длина 11,85-11,9мм, вроде. у отца был автомобиль Москвич 407. возможно от него или от каких-то тракторных карданов. в одной чашке 22иголки.
 

нордик301

капитан 1-го ранга
Регистрация
22.10.2011
Сообщения
2 202
Карма
339
Возраст
72
Город
Алтайский край
Имя
Анатолий Ильич
Лодка
Нордик -300 (был ) , самодельная кастрюля -"люмишка " Солар-380
Мотор
"Мелкомоськи , "В-8 " , "Ямаха 9,9 GMHS"
нашел в коробочке чашки от каких-то крестовин. промерял. иголки диаметром 2,515-2,52мм. длина 11,85-11,9мм, вроде. у отца был автомобиль Москвич 407. возможно от него или от каких-то тракторных карданов. в одной чашке 22иголки.
+++ Александр ! По памяти , в первых "М " были иголки дюймого размера 1/10 от размера дюйма 25,4 мм = 2.54 мм ( точнее -.25,3995 миллиметра , Сборку производил на шатуне +КВ - вращения не получалось . Отпишись , как у тебя получится ..
 

7sanek777

матрос
Регистрация
01.10.2016
Сообщения
27
Карма
2
Город
Бийск
Имя
Александр
Лодка
Самодельная надувная
Мотор
Москва М
Подскажите кто где доставал 4*8 ролики? насколько критично если их из 4*12 переточить шуруповертом+точило? у нас нашел контору привезут 422902 только цена за каждый по 300р
 

bobin65

гл. старшина
Регистрация
18.03.2015
Сообщения
114
Карма
16
Город
Томск
Имя
Альфред
Лодка
метла
Мотор
весла
Подскажите кто где доставал 4*8 ролики? насколько критично если их из 4*12 переточить шуруповертом+точило? у нас нашел контору привезут 422902 только цена за каждый по 300р
4*8 ролики для нептуна я брал 50 шт. 300 р.
 

Sergei19

капитан 3-го ранга
Регистрация
13.07.2014
Сообщения
610
Карма
109
Возраст
57
Город
Урал
Имя
Сергей
Лодка
Самодельная из пвх
Мотор
Гибрид из Ветерка 8 и Чемпион 200, Москва-М, Yamaha 9,9 Mercury 40
Подскажите кто где доставал 4*8 ролики? насколько критично если их из 4*12 переточить шуруповертом+точило? у нас нашел контору привезут 422902 только цена за каждый по 300р
Я на токарном резал бакелитовым кругом. Использовал приспособление что бы все одного размера были и на ролик постоянно текла тонкой струйкой эмульсия. Потом сделал фаску на срезанном торце .Поставил и 2 сезона все хорошо.
 

Gosha 64

матрос
Регистрация
16.10.2018
Сообщения
11
Карма
0
Город
Саратовская обл
Имя
Юрий
Лодка
Пиранья 320
Мотор
Москва-М, Ветерок-12
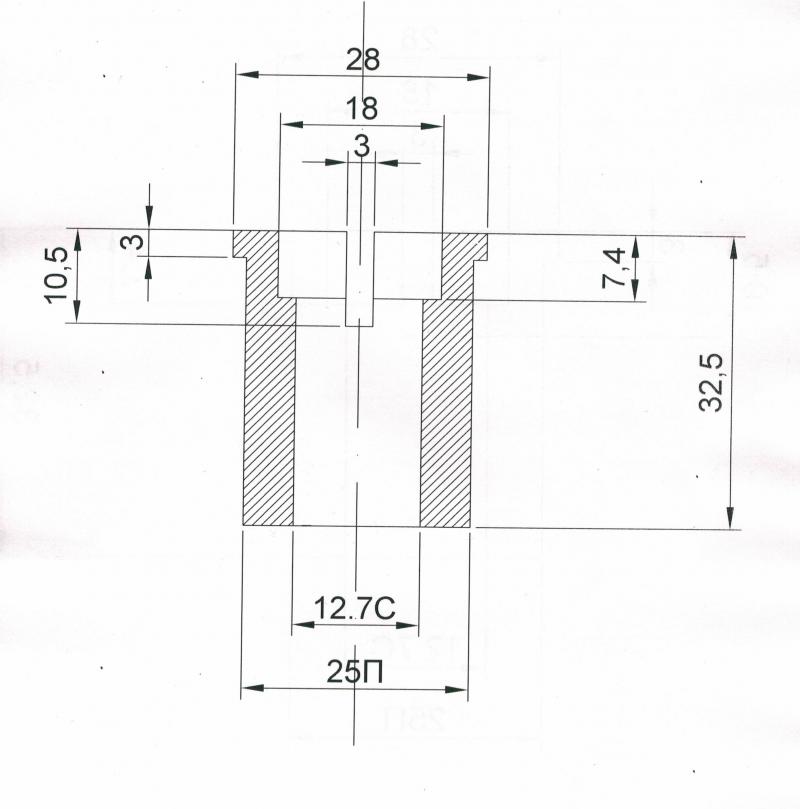
Привет всем. Я где то видел но не могу найти. Нужна схемка аль чертёж верхнего стакана (корпуса ) игольчатого подшипника рессоры редуктора , так как на рессоре большая выроботка и надо протачивать, и хотел сделать подшипник скольжения.
 

bobin65

гл. старшина
Регистрация
18.03.2015
Сообщения
114
Карма
16
Город
Томск
Имя
Альфред
Лодка
метла
Мотор
весла
повторю думаю автор не против будет
 

Вложения

нордик301

капитан 1-го ранга
Регистрация
22.10.2011
Сообщения
2 202
Карма
339
Возраст
72
Город
Алтайский край
Имя
Анатолий Ильич
Лодка
Нордик -300 (был ) , самодельная кастрюля -"люмишка " Солар-380
Мотор
"Мелкомоськи , "В-8 " , "Ямаха 9,9 GMHS"
По втулке рессоры можно дополнить , все подробности здесь . В вышеуказанном чертеже не "прописана" проточка канавки для смазки левого вращения ( глубиной в 1 мм и шириной в 1.5 мм ) .. Там сохраняется смазка и нет "сухого" трения . Делал сие неоднократно из оловянистой бронзы -- служит прекрасно
Втулка ресоры.gif
 

Gosha 64

матрос
Регистрация
16.10.2018
Сообщения
11
Карма
0
Город
Саратовская обл
Имя
Юрий
Лодка
Пиранья 320
Мотор
Москва-М, Ветерок-12
Кто менял резиновые втулки в месте соединения тяги выбора передач, там где регулировка, а то у меня там постоянно масло сочиться. Чем их можно заменить?
 

Sergei19

капитан 3-го ранга
Регистрация
13.07.2014
Сообщения
610
Карма
109
Возраст
57
Город
Урал
Имя
Сергей
Лодка
Самодельная из пвх
Мотор
Гибрид из Ветерка 8 и Чемпион 200, Москва-М, Yamaha 9,9 Mercury 40
Кто менял резиновые втулки в месте соединения тяги выбора передач, там где регулировка, а то у меня там постоянно масло сочиться. Чем их можно заменить?
На тягу включения скоростей одел труьку. Про втулку из бронзы забудь. В теме про мосю есть фото и описание переделки узла на другой подшипник. На ютубе ролик есть не помню чей про все это..
 

нордик301

капитан 1-го ранга
Регистрация
22.10.2011
Сообщения
2 202
Карма
339
Возраст
72
Город
Алтайский край
Имя
Анатолий Ильич
Лодка
Нордик -300 (был ) , самодельная кастрюля -"люмишка " Солар-380
Мотор
"Мелкомоськи , "В-8 " , "Ямаха 9,9 GMHS"
Про втулку из бронзы забудь. В теме про мосю есть фото и описание переделки узла на другой подшипник. На ютубе ролик есть не помню чей про все это..
+++ Ты если страдаешь провалами в памяти -- то не пиши про неизвестный ролик на Ютюбе ... Ну или давай ссылку .. А вообще далеко не каждый форумчанин имеет доступ к хорошему инструментальному парку , а выточить бронзовую втулку вполне по силам токарю с "головой" ! В этом ее ценность !!!
 

val65

старшина 2ст.
Регистрация
25.10.2015
Сообщения
60
Карма
2
Город
Смоленск
Имя
Валерий
Лодка
Ривьера 3200СК
Мотор
Разные
На тягу включения скоростей одел труьку. Про втулку из бронзы забудь. В теме про мосю есть фото и описание переделки узла на другой подшипник. На ютубе ролик есть не помню чей про все это..
А при чём здесь вообще подшипник? Человек спрашивает про Н образные резинки на тяге включения передач. Обратись к Аркадию Трясицину в ВК. Он наладил производство резинок на Мелкомоськи.
 

bobin65

гл. старшина
Регистрация
18.03.2015
Сообщения
114
Карма
16
Город
Томск
Имя
Альфред
Лодка
метла
Мотор
весла
Сергей кинь ссылку про переделку под другой подшипник рессору! Я резинки круглые на тяге включения передач подобрал в магазе сантехники замечательно держат !
 

нордик301

капитан 1-го ранга
Регистрация
22.10.2011
Сообщения
2 202
Карма
339
Возраст
72
Город
Алтайский край
Имя
Анатолий Ильич
Лодка
Нордик -300 (был ) , самодельная кастрюля -"люмишка " Солар-380
Мотор
"Мелкомоськи , "В-8 " , "Ямаха 9,9 GMHS"
Я резинки круглые на тяге включения передач подобрал в магазе сантехники замечательно держат !
+++ В ранешние времена ставил такие колечки -- замечательно держат , но недолго .. Поставил по рекомендациям колечки уплотнения клапанов авто "Москвич " -- забыл проблему ..
 

bobin65

гл. старшина
Регистрация
18.03.2015
Сообщения
114
Карма
16
Город
Томск
Имя
Альфред
Лодка
метла
Мотор
весла
+++ В ранешние времена ставил такие колечки -- замечательно держат , но недолго .. Поставил по рекомендациям колечки уплотнения клапанов авто "Москвич " -- забыл проблему ..
я пытался их купить по твоему же совету - нет нигде, заказал в через экзист пришли не колечки а колпачки
 

Sergei19

капитан 3-го ранга
Регистрация
13.07.2014
Сообщения
610
Карма
109
Возраст
57
Город
Урал
Имя
Сергей
Лодка
Самодельная из пвх
Мотор
Гибрид из Ветерка 8 и Чемпион 200, Москва-М, Yamaha 9,9 Mercury 40
Хор
+++ Ты если страдаешь провалами в памяти -- то не пиши про неизвестный ролик на Ютюбе ... Ну или давай ссылку .. А вообще далеко не каждый форумчанин имеет доступ к хорошему инструментальному парку , а выточить бронзовую втулку вполне по силам токарю с "головой" ! В этом ее ценность !!!
Хороший инструментальный парк здесь не нужен. Здесь нужна голова , руки и токарь.Ничего сверхъестественного в переделке этого узла нет. Тема не однократно разжевана , по этому ссылку Михаила Смирнова не выложил . Если уже кому то в лом для себя найти то пожалуйста держите
 

Sergei19

капитан 3-го ранга
Регистрация
13.07.2014
Сообщения
610
Карма
109
Возраст
57
Город
Урал
Имя
Сергей
Лодка
Самодельная из пвх
Мотор
Гибрид из Ветерка 8 и Чемпион 200, Москва-М, Yamaha 9,9 Mercury 40
А при чём здесь вообще подшипник? Человек спрашивает про Н образные резинки на тяге включения передач. Обратись к Аркадию Трясицину в ВК. Он наладил производство резинок на Мелкомоськи.
Прочитайте несколько его последних сообщений , и потом делайте выводы.
 

нордик301

капитан 1-го ранга
Регистрация
22.10.2011
Сообщения
2 202
Карма
339
Возраст
72
Город
Алтайский край
Имя
Анатолий Ильич
Лодка
Нордик -300 (был ) , самодельная кастрюля -"люмишка " Солар-380
Мотор
"Мелкомоськи , "В-8 " , "Ямаха 9,9 GMHS"
Тема не однократно разжевана , по этому ссылку Михаила Смирнова не выложил .
+++ Ну и зря .. На Ютюбе столько всякого понаписано , черт ногу сломит ... А сейчас конкретная ссылка будет для нуждающихся как находка .
P.S. С Мишей Смирновым на "мотолодке" многократно общался и в личке(почте ) тоже -- талантливый человек и отличная инструментальная база .


я пытался их купить по твоему же совету - нет нигде, заказал в через экзист пришли не колечки а колпачки
+++ Да не было проблем .. Зашел в местный автолабаз , в наличии не было . через три дня привезли по моему заказу . И цена не космическая .
 

Gosha 64

матрос
Регистрация
16.10.2018
Сообщения
11
Карма
0
Город
Саратовская обл
Имя
Юрий
Лодка
Пиранья 320
Мотор
Москва-М, Ветерок-12
+++ Ну и зря .. На Ютюбе столько всякого понаписано , черт ногу сломит ... А сейчас конкретная ссылка будет для нуждающихся как находка .
P.S. С Мишей Смирновым на "мотолодке" многократно общался и в личке(почте ) тоже -- талантливый человек и отличная инструментальная база .




+++ Да не было проблем .. Зашел в местный автолабаз , в наличии не было . через три дня привезли по моему заказу . И цена не космическая .
На тягу включения скоростей одел труьку. Про втулку из бронзы забудь. В теме про мосю есть фото и описание переделки узла на другой подшипник. На ютубе ролик есть не помню чей про все это..
Спасибо но я спрашивал про ту часть которая находиться в не дейвуда, там где соединяются верхняя и нижняя тяги, у меня там после поездок аж чуть ручьём не течёт, вся нога в масле, не оч приятно и эстетично. Да и прежде чем в богажник положить надо оттирать.
 

bobin65

гл. старшина
Регистрация
18.03.2015
Сообщения
114
Карма
16
Город
Томск
Имя
Альфред
Лодка
метла
Мотор
весла
Спасибо но я спрашивал про ту часть которая находиться в не дейвуда, там где соединяются верхняя и нижняя тяги, у меня там после поездок аж чуть ручьём не течёт, вся нога в масле, не оч приятно и эстетично. Да и прежде чем в богажник положить надо оттирать.
очень даже ответили https://vk.com/id60914627 у Аркадия все резинки на москву есть
 

Sergei19

капитан 3-го ранга
Регистрация
13.07.2014
Сообщения
610
Карма
109
Возраст
57
Город
Урал
Имя
Сергей
Лодка
Самодельная из пвх
Мотор
Гибрид из Ветерка 8 и Чемпион 200, Москва-М, Yamaha 9,9 Mercury 40
+++ Ну и зря .. На Ютюбе столько всякого понаписано , черт ногу сломит ... А сейчас конкретная ссылка будет для нуждающихся как находка .
P.S. С Мишей Смирновым на "мотолодке" многократно общался и в личке(почте ) тоже -- талантливый человек и отличная инструментальная база .




+++ Да не было проблем .. Зашел в местный автолабаз , в наличии не было . через три дня привезли по моему заказу . И цена не космическая .
Анатолий , я сам токарь. И скажу сразу , что особого инструмента , и особых навыков в переделке узла не надо. Нужны руки , голова и токарный станок . А самое главное желание. Только рукожопые токаря сразу начинают стонать , что у него станок конусит , размер не держит , что материал не обрабатывается или еще что. Видел я таких за свои 32 года стажа до хрена...От таких спецов надо сразу уходить. Иначе все испохабят и наговорят тысячу причин что бы отвести свою вину в сторону..То что сделано у Смирнова у меня то же сделано. На мотолодке да и в личке и по телефону разговаривали с ним не раз. Но я сделал немного по другому , и из других материалов. Каждый переделывает узлы из того что есть в наличии или под руками. На допотопном токарном я себе на мосю м перешлиыовывал шатунные и коренные шейки у колен вала , под ролики другого диаметра. Точил из шх15 стаканы под ролики. Короче до фига что делал ,сам , так как у нас ничего не найдешь на этот мотор.. А покупать кота в мешке не хочется.. Купил уже так торсион и шестерни в редуктор.. А потом плюнул и восстановил все старое , которое было гораздо лучше чем присланное..
 
Последнее редактирование:

нордик301

капитан 1-го ранга
Регистрация
22.10.2011
Сообщения
2 202
Карма
339
Возраст
72
Город
Алтайский край
Имя
Анатолий Ильич
Лодка
Нордик -300 (был ) , самодельная кастрюля -"люмишка " Солар-380
Мотор
"Мелкомоськи , "В-8 " , "Ямаха 9,9 GMHS"
Анатолий , я сам токарь. И скажу сразу , что особого инструмента , и особых навыков в переделке узла не надо. Нужны руки , голова и токарный станок . А самое главное желание. ..
+++ Помню , что ты токарь ... ! Да и рассуждаешь , как токарь . Ничего здесь зазорного нет . Только сегодня у нас в рабочем поселке с населением в 30 тыс. чел есть всего ОДИН !!! свободно работающий специалист со станком , наверное , старше меня . Не достучаться ... ... Есть заводской РМЦ , заводская ТЭЦ , цех централизованного ремонта ( ЦЦР ) . Но там все " крышует " частное охранное предприятие ( ЧОП ) -- мышь не пролезет ..
Поэтому даже простой болт выточить -- проблема ! , не говоря уже о перешлифовке шатунных и коренных шеек ... Давай спускаться на землю и не захламлять тему ! Спасибо нам с тобой никто не скажет .

P.S. С удовольствием почитаю твои рекомендации , советы . С уважением
 
Вверх Снизу