тут тоже общая точка диодов - аноды. есть путь тока. почему же тогда в схеме Мб-2 общая точка катоды, судя по фото люди собирают также и все работает. как ток управления протекает??Вот схема Ямахи 30 ХВС
Отрицательный полупериод открывает тиристор. В этот момент второй конец намотки датчика подключен через диоды к массе.как ток управления протекает??
все бы хорошо, но чтобы тиристор открылся, ток должен течь с управляющего электрода на катод. выше я привел схему мг101, там перед управляющими электродами стоят диоды. кроме того на С1 напряжение порядка 300в, причем на левой обкладке минус, а на корпусе плюс. чтобы ток управления пошел через С1 катушка управления должна создать большее напряжение.Отрицательный полупериод открывает тиристор.
Какой ток? Постоянный, или переменный?все бы хорошо, но чтобы тиристор открылся, ток должен течь с управляющего электрода на катод.
опишмте пожалуйста как протекает ток L3 в схеме МБ2 когда верхний ее конец имеет положительный потенциал относительно нижнего, а накопительный конденсатор С1 заряжен до 300В, плюс на корпусе, минус на общей точке катодов тиристоров.Разве я не достаточно ясно написал, что тиристор управляется отрицательным полупериодом?
Предлагаю для начала, ознакомится с работой конденсатора.опишмте пожалуйста как протекает ток L3 в схеме МБ2 когда верхний ее конец имеет положительный потенциал относительно нижнего, а накопительный конденсатор С1 заряжен до 300В, плюс на корпусе, минус на общей точке катодов тиристоров.
да, пояснили. можете пройти путь тока от одного конца обмотки L3 на схеме МБ2 до другого?Ибо я уже пояснил, как работает отдельная часть схемы, а вы вновь задаете этот же вопрос.
До какого другого конца?да, пояснили. можете пройти путь тока от одного конца обмотки L3 на схеме МБ2 до другого?
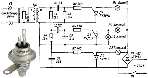
Например как для МГ101:
Начинается в "колхозе утро".Андрей, ВТ151 и КУ202 не открываются отрицательным напряжением на УЭ.

Дак у МБ-2, нет диода на управляющем электроде! Он открывается переменным током!У меня есть стенд для обкатки коммутаторов, если перевернуть диод в управляющей цепи, ни один коммутатор не работает.

чтобы тиристор открылся, нужно его управляющий переход сместить в прямом направлении, т.е. управляющий электрод должен стать "плюсее" катода. приложил скан разворота книжки Хорхордина и модель замещения тиристора двумя транзисторами.отрицательный полупериод переменного тока, поступает на PN переход тиристора

Без массы, в схеме МБ-2 ни чего работать не будет. Все диоды в схеме, так, или иначе, подключены к массе.диоды vd4, vd5 заперты заряженным с1. на аноде vd4 минус 300В относительно корпуса . чтобы пропустить ток катушки L3 на корпус оба диода должны открыться.
т.е. вы считаете что когда на С1 300В и VD4,VD5 заперты ток датчика сможет через них пройти на массу?Без массы, в схеме МБ-2 ни чего работать не будет. Все диоды в схеме, так, или иначе, подключены к массе.
Что бы понять в какой промежуток времени, какие именно диоды подключают массу к датчику, к тиристору, к накопительным катушкам, а какие шунтируют отрицательный полупериод, нужно изучить работу магнитной системы.
А потом, включить двухканальный осциллограф и посмотреть на работу схемы, в разных точках.
Это снимет много разных предположений и вопросов.................
Увы, но- это как раз вы так считаете.т.е. вы считаете что когда на С1 300В и VD4,VD5 заперты ток датчика сможет через них пройти на массу?
От чего же, вы ими не воспользовались!?нужно изучить работу магнитной системы.
А потом, включить двухканальный осциллограф и посмотреть на работу схемы, в разных точках.
Это снимет много разных предположений и вопросов.................



по этой совмещенной картинке мне кстати непонятно почему управляющие импульсы датчика имеют одинаковую полярность? два тиристора должны по очереди открываться - значит выбросы на датчике должны быть то в одну то в другую сторону?Следующая совмещенная из двух, осциллограмма- это уже не подсказка, а в чистом виде описание работы.
Да, уж!по этой совмещенной картинке мне кстати непонятно почему управляющие импульсы датчика имеют одинаковую полярность? два тиристора должны по очереди открываться - значит выбросы на датчике должны быть то в одну то в другую сторону?