BECHA
гл. старшина
- Регистрация
- 25.08.2021
- Сообщения
- 125
- Карма
- 29
- Имя
- Сергей
- Лодка
- пока нет
- Мотор
- пока нет
По какой цепи протекает ток управления тиристорами от L3?Какое решение для датчика!!
По какой цепи протекает ток управления тиристорами от L3?Какое решение для датчика!!
У Томоса стырили.МБ2 уникальное эсз. Какое решение для датчика!!! Нет ни одного мотора в мире (магн.сист. маховика) с таким решением.
Дмитрий, можете объяснить как работает цепь управления МБ2?У Томоса стырили
Дмитрий, можете объяснить как работает цепь управления МБ2?
понятия не имею , как он там открывается. Ты просил показать, как работает цепь управления.я не понимаю как тиристор открывается отрицательным импульсом.
именно. ток управления должен протекать так, чтобы тиристор открывался. он должен втекать в УЭ и вытекать из катода. примерно как у NPN транзистора.Ты просил показать, как работает цепь управления.
Дима-супер простой обзор. Я когда допер-всё таки класно придумано. Томас попадался,но всё мелкосильный, на базе мото создано.
Ну, ты даешь Серёжа!Видео посмотрел, как в институт вернулся.

По каким учебникам преподают отпирание тиристоров отрицательным импульсом?Это преподают на втором курсе
меня больше смущает допустимое обратное напряжение на управляющем электроде. для BT151 всего 5В, а в схеме МБ2 оно ничем не ограничено.Странно, при обратном пробое эжекция начинается при 80-100 вольтах на УЭ
На ку202 не сумел заставить работать, правда это было давно, на вт151 второй сезон мотор отходил.схема для ломовых КУ202, которые спокойно держали 200-300 ма на УЭ, но ведь люди ставят ВТ151.
Серёжа, ты меня в очередной раз удивляешь.Но в катушке датчика 4070 витков - это 300-400 вольт, получается что УЭ работают как стабилитроны, что недопустимо по ТУ.

В общем предлагаю поступать следующим образом. Сначала в вопросе следует разобраться, по "феншую", измерить, проверить, подтвердить, или опровергнуть, только потом писать заключение.К тому же схема для ломовых КУ202, которые спокойно держали 200-300 ма на УЭ, но ведь люди ставят ВТ151.
Мне известно обратное, что уменьшаются не витки, а напряжение, в результате повышения индуктивного сопротивления, с увеличением частоты.Андрей, там на максимальных оборотах не 50 герц, а до 180, при росте частоты витки на вольт сильно уменьшаются.
А в датчике правда 4070 витков, или опечатка ?
В общем предлагаю поступать следующим образом. Сначала в вопросе следует разобраться, по "феншую", измерить, проверить, подтвердить, или опровергнуть, только потом писать заключение.



В разных источниках именно это число.А в датчике правда 4070 витков, или опечатка ?
Схему ни кто не видел. Катушки зарядные совсем другие.PS в чем конкретно заключалась модернизация МБ-2, описанная в книге Страшкевича? Схема не менялась?
видел сообщения про две катушки с одинаковым числом витков. это и есть новая ревизия?Катушки зарядные совсем другие.
Это одна из трёх старых версий МБ-2.Пришлось зарегистрироваться, поскольку эта тема сейчас для меня актуальна.
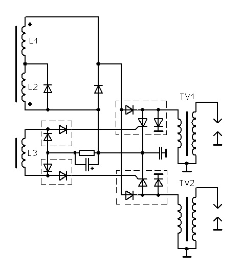
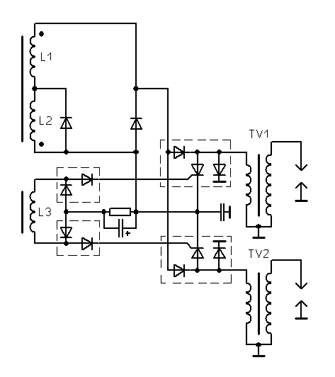
Срисовал схему с расковырянного мной МБ-2. Какая это по счету модификация - не знаю.
Обведенные пунктиром элементы - бескорпусные сборки.
Это одна из старых версий МБ-2. Самая плохая.Пришлось зарегистрироваться, поскольку эта тема сейчас для меня актуальна.
Срисовал схему с расковырянного мной МБ-2. Какая это по счету модификация - не знаю.
Обведенные пунктиром элементы - бескорпусные сборки.