владимир 65

капитан 3-го ранга
Регистрация
25.10.2012
Сообщения
550
Карма
35
Имя
Владимир
Лодка
Казанка , Ладога.
Мотор
Нептуны 23, Yamaha F 5 AMHS. Куча Ветерков и Москва 10
SHAFAR какой диод?
 

SHAFAR

ст. мичман
Регистрация
13.10.2010
Сообщения
199
Карма
13
владимир 65 сказал(а):
Овчинников предлагает вместо VD4 ставить двунаправленный диод-супрессор.
 

владимир 65

капитан 3-го ранга
Регистрация
25.10.2012
Сообщения
550
Карма
35
Имя
Владимир
Лодка
Казанка , Ладога.
Мотор
Нептуны 23, Yamaha F 5 AMHS. Куча Ветерков и Москва 10

ovchinnikov 1966

капитан 1-го ранга
Регистрация
29.01.2012
Сообщения
9 428
Карма
1 309
Имя
Alex
Лодка
Terhi 405. Flinc 320
Мотор
Johnson, Evenrud, Chrysler.Terhi . Volvo Penta ///...

владимир 65

капитан 3-го ранга
Регистрация
25.10.2012
Сообщения
550
Карма
35
Имя
Владимир
Лодка
Казанка , Ладога.
Мотор
Нептуны 23, Yamaha F 5 AMHS. Куча Ветерков и Москва 10
ovchinnikov 1966 сказал(а):
Алексей спасибо. Супрессор наверно с буквой С А ? Но вот какая засада, у меня уже всё залито эпоксидкой(. Если я его повешу на кнопку стоп, параллельно диоду получается, схема будет работать?
 

ovchinnikov 1966

капитан 1-го ранга
Регистрация
29.01.2012
Сообщения
9 428
Карма
1 309
Имя
Alex
Лодка
Terhi 405. Flinc 320
Мотор
Johnson, Evenrud, Chrysler.Terhi . Volvo Penta ///...
В парал. катушки можно.
 

SHAFAR

ст. мичман
Регистрация
13.10.2010
Сообщения
199
Карма
13
Как будет работать схема с ТЛМ? Меняется ли схема подключения?
 

SHAFAR

ст. мичман
Регистрация
13.10.2010
Сообщения
199
Карма
13
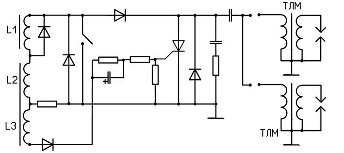
Привет всем мотолодочникам! Вопрос по схеме NEW. Номиналы деталей-по схеме. L1-7500 ф0,11; L2-2000 ф0,11; L3-150 ф0,11. Высоковольтные катушки-ТЛМ. Подключение ТЛМ-по схеме. Мотор заводится нормально и набирает обороты до средних. Дальше реакция на рычаг газа отсутствует. Наличие венца или его отсутствие значения не имеют. Изготовлено 5 коммутаторов с жестким контролем соединений. Применение семистора BTA-16 вместо тиристора BT-151-800 результатов не дало. Где искать ошибку?
 

владимир 65

капитан 3-го ранга
Регистрация
25.10.2012
Сообщения
550
Карма
35
Имя
Владимир
Лодка
Казанка , Ладога.
Мотор
Нептуны 23, Yamaha F 5 AMHS. Куча Ветерков и Москва 10
SHAFAR сказал(а):
Привет всем мотолодочникам! Вопрос по схеме NEW. Номиналы деталей-по схеме. L1-7500 ф0,11; L2-2000 ф0,11; L3-150 ф0,11. Высоковольтные катушки-ТЛМ. Подключение ТЛМ-по схеме. Мотор заводится нормально и набирает обороты до средних. Дальше реакция на рычаг газа отсутствует. Наличие венца или его отсутствие значения не имеют. Изготовлено 5 коммутаторов с жестким контролем соединений. Применение семистора BTA-16 вместо тиристора BT-151-800 результатов не дало. Где искать ошибку?
У меня такая же картина. Сказали что нужно 1.5КЕ220 поставить,я выписал в инете-жду.
 

SHAFAR

ст. мичман
Регистрация
13.10.2010
Сообщения
199
Карма
13
владимир 65 сказал(а):
SHAFAR сказал(а):
Привет всем мотолодочникам! Вопрос по схеме NEW. Номиналы деталей-по схеме. L1-7500 ф0,11; L2-2000 ф0,11; L3-150 ф0,11. Высоковольтные катушки-ТЛМ. Подключение ТЛМ-по схеме. Мотор заводится нормально и набирает обороты до средних. Дальше реакция на рычаг газа отсутствует. Наличие венца или его отсутствие значения не имеют. Изготовлено 5 коммутаторов с жестким контролем соединений. Применение семистора BTA-16 вместо тиристора BT-151-800 результатов не дало. Где искать ошибку?
У меня такая же картина. Сказали что нужно 1.5КЕ220 поставить,я выписал в инете-жду.
И никакая другая марка не подходит?
 

дмитрий22

капитан 2-го ранга
Регистрация
11.05.2010
Сообщения
1 472
Карма
160
Город
Украина,Херсон
Имя
Дмитрий
Лодка
"Крым"; "Кайман-305";"Пелла Фиорд 430"
Мотор
Джонсон 15 4-т, Ветерок-12, Вихри
SHAFAR сказал(а):
Привет всем мотолодочникам! Вопрос по схеме NEW. Номиналы деталей-по схеме. L1-7500 ф0,11; L2-2000 ф0,11; L3-150 ф0,11. Высоковольтные катушки-ТЛМ. Подключение ТЛМ-по схеме. Мотор заводится нормально и набирает обороты до средних. Дальше реакция на рычаг газа отсутствует. Наличие венца или его отсутствие значения не имеют. Изготовлено 5 коммутаторов с жестким контролем соединений. Применение семистора BTA-16 вместо тиристора BT-151-800 результатов не дало. Где искать ошибку?
Я так понял, что ты уже два года их делаешь и "все правильно", только не работает. Предлагаю абсолютно 100 процентов решение. Присылай мне на проверку свое изделие. Я его на видео и разберу.
 

SHAFAR

ст. мичман
Регистрация
13.10.2010
Сообщения
199
Карма
13
дмитрий22 сказал(а):
SHAFAR сказал(а):
Привет всем мотолодочникам! Вопрос по схеме NEW. Номиналы деталей-по схеме. L1-7500 ф0,11; L2-2000 ф0,11; L3-150 ф0,11. Высоковольтные катушки-ТЛМ. Подключение ТЛМ-по схеме. Мотор заводится нормально и набирает обороты до средних. Дальше реакция на рычаг газа отсутствует. Наличие венца или его отсутствие значения не имеют. Изготовлено 5 коммутаторов с жестким контролем соединений. Применение семистора BTA-16 вместо тиристора BT-151-800 результатов не дало. Где искать ошибку?
Я так понял, что ты уже два года их делаешь и "все правильно", только не работает. Предлагаю абсолютно 100 процентов решение. Присылай мне на проверку свое изделие. Я его на видео и разберу.
Таки, да! И схему NEW не могу отладить. Твои предыдущие работают без вопросов. А вот с NEW-засада...
 

AlexLee

капитан 3-го ранга
Регистрация
02.02.2016
Сообщения
736
Карма
18
Возраст
52
Город
Днепр
Имя
Александр
Лодка
Прогресс 2
Мотор
Нептун 23
SHAFAR сказал(а):
дмитрий22 сказал(а):
SHAFAR сказал(а):
Привет всем мотолодочникам! Вопрос по схеме NEW. Номиналы деталей-по схеме. L1-7500 ф0,11; L2-2000 ф0,11; L3-150 ф0,11. Высоковольтные катушки-ТЛМ. Подключение ТЛМ-по схеме. Мотор заводится нормально и набирает обороты до средних. Дальше реакция на рычаг газа отсутствует. Наличие венца или его отсутствие значения не имеют. Изготовлено 5 коммутаторов с жестким контролем соединений. Применение семистора BTA-16 вместо тиристора BT-151-800 результатов не дало. Где искать ошибку?
Я так понял, что ты уже два года их делаешь и "все правильно", только не работает. Предлагаю абсолютно 100 процентов решение. Присылай мне на проверку свое изделие. Я его на видео и разберу.
Таки, да! И схему NEW не могу отладить. Твои предыдущие работают без вопросов. А вот с NEW-засада...
Ну, так в чем проблема? Если предыдущие работают без вопросов, зачем биться над тем, что не работает?
Лучшее — враг хорошего :)
 

AlexLee

капитан 3-го ранга
Регистрация
02.02.2016
Сообщения
736
Карма
18
Возраст
52
Город
Днепр
Имя
Александр
Лодка
Прогресс 2
Мотор
Нептун 23
SHAFAR сказал(а):
Как будет работать схема с ТЛМ? Меняется ли схема подключения?
Как понять этот вопрос? Разряд накопительного конденсатора идет либо через две ТЛМ, либо через "двухискровую" катушку.
В любом варианте схема подключения не меняется.
 

SHAFAR

ст. мичман
Регистрация
13.10.2010
Сообщения
199
Карма
13
AlexLee сказал(а):
SHAFAR сказал(а):
дмитрий22 сказал(а):
SHAFAR сказал(а):
Привет всем мотолодочникам! Вопрос по схеме NEW. Номиналы деталей-по схеме. L1-7500 ф0,11; L2-2000 ф0,11; L3-150 ф0,11. Высоковольтные катушки-ТЛМ. Подключение ТЛМ-по схеме. Мотор заводится нормально и набирает обороты до средних. Дальше реакция на рычаг газа отсутствует. Наличие венца или его отсутствие значения не имеют. Изготовлено 5 коммутаторов с жестким контролем соединений. Применение семистора BTA-16 вместо тиристора BT-151-800 результатов не дало. Где искать ошибку?
Я так понял, что ты уже два года их делаешь и "все правильно", только не работает. Предлагаю абсолютно 100 процентов решение. Присылай мне на проверку свое изделие. Я его на видео и разберу.
Таки, да! И схему NEW не могу отладить. Твои предыдущие работают без вопросов. А вот с NEW-засада...
Ну, так в чем проблема? Если предыдущие работают без вопросов, зачем биться над тем, что не работает?
Лучшее — враг хорошего :)
Она работает, но до средних оборотов и дальше не реагирует на "газ". Кроме того, по отзывам, схема хороша и более надежна , чем "Надежная". Вот и хочется доколупаться-чего так? Опять же, у большинства, кто пишет на форуме, работает!И Дмитрий22 утверждает-100% рабочая схема.
 

SHAFAR

ст. мичман
Регистрация
13.10.2010
Сообщения
199
Карма
13
AlexLee сказал(а):
SHAFAR сказал(а):
Как будет работать схема с ТЛМ? Меняется ли схема подключения?
Как понять этот вопрос? Разряд накопительного конденсатора идет либо через две ТЛМ, либо через "двухискровую" катушку.
В любом варианте схема подключения не меняется.
А так?
 

Вложения

AlexLee

капитан 3-го ранга
Регистрация
02.02.2016
Сообщения
736
Карма
18
Возраст
52
Город
Днепр
Имя
Александр
Лодка
Прогресс 2
Мотор
Нептун 23
SHAFAR сказал(а):
AlexLee сказал(а):
SHAFAR сказал(а):
Как будет работать схема с ТЛМ? Меняется ли схема подключения?
Как понять этот вопрос? Разряд накопительного конденсатора идет либо через две ТЛМ, либо через "двухискровую" катушку.
В любом варианте схема подключения не меняется.
А так?
Ну коль так, тады меняется. Только откель ты сие подключение взял? У автора схемы Дмирия22 черным по белому написано: НА МАССУ НИЧЕГО СОЕДИНЯТЬ НЕ НАДО.

А если ты катод тиристора садишь на массу, да в добавок к этому первички обеих ТЛМ тыкаешь на накопительный кондер, то тогда сам и разбирайся ))).

daryinalexej о траблах при таком подключении подробно отписался: topic10948.html
 

AlexLee

капитан 3-го ранга
Регистрация
02.02.2016
Сообщения
736
Карма
18
Возраст
52
Город
Днепр
Имя
Александр
Лодка
Прогресс 2
Мотор
Нептун 23

владимир 65

капитан 3-го ранга
Регистрация
25.10.2012
Сообщения
550
Карма
35
Имя
Владимир
Лодка
Казанка , Ладога.
Мотор
Нептуны 23, Yamaha F 5 AMHS. Куча Ветерков и Москва 10
Поставил 1.5КЕ220, ничего не изменилось :( . Видимо причина в другом :unknown: . Следующий этап, замена карбюратора.
 

SHAFAR

ст. мичман
Регистрация
13.10.2010
Сообщения
199
Карма
13

Вложения

SHAFAR

ст. мичман
Регистрация
13.10.2010
Сообщения
199
Карма
13
владимир 65 сказал(а):
Поставил 1.5КЕ220, ничего не изменилось :( . Видимо причина в другом :unknown: . Следующий этап, замена карбюратора.
Не думаю, что причина в кабюраторе-у меня такая проблема на пяти моторах. Не может же на всех глючить карб. Пока не разобрался. Приходится подключать другую плату, не используя L3. Эта схема тоже "Дмитрий22".
 

Вложения

SHAFAR

ст. мичман
Регистрация
13.10.2010
Сообщения
199
Карма
13
Была еще такая,но ее не делал и ничего о ней не знаю.
 

Вложения

  • 65,9 КБ Просмотры: 944

AlexLee

капитан 3-го ранга
Регистрация
02.02.2016
Сообщения
736
Карма
18
Возраст
52
Город
Днепр
Имя
Александр
Лодка
Прогресс 2
Мотор
Нептун 23
SHAFAR, ох и накидал ты кучу всего разного в одну корзину)...

Ну давай с другого конца зайдем.

Как ты ТЛМ к Надежной NEW подключаешь?
Так:


или так:


И попутно вопрос. Что значат эти точки на твоей схеме?

С началом и концом обмоток это как то связано?
 

Вложения

Вверх Снизу