sgb
ст. лейтенант
- Регистрация
- 22.01.2018
- Сообщения
- 318
- Карма
- 160
- Город
- Гродно
- Имя
- Геннадий
- Лодка
- ЯНТАРЬ-2, КАЗАНКА М, ПРОГРЕСС-2 были. СТЕЛС-315 теперь.
- Мотор
- МОСКВА-12,5 и 30, ВИХРЬ-20 и 30, НЕПТУН-23 были. ВЕТЕРОК-8Мм остаётся по сей день.
Многие задаются вопросом, как подключить освещение, подзарядить телефон используя маломощную катушку освещения лодочных моторов «ВЕТЕРОК».
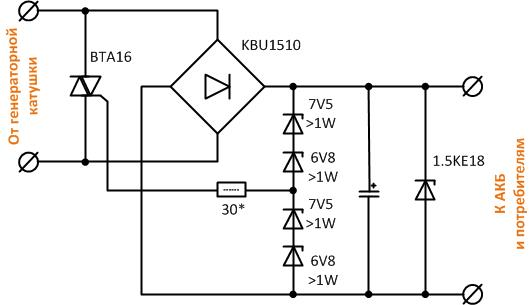
Вот возможности данной катушки (взяты из журнала «Катера и яхты»):

Катушка освещения, конечно же, не обладает большой мощностью, но запитать светодиоды, подзарядить телефон и даже в какой-то степени аккумулятор – сможет. Я думаю, что следует лишь подключить к проводу от катушки модуль питания MT3608 DC-DC (лучше более мощный), повышающий напряжение (ссылка внизу, на сайте подробности).
Выглядит он так:
Его особенность в том, что начинает воспринимать и трансформировать энергию от напряжения в 2 вольта. Прибор регулируемый, что позволяет отрегулировать его на нужное вам количество вольт, до 28. Причём выставленное вами напряжение выхода не меняется в зависимости от напряжения входа и оборотов двигателя. Будет расти лишь сила тока. Данный модуль рассчитан на ток только до 2-ух ампер.
Для подключения различных потребителей тока прекрасно подойдёт гнездо автомобильного прикуривателя.
На моторе ещё не проверял, зима.
На Ютубе:
Повышающий преобразователь маломощный: https://aliexpress.ru/item/32653583398.html?spm=a2g2w.productlist.0.0.7f4f21e8YbkDQ3
Всем всего хорошего!
Вот возможности данной катушки (взяты из журнала «Катера и яхты»):

Катушка освещения, конечно же, не обладает большой мощностью, но запитать светодиоды, подзарядить телефон и даже в какой-то степени аккумулятор – сможет. Я думаю, что следует лишь подключить к проводу от катушки модуль питания MT3608 DC-DC (лучше более мощный), повышающий напряжение (ссылка внизу, на сайте подробности).
Выглядит он так:
Его особенность в том, что начинает воспринимать и трансформировать энергию от напряжения в 2 вольта. Прибор регулируемый, что позволяет отрегулировать его на нужное вам количество вольт, до 28. Причём выставленное вами напряжение выхода не меняется в зависимости от напряжения входа и оборотов двигателя. Будет расти лишь сила тока. Данный модуль рассчитан на ток только до 2-ух ампер.
Для подключения различных потребителей тока прекрасно подойдёт гнездо автомобильного прикуривателя.
На моторе ещё не проверял, зима.
На Ютубе:
Всем всего хорошего!
Последнее редактирование:

Меня, собственно, большего всего и смущала у этого девайса надёжность исполнительного механизма - реле. А так устройство копеечное, есть регулировки (можно настроить гистерезис), попробую я, наверное, его)