Семен 33

ст. матрос
Регистрация
13.01.2013
Сообщения
40
Карма
2
Город
Киев
Имя
Семен
Лодка
МКМ
Мотор
Ветер 8. Вихрь 30.Нептун 23.
Добрый день! Подскажите пожалуйста как заряжать аккумулятор от мотора Ветерок-8?
 

LPB

капитан 1-го ранга
Регистрация
10.05.2010
Сообщения
1 634
Карма
93
Город
Новосибирск
Имя
Павел
Лодка
Прогресс-2
Мотор
HONDA BF-30
Re: Ветер 8 как заряжать акб

Штатной катушкой освещения с выпрямителем 5А
 

Семен 33

ст. матрос
Регистрация
13.01.2013
Сообщения
40
Карма
2
Город
Киев
Имя
Семен
Лодка
МКМ
Мотор
Ветер 8. Вихрь 30.Нептун 23.
Re: Ветер 8 как заряжать акб

Выпрямитель с авто подбирать надо. или под мотор есть в продаже
 

LPB

капитан 1-го ранга
Регистрация
10.05.2010
Сообщения
1 634
Карма
93
Город
Новосибирск
Имя
Павел
Лодка
Прогресс-2
Мотор
HONDA BF-30
Re: Ветер 8 как заряжать акб

LPB сказал(а):
От автомобиля конечно можно, но запас по току в 15-20 раз я думаю лишне. Штатная катушка на ветерке дает 2 ампера max. и то на полном газу.
Достаточно 5А моста изьятого из какого-нибудь блока питания телека или компа.
Для справки
Чтобы зарядить автомобильный аккумулятор 45-55 А\ч мотор на полном газу должен отработать сутки... :D
Но вполне хватит для зарядки сотового или аккумулятора фонаря и эхолота
 

LPB

капитан 1-го ранга
Регистрация
10.05.2010
Сообщения
1 634
Карма
93
Город
Новосибирск
Имя
Павел
Лодка
Прогресс-2
Мотор
HONDA BF-30
Re: Ветер 8 как заряжать акб

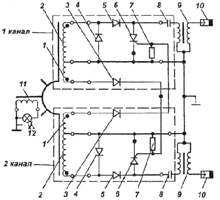
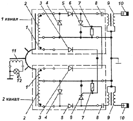
СХЕМА ВЕТЕРКА 8-12



под №11 катушка освещения



№9 БЕЛЫЙ ПРОВОД ПЕРЕМЕННОЕ 12В ВТОРОЙ ВЫВОД- МАССА ДВИГАТЕЛЯ
 

Вложения

WOLLI

капитан 3-го ранга
Регистрация
02.06.2011
Сообщения
836
Карма
102
Город
Мать городов русских
Имя
Александр
Лодка
маломерные и не только
Мотор
внутреннего сгорания...
Re: Ветер 8 как заряжать акб

Один провод на массу в любом месте на мотоголове.................второй провод в жгуте, как правило всегда беленький, к нему второй провод через диод ................полярность чтобы не ошибиться проверить вольтметром........

а лучше как сверху описано но два провода(к массе и из жгута беленький) подсоединить к диодному мосту(подсоединять к значкам переменка) и подпаять два провода к плюс и минус на моторе......сразу будешь знать полярность без проверки.........диодный мост от 5А........можно взять выпрямитель стабилизатор скутеровский, но нужно лезть под маховик.........

Максимум 2,5 А.........на оборотах хх от до 0,5-0,6 А
 

Семен 33

ст. матрос
Регистрация
13.01.2013
Сообщения
40
Карма
2
Город
Киев
Имя
Семен
Лодка
МКМ
Мотор
Ветер 8. Вихрь 30.Нептун 23.
Re: Ветер 8 как заряжать акб

Спасибо будем разбиратся
 

shalagin

капитан 1-го ранга
Регистрация
05.08.2012
Сообщения
1 806
Карма
256
Город
г.Сыктывкар
Имя
Сергей
Мотор
Ветерок-8м
Re: Ветер 8 как заряжать акб

Можно использовать выпрямитель от Вихря или Нептуна, но нужно вывод на генераторной катушке освещения отсоединить от "массы".
 

Вложения

WOLLI

капитан 3-го ранга
Регистрация
02.06.2011
Сообщения
836
Карма
102
Город
Мать городов русских
Имя
Александр
Лодка
маломерные и не только
Мотор
внутреннего сгорания...
Re: Ветер 8 как заряжать акб

покупать вбг смысла нет, он стоит от 15-20 баксов.......если только есть под рукой шаровый.....а вот выпрямительнывй мост более мощный стоит всего 1-1,5 уе............в десять раз меньше.......
 

Семен 33

ст. матрос
Регистрация
13.01.2013
Сообщения
40
Карма
2
Город
Киев
Имя
Семен
Лодка
МКМ
Мотор
Ветер 8. Вихрь 30.Нептун 23.
Re: Ветер 8 как заряжать акб

А выпрямительный мост надо собирать паять ?
 

LPB

капитан 1-го ранга
Регистрация
10.05.2010
Сообщения
1 634
Карма
93
Город
Новосибирск
Имя
Павел
Лодка
Прогресс-2
Мотор
HONDA BF-30
Re: Ветер 8 как заряжать акб

Семен 33 сказал(а):
А выпрямительный мост надо собирать паять ?
???????
Хотите паяйте-хотите готовый купите, без разницы



На этот автозащелки можно поставить и паяльник не доставать
 

Вложения

  • 23,9 КБ Просмотры: 6 534
  • 39,5 КБ Просмотры: 6 583

shalagin

капитан 1-го ранга
Регистрация
05.08.2012
Сообщения
1 806
Карма
256
Город
г.Сыктывкар
Имя
Сергей
Мотор
Ветерок-8м
Re: Ветер 8 как заряжать акб

Для информации , схема а) позволяет получить максимальный зарядный ток 2 А , схема б) до 4 А.
 

Вложения

  • 7,6 КБ Просмотры: 7 099

LPB

капитан 1-го ранга
Регистрация
10.05.2010
Сообщения
1 634
Карма
93
Город
Новосибирск
Имя
Павел
Лодка
Прогресс-2
Мотор
HONDA BF-30
Re: Ветер 8 как заряжать акб

shalagin сказал(а):
Для информации , схема а) позволяет получить максимальный зарядный ток 2 А , схема б) до 4 А.

На ветерке максимум, что можно взять это 2А и то при хорошем раскладе двухполупериодном выпрямителе и полном газу схема 2
При однополупериодном (Схема1 очень нежелательная из-за подмагничивания) только с трудом до 0,8А.
 

Семен 33

ст. матрос
Регистрация
13.01.2013
Сообщения
40
Карма
2
Город
Киев
Имя
Семен
Лодка
МКМ
Мотор
Ветер 8. Вихрь 30.Нептун 23.
Re: Ветер 8 как заряжать акб

Спасибо за инфо .будем собирать по схеме 2 а по подключению беленький с жгута и масса с мотора .а по вольтажу нужен ограничитель или нет и сколько будет давать без нево
 

Семен 33

ст. матрос
Регистрация
13.01.2013
Сообщения
40
Карма
2
Город
Киев
Имя
Семен
Лодка
МКМ
Мотор
Ветер 8. Вихрь 30.Нептун 23.
Re: Ветер 8 как заряжать акб

И еще вопрос по ветерку (кнопка стоп) можно в этой теме или создавать другую
 

shalagin

капитан 1-го ранга
Регистрация
05.08.2012
Сообщения
1 806
Карма
256
Город
г.Сыктывкар
Имя
Сергей
Мотор
Ветерок-8м
Re: Ветер 8 как заряжать акб

Семен 33 сказал(а):
Спасибо за инфо .будем собирать по схеме 2 а по подключению беленький с жгута и масса с мотора .а по вольтажу нужен ограничитель или нет и сколько будет давать без нево
Для работы схемы 2 нужно отсоединить от "массы" вывод катушки освещения, иначе половина мостика окажется замкнутой на "массу". Теоретически , если-бы лодка была неметаллическая , можно было бы вывести два провода, изолированные от "массы", после мостика на + и -. Схема подключения кнопки "стоп" есть в книге Фишбейна на стр. 141 (книга есть на сайте).
 

LPB

капитан 1-го ранга
Регистрация
10.05.2010
Сообщения
1 634
Карма
93
Город
Новосибирск
Имя
Павел
Лодка
Прогресс-2
Мотор
HONDA BF-30
Re: Ветер 8 как заряжать акб

Семен 33 сказал(а):
И еще вопрос по ветерку (кнопка стоп) можно в этой теме или создавать другую
До кучи...
Кнопки стоп на Ветре нет глушится газом если есть желание сделать - должна быть сдвоеная на оба канала управляющая на массу через диод.
 

shalagin

капитан 1-го ранга
Регистрация
05.08.2012
Сообщения
1 806
Карма
256
Город
г.Сыктывкар
Имя
Сергей
Мотор
Ветерок-8м
Re: Ветер 8 как заряжать акб

Вот ещё информация по зарядке.
 

Вложения

УНА-0531

капитан-лейтенант
Регистрация
29.07.2010
Сообщения
438
Карма
5
Город
Николаев
Имя
Олег
Лодка
самодельное 1,2 р.т.
Мотор
Мотор-Сич 40
Re: Ветер 8 как заряжать акб

Судя таблице подзарядить аккумулятор нечем.
 

Vladd

гл. кор. старшина
Регистрация
30.08.2011
Сообщения
148
Карма
7
Возраст
66
Город
Киев
Имя
Владимир
Лодка
самострой
Мотор
Минкота 30, Ветерок 8
Re: Ветер 8 как заряжать акб

В таблице переменка, думаю, что если выпрямить мостом, то значения будут другие.
 

УНА-0531

капитан-лейтенант
Регистрация
29.07.2010
Сообщения
438
Карма
5
Город
Николаев
Имя
Олег
Лодка
самодельное 1,2 р.т.
Мотор
Мотор-Сич 40
Re: Ветер 8 как заряжать акб

Vladd сказал(а):
В таблице переменка, думаю, что если выпрямить мостом, то значения будут другие.
Да, поменьше за счет падения на диодах
Получается, если двигатель не применять на больших оборотах, то лучше перемотать проводом потоньше, что-бы получилось побольше вольт. Ток конечно уменьшится, но лучше хоть немного подзаряжать, чем вообще остаться без зарядки.
 

IGNAT

капитан 2-го ранга
Регистрация
27.01.2013
Сообщения
1 322
Карма
120
Город
Псков
Имя
Константин
Лодка
Прогресс-4
Мотор
Вихрь-30 2шт. Ветерок-8
Re: Ветер 8 как заряжать акб

Всё правильно, отсоединяем от "массы" вывод катушки и оба конца подключаем к диодному мостику(5-10А). А уже "минус" можно опять на "массу".Если очень хочется то можно и ограничитель.У меня так и сделано.
 

Вложения

lapan

капитан-лейтенант
Регистрация
12.11.2011
Сообщения
377
Карма
29
Возраст
42
Имя
Павел
Лодка
ЯНТАРЬ-2 - 2 шт.
Мотор
Было:Нептун-23, Москва-9.5, Москва-М, Москва-12.5, Ветерок-8, гибрид-МосВет. Есть:M9.9, Ветерок 8Э

LPB

капитан 1-го ранга
Регистрация
10.05.2010
Сообщения
1 634
Карма
93
Город
Новосибирск
Имя
Павел
Лодка
Прогресс-2
Мотор
HONDA BF-30
Re: Ветер 8 как заряжать акб

IGNAT сказал(а):
Всё правильно, отсоединяем от "массы" вывод катушки и оба конца подключаем к диодному мостику(5-10А). А уже "минус" можно опять на "массу".Если очень хочется то можно и ограничитель.У меня так и сделано.
Можно вообщем-то и от массы не отсоединять-если на корпусе лодки не будет никакого электрооборудования, как я на резинке например и делал.
 

lapan

капитан-лейтенант
Регистрация
12.11.2011
Сообщения
377
Карма
29
Возраст
42
Имя
Павел
Лодка
ЯНТАРЬ-2 - 2 шт.
Мотор
Было:Нептун-23, Москва-9.5, Москва-М, Москва-12.5, Ветерок-8, гибрид-МосВет. Есть:M9.9, Ветерок 8Э
Re: Ветер 8 как заряжать акб

УНА-0531 сказал(а):
Vladd сказал(а):
В таблице переменка, думаю, что если выпрямить мостом, то значения будут другие.
Да, поменьше за счет падения на диодах
Получается, если двигатель не применять на больших оборотах, то лучше перемотать проводом потоньше, что-бы получилось побольше вольт. Ток конечно уменьшится, но лучше хоть немного подзаряжать, чем вообще остаться без зарядки.
Побольше. Если в таблице переменка, то Uпост=Uперем*1.41 - Uдиода.
 
Вверх Снизу