Vizar14
пассажир
- Регистрация
- 15.10.2020
- Сообщения
- 4
- Карма
- 0
- Имя
- Андрей
- Лодка
- Big Boat 340
- Мотор
- SHARMAX 9.8
навесным и всё будет гудА есть рисунок или фото печатной платы,буду очень признателен Посмотреть вложение 192189
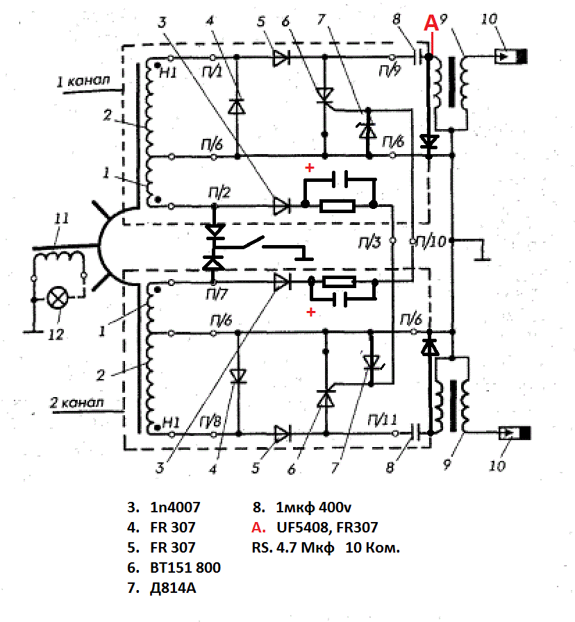
Вообщем так, собрал я эту схему. Поставил на Джонсон 25. Маховик с одним магнитом и противовесом. Мучили меня смутные сомненья. Провернул рукой на полуоборота маховик и ох..ел. Искра проскочила( что не было со старым вариантом)да еще какая.При вращении дрелью, вообще бомба. Вот только не поставил стабилитрон.Вот схема собирай и обкатывай.
Посмотреть вложение 159715
Особенности следующие. В схеме применен апериодический разряд. Диод А установлен после конденсатора. Желательно применить быстродействующий UF5408. В его отсутствии годится FR 307.
Так же применено шунтирование отрицательного импульса. Диод №4 отвечает за это.
Подбор RS цепи осуществлять по минимальному вращению маховика. При этом разряд должен появляться стабильный без пропусков.
Виктор, убери дифференцирующую цепочку, вместо стабилитрона поставь резистор 51 Ом, получишь классическую схему Ветерка, ничего не изменится. Если подключить осциллограф к аноду тиристора, то убедишься сам, ибо эти примочки на энергию искры не влияют. Диод А, дает апериодический разряд конденсатора, поэтому продолжительность горения плазмы в зазоре больше чем при периодическом. Я тоже предпочитаю такой разряд конденсатора в своих схемах. Это хорошо видно на маломощных системах (на маховиках с одним магнитом). Но тебе бы посоветовал сделать мостовой вариант, чтобы использовать оба полупериода, Вот тогда эффект и наглядно виден и приборы подтвердят.Вообщем так, собрал я эту схему. Поставил на Джонсон 25. Маховик с одним магнитом и противовесом. Мучили меня смутные сомненья. Провернул рукой на полуоборота маховик и ох..ел. Искра проскочила( что не было со старым вариантом)да еще какая.При вращении дрелью, вообще бомба. Вот только не поставил стабилитрон.
Спасибо,Владимир за отзывчивость. Тапками не бросайтесь, слепил на скорую руку. На тарелке две платы. Схема одинакова. На одной стоит 51ом на землю.иИскра только при вращении дрелью. На второй RC- 10к и 4,7мкф. Искра от поворота рукой. Выходит, что RC играет огромную роль.Вот тогда эффект и наглядно виден и приборы подтвердят.
Не надо этого делать. Угол поплывет.Виктор, убери дифференцирующую цепочку, вместо стабилитрона поставь резистор 51 Ом,
Этого то же не надо делать. У Джонсона керамические магниты, там уровень магнитного поля, в полтора раза больше чем на Ветерке. Заряд будет, вольт 800.Но тебе бы посоветовал сделать мостовой вариант, чтобы использовать оба полупериода,

Это керамика, так работает.Провернул рукой на полуоборота маховик и ох..ел.

Это же катушку надо перематывать! Я потому и говорю, что сейчас- мост ставить опасно!Андрей, витков на накопительной катушке не более 3500. Не будет там 800 вольт, думаю, что не выше 350, если только не крутить на стенде с включенной кнопкой "стоп". Если выше 400 вольт будет (в чем сомневаюсь), то конденсатор 1.5 мкФ. Ну в принципе, если устраивает это, то можно и ничего больше не делать.
Нет и не надо. Без него всё будет работать. Он всего лишь в качестве своеобразного "предохранителя" работает.Вот только не поставил стабилитрон.
Вот так с новой схемой и сделаю. Хочу еще спросить, как правильно подбиратьRC . Менять емкость или номинал резистора?Нет и не надо. Без него всё будет работать. Он всего лишь в качестве своеобразного "предохранителя" работает.
А вот из под маховика, желательно всё убрать в два отдельных корпуса. И закрепить их на моторе.
А за одним и запасной коммутатор, на всякий случай спаять.
Джо-25- это не Ветерок. У него вибрация посильней будет. А вибрация- враг электроники.
Увеличивать номинал резистора. Это укоротит по времени, управляющий импульс. Не много сдвинет угол опережения. Но, увлекаться не стоит. Потому как на максимальных оборотах, он и без того становится очень коротким по времени. Полупериод, укорачивается пропорционально частоте. RC цепь, укорачивает его ещё в несколько раз.Вот так с новой схемой и сделаю. Хочу еще спросить, как правильно подбиратьRC . Менять емкость или номинал резистора?
Немного о RC цепи, в схеме управления.убери дифференцирующую цепочку, вместо стабилитрона поставь резистор 51 Ом, получишь классическую схему Ветерка, ничего не изменится.


Бинго!!!!Дык трансфорамторы должны работать в противофазе, сначала плюсом заряжается конденсатор, а через полупериод, другим плюсом открывается тиристор, Если синхронно, то тиристор открывается в момент заряда конденсатора, замыкает высоковольтную обмотку, и конденсатор не заряжается, трансформатор греется.
На Джонике отлично работает схема Ветерка. 5500и 250 -0.1-0.12 НО!!! Нужно перенести управление заслонки. Иначе начнет тупить на макс. оборах-начнет уходить в минус.. Ещё ставлю ограничитель-что бы не перекручивали румпель в минус уоз.Вот так с новой схемой и сделаю. Хочу еще спросить, как правильно подбиратьRC . Менять емкость или номинал резистора?
Да работает на многих моторах. Но той схеме, что сделал Андрей она в подметки не годится.На Джонике отлично работает схема Ветерка. 5500и 250 -0.1-0.12 НО!!! Нужно перенести управление заслонки. Иначе начнет тупить на макс. оборах-начнет уходить в минус.. Ещё ставлю ограничитель-что бы не перекручивали румпель в минус уоз.
это не схема ветерка.Это на симисторе.Да работает на многих моторах. Но той схеме, что сделал Андрей она в подметки не годится.
Из всего,самая вв катушка от Джонсона.Много раз писал, что симисторы нельзя применять в зажигании, у них очень сложное управление, при смене полярности на аноде, должна меняться полярность управляющего напряжения, кроме того, нельзя включать резистор с УЭ на "землю", опять же, при смене полярности, через него пойдёт анодный ток.
Катушки от Хонды дио можно применять при напряжениях до 150 вольт, если выше, будет токовый перегруз тиристоров, т.к. не хватает индуктивности.
Вечер добрый. А кто то пробовал такую катушку от Иж? Коэф. трансформации 150. Или ее аналог? Как в работе она будет?Много раз писал, что симисторы нельзя применять в зажигании, у них очень сложное управление, при смене полярности на аноде, должна меняться полярность управляющего напряжения, кроме того, нельзя включать резистор с УЭ на "землю", опять же, при смене полярности, через него пойдёт анодный ток.
Катушки от Хонды дио можно применять при напряжениях до 150 вольт, если выше, будет токовый перегруз тиристоров, т.к. не хватает индуктивности.
Первый раз вижу.Думаю цена будет-космосВечер добрый. А кто то пробовал такую катушку от Иж? Коэф. трансформации 150. Или ее аналог? Как в работе она будет?
Посмотреть вложение 222747
П. С это аналог катушки от ветерка.