daryinalexej

капитан 3-го ранга
Регистрация
28.07.2012
Сообщения
841
Карма
70
Возраст
44
Город
Домодедово
Имя
Алексей
Лодка
Южанка-2
Мотор
Вихрь 30
daryinalexej сказал(а):
Геннич сказал(а):
Именно так-тиристор вместо полевика,если это возможно при данном управлении от PICа.Я ничего не имею против транзистора,но при отказе МПЗ хочеться иметь полноценнуюCDI пусть и с фиксированным углом(как докатку).Хотя полевики тоже могут работать с управлением от индукционных датчиков,только схему я сам не составлю.
Нарисую, есть у меня реально опробованный вариант на тиристоре
.
По принципу,как на схеме выше
 

vlad123

матрос
Регистрация
14.12.2012
Сообщения
12
Карма
0
Имя
Влад
Лодка
Днепр
Мотор
Вихрь,Бийск 45
daryinalexej сказал(а):
vlad123 сказал(а):
Добрый день Алексей! Интересно попробовать Ваш проект для 3-х цилиндрового мотора . Возможно ли применить его для ПЛМ "Бийск-45"? В штатной ЭСЗ не предусмотрено изменение УОЗ. На моторе три индукционных датчика расположены ч\з 120град. снаружи маховика, срабатывают поочередно от одного магнита, далее три отдельных канала на тиристорах.С уважением Влад.
Прошивка-3C628.HEX
Схема-3ц мотор

Добрый день Алексей!
Спасибо за прошивку и схему! Завтра побегу собирать детали и потом буду собирать схему на макетке для настройки. Попутно вопросы возникли:
1. Для чего в блоках D1,D2,D3 для управления светодиодом оптрона применены транзисторы такой большой мощности(~90Вт)?
2. Как я понимаю ,если для питания контроллера +5В по аналогии с 2-х цилиндровой схемой на преобразователе MC34063, применить генераторную катушку моего мотора и подцепить стартерный аккумулятор после мостика, то откуда тогда взять +БОРТ СЕТИ?
С уважением Влад.
 

daryinalexej

капитан 3-го ранга
Регистрация
28.07.2012
Сообщения
841
Карма
70
Возраст
44
Город
Домодедово
Имя
Алексей
Лодка
Южанка-2
Мотор
Вихрь 30
1. Для чего в блоках D1,D2,D3 для управления светодиодом оптрона применены транзисторы такой большой мощности(~90Вт)?
2. Как я понимаю ,если для питания контроллера +5В по аналогии с 2-х цилиндровой схемой на преобразователе MC34063, применить генераторную катушку моего мотора и подцепить стартерный аккумулятор после мостика, то откуда тогда взять +БОРТ СЕТИ?
С уважением Влад.
Влад- на счет транзистора я просто перестраховался ( я эти датчики не видел, вдруг они похожи на генераторные катушки), можно поставить просто стабилитроны помощнее и заодно 1N4007 убрать.
На счет питания, я его не "рисовал" и сделать как в предыдущей схеме с выхода моста от генераторных катушек не получится (напряжение при запуске с них маленькое), давай оставим пока место на макетке под питание, проверим от батареек (жрать он их будет дооолго), а там придумаем- это дело техники.
 

daryinalexej

капитан 3-го ранга
Регистрация
28.07.2012
Сообщения
841
Карма
70
Возраст
44
Город
Домодедово
Имя
Алексей
Лодка
Южанка-2
Мотор
Вихрь 30
Забыл рассказать про программу для трех цилиндрового мотора- она выполнена по аналогии с предыдущей версией ( аналогичные вычисления и принцип "установки" кривой УОЗ ). Отличия- три входа, три выхода (ну это само собой), все пересчитано под 120 град., углы опережения в точках 2000,3000....6000 можно изменять в пределах 0-60 град., а не 45 как в двух цилиндровой версии, получившиеся точки на плоскости программа "соединяет прямыми"- короче все остальное, как раньше.
 

vlad123

матрос
Регистрация
14.12.2012
Сообщения
12
Карма
0
Имя
Влад
Лодка
Днепр
Мотор
Вихрь,Бийск 45
daryinalexej сказал(а):
Забыл рассказать про программу для трех цилиндрового мотора- она выполнена по аналогии с предыдущей версией ( аналогичные вычисления и принцип "установки" кривой УОЗ ). Отличия- три входа, три выхода (ну это само собой), все пересчитано под 120 град., углы опережения в точках 2000,3000....6000 можно изменять в пределах 0-60 град., а не 45 как в двух цилиндровой версии, получившиеся точки на плоскости программа "соединяет прямыми"- короче все остальное, как раньше.
Алексей , всё понял, спасибо! Ещё попутно вопросы: могу ли я (при желании) применить у себя транзисторные блоки Z1 от 2-х цилиндровой схемы? Существует ли там в Z1 гальваническая или допустим емкостная связь между черной и красной "землёй"? Где индицируется включение выбранной характеристики? С уважением Влад.
 

daryinalexej

капитан 3-го ранга
Регистрация
28.07.2012
Сообщения
841
Карма
70
Возраст
44
Город
Домодедово
Имя
Алексей
Лодка
Южанка-2
Мотор
Вихрь 30
Алексей , всё понял, спасибо! Ещё попутно вопросы: могу ли я (при желании) применить у себя транзисторные блоки Z1 от 2-х цилиндровой схемы? Существует ли там в Z1 гальваническая или допустим емкостная связь между черной и красной "землёй"?
Да можно применять транзисторные блоки, и в первом и во втором варианте полная электрическая изоляция цепей контроллера от внешней электрики.
Где индицируется включение выбранной характеристики?
Переключатель характеристик- это тумблер с фиксированными положениями сомкнуто- одна характеристика, разомкнуто другая. По умолчанию (после прошивки контроллера) обе характеристики одинаковы, поэтому если сразу начинать их переключать смысла сами понимаете нет. Необходимо "установить" форму первой кривой УОЗ (например под условие- разгруженная лодка), потом включить тумблер "установить" форму второй кривой (например под загруженную лодку).
Отдельного светодиода который показывает в каком положении тумблер нет- а надо?
Угол опережения зажигания можно контролировать с помощью функции- "Угол замкнутого состояния контактов" тахометра , во многих цифровых тахометрах такая функция есть. Ширина импульсов на выходе для тахометра полностью соответствует углу опережения зажигания.
 

daryinalexej

капитан 3-го ранга
Регистрация
28.07.2012
Сообщения
841
Карма
70
Возраст
44
Город
Домодедово
Имя
Алексей
Лодка
Южанка-2
Мотор
Вихрь 30
Напомню, принцип установки формы УОЗ:

Кривая опережения ( зависимость угла опережения от частоты вращения коленвала) в моей программе апроксимирована отрезками прямых- НЕ СТУПЕНЕК, А ПРЯМЫХ. Эти прямые соединяются в точках 2000,3000,4000и5000 об/мин.

Есть две кнопки (они на схеме в "блоке настройки характеристик"), с помощью них можно изменять углы опережения соответствующие 2000,3000,4000,5000и6000 об/мин, причем конечно не одновременно, а по очереди и прямо на ходу. Программа в реальном масштабе времени объединяет эти точки (соответствующие углам опережения которые вы задали) и сразу позволяет наблюдать результат- так выстраивается (сами вы ее выстраиваете) вся характеристика опережения.

ЕСЛИ ОБОРОТЫ НАХОДЯТСЯ В ДИАПАЗОНЕ ОТ 1000 ДО 2000 ТО КНОПКАМИ ВЫ БУДЕТЕ МЕНЯТЬ УОЗ В ТОЧКЕ 2000 об/мин, ЕСЛИ ОБОРОТЫ НАХОДЯТСЯ В ДИАПАЗОНЕ ОТ 2000 ДО 3000 ТО КНОПКАМИ ВЫ БУДЕТЕ МЕНЯТЬ УОЗ В ТОЧКЕ 3000 об/мин, так и для диапазонов 3000-4000, 4000-5000, 5000-6000.
Программа объединит заданные Вами точки, а точнее будет менять УОЗ придерживаясь прямых объединяющих точки. В диапазонах от 0 до 1000 и от 6000 и выше кнопки не работают. В энергонезависимой памяти контроллера сохраняются только значения УОЗ в указанных точках, в промежуточных точках программа их вычисляет каждые пол оборота ( треть оборота для 3Ц), используя значение периода времени за который совершен предыдущий такт.

Очень просто- НАПРИМЕР набираете 1800 об/мин (газ больше не трогаете) и нажимаете на правую (на фото) кнопку. В точке соответствующей 2000 об/мин с каждым нажатием возрастает УОЗ, вместе с ним меняется и положение прямой соединяющей 1000 и 2000 об/мин. Т.е. и в точке 1800 об/мин УОЗ тоже увеличится, если зажигание было поздним вы ощутите (или увидите на тахометре) как возрастают обороты, если зажигание стало ранним уменьшите УОЗ левой кнопкой (так на ходу можно найти максимальные обороты изменяя УОЗ в диапазоне от 1000 до 2000), но будьте внимательны, как только обороты станут выше 2000 кнопками будет меняться УОЗ соответствующий 3000 об/мин и так в остальных диапазонах.
 

Геннич

гл. старшина
Регистрация
19.11.2012
Сообщения
114
Карма
12
Возраст
57
Город
Беларусь,Брестская обл. г.Берёза
Имя
Геннадий
Лодка
мотолодка,самодельная
Мотор
В-8,М-5,М-12.5,Прибой,Нептун23
Привет,Андрей!Спасибо за привязку тиристоров к схеме.Но посмотри,что ты сотворил по просьбе Влада для 3Ц мотора!ЭТО ПЕСНЯ!!! На входе стандартные индукц.датчики, на выходе стандартные тиристоры,ничего менять не надо!Разорвал схему вставил блок МСЗ на PIC и усё!Не надо доп. датчиков(Холла),магнитов и т.п.Питание PICа,как ты сказал,дело техники.Супер!Слёзно тебя прошу,сделай аналог для 2Ц мотора(2датчика через 180-2входа-2 выхода) схема+прошивка.Честное слово,воплощу в жизнь! С уважением,Геннадий.
 

Каланчин

капитан 1-го ранга
Регистрация
17.07.2011
Сообщения
1 748
Карма
80
Город
Новосибирск
Имя
Владимир
Лодка
Самоделка джонбот
Мотор
Вихрь-30, 25 - 2 шт.
Теперь надо сконструировать "частотомер" чтобы сам подавал на кнопки сигнал
и будет автоматическое ОЗ. :good:
 

daryinalexej

капитан 3-го ранга
Регистрация
28.07.2012
Сообщения
841
Карма
70
Возраст
44
Город
Домодедово
Имя
Алексей
Лодка
Южанка-2
Мотор
Вихрь 30
Каланчин сказал(а):
Теперь надо сконструировать "частотомер" чтобы сам подавал на кнопки сигнал
и будет автоматическое ОЗ. :good:
Было бы все так просто, эра терминаторов уже бы наступила :jokingly: .
Пока подавляющее большинство существующих процессорных систем управления двигателями, в частности зажиганием, тупо повторяют характеристики (например зависимость угла опережения от оборотов) заложенные в них умным человеком, правда есть и исключения не отличающиеся массовостью в силу разных технических причин.
Выше приведенные программы (устройства) входят в то самое подавляющее большинство, но по моей задумке они дают возможность умному человеку не просто заложить в них характеристику, а сделать это по уму. А не так чтобы дома один раз прошить контроллер с "намертво зашитыми" характеристиками, а потом думать соответствуют ли они моему мотору или я поставил другой карбюратор с какими нибудь клапанами и характеристика уже изменилась, а может она и до этого была не такая, какая должна быть, а как и чем снять эту характеристику с моего мотора без "хитрозадых" стендов и т.д. и т.п.
Как например уважаемый наш однофорумчанин Nemo, сообщения сразу после Павла Japa http://forum.motorka.org/topic1988-150.html
 

daryinalexej

капитан 3-го ранга
Регистрация
28.07.2012
Сообщения
841
Карма
70
Возраст
44
Город
Домодедово
Имя
Алексей
Лодка
Южанка-2
Мотор
Вихрь 30
Геннич сказал(а):
Привет,Андрей!Спасибо за привязку тиристоров к схеме.Но посмотри,что ты сотворил по просьбе Влада для 3Ц мотора!ЭТО ПЕСНЯ!!! На входе стандартные индукц.датчики, на выходе стандартные тиристоры,ничего менять не надо!Разорвал схему вставил блок МСЗ на PIC и усё!Не надо доп. датчиков(Холла),магнитов и т.п.Питание PICа,как ты сказал,дело техники.Супер!Слёзно тебя прошу,сделай аналог для 2Ц мотора(2датчика через 180-2входа-2 выхода) схема+прошивка.Честное слово,воплощу в жизнь! С уважением,Геннадий.
Перестанешь называть меня Андреем сделаю :)
 

vlad123

матрос
Регистрация
14.12.2012
Сообщения
12
Карма
0
Имя
Влад
Лодка
Днепр
Мотор
Вихрь,Бийск 45
и в первом и во втором варианте полная электрическая изоляция цепей контроллера от внешней электрики.

Добрый день Алексей! Про гальваническую изоляцию контроллера это ясно, мне непонятно про блок Z1 в 2-х цилиндровой схеме: там свеча сидит на "чёрной" земле , а остальные элементы- катушка, транзистор и т.д. на "красной" земле. В чём между этими "землями" разница ? Получается "красная" земля идёт от мостика изолированно от корпуса к деталям блоков Z1,Z2 , а "чёрная" земля от свечи через блок и дейдвуд идёт наверно в воду.
С уважением Влад.
 

daryinalexej

капитан 3-го ранга
Регистрация
28.07.2012
Сообщения
841
Карма
70
Возраст
44
Город
Домодедово
Имя
Алексей
Лодка
Южанка-2
Мотор
Вихрь 30
vlad123 сказал(а):
и в первом и во втором варианте полная электрическая изоляция цепей контроллера от внешней электрики.

Добрый день Алексей! Про гальваническую изоляцию контроллера это ясно, мне непонятно про блок Z1 в 2-х цилиндровой схеме: там свеча сидит на "чёрной" земле , а остальные элементы- катушка, транзистор и т.д. на "красной" земле. В чём между этими "землями" разница ? Получается "красная" земля идёт от мостика изолированно от корпуса к деталям блоков Z1,Z2 , а "чёрная" земля от свечи через блок и дейдвуд идёт наверно в воду.
С уважением Влад.
"земля" обозначенная красным цветом это общий провод (корпус мотора, отрицательный провод АКБ и генератора), "черная и красная земля" это один и тот же общий провод ( то что я обозначил корпус свечи черным- мое упущение).
 

vlad123

матрос
Регистрация
14.12.2012
Сообщения
12
Карма
0
Имя
Влад
Лодка
Днепр
Мотор
Вихрь,Бийск 45
"земля" обозначенная красным цветом это общий провод (корпус мотора, отрицательный провод АКБ и генератора), "черная и красная земля" это один и тот же общий провод ( то что я обозначил корпус свечи черным- мое упущение).[/quote]

Алексей спасибо! Волновавший меня вопрос закрыт, извини за назойливость!
С наступающим Новым годом! Счастья, здоровья, успехов во всех делах! Влад.
 

Геннич

гл. старшина
Регистрация
19.11.2012
Сообщения
114
Карма
12
Возраст
57
Город
Беларусь,Брестская обл. г.Берёза
Имя
Геннадий
Лодка
мотолодка,самодельная
Мотор
В-8,М-5,М-12.5,Прибой,Нептун23
Алексей,уже перестал.Не знаю с чего,попутал,новогодняя эйфория,наверное.Всех с Новым годом!Здоровья,счастья,успехов!Геннадий.
 

vasilich

гл. старшина
Регистрация
03.07.2012
Сообщения
106
Карма
4
Имя
vasilich
Лодка
Нептун-1, Прогресс-2
Мотор
Москва-30Э, Нептун-23, Вихрь -30ЭР
С наступающим Новым Годом, Алексей! Желаю Вам и всем, кого увлекает проблема применения микропроцессорной техники в лодочных моторах, успеха в этом интереснейшем деле и неисчерпаемой творческой фантазии! Так держать!
 

daryinalexej

капитан 3-го ранга
Регистрация
28.07.2012
Сообщения
841
Карма
70
Возраст
44
Город
Домодедово
Имя
Алексей
Лодка
Южанка-2
Мотор
Вихрь 30
vlad123 сказал(а):
Алексей спасибо! Волновавший меня вопрос закрыт, извини за назойливость!
Нет никакой назойливости, все вопросы правильные (по существу), наоборот жду от Вас новые вопросы и надеюсь получить подробный, поэтапный "отчет" о процессе изготовления и эксплуатации системы- мне это КРАЙНЕ ИНТЕРЕСНО.

vlad123 сказал(а):
"С наступающим Новым годом! Счастья, здоровья, успехов во всех делах! Влад.
Геннич сказал(а):
Всех с Новым годом!Здоровья,счастья,успехов!Геннадий.
vasilich сказал(а):
С наступающим Новым Годом, Алексей! Желаю Вам и всем, кого увлекает проблема применения микропроцессорной техники в лодочных моторах, успеха в этом интереснейшем деле и неисчерпаемой творческой фантазии! Так держать!
Спасибо, взаимно! Всех с наступающим новым годом змеи, знаком водной стихии. Желаю всем здоровья, благополучия, чтобы каждое творческое начинание приносило Вам эстетическое наслаждение! С приходом нового годом придет новый долгожданный сезон навигации, всем приятного отдыха и успехов на воде в новом году!
 

mech51

старшина 2ст.
Регистрация
11.09.2011
Сообщения
55
Карма
2
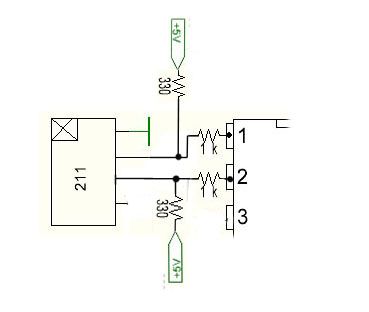
Всех с Новым Годом и Рождеством!!! А Алексею вопрос- можно ли применить зажигание МБ-22 с новым вариантом схемы?
И что спрятано в блоке, обозначенном цифрами 211-подключен к 1 выводу PICа?
 

daryinalexej

капитан 3-го ранга
Регистрация
28.07.2012
Сообщения
841
Карма
70
Возраст
44
Город
Домодедово
Имя
Алексей
Лодка
Южанка-2
Мотор
Вихрь 30
mech51 сказал(а):
Всех с Новым Годом и Рождеством!!! А Алексею вопрос- можно ли применить зажигание МБ-22 с новым вариантом схемы?
И что спрятано в блоке, обозначенном цифрами 211-подключен к 1 выводу PICа?
211- четырехногий ДХ (от куллера), в большинстве продаваемых сейчас куллерах стоят именно такие, но бывают другого типа их тоже можно использовать, но подключение будет немного другим. От МБ-22 пригодятся только катушки под маховиком, их использовать можно.
На фото ниже 211 датчик закрашен зеленым ( выступает из платы с правой стороны).
 

ilyich

капитан 1-го ранга
Регистрация
14.12.2010
Сообщения
2 991
Карма
385
Возраст
65
Город
Волгоград
Имя
Александр
Лодка
Южанка-2
Мотор
Мерк 30 2Т,Yamaha F40BET

faziks

ст. матрос
Регистрация
07.09.2012
Сообщения
33
Карма
1
Город
Алтайский край
Имя
юра
Лодка
botmaster310k
Мотор
ветерок
Алексей можно попросить вас сфотографировать плату вашего девайса с обратной стороны ,уж больно заинтересовался ,очень сильно хочется собрать на ветерок
 

daryinalexej

капитан 3-го ранга
Регистрация
28.07.2012
Сообщения
841
Карма
70
Возраст
44
Город
Домодедово
Имя
Алексей
Лодка
Южанка-2
Мотор
Вихрь 30
faziks сказал(а):
Алексей можно попросить вас сфотографировать плату вашего девайса с обратной стороны ,уж больно заинтересовался ,очень сильно хочется собрать на ветерок
faziks, я помню Вашу просьбу по поводу В-8, никак не "достану" человека у которого он есть в разобранном виде. Фото обратной стороны платы есть (хотя сама она сейчас "закатана" в эпоксидку), только толку вам от этого фото- это макетная плата, а не печатка. Печатку надо рисовать, сверлить, травить, а на макетке "сляпал" как получилось, по ходу придумывая, как расположить и разместить элементы и все.
 

Вложения

vlad123

матрос
Регистрация
14.12.2012
Сообщения
12
Карма
0
Имя
Влад
Лодка
Днепр
Мотор
Вихрь,Бийск 45
Добрый день Алексей!
Подскажи пожалуйста какой лучше купить PIC: 16F628-04 /P , 16F628A-I/P или 16F628-20 I/P. С уважением Влад.
 

daryinalexej

капитан 3-го ранга
Регистрация
28.07.2012
Сообщения
841
Карма
70
Возраст
44
Город
Домодедово
Имя
Алексей
Лодка
Южанка-2
Мотор
Вихрь 30
vlad123 сказал(а):
Добрый день Алексей!
Подскажи пожалуйста какой лучше купить PIC: 16F628-04 /P , 16F628A-I/P или 16F628-20 I/P. С уважением Влад.
Лучше у которых есть буква I перед дробью, у них более широкий температурный диапазон. Наличие или отсутствие буквы А в нашем проекте роли не играет, но предпочтительней взять 16F628A-I/P (новая технология изготовления кристалла). Если такого нет то подойдет любой.
 

daryinalexej

капитан 3-го ранга
Регистрация
28.07.2012
Сообщения
841
Карма
70
Возраст
44
Город
Домодедово
Имя
Алексей
Лодка
Южанка-2
Мотор
Вихрь 30
Вариант с двумя индуктивными датчиками для двух цилиндрового мотора:
Возможно подключение одного ДХ с двумя магнитами диаметрально противоположно закрепленных на маховике противоположными полюсами к плоскости датчика:

Прошивка-2C628_I.rar
Посмотреть вложение 15655
Схема-2ц мотор
2Ц зажигание.jpg

Порядок сборки:
1. После прошивки контроллера ( ВНИМАНИЕ- PIC16F628) собираем эту схему-

2. Подсоединяем D1,D2 к корпусу через резисторы 1кОм, подсоединяем питание (три последовательно соединенных батарейки 1,5В). На Z1,Z2 должны появится прямоугольные импульсы
частотой 1100-1120Гц, длительность примерно 0,4мс. Убедившись в наличии этих импульсов (осциллограф или частотомер в помощь) отсоединяем Z1,Z2 от массы, убираем резисторы 1кОм
после чего продолжаем сборку.

Вариант с одним индуктивным датчиком для двух цилиндрового мотора, искра в цилиндре два раза за оборот:
Прошивка-
Посмотреть вложение 16185
Схема-
 

Вложения

Вверх Снизу