Виталий_Киев

ст. лейтенант
Регистрация
09.09.2012
Сообщения
326
Карма
20
Имя
ViT
Лодка
ПрогреSS-2М
Мотор
Москва30Э
Так суть схемы ограничения такая же ,у меня проблема не в слабой искре а в перебоях ,на определенных оборотах просто пропадает и возобновляется при падении оборотов такое ощущение что симистор не закрывается но такое возможно только при наличии напряжения выше напряжения срабатывания стабилитронов,а значит положительная полуволна не должна поменяться на отрицательную,а в моем случае это возможно так и есть потому что пары магнитов расположены на против друг друга(север-юг,юг-север).Может у кого есть другие мысли по этому поводу)))
Поменяй схему СиДи. Эта схема работает не корректно. Я ее тестировал. На этом форуме есть ссыка Алексея на страничку Лапана. Использую его схему СиДи на опто симмисторе.
 

AlexandrMKL

ст. матрос
Регистрация
28.01.2014
Сообщения
48
Карма
0
Имя
Александр
Лодка
Южанка
Мотор
Ветерок, Нептун
Я изначально пользуюсь такой схемой и на этом зажигании тоже, на мой взгляд эта схема лучшее решение для развязки высокого и низкого напряжения,в свое время боролся с помехами на процессор в схеме Сарумана после развязки напряжения и замены датчика холла на оптопару да и экрана проца и сигнальных проводов схема нормально заработала.Но суть вопроса в том что схема cdi на оптосимисторе без участия процессора (сигнал снимаю с щелевой оптопары со шторкой)без BTA работает хорошо стабильно (особенно на джонике с дифлекторной продувкой) такое чувство что двигатель зашипел )))Вот такие холостые должны быть!Только включаю схему на BTA на определенных оборотах происходит прерывание искры так что схема cdi тут не причем .Чем ограничить напряжение ,диод поменял на более мощный,но думаю тут вылет диода не по току,да и диод не сразу нашел что вылетел, тестером показывал норму нашел только когда проверил напряжение на накопительной емкости при среднем рывке должно быть не менее 250в если меньше то будут проблемы с пропусками на высоких оборотах из за не дозаряда кандера
 

AlexandrMKL

ст. матрос
Регистрация
28.01.2014
Сообщения
48
Карма
0
Имя
Александр
Лодка
Южанка
Мотор
Ветерок, Нептун
Да может и брак диода 4007 я брал партию 100 шт но это первый который вылетел так . Да подобное наблюдал когда ставил диод для защиты тиристора т.е обратно полярности тиристора,теперь не ставлю ,тиристор ещё не разу не вылетел,не могу точно утверждать но по-моему диод может вылететь из за обратной полярности приложенного напряжения .Может кто больше понимает в диодах с радостью выслушаю,потому как нет возможности проследить от чего вылетает диод,потому как все намоточные данные катушек не могут одинаково работать на разных типах маховиков и разных силах магнитов
 

Сергей Б

капитан 1-го ранга
Регистрация
09.12.2017
Сообщения
5 412
Карма
1 597
Возраст
61
Город
Москва
Имя
Сергей
Лодка
А нету.
Мотор
Тоже нету.
Диод не для защиты тиристора, ему фиолетово, быстрее закроется, а искра горит чуть дольше с диодом, а так как CDI искра впринципе короткая, то малейшее удлинение - польза.
Пробивается диод обратным выбросом катушки зажигания, там ток достигает 3-4 ампер, очень коротко, но 4007 не живут, и очень желательно включить два диода последовательно, это увеличивает скорость переключения в 5-10 раз.
 

AlexandrMKL

ст. матрос
Регистрация
28.01.2014
Сообщения
48
Карма
0
Имя
Александр
Лодка
Южанка
Мотор
Ветерок, Нептун
Спасибо! Я раньше ставил по два диода но случаев вылетов накопительных диодов не было, даже если ставил один, меня больше волновал этот диод из десятка зажигание три не сразу через некоторое время пришли в негодность,я их заменил не разбираясь в чем проблема сейчас расковырял схемы и во всех трёх эти диоды пришли в негодность,да диоды ставил ,FR 307..На счет искры время горения искры увеличивается за счёт внутреннего сопротивления диода? Ремонтировал коммутатор на ямахе 10 два цилиндра так к моему удивлению там тоже стоят 4007
 

Сергей Б

капитан 1-го ранга
Регистрация
09.12.2017
Сообщения
5 412
Карма
1 597
Возраст
61
Город
Москва
Имя
Сергей
Лодка
А нету.
Мотор
Тоже нету.
При включении тиристора, заряд конденсатора расходуется процентов на 60-70, а при смене полярности остатки догорают в катушке через диод.
Сейчас везде экономят, и многие комплектующие делают не в Японии.
 

AlexandrMKL

ст. матрос
Регистрация
28.01.2014
Сообщения
48
Карма
0
Имя
Александр
Лодка
Южанка
Мотор
Ветерок, Нептун
Может и схема на BTA не стабильно работает из-за остаточного напряжения на кандере ,симистор не эакрывается ,не могу понять где собака зарыта.Да коиутатор был не оригинал видимо потому как двигатель попал ко мне после замены комутатора отказывал один целиндер ,оказалось все бональнно втулили не тот коиутатор там маховик на на одноканальный а поставили двухканальный комутатор
 

Сергей Б

капитан 1-го ранга
Регистрация
09.12.2017
Сообщения
5 412
Карма
1 597
Возраст
61
Город
Москва
Имя
Сергей
Лодка
А нету.
Мотор
Тоже нету.
Я уже упарился везде писать, что тиристор может открыться и оставаться открытым только при одной полярности на аноде, при колебательном процессе в катушке зажигания, обратный выброс катушки надёжно запирает тиристор и он не мешает заряду конденсатора, симистор может оставаться открытым при любой полярности напряжения, его запирает только переход через ноль, но сразу за этим следует переполюсовка, и если управляющий импульс затянут, то симистор откроется, и не будет готов к следующему такту.
 

Виталий_Киев

ст. лейтенант
Регистрация
09.09.2012
Сообщения
326
Карма
20
Имя
ViT
Лодка
ПрогреSS-2М
Мотор
Москва30Э
На 19й страничке есть пост венгра Ниеми с его схемой https://forum.motorka.org/attachments/16747/ с защитой терристора сабберной цепью и диодом. Попробуй в ограничителе перед симмистером поставить диодный мост.
 

Виталий_Киев

ст. лейтенант
Регистрация
09.09.2012
Сообщения
326
Карма
20
Имя
ViT
Лодка
ПрогреSS-2М
Мотор
Москва30Э
https://forum.motorka.org/attachments/13324/ Использую схему СиДи что в верхнем правом углу. Добавил только диод 4007 перед катушкой зажигания для подавления самоиндукции.
 

AlexandrMKL

ст. матрос
Регистрация
28.01.2014
Сообщения
48
Карма
0
Имя
Александр
Лодка
Южанка
Мотор
Ветерок, Нептун
Я уже упарился везде писать, что тиристор может открыться и оставаться открытым только при одной полярности на аноде, при колебательном процессе в катушке зажигания, обратный выброс катушки надёжно запирает тиристор и он не мешает заряду конденсатора, симистор может оставаться открытым при любой полярности напряжения, его запирает только переход через ноль, но сразу за этим следует переполюсовка, и если управляющий импульс затянут, то симистор откроется, и не будет готов к следующему такту.
С работой тиристора и симистора я знаком а то что управляющий импульс затянут это факт , из-за конструкции маховика(магнитов) Спасибо всем за коменты,схема работает стабильно с последовательными магнитами.
 

AlexandrMKL

ст. матрос
Регистрация
28.01.2014
Сообщения
48
Карма
0
Имя
Александр
Лодка
Южанка
Мотор
Ветерок, Нептун

SergHS5

мичман
Регистрация
04.02.2021
Сообщения
168
Карма
52
Город
Мытищи
Имя
Сергей
Лодка
Воронеж
Мотор
Вихрь-30 с МПЗ
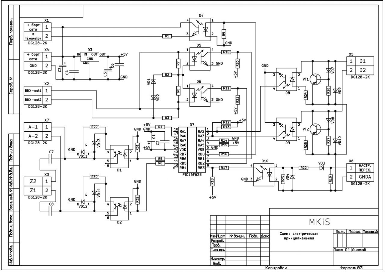
Немного доделал схему от Алексея в плане исполнительного устройства на каналах Z1/Z2.
Платка настройки сделана выносной и здесь не отражена. Оцените/покритикуйте, плз!)
 

Вложения

С.Н.

мл. лейтенант
Регистрация
07.02.2020
Сообщения
203
Карма
58
Возраст
53
Город
Городище, Волгоградская область
Имя
Сергей
Лодка
Hunter Stels Aero 335
Мотор
Ветерок 8М

SergHS5

мичман
Регистрация
04.02.2021
Сообщения
168
Карма
52
Город
Мытищи
Имя
Сергей
Лодка
Воронеж
Мотор
Вихрь-30 с МПЗ
Оценить - красиво!
Критика - Вы точно уверены что нуждаетесь в этом?
Спасибо за такую лестную оценку!:oops:
Собираюсь выпустить мелкой серией. Всё будет цивильно, на печатной плате с поверхностным монтажом, где можно. В корпусе и клеммным соединением проводников.
Буду обкатывать в сезон на своём Вихре-30 совместно с небезызвестным всем Кирюхой ака @Кирюха)
 

С.Н.

мл. лейтенант
Регистрация
07.02.2020
Сообщения
203
Карма
58
Возраст
53
Город
Городище, Волгоградская область
Имя
Сергей
Лодка
Hunter Stels Aero 335
Мотор
Ветерок 8М
Спасибо за такую лестную оценку!:oops:
Собираюсь выпустить мелкой серией. Всё будет цивильно, на печатной плате с поверхностным монтажом, где можно. В корпусе и клеммным соединением проводников.
Буду обкатывать в сезон на своём Вихре-30 совместно с небезызвестным всем Кирюхой ака @Кирюха)
Я конечно не знаю особенностей "схемы от Алексея". В этой связи о назначении отдельных частей схемы могу лишь догадываться и не стоит мою оценку принимать оценку Вашей системы в целом. Пусть это делают Ваши "товарищи по двигателю".
Просто тема почему-то оказалась якобы в отслеживаемой мною...
По схемам можно спорить до посинения ибо сколько человек, столько и мнений. У меня лишь глупый вопрос по оптопарам - в связи с наличием D3 не понимаю смысл оптопар D1, D2, D4?
Кроме того интересен алгоритм (математика), заложенный в прошивку. Это вопрос скорее всего не к Вам.
 

SergHS5

мичман
Регистрация
04.02.2021
Сообщения
168
Карма
52
Город
Мытищи
Имя
Сергей
Лодка
Воронеж
Мотор
Вихрь-30 с МПЗ
Можно почитать тему, те все ответы есть.
 

С.Н.

мл. лейтенант
Регистрация
07.02.2020
Сообщения
203
Карма
58
Возраст
53
Город
Городище, Волгоградская область
Имя
Сергей
Лодка
Hunter Stels Aero 335
Мотор
Ветерок 8М
Можно почитать тему, те все ответы есть.
Ну нет так нет. Без обиды, надеюсь что с обоих сторон. Нет желания 64 страниц читать и обычно авторы прошивки обычно не расскажут, что внутри. Судя по количеству оптопар автору много пришлось хлебнуть с помехами...
 

SergHS5

мичман
Регистрация
04.02.2021
Сообщения
168
Карма
52
Город
Мытищи
Имя
Сергей
Лодка
Воронеж
Мотор
Вихрь-30 с МПЗ
Да какие обиды)) Лучше автора про алгоритм никто не расскажет, пересказывать будет
бледновато) прочитайте первый десяток страниц, не поленитесь, там весь сок;)
Кста, схема универсальная, для любых двухцилиндровых моторов с любым типом зажигания подойдёт.
 
Последнее редактирование:

С.Н.

мл. лейтенант
Регистрация
07.02.2020
Сообщения
203
Карма
58
Возраст
53
Город
Городище, Волгоградская область
Имя
Сергей
Лодка
Hunter Stels Aero 335
Мотор
Ветерок 8М

Виталий_Киев

ст. лейтенант
Регистрация
09.09.2012
Сообщения
326
Карма
20
Имя
ViT
Лодка
ПрогреSS-2М
Мотор
Москва30Э
Немного доделал схему от Алексея в плане исполнительного устройства на каналах Z1/Z2.
Платка настройки сделана выносной и здесь не отражена. Оцените/покритикуйте, плз!)
Не заполнена графа РАЗРАБОТЧИК. Датчиком, я пологаю, будет индуктивность? Не думаю что выстроиться очередь за таким сложным девасом, тем более если механика вполне справляется.
 

С.Н.

мл. лейтенант
Регистрация
07.02.2020
Сообщения
203
Карма
58
Возраст
53
Город
Городище, Волгоградская область
Имя
Сергей
Лодка
Hunter Stels Aero 335
Мотор
Ветерок 8М
Виталий между прочим прав. Может так случится, что деньги зря в мелкосерийку вложите. Для 12 года это может и было востребовано, но сейчас 21 год. Вихрей стало ещё меньше - думаю на порядок. Использовать на других движках - тоже сомнительно. Сложная схема, устаревший процессор ещё и не кварцованный, алгоритм со ступенчатым изменением УОЗ. Чем потенциальных клиентов будете привлекать? Для себя и друзей - ещё куда нешло. Есть куча раскрученных брендов, и то не думаю что люди кидаются покупать эти сложные и дорогие электронные устройства с повышенной, по сравнению со стоком, вероятностью отказа.
 

SergHS5

мичман
Регистрация
04.02.2021
Сообщения
168
Карма
52
Город
Мытищи
Имя
Сергей
Лодка
Воронеж
Мотор
Вихрь-30 с МПЗ
Сложная схема, устаревший процессор ещё и не кварцованный, алгоритм со ступенчатым изменением УОЗ.
Для пользователя - это чёрная коробочка с клемами для проводов, с набором потребительских свойств, выполняющая свои функции. УОЗ, кста не ступенчатый. Видимо, невнимательно прочитали описание работы алгоритма;).
эти сложные и дорогие электронные устройства с повышенной, по сравнению со стоком, вероятностью отказа.
А это из чего следует?
 
Последнее редактирование:

SergHS5

мичман
Регистрация
04.02.2021
Сообщения
168
Карма
52
Город
Мытищи
Имя
Сергей
Лодка
Воронеж
Мотор
Вихрь-30 с МПЗ
Датчиком, я пологаю, будет индуктивность?
Да. Будут входить в комплект поставки.

таким сложным девасом, тем более если механика вполне справляется.
А вчём сложность? Провода подсоединить по схеме?
 

С.Н.

мл. лейтенант
Регистрация
07.02.2020
Сообщения
203
Карма
58
Возраст
53
Город
Городище, Волгоградская область
Имя
Сергей
Лодка
Hunter Stels Aero 335
Мотор
Ветерок 8М
......Видимо, невнимательно прочитали описание работы алгоритма....
Видимо да. Однако этот процессор не имеет блока умножения - значит программная эмуляция. Без умножения и деления нельзя сделать "не ступенки".

А это из чего следует?
А это следует из такого простого факта, что общая вероятность отказа устройства складывается из вероятностей отказа её частей. Датчик, коммутатор, катушка и свечи - те же, ну или с сравнимой степенью вероятности отказа, + МПЗС с морем жизненно важных блоков. Отказ каждого элемента = отказ всей системы.

Кроме того прошивка - очень чувствительный момент из-за применения механизма прерывания в программах по внешним сигналам, подверженным помехам. От этого рассматриваемое МПЗС оптопарами обросло - по большому счету. Это не утрата устройства, но сбой, который, теоретически, может и двигатель запороть.

Отсутствие кварца = плюс температурная зависимость параметров устройства. На "горячее - одно", на "холодное - другое". Может это и не так плохо, поскольку под капотом после разогрева двигателя температура будет более или менее стабильна.

Я почему такой смелый и категоричный - да потому, что за год всё на себе это испытал (разработку).. все шишки пощупал сам...

Поймите меня правильно - не отговариваю (это Ваши деньги) и не хотел критиковать оригинальную разработку 2012 года (так получилось случайно). Просто хотел выразить мысль, что (аналогия тут уместна) "нет большого смысла в мелкосерийке безконтактной системы зажигания для Москвича 412". Только некоторому количеству "товарищей по двигателю".
 
Вверх Снизу