faziks
ст. матрос
- Регистрация
- 07.09.2012
- Сообщения
- 33
- Карма
- 1
- Город
- Алтайский край
- Имя
- юра
- Лодка
- botmaster310k
- Мотор
- ветерок
Добрый день Алексей, по чем пик по почте и схема?
Тебе так отправлю, а схема в начале страницы.faziks сказал(а):Добрый день Алексей, по чем пик по почте и схема?
Да от 1 до 3 цилиндровAlexandrMKL сказал(а):Алексей проэкт расчитан на трех цилиндровый ДВС?
Да когда-же ты уже напишешь"пацаны я уже всё сделал ,кому надо-звоните сколько стоит скажу" А то у меня с вихрем засада зажиганье мн 1.Прочитал почти всю тему,Самому делать не вариант,поэтому надо установочный комплект.А какой будет-как автор решит то-есть ты.Хоть на оптопаре,хоть с ДХ,хоть ещё как.daryinalexej сказал(а):Разработана, построена и опробована система опережения зажигания вихрь 30 на базе PIC 16F84A с возможностью настройки угла опережения зажигания в зависимости от оборотов на работающем двигателе (под свой мотор под себя и под свой бензин). Построение всей характеристики УОЗ (кривой опережения) прямо на ходу в диапазоне от 1000 до 6000 без подключения внешей ЭВМ. Если кому будет интересно продолжу !!!
Напишу когда будет обкатана опытная партия и я буду уверен в надежности, отсутствии "багов", ну и когда будут изучены все особенности монтажа и эксплуатации.Да когда-же ты уже напишешь"пацаны я уже всё сделал ,кому надо-звоните сколько стоит скажу" А то у меня с вихрем засада зажиганье мн 1.Прочитал почти всю тему,Самому делать не вариант,поэтому надо установочный комплект.А какой будет-как автор решит то-есть ты.Хоть на оптопаре,хоть с ДХ,хоть ещё как.
К сожалению прошивку приобрести нельзя, можно приобрести прошитый PIC, вопросы в личку.AlexandrMKL сказал(а):Давно слежу за темой ,сделал сделал несколько зажиганий по теме автора .Хочу сказать работает все отлично но нужно уделять отдельное внимание помехозащите. Алексей как можно приобрести прошивку , хотелось бы протестировать рабочее зажигание?
Придётся подождатьdaryinalexej сказал(а):Напишу когда будет обкатана опытная партия и я буду уверен в надежности, отсутствии "багов", ну и когда будут изучены все особенности монтажа и эксплуатации.Да когда-же ты уже напишешь"пацаны я уже всё сделал ,кому надо-звоните сколько стоит скажу" А то у меня с вихрем засада зажиганье мн 1.Прочитал почти всю тему,Самому делать не вариант,поэтому надо установочный комплект.А какой будет-как автор решит то-есть ты.Хоть на оптопаре,хоть с ДХ,хоть ещё как.

Есть блок-приставка, представляющая из себя повышающий DC-DC преобразователь. С помощью него CDI превращается в DC CDI, может работать как от аккумулятора так и от осветительных катушек без аккумулятора.Алик Иванов сказал(а):Здравствуйте, Алексей. А возможно ли применить Вашу схему в каком-либо варианте, для батарейного зажигания с ДХ, но без CDI? Дело в том, что у меня на маховике 8 пар магнитов (+-), нет вариантов использовать катушки, кроме как на заряд аккумулятора
Спасибо
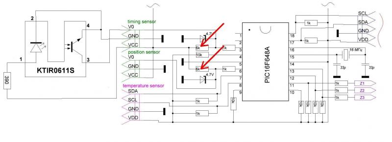
Алексей, подскажите пожалуйста, как вместо датчика холла подключить оптопару, например ktir0611s ?daryinalexej сказал(а):Для тех кто хочет собрать устройство самостоятельно, прошитый PIC по почте, упрощенная схема:
https://drive.google.com/file/d/0B4aB0FwyVNhtSFdxSDFXRHBzNzg/view?usp=sharing
Резисторы 2к заменить на 6к, показаны красными стрелками.Алексей, подскажите пожалуйста, как вместо датчика холла подключить оптопару, например ktir0611s ?
Удачи!!!shura1980 сказал(а):Благодарю, Алексей.
Попробовал схему с motoizh.ru, искра есть. Сегодня попробую завести.