LUZER

капитан 3-го ранга
Регистрация
08.05.2011
Сообщения
661
Карма
9
Re: Надежная схема для МБ-2, МН-1, МВ-1.

Уважаемый дмитрий22 гон, я так понял,что если использовать катушки от МБ-2, мотать ничего не надо? Маховик можно использовать от контактного МВ-1?
 

дмитрий22

капитан 2-го ранга
Регистрация
11.05.2010
Сообщения
1 472
Карма
160
Город
Украина,Херсон
Имя
Дмитрий
Лодка
"Крым"; "Кайман-305";"Пелла Фиорд 430"
Мотор
Джонсон 15 4-т, Ветерок-12, Вихри
Re: Надежная схема для МБ-2, МН-1, МВ-1.

LUZER сказал(а):
Уважаемый дмитрий22 гон, я так понял,что если использовать катушки от МБ-2, мотать ничего не надо? Маховик можно использовать от контактного МВ-1?
да,все верно.
 

LUZER

капитан 3-го ранга
Регистрация
08.05.2011
Сообщения
661
Карма
9
Re: Надежная схема для МБ-2, МН-1, МВ-1.

Спасибо дмитрий22 гон за быстрый ответ! Буду пробовать, поступил заказ... Дмитрий22 гон, вопрос к вам, как на счет опережения(простите заранее, может быть, что-то недочитал)?
 

дмитрий панфилов

лейтенант
Регистрация
03.03.2011
Сообщения
276
Карма
17
Возраст
53
Город
Воронежская обл Борисоглебск
Лодка
Обь 3
Мотор
Вихрь 30 Вихрь 20
Re: Надежная схема для МБ-2, МН-1, МВ-1.

дмитрий22 гон сказал(а):
diatlovsv сказал(а):
Доброго времени суток всем!
Изготовил зажигание на ветерок из первого поста, испробовал только недавно и результат не обнадежил.
Давай по пунктам.

Детали точно использовались именно такие,как на рисунке?
Конденсатор электролит правильно?Плюс конденсатора к полоске на корпусе Д2.
Если вышенаписанное все правильно,то однозначно намотка в неправильную сторону.Катушка одевается на намоточную приспособу выводами от себя,провод ложится сверху,намотка по часовой стрелке.
вместо резистора 6,2 ком можно использовать 6,8 ком (немогу найти а 6,8 много)???
 

LUZER

капитан 3-го ранга
Регистрация
08.05.2011
Сообщения
661
Карма
9
Re: Надежная схема для МБ-2, МН-1, МВ-1.

Судя по схеме 6,8 кОм прекрасно подойдет...
 

LUZER

капитан 3-го ранга
Регистрация
08.05.2011
Сообщения
661
Карма
9
Re: Надежная схема для МБ-2, МН-1, МВ-1.

дмитрий панфилов сказал(а):
Вариантов печатной платы ни у кого нет , если есть выложите пожалуйста !!!!
Для такой схемы плату нарисовать, легче чем ее изготовить раз этак в сто, чё сам то не нарисуешь... Хотя зажигалку такую пробовать буду, и платку сделаю, а как сделаю обязательно выложу, мне нежалко. :D
 

Владимир45

ст. матрос
Регистрация
12.05.2010
Сообщения
33
Карма
1
Город
Новокуйбышевск
Имя
Владимир
Лодка
Прогресс4
Мотор
Ямаха 40 эндуро
Re: Надежная схема для МБ-2, МН-1, МВ-1.

Подскажите пожалуйста. собрал схему для В30 на основании МВ1 маховик от контактного зажигания сместил катушки , проверил искра была но не очень мощная стал заводить пару раз схватил и все поверил искры нет, оказалось пробой на плате между катушками L1 и L2 расстояние между дорожками 3мм. почему пробило? я правда плато не залил лаком. катушка зажигания от волги двух искровая новая.
 

Вложения

Владимир45

ст. матрос
Регистрация
12.05.2010
Сообщения
33
Карма
1
Город
Новокуйбышевск
Имя
Владимир
Лодка
Прогресс4
Мотор
Ямаха 40 эндуро
Re: Надежная схема для МБ-2, МН-1, МВ-1.

Вот место пробоя
 

Вложения

дмитрий22

капитан 2-го ранга
Регистрация
11.05.2010
Сообщения
1 472
Карма
160
Город
Украина,Херсон
Имя
Дмитрий
Лодка
"Крым"; "Кайман-305";"Пелла Фиорд 430"
Мотор
Джонсон 15 4-т, Ветерок-12, Вихри
Re: Надежная схема для МБ-2, МН-1, МВ-1.

LUZER сказал(а):
Спасибо дмитрий22 гон за быстрый ответ! Буду пробовать, поступил заказ... Дмитрий22 гон, вопрос к вам, как на счет опережения(простите заранее, может быть, что-то недочитал)?
Под контактный маховик два варианта-на 20-й старнице этой темы один вариант,по ссылке http://dimchik22.ucoz.ru/publ/mv_1_kontaktnyj_makhovik/1-1-0-3
другой.
 

дмитрий22

капитан 2-го ранга
Регистрация
11.05.2010
Сообщения
1 472
Карма
160
Город
Украина,Херсон
Имя
Дмитрий
Лодка
"Крым"; "Кайман-305";"Пелла Фиорд 430"
Мотор
Джонсон 15 4-т, Ветерок-12, Вихри
Re: Надежная схема для МБ-2, МН-1, МВ-1.

вместо резистора 6,2 ком можно использовать 6,8 ком (немогу найти а 6,8 много)???
Да
 

дмитрий22

капитан 2-го ранга
Регистрация
11.05.2010
Сообщения
1 472
Карма
160
Город
Украина,Херсон
Имя
Дмитрий
Лодка
"Крым"; "Кайман-305";"Пелла Фиорд 430"
Мотор
Джонсон 15 4-т, Ветерок-12, Вихри
Re: Надежная схема для МБ-2, МН-1, МВ-1.

Владимир45 сказал(а):
Подскажите пожалуйста. собрал схему для В30 на основании МВ1 маховик от контактного зажигания сместил катушки , проверил искра была но не очень мощная стал заводить пару раз схватил и все поверил искры нет, оказалось пробой на плате между катушками L1 и L2 расстояние между дорожками 3мм. почему пробило? я правда плато не залил лаком. катушка зажигания от волги двух искровая новая.
По каким причнам пробило-лучше на месте рассмотреть.300-400вольт никак не могут пробить 3мм текстолит при такой низкой частоте.Скорей всего остатки активного флюса или недотравленная(плохо снятая)фольга.Я никогда не делал печатных плат для таких простых схемм.Между собой спаяй поплотней и заливай в подходящем корпусе каким-либо заполнителем.
 

Владимир45

ст. матрос
Регистрация
12.05.2010
Сообщения
33
Карма
1
Город
Новокуйбышевск
Имя
Владимир
Лодка
Прогресс4
Мотор
Ямаха 40 эндуро
Re: Надежная схема для МБ-2, МН-1, МВ-1.

Хотелось как лучше получилось как всегда.Спасибо проверю всё .
 

Владимир45

ст. матрос
Регистрация
12.05.2010
Сообщения
33
Карма
1
Город
Новокуйбышевск
Имя
Владимир
Лодка
Прогресс4
Мотор
Ямаха 40 эндуро
Re: Надежная схема для МБ-2, МН-1, МВ-1.

Зачистил место пробоя,залил лаком. проверил искра нормальная двиг не заводится пару раз стрельнул и все. поменял моховик тоже мв-1 но видимо другого производителя, завелся сразу работает в бочке вроде нормально на воде посмотрим.Но однозначно лучше контактного зажигания Спасибо за схему и совет.
 

дмитрий22

капитан 2-го ранга
Регистрация
11.05.2010
Сообщения
1 472
Карма
160
Город
Украина,Херсон
Имя
Дмитрий
Лодка
"Крым"; "Кайман-305";"Пелла Фиорд 430"
Мотор
Джонсон 15 4-т, Ветерок-12, Вихри
Re: Надежная схема для МБ-2, МН-1, МВ-1.

Владимир45-в случае с первым маховиком,надо поменять местами выводы обеих катушек.
 

kos-kazan

вице-адмирал
Команда форума
Регистрация
26.10.2010
Сообщения
1 019
Карма
86
Возраст
36
Город
Казань
Имя
Константин
Re: Надежная схема для МБ-2, МН-1, МВ-1.

Доброго всем времени суток! Подскажите в чем может быть неисправность. Собрал вашу схему давно. Съездил до дачи и обратно. Все на малых и средних. На следующей неделе приехал искры нет. Конденсаторы сгорели? заранее спасибо.
 

moroz

пассажир
Регистрация
08.06.2011
Сообщения
4
Карма
0
Re: Надежная схема для МБ-2, МН-1, МВ-1.

Уважаемы, помогите мне определиться с конструкцией. Имеется ветерок с мертвым электронным зажиганием.
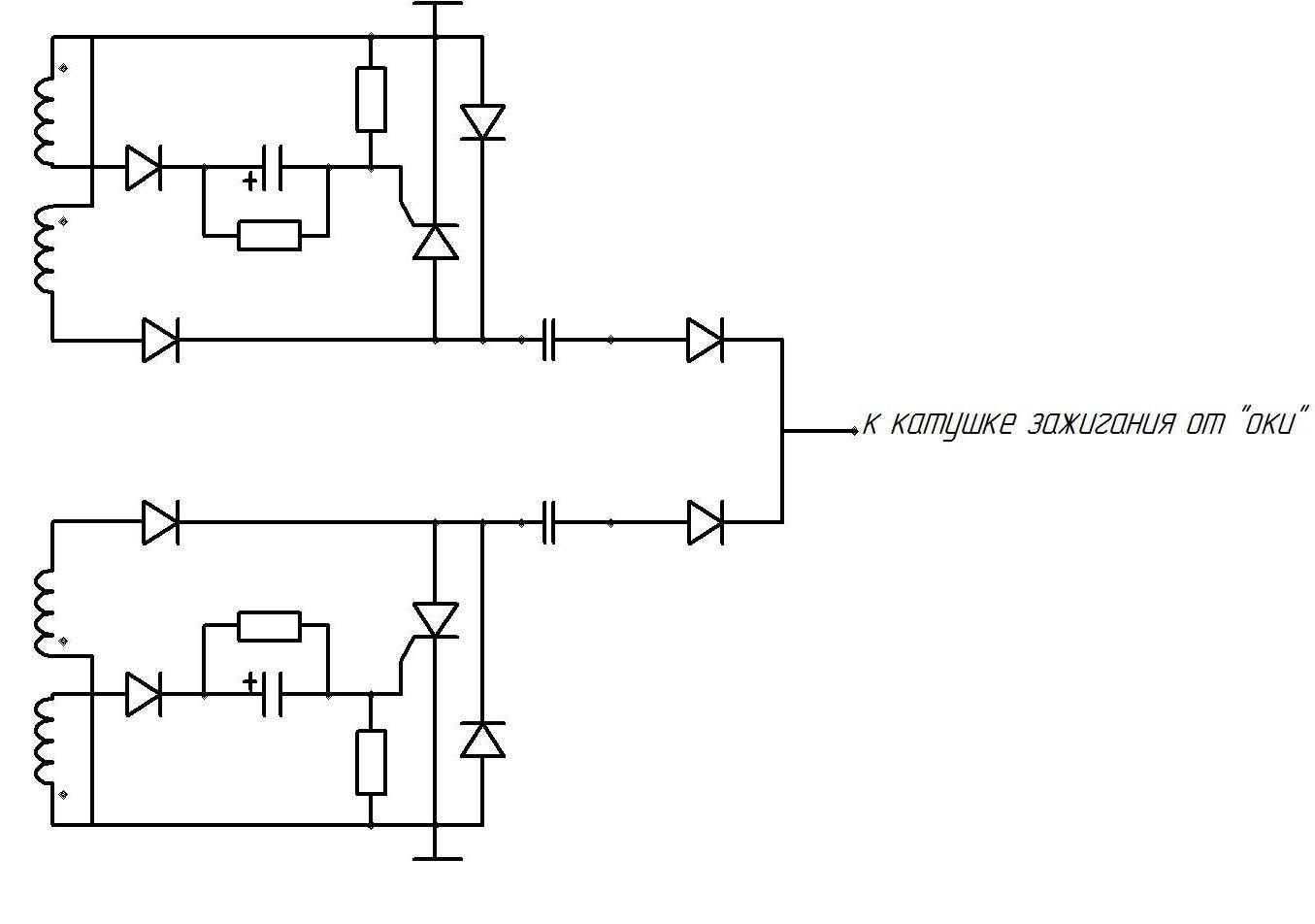
Очень хочется попробовать предложенную схему в связи с чем вопрос можно ли так ее скомпоновать? применяя катушку от оки и по одному С2 на контур? и Можно ли для С2 использовать электролитические конденсаторы( с плюс-минус которые если я правильно понял)
Спасибо за ответ.
с уважением, Игорь

сезон вот вот начнется =)
 

Вложения

дмитрий22

капитан 2-го ранга
Регистрация
11.05.2010
Сообщения
1 472
Карма
160
Город
Украина,Херсон
Имя
Дмитрий
Лодка
"Крым"; "Кайман-305";"Пелла Фиорд 430"
Мотор
Джонсон 15 4-т, Ветерок-12, Вихри
Re: Надежная схема для МБ-2, МН-1, МВ-1.

У эл. Ветерка своя схема ничем не хуже.Я бы лучше ее и отремонтировал.
 

Владимир45

ст. матрос
Регистрация
12.05.2010
Сообщения
33
Карма
1
Город
Новокуйбышевск
Имя
Владимир
Лодка
Прогресс4
Мотор
Ямаха 40 эндуро
Re: Надежная схема для МБ-2, МН-1, МВ-1.

дмитрий22 гон-С первым маховиком концы катушек менял,как написано выше, искра есть но не заводится стреляет или в обратку бьет, значит искра не в тот момент. Для интереса тестером проверял оба маховика прокручивал рукой разница по искре 90 градусов.
 

дмитрий22

капитан 2-го ранга
Регистрация
11.05.2010
Сообщения
1 472
Карма
160
Город
Украина,Херсон
Имя
Дмитрий
Лодка
"Крым"; "Кайман-305";"Пелла Фиорд 430"
Мотор
Джонсон 15 4-т, Ветерок-12, Вихри
Re: Надежная схема для МБ-2, МН-1, МВ-1.

Владимир45 сказал(а):
дмитрий22 гон-С первым маховиком концы катушек менял,как написано выше, искра есть но не заводится стреляет или в обратку бьет, значит искра не в тот момент. Для интереса тестером проверял оба маховика прокручивал рукой разница по искре 90 градусов.
Ну да,обычное дело-контактные маховики могут отличаться моментом искрообразования в этой схеме.Про это я уже пишу не в первый раз,да и не только я.Не попал сразу на нужный УОЗ-поменяй концы на обеих катушках.Других маховиков нет-ИЛИ-ИЛИ.Может на нем магнит треснут.
 

moroz

пассажир
Регистрация
08.06.2011
Сообщения
4
Карма
0
Re: Надежная схема для МБ-2, МН-1, МВ-1.

что же она сгорела... уже второй случай
 

moroz

пассажир
Регистрация
08.06.2011
Сообщения
4
Карма
0
Re: Надежная схема для МБ-2, МН-1, МВ-1.

а может намоточные данные катушек ветерка есть?
спасибо
 

дмитрий22

капитан 2-го ранга
Регистрация
11.05.2010
Сообщения
1 472
Карма
160
Город
Украина,Херсон
Имя
Дмитрий
Лодка
"Крым"; "Кайман-305";"Пелла Фиорд 430"
Мотор
Джонсон 15 4-т, Ветерок-12, Вихри
Re: Надежная схема для МБ-2, МН-1, МВ-1.

В заводской схеме надо добавить по одному диоду на каждый канал. Поменять все диоды на новые импортные(2Ах1000в),тиристоры сменить на ВТ151.



Вот схема намотки катушки Ветерка,обратить внимание на особенности.

 

Rybak

старшина 2ст.
Регистрация
08.08.2010
Сообщения
57
Карма
2
Возраст
64
Город
Чувашия .Чебоксары
Имя
Александр
Лодка
Казанка 2м
Мотор
Вихрь,Нептун,Ветерок. Ямаха-40
Re: Надежная схема для МБ-2, МН-1, МВ-1.

дмитрий22 гон сказал(а):
В заводской схеме надо добавить по одному диоду на каждый канал. Поменять все диоды на новые импортные(2Ах1000в), тиристоры сменить на ВТ151.



Вот схема намотки катушки Ветерка, обратить внимание на особенности.
Дмитрий здравствуйте!! Собрал ветерковскую схему на механической тарелке, ни где не могу найти правильного переноса кронштейнов. Куда нужно перенести рычаг поворота тарелки и рычаг поворота заслонки газа, если у вас имеется опыт в этом Вопросе, прошу оказать посильную помощь. С уважением. Rybak.
 
Вверх Снизу