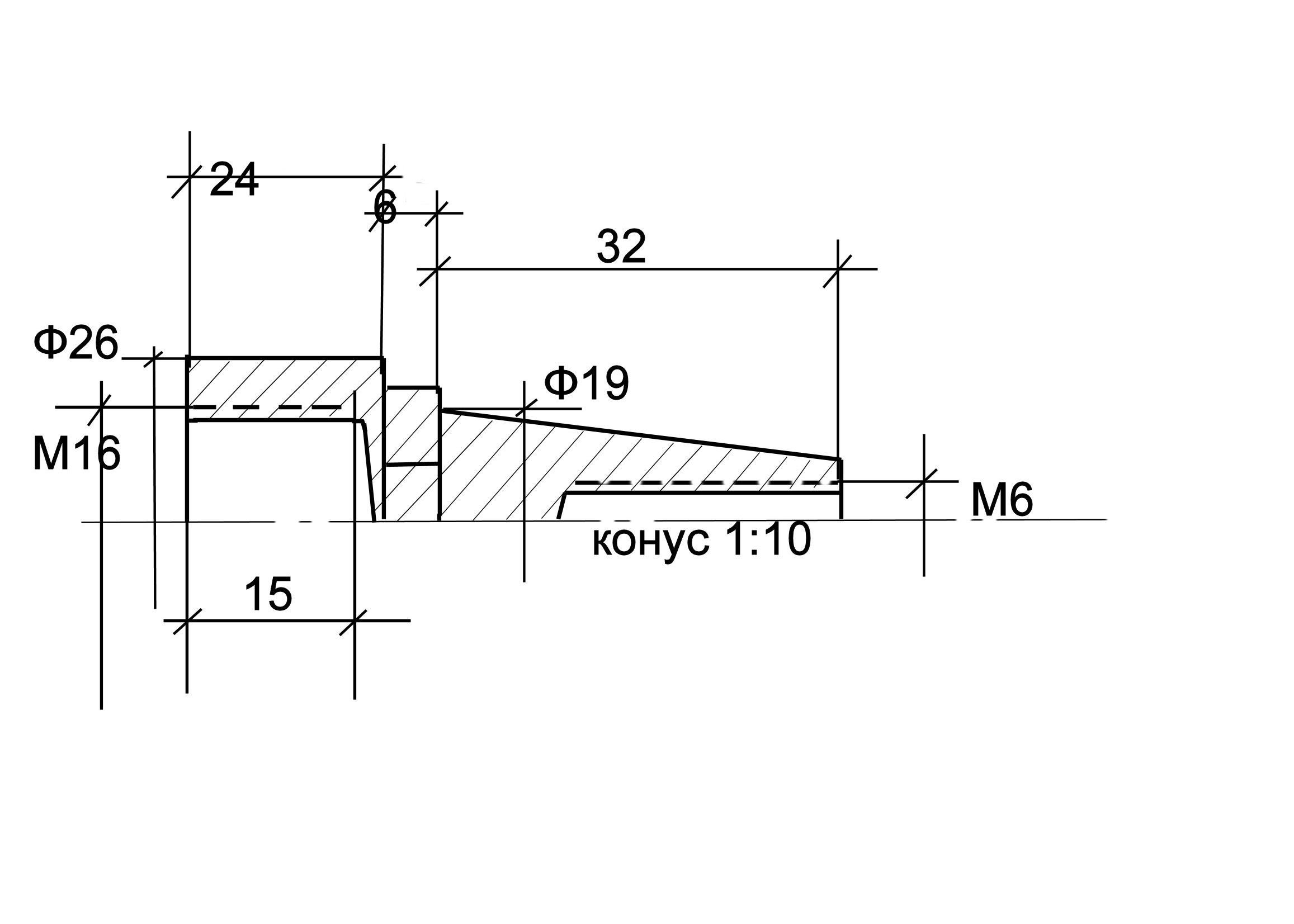
Вот свеженькие (вчерась точил еще одному другу

), уточненные размеры конуса. Без ошибочки не обошлось

. Но теперь все Ок!
но вы должны помнить что за счет толщины плиты у Вас измениться размер 6-гранника под ключ (у меня он на 24 а у вчерашнего товариСча оказался 23мм!?)
Плиту я делал из того что было под рукой (6мм шелезяка) главное что б жестоко стояла

Отверстие там соосно с коленвалом, а размер - посадка Вашего генератора.
Удачи!
БЛИН!!!!!!!!!!!!!!!!!!!!!!!

:twisted: Опять вместо присоединения файла "Неверно ввели код" !!!!!!!!!!!!!!!!!!!!!!!!!!!
Давайте я Вам лучше по е-мылу отошлю чем через этот гребаный форум. Я сюда больше не ходок и не ходун :evil: :evil: :evil: :evil: :evil: :evil: