Avrely
капитан 2-го ранга
- Регистрация
- 16.05.2014
- Сообщения
- 1 215
- Карма
- 340
- Возраст
- 58
- Город
- Рязанская область
- Имя
- Дмитрий
- Лодка
- Воронеж, Ривьера 3200 СК
- Мотор
- Вихрь-30,25,20, Evinrude 25, Tohatsu-5 В9А
Паша, у меня однофазный генератор с двумя проводами на выходе. То есть просто диодный мост на моторе стоял. К тому же "мертвый".Не пойму. Две катушки со ,,средней,,точкой. Как обычный мост подключить?
Тахометр читает только два из них, те что с южным полюсом. Они же превращаются в положительные полупериоды.За один оборот компаса вокруг маховика стрелка делает два полных оборота. То есть два раза "северным" концом, два раза "южным" поворачивается к маховику.
Может все- же четыре?![]()
Понял, у тебя ,видимо, до 80 годаПаша, у меня однофазный генератор с двумя проводами на выходе. То есть просто диодный мост на моторе стоял. К тому же "мертвый".
Если точно, две катушки со средней точкой- то это выход для регулятора. Есть такие схемы и они широко распространены на скутерах.
К стати Паша две катушки с центральной точкой могут быть подключены на полумост. То есть на два диода.Понял, у тебя ,видимо, до 80 года

на моей 40 ке такой стоитПонял, у тебя ,видимо, до 80 года
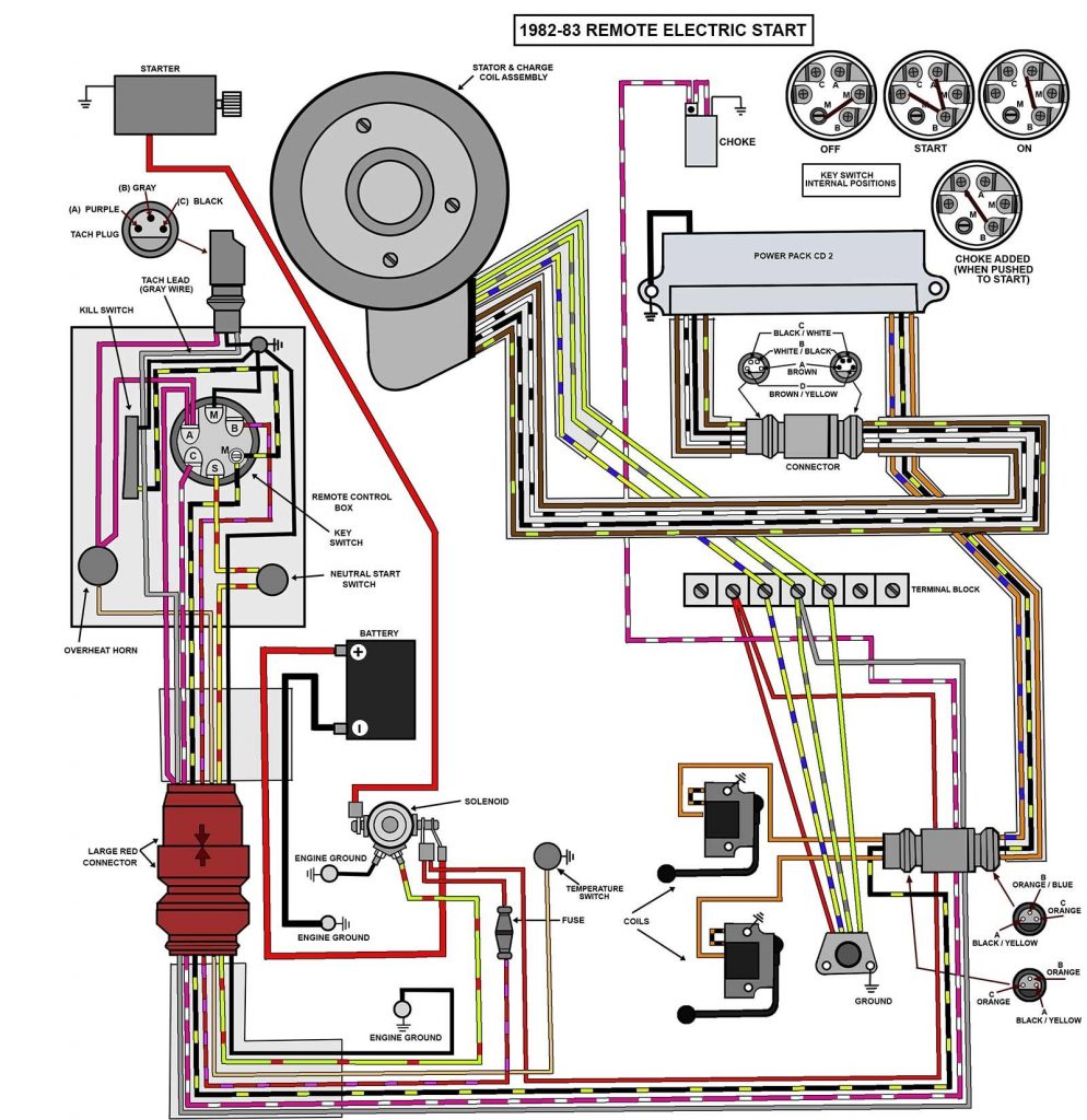
Я хотел узнать про вот такой мост. Именно он ставился на моторы с генератором 60Вт(две катушки) , без регулятора. Потом пошли 120 Вт и начали ставить регуляторы, что логично.
Скорее всего это полумост. То есть 2 диода.Понял, у тебя ,видимо, до 80 года
Я хотел узнать про вот такой мост. Именно он ставился на моторы с генератором 60Вт(две катушки) , без регулятора.


Можно прозвонить и всё станет понятно.И еще интересно, что в животике у этого оригинального выпрямителя? Неужели просто два диода?
Посмотреть вложение 136285
Было бы что прозвонить, Василий...))) Так ведь нечего.Можно прозвонить и всё станет понятно.
А он дляна моей 40 ке такой стоит
Если как на фото - то просто выпрямитель.Называется в оригинале "rectifier regulator", то есть "выпрямитель-регулятор". Но название совершенно ничего не значит, насколько я понимаю?
И колличество полюсов надеюсь выставил кнопочкой?Всем вечер добрый! Подскажите пожалуйста! Мотор тоха м40с 2007-го года. Подключил тахометр КУС всё по схеме. Холостые не показывает, стрелка прыгает на 3-4 тысячи при наборе оборотов. Меньше трёх опять на ноль падает. Может что с самими катушками?
КонечноИ колличество полюсов надеюсь выставил кнопочкой?
Есть опытный вариант подключения тахометра КУС и Мореман к индуктивному датчику электронной системы зажигания ПЛМ. Могу рекомендовать сделать аналогичное. Влияния на систему зажигания тахометр не оказывает.Всем вечер добрый! Подскажите пожалуйста! Мотор тоха м40с 2007-го года. Подключил тахометр КУС всё по схеме. Холостые не показывает, стрелка прыгает на 3-4 тысячи при наборе оборотов. Меньше трёх опять на ноль падает. Может что с самими катушками?
С шунтирующим регулятором РНЛ-2 указанные в теме тахометры адекватно работать не будут.Установлен дополнительно регулятор, довесок так называемый— РНЛ-2. Пробовал и с ним и без. Одинаково
А что это за датчик? И где его искать?Есть опытный вариант подключения тахометра КУС и Мореман к индуктивному датчику электронной системы зажигания ПЛМ. Могу рекомендовать сделать аналогичное. Влияния на систему зажигания тахометр не оказывает.
Это проверено и доказано абсолютно точно.
Не располагаю данными о ПЛМ Тохатсу, по сему могу только рекомендовать- и буду очень благодарен за отчет проделанной работы и конечно же за результаты.
То есть подключаем сигнальный вход тахометра непосредственно к проводу датчика. Аналогично катушке генератора.
Учитывая что в цепи датчика- провода имеют разъемы к которым не просто подключится, могу рекомендовать следующий простой вариант. Для начала- как тестовый. Вариант безопасен и не принесет вреда проводке мотора и системе зажигания.
1) Находим согласно электросхемы мотора, провод датчика- в жгуте проводов.
2) Берем обычную швейную иглу и проколов изоляцию провода, заводим её вдоль провода под изоляцию на 3-5 мм.
3) Наматываем зачищенный от изоляции- сигнальный провод тахометра, вокруг провода и иглы датчика.
4) Изолируем соединение.
5) Заводим мотор и проверяем работоспособность и показания тахометра на всех режимах работы мотора.
6) После всех испытаний, зачищаем изоляцию провода датчика и делаем надежное гальваническое соединение с последующей изоляцией.
П.С. Данных работы датчиков, по разным моторам, к сожалению не имею, но повторю- работоспособность этого варианта проверена и подтверждена.