SHAFAR

ст. мичман
Регистрация
13.10.2010
Сообщения
199
Карма
13
Проверку в домашних условиях делал этой схемой с понижающим трансом. Платы, которые делал ранее по предыдущим схемам от Дмитрий22 прекрасно тестировались и работали на моторах (В-30, Н-23). Коммутатор последней версии с сайта Дмитрий22 не тестится . Ставить на мотор стремно.
 

Вложения

ИгорьМ

матрос
Регистрация
30.11.2014
Сообщения
18
Карма
0
Возраст
58
Город
Давид-Городок Брестская область Беларусь
Лодка
Казанка М Обь М
Мотор
Вихрь 30 Вихрь 25
SHAFAR сказал(а):
Проверку в домашних условиях делал этой схемой с понижающим трансом. Платы, которые делал ранее по предыдущим схемам от Дмитрий22 прекрасно тестировались и работали на моторах (В-30, Н-23). Коммутатор последней версии с сайта Дмитрий22 не тестится . Ставить на мотор стремно.
Собрал три коммутатора с фильтрами. На стенде тестируются. На моторе пока не проверял. Проверь на стенде ТЛМ может глюканула какая, была такая проблема у меня со стендом.
 

SHAFAR

ст. мичман
Регистрация
13.10.2010
Сообщения
199
Карма
13
ИгорьМ сказал(а):
SHAFAR сказал(а):
Проверку в домашних условиях делал этой схемой с понижающим трансом. Платы, которые делал ранее по предыдущим схемам от Дмитрий22 прекрасно тестировались и работали на моторах (В-30, Н-23). Коммутатор последней версии с сайта Дмитрий22 не тестится . Ставить на мотор стремно.
Собрал три коммутатора с фильтрами. На стенде тестируются. На моторе пока не проверял. Проверь на стенде ТЛМ может глюканула какая, была такая проблема у меня со стендом.
ТЛМ в порядке: прозвонка, а , главное, проверка других схем зажигания от Дмитрий22 проходят успешно. Не пойму, где "хомут".
 

SHAFAR

ст. мичман
Регистрация
13.10.2010
Сообщения
199
Карма
13
Эта схема прошла испытания и работу на моторах.
 

Вложения

ИгорьМ

матрос
Регистрация
30.11.2014
Сообщения
18
Карма
0
Возраст
58
Город
Давид-Городок Брестская область Беларусь
Лодка
Казанка М Обь М
Мотор
Вихрь 30 Вихрь 25
Возможо где то при монтаже ошибся, проверь ещё раз монтаж. Может деталь какая не качественная попалась. В наше время это сейчас в порядке вещей.
 

AlexLee

капитан 3-го ранга
Регистрация
02.02.2016
Сообщения
736
Карма
18
Возраст
52
Город
Днепр
Имя
Александр
Лодка
Прогресс 2
Мотор
Нептун 23
ovchinnikov 1966 сказал(а):
Попался мне сегодня Нептун. Поставил новую с фильтром. С веревки - с первого раза. С ручного стартера - хрен. Накопительная 8000 витков. Мозг поломан- с веревки получается успевает зарядить, с ручного меньше оборотов выходит . По логике магниты слабые получается. Есть мнения?
Как вариант - УОЗ не много не попадает.
При дергании ручным стартером искрообразование есть?
 

AlexLee

капитан 3-го ранга
Регистрация
02.02.2016
Сообщения
736
Карма
18
Возраст
52
Город
Днепр
Имя
Александр
Лодка
Прогресс 2
Мотор
Нептун 23
Я в схеме из шапки темы вообще отказался от переходной пластины на Нептуне. Достаточно было сдвинуть на максимально "позднее" положение основания магдино.
 

ovchinnikov 1966

капитан 1-го ранга
Регистрация
29.01.2012
Сообщения
9 424
Карма
1 306
Имя
Alex
Лодка
Terhi 405. Flinc 320
Мотор
Johnson, Evenrud, Chrysler.Terhi . Volvo Penta ///...
Александр,все решилось,мой косяк при монтаже. Все работает отлично. И к стати с 6000 витков накопительной опробовал-работает.
 

AlexLee

капитан 3-го ранга
Регистрация
02.02.2016
Сообщения
736
Карма
18
Возраст
52
Город
Днепр
Имя
Александр
Лодка
Прогресс 2
Мотор
Нептун 23
ovchinnikov 1966 сказал(а):
Александр,все решилось,мой косяк при монтаже. Все работает отлично. И к стати с 6000 витков накопительной опробовал-работает.
Ну и чудно. Как говорится - и на старуху бывает проруха)

И, кстати, на 6000 витков тоже должно работать. Почему нет? Ведь в предыдущих схемах работало.

На 8000 витков, и на 2000 витков - то уже другой подход. Идет разделение накопительных обмоток на низкооборотные и высокооборотные.
 

SHAFAR

ст. мичман
Регистрация
13.10.2010
Сообщения
199
Карма
13
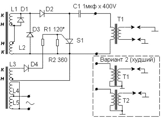
Зачем нужен резистор R1-51om?
 

Вложения

AlexLee

капитан 3-го ранга
Регистрация
02.02.2016
Сообщения
736
Карма
18
Возраст
52
Город
Днепр
Имя
Александр
Лодка
Прогресс 2
Мотор
Нептун 23
SHAFAR сказал(а):
Зачем нужен резистор R1-51om?
Я так думаю, что для того-же, что и в схеме в шапке темы (только там он не R1, а R3):
 

Вложения

SHAFAR

ст. мичман
Регистрация
13.10.2010
Сообщения
199
Карма
13
Почему в этой, идентичной практически, схеме нет этого резистора?
 

Вложения

AlexLee

капитан 3-го ранга
Регистрация
02.02.2016
Сообщения
736
Карма
18
Возраст
52
Город
Днепр
Имя
Александр
Лодка
Прогресс 2
Мотор
Нептун 23
SHAFAR сказал(а):
Почему в этой, идентичной практически, схеме нет этого резистора?
А вышеприведенная схема была опробована? И если да, то с какими компонентами?
 

AlexLee

капитан 3-го ранга
Регистрация
02.02.2016
Сообщения
736
Карма
18
Возраст
52
Город
Днепр
Имя
Александр
Лодка
Прогресс 2
Мотор
Нептун 23
Кстати, как то на форуме попалось решение крепления волговской катушки на Нептун. Был чертеж кронштейна. Жаль линк не сохранил. Может кто подскажет, где подсмотреть?
 

AlexLee

капитан 3-го ранга
Регистрация
02.02.2016
Сообщения
736
Карма
18
Возраст
52
Город
Днепр
Имя
Александр
Лодка
Прогресс 2
Мотор
Нептун 23
SHAFAR сказал(а):
http://www.motolodka.ru/cdign.htm
Схема и описание отсюда.
Так и спроси у авторов отсюда, почему у них нет R1? А заодно спроси, как у них реализовано: "Благодаря тому, что форма сигнала такого датчика близка к синусоиде, реализуется автоматическое управление опережением зажигания в зависимости от частоты вращения коленвала и многопериодный режим разряда конденсатора"
 

AlexLee

капитан 3-го ранга
Регистрация
02.02.2016
Сообщения
736
Карма
18
Возраст
52
Город
Днепр
Имя
Александр
Лодка
Прогресс 2
Мотор
Нептун 23
Мне так кажется, что если авторы поделятся принципом автоматического управления опережением зажигания, то многие вопросы в настоящей теме просто отпадут, как таковые.
 

AlexLee

капитан 3-го ранга
Регистрация
02.02.2016
Сообщения
736
Карма
18
Возраст
52
Город
Днепр
Имя
Александр
Лодка
Прогресс 2
Мотор
Нептун 23
SHAFAR сказал(а):
http://www.motolodka.ru/cdign.htm
Схема и описание отсюда.
Да, в схеме и описании отсюда: L1 - 4000 витков. В схеме из шапки L1 - 8000 витков.
А тебя интересует наличие R1?
 

SHAFAR

ст. мичман
Регистрация
13.10.2010
Сообщения
199
Карма
13
AlexLee сказал(а):
SHAFAR сказал(а):
http://www.motolodka.ru/cdign.htm
Схема и описание отсюда.
Да, в схеме и описании отсюда: L1 - 4000 витков. В схеме из шапки L1 - 8000 витков.
А тебя интересует наличие R1?
Думаю, что 4000 витков только из-за ПЭЛШО. Больше просто не влезет. R1 меня интересует, потому что он (2Вт!) греется уже при проверке схемы. Вот и возник вопрос о его необходимости вообще.
 

AlexLee

капитан 3-го ранга
Регистрация
02.02.2016
Сообщения
736
Карма
18
Возраст
52
Город
Днепр
Имя
Александр
Лодка
Прогресс 2
Мотор
Нептун 23
SHAFAR сказал(а):
AlexLee сказал(а):
SHAFAR сказал(а):
http://www.motolodka.ru/cdign.htm
Схема и описание отсюда.
Да, в схеме и описании отсюда: L1 - 4000 витков. В схеме из шапки L1 - 8000 витков.
А тебя интересует наличие R1?
Думаю, что 4000 витков только из-за ПЭЛШО. Больше просто не влезет. R1 меня интересует, потому что он (2Вт!) греется уже при проверке схемы. Вот и возник вопрос о его необходимости вообще.
2Вт греется? А как схему проверяешь? Так: ?


Да и о том, что 4000 витков только из-за ПЭЛШО - не уверен. Сами авторы пишут:

Марка провода роли не играет, но для L1 предпочтительнее ПЭЛШО в шелковой обмотке.
 

SHAFAR

ст. мичман
Регистрация
13.10.2010
Сообщения
199
Карма
13
Вот так. Если перед проверкой вместо R1 поставить перемычку, то тест проходит нормально-обе свечи дают уверенную искру. Придется пробовать на моторе с R1 и без него ( с перемычкой).
 

Вложения

ovchinnikov 1966

капитан 1-го ранга
Регистрация
29.01.2012
Сообщения
9 424
Карма
1 306
Имя
Alex
Лодка
Terhi 405. Flinc 320
Мотор
Johnson, Evenrud, Chrysler.Terhi . Volvo Penta ///...
Разговаривал с Дмитрием,нет доступа для смены схемы в шапке. Админам или владельцу нужно как то связаться с Дмитрием. Тема самая просматриваемая,очень нужная.
 

SHAFAR

ст. мичман
Регистрация
13.10.2010
Сообщения
199
Карма
13
AlexLee сказал(а):
SHAFAR сказал(а):
AlexLee сказал(а):
SHAFAR сказал(а):
http://www.motolodka.ru/cdign.htm
Схема и описание отсюда.
Да, в схеме и описании отсюда: L1 - 4000 витков. В схеме из шапки L1 - 8000 витков.
А тебя интересует наличие R1?
Думаю, что 4000 витков только из-за ПЭЛШО. Больше просто не влезет. R1 меня интересует, потому что он (2Вт!) греется уже при проверке схемы. Вот и возник вопрос о его необходимости вообще.
2Вт греется? А как схему проверяешь? Так: ?


Да и о том, что 4000 витков только из-за ПЭЛШО - не уверен. Сами авторы пишут:

Марка провода роли не играет, но для L1 предпочтительнее ПЭЛШО в шелковой обмотке.
Нелогично мотать 8000, а потом "гасить" резистором.......
 

AlexLee

капитан 3-го ранга
Регистрация
02.02.2016
Сообщения
736
Карма
18
Возраст
52
Город
Днепр
Имя
Александр
Лодка
Прогресс 2
Мотор
Нептун 23
Уважаемый SHAFAR, позволю себе предположить, что в вышеприведенных схемах резистором R1 ниче не гасится. Может быть я ошибаюсь, но он нужен для участия в RC, ну или в RL - контуре заряда накопительного кондера.

А то, что он у тебя греется на этапе проверки - так это только из за того, что мощность вторички твоего проверочного транса гораздо выше мощности подмаховичных катушек из схемы.
 

SHAFAR

ст. мичман
Регистрация
13.10.2010
Сообщения
199
Карма
13
AlexLee сказал(а):
Уважаемый SHAFAR, позволю себе предположить, что в вышеприведенных схемах резистором R1 ниче не гасится. Может быть я ошибаюсь, но он нужен для участия в RC, ну или в RL - контуре заряда накопительного кондера.

А то, что он у тебя греется на этапе проверки - так это только из за того, что мощность вторички твоего проверочного транса гораздо выше мощности подмаховичных катушек из схемы.
Транс мощностью 30 вт. И как мощность транса влияет на разогрев R1? Вопрос Электрикам-нужен R1 или нет? Зачем он там! Что он там делает?
 
Вверх Снизу