Нестор
старшина 2ст.
- Регистрация
- 11.04.2015
- Сообщения
- 72
- Карма
- 0
- Город
- Москва и Область
- Имя
- Георгий
- Лодка
- Бриг
- Мотор
- Johnson 6hp
ovchinnikov 1966
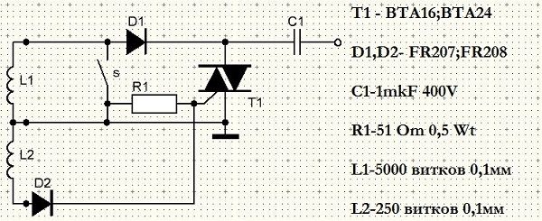
Алексей! в теме про зажигание Вы сказали что у меня зажиг. то что нижнее. Мне тогда две катушки надо мотать и две схемы? Тогда какая катушка из двух спаренных идет на зажигание а какая коммутаторная? Я думал те, что две - коммутаторные, а что отдельно, та что одна - зажигание.
А схема что на совкомоторы!!! не пойдет?
Алексей! в теме про зажигание Вы сказали что у меня зажиг. то что нижнее. Мне тогда две катушки надо мотать и две схемы? Тогда какая катушка из двух спаренных идет на зажигание а какая коммутаторная? Я думал те, что две - коммутаторные, а что отдельно, та что одна - зажигание.
А схема что на совкомоторы!!! не пойдет?
Вложения
-
76,4 КБ Просмотры: 1 111
-
67 КБ Просмотры: 1 100
и т.д. и т. п.
... и это проза сегодняшней жизни