czech
капитан-лейтенант
- Регистрация
- 06.06.2016
- Сообщения
- 480
- Карма
- 36
- Возраст
- 44
- Город
- Казань
- Имя
- Антон
- Лодка
- Диана-350
- Мотор
- Ветерок-8, Ветерок-8М, Привет-22
Добрый день.
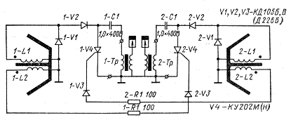
Собираюсь модернизировать зажигание на Ветерок, тему полностью прочитал, почти все радиодетали нашел, но возник вопрос по конденсаторам. Какой тип конденсаторов брать? Заказываю на чип и дип, а там порядка 20 типов, какой из них выбрать?
И еще вопросик по диодам, обращать внимание на производителя или нет?
Собираюсь модернизировать зажигание на Ветерок, тему полностью прочитал, почти все радиодетали нашел, но возник вопрос по конденсаторам. Какой тип конденсаторов брать? Заказываю на чип и дип, а там порядка 20 типов, какой из них выбрать?
И еще вопросик по диодам, обращать внимание на производителя или нет?
ссылка на моё видео в ВК.
