танкист

капитан 1-го ранга
Регистрация
15.11.2014
Сообщения
12 410
Карма
3 901
Город
г. Пермь
Имя
Андрей
Лодка
Прогресс-4
Мотор
Нептун-23 Вихрь-25 Вихрь-30 Ветерок-8М Johnson-60
Алексей938 сказал(а):
Может что в сзади нужно сделать, хотя нечего такого нет?
Переключатель на задней стенке тахометра поставь на 2Р
 

танкист

капитан 1-го ранга
Регистрация
15.11.2014
Сообщения
12 410
Карма
3 901
Город
г. Пермь
Имя
Андрей
Лодка
Прогресс-4
Мотор
Нептун-23 Вихрь-25 Вихрь-30 Ветерок-8М Johnson-60
Re: Re:

танкист сказал(а):
lexir38 сказал(а):
Андрей спасибо, сегодня проверю, это не проблема, с топового огня лампу возьму.

А можно подробнее про "Сигнальный провод (третий) это отвод от части витков катушки специально для тахометра.". У меня получается с генератора шлейф отходит с пятью проводами, два идут на выпрямитель так полагаю, один красный, на схеме видно идет на кабель, который уходит... не понял куда, посмотрю сегодня. И два провода уходят на контроллер. Что за провод специально для тахометра, я сервисную документацию смотрел, там написано что на некоторых моделях стоит отдельный датчик оборотов, посмотрел у меня такого нет... Но ко всем трем я сигнальный кабель с тахометра подключал, нет эффекта, а те что на мозги идут, я боюсь трогать...
Алексей смотри куда уходит красный провод и проверяй катушку как я написал выше. С остальным вечером посмотрю схему расскажу.
К стати Алексей у тебя в мануале схема должна быть сделай фотку и выкладывай сюда, лопатить папки очень не хочется свои.
 

танкист

капитан 1-го ранга
Регистрация
15.11.2014
Сообщения
12 410
Карма
3 901
Город
г. Пермь
Имя
Андрей
Лодка
Прогресс-4
Мотор
Нептун-23 Вихрь-25 Вихрь-30 Ветерок-8М Johnson-60
Оперативно молодец!!! Катушка с отводом у тебя есть под номером 5 получается но к тахометру она отношения не имеет, нет на твоей модели специального отвода на тахометр по этому подключать надо на один из проводов катушки №4 что ты и сделал. Сейчас расскажи ещё ты подключал тах. прямо на моторе коротким куском провода или через жгут проводов мотора?
 

lexir38

ст. лейтенант
Регистрация
15.03.2015
Сообщения
321
Карма
73
Возраст
50
Город
Сочи
Имя
Алексей
Лодка
Касатка 580
Мотор
Mercury F100
Re:

танкист сказал(а):
Оперативно молодец!!! Катушка с отводом у тебя есть под номером 5 получается но к тахометру она отношения не имеет, нет на твоей модели специального отвода на тахометр по этому подключать надо на один из проводов катушки №4 что ты и сделал. Сейчас расскажи ещё ты подключал тах. прямо на моторе коротким куском провода или через жгут проводов мотора?
Вообще отдельный провод к панели с приборами уже шел свободный, я его и использовал... на моторе на него завел зеленый провод, который на фото видно на стабилизаторе он на контакте одном с проводом с генератора, а в панели с него подал на тахометр сигнальный...

В принципе я при проверке генератора лампочкой могу и тахометр на прямки подключить, так как у меня щас в лодке радиолаборатория, есть провода и все инструменты.
 

танкист

капитан 1-го ранга
Регистрация
15.11.2014
Сообщения
12 410
Карма
3 901
Город
г. Пермь
Имя
Андрей
Лодка
Прогресс-4
Мотор
Нептун-23 Вихрь-25 Вихрь-30 Ветерок-8М Johnson-60
Re: Re:

lexir38 сказал(а):
танкист сказал(а):
Оперативно молодец!!! Катушка с отводом у тебя есть под номером 5 получается но к тахометру она отношения не имеет, нет на твоей модели специального отвода на тахометр по этому подключать надо на один из проводов катушки №4 что ты и сделал. Сейчас расскажи ещё ты подключал тах. прямо на моторе коротким куском провода или через жгут проводов мотора?
Вообще отдельный провод к панели с приборами уже шел свободный, я его и использовал... на моторе на него завел зеленый провод, который на фото видно на стабилизаторе он на контакте одном с проводом с геннератора, а в панели с него подал на тахометр сигнальный...
Всё правильно сделал, должно всё работать было у меня в очередной раз сомнения по стабилизатору и конечно катушке, сам тахометр работает от любой переменки в том числе и импульсной и проблем с ним не должно быть хотя проверить не помешает если тахометр дома можешь подключить его от обычного блока питания сделав вывод переменки сейчас найду топик где это уже проделывали и кину сюда. Сам я без проблем проверяю эти тахометры все модели когда приносят на ремонт.
 

lexir38

ст. лейтенант
Регистрация
15.03.2015
Сообщения
321
Карма
73
Возраст
50
Город
Сочи
Имя
Алексей
Лодка
Касатка 580
Мотор
Mercury F100
Re: Re:

танкист сказал(а):
lexir38 сказал(а):
танкист сказал(а):
Оперативно молодец!!! Катушка с отводом у тебя есть под номером 5 получается но к тахометру она отношения не имеет, нет на твоей модели специального отвода на тахометр по этому подключать надо на один из проводов катушки №4 что ты и сделал. Сейчас расскажи ещё ты подключал тах. прямо на моторе коротким куском провода или через жгут проводов мотора?
Вообще отдельный провод к панели с приборами уже шел свободный, я его и использовал... на моторе на него завел зеленый провод, который на фото видно на стабилизаторе он на контакте одном с проводом с геннератора, а в панели с него подал на тахометр сигнальный...
Всё правильно сделал, должно всё работать было у меня в очередной раз сомнения по стабилизатору и конечно катушке, сам тахометр работает от любой переменки в том числе и импульсной и проблем с ним не должно быть хотя проверить не помешает если тахометр дома можешь подключить его от обычного блока питания сделав вывод переменки сейчас найду топик где это уже проделывали и кину сюда. Сам я без проблем проверяю эти тахометры все модели когда приносят на ремонт.
Ну тут два варианта я так понимаю:
- Не работает тахометр
- Не работает генератор

В как работоспособность стабилизатора на него может повлиять? Сигнал переменки с катушки ж на входе на стабилизатор отводится? Или я не правильно понимаю? Ты в прошлом писал, что б стабилизатор убрать со схемы, я еще так не сделал, сегодня проверю лампочкой и соответственно попробую отрубить стабилизатор и подключить к тахометру питание с аккумулятора.

Единственное, вот пишут, что проверить работоспособность генератора можно отключив на работающем двигателе массу, отключал, работает зараза...
 

танкист

капитан 1-го ранга
Регистрация
15.11.2014
Сообщения
12 410
Карма
3 901
Город
г. Пермь
Имя
Андрей
Лодка
Прогресс-4
Мотор
Нептун-23 Вихрь-25 Вихрь-30 Ветерок-8М Johnson-60
Не нашел я топик пропали сообщения из курилки там и фото были как подключить тахометр к обычному блоку питания.
"""В как работоспособность стабилизатора на него может повлиять? Сигнал переменки с катушки ж на входе на стабилизатор отводится? Или я не правильно понимаю?""" Стабилизатор на ПЛМ работает по принципу замыкания катушки, то есть в нём стоит мощный тиристор или симистор который замыкает выводы катушки между собой в определённый момент напряжения так происходит стабилизация переменного тока, если стабилизатор пробит ( тиристор в нём) то катушка замкнута всегда на коротко и генератор это терпит такой у него режим работы, ВОТ ПО ЭТОМУ я тебе и написал отключи провода от ст. чтобы понять что происходит. Судя по фото тахометр у тебя новый с ним проблем не должно быть........ Проверяй напряжение генератора лампой с отключенным ст. и с подключенным ст. и всё станет ясно кто у нас не работает или не хочет работать :hahaha:
 

lexir38

ст. лейтенант
Регистрация
15.03.2015
Сообщения
321
Карма
73
Возраст
50
Город
Сочи
Имя
Алексей
Лодка
Касатка 580
Мотор
Mercury F100
Все понял, через час все проверю
 

танкист

капитан 1-го ранга
Регистрация
15.11.2014
Сообщения
12 410
Карма
3 901
Город
г. Пермь
Имя
Андрей
Лодка
Прогресс-4
Мотор
Нептун-23 Вихрь-25 Вихрь-30 Ветерок-8М Johnson-60
Re:

lexir38 сказал(а):
Все понял, через час все проверю
Отлично Алексей!!! Надеюсь провод который с мотора на панель приходит (сигнальный) ты не перепутал и это точно тот провод :hahaha: А то смешно получится :hahaha:
 

lexir38

ст. лейтенант
Регистрация
15.03.2015
Сообщения
321
Карма
73
Возраст
50
Город
Сочи
Имя
Алексей
Лодка
Касатка 580
Мотор
Mercury F100
Прозвонил лампочкой, сперва на входе на выпрямитель с присоединёнными проводами с генератора, горит, толи моргает, короче светит, потом с выхода выпрямителя, тоже горит, потом от соединил два провода от стабилизатора, соединил с лампочкой, загорелась и сгорела... Провод проверил сигнальный, тот идёт. Что получается все ж тахометр не рабочий? Буду искать у кого-нибудь рабочий точно что бы был видимо и пробовать...
 

танкист

капитан 1-го ранга
Регистрация
15.11.2014
Сообщения
12 410
Карма
3 901
Город
г. Пермь
Имя
Андрей
Лодка
Прогресс-4
Мотор
Нептун-23 Вихрь-25 Вихрь-30 Ветерок-8М Johnson-60
Re:

lexir38 сказал(а):
Прозвонил лампочкой, сперва на входе на выпрямитель с присоединёнными проводами с генератора, горит, толи моргает, короче светит, потом с выхода выпрямителя, тоже горит, потом от соединил два провода от стабилизатора, соединил с лампочкой, загорелась и сгорела... Провод проверил сигнальный, тот идёт. Что получается все ж тахометр не рабочий? Буду искать у кого-нибудь рабочий точно что бы был видимо и пробовать...
Вот какое кино интересное, а тахометр с отсоединёнными проводами не подключал?
 

lexir38

ст. лейтенант
Регистрация
15.03.2015
Сообщения
321
Карма
73
Возраст
50
Город
Сочи
Имя
Алексей
Лодка
Касатка 580
Мотор
Mercury F100
Re: Re:

танкист сказал(а):
lexir38 сказал(а):
Прозвонил лампочкой, сперва на входе на выпрямитель с присоединёнными проводами с генератора, горит, толи моргает, короче светит, потом с выхода выпрямителя, тоже горит, потом от соединил два провода от стабилизатора, соединил с лампочкой, загорелась и сгорела... Провод проверил сигнальный, тот идёт. Что получается все ж тахометр не рабочий? Буду искать у кого-нибудь рабочий точно что бы был видимо и пробовать...
Вот какое кино интересное, а тахометр с отсоединёнными проводами не подключал?
Нет, не стал, дело в том, что подцепил лампочку на сигнал и землю, тоже горит... Т.е. есть напруга... Прозвонил с двигателя до тахометра провод, нормально все... Щас че то думаю, надо все ж попробовать... Завтра проверю ещё так
 

танкист

капитан 1-го ранга
Регистрация
15.11.2014
Сообщения
12 410
Карма
3 901
Город
г. Пермь
Имя
Андрей
Лодка
Прогресс-4
Мотор
Нептун-23 Вихрь-25 Вихрь-30 Ветерок-8М Johnson-60
Re: Re:

lexir38 сказал(а):
Нет, не стал, дело в том, что подцепил лампочку на сигнал и землю, тоже горит...
Ну ка ну ка вот с этого момента поподробнее, это с отключенными проводами стабилизатора?
 

lexir38

ст. лейтенант
Регистрация
15.03.2015
Сообщения
321
Карма
73
Возраст
50
Город
Сочи
Имя
Алексей
Лодка
Касатка 580
Мотор
Mercury F100
Не, уже были подключены на место.
 

танкист

капитан 1-го ранга
Регистрация
15.11.2014
Сообщения
12 410
Карма
3 901
Город
г. Пермь
Имя
Андрей
Лодка
Прогресс-4
Мотор
Нептун-23 Вихрь-25 Вихрь-30 Ветерок-8М Johnson-60
Re:

lexir38 сказал(а):
Не, уже были подключены на место.
То есть на сигнальном проводе всё было уже подключено и лампочка горела тускло?
 

lexir38

ст. лейтенант
Регистрация
15.03.2015
Сообщения
321
Карма
73
Возраст
50
Город
Сочи
Имя
Алексей
Лодка
Касатка 580
Мотор
Mercury F100
Да, нет, ярко...
 

танкист

капитан 1-го ранга
Регистрация
15.11.2014
Сообщения
12 410
Карма
3 901
Город
г. Пермь
Имя
Андрей
Лодка
Прогресс-4
Мотор
Нептун-23 Вихрь-25 Вихрь-30 Ветерок-8М Johnson-60

lexir38

ст. лейтенант
Регистрация
15.03.2015
Сообщения
321
Карма
73
Возраст
50
Город
Сочи
Имя
Алексей
Лодка
Касатка 580
Мотор
Mercury F100

танкист

капитан 1-го ранга
Регистрация
15.11.2014
Сообщения
12 410
Карма
3 901
Город
г. Пермь
Имя
Андрей
Лодка
Прогресс-4
Мотор
Нептун-23 Вихрь-25 Вихрь-30 Ветерок-8М Johnson-60
Re: Re:

lexir38 сказал(а):
танкист сказал(а):
lexir38 сказал(а):
Понял.... Тахометр проверять будем?
Будем, а как? С чего взять сигнал?
Сейчас схему нарисую, Загляни в личку я сообщение тебе отправил.
 

танкист

капитан 1-го ранга
Регистрация
15.11.2014
Сообщения
12 410
Карма
3 901
Город
г. Пермь
Имя
Андрей
Лодка
Прогресс-4
Мотор
Нептун-23 Вихрь-25 Вихрь-30 Ветерок-8М Johnson-60
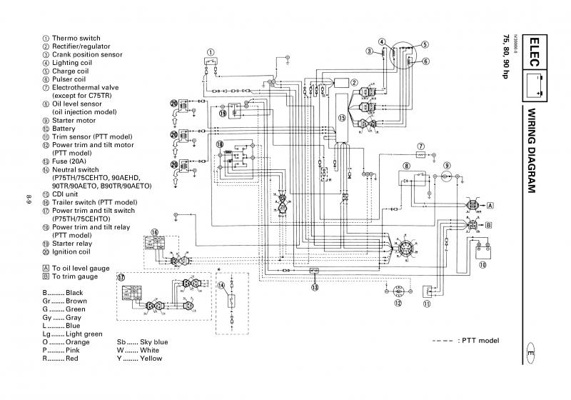
Вот собственно прямо на фото нарисовал как подключить сигнал что бы проверить тахометр, трансформатор любой маломощный какой найдёшь годится для таких целей, питание постоянка от любого блока питания 12 вольт. Показания должны быть 1500 об. мин. на положении переключателя 2Р
 

Вложения

Aksenof

капитан-лейтенант
Регистрация
28.03.2014
Сообщения
417
Карма
139
Возраст
48
Город
ХМАО-Югра
Имя
Сергей
Лодка
Продал
Мотор
Продал
Re:

танкист сказал(а):
Серёжа привет, да ты всё правильно сделал испытывай как возможность будет, жду уже результата с нетерпением :popcorn
Андрей привет!))
Извиняюсь за затяжку,работа совсем все время свободное съедает...
Сегодня в 5 утра был на воде,покатался,порыбачил...+27,паут лодку догоняет на скорости 40км/ч..
Разогнал до 54км/ч,после 43/ч дельфин поймал..
О главном....
Тахометр вреде как работает а вроде как и нет,обороты завышает,во время работы на холостых 2000 показывает(мотор работал на самых малых) При разгоне стрелка падает на макс.!! :sorry:
Может ещё впаять транз...
И ещё,стрелочку на попе крутил,на р2 молчит,на р6 завышает,на р12 падает на максимум..
Андрей(танкист) спасай))) :eek:
 

танкист

капитан 1-го ранга
Регистрация
15.11.2014
Сообщения
12 410
Карма
3 901
Город
г. Пермь
Имя
Андрей
Лодка
Прогресс-4
Мотор
Нептун-23 Вихрь-25 Вихрь-30 Ветерок-8М Johnson-60
Re: Re:

Aksenof сказал(а):
танкист сказал(а):
Серёжа привет, да ты всё правильно сделал испытывай как возможность будет, жду уже результата с нетерпением :popcorn
Андрей привет!))
Извиняюсь за затяжку,работа совсем все время свободное съедает...
Сегодня в 5 утра был на воде,покатался,порыбачил...+27,паут лодку догоняет на скорости 40км/ч..
Разогнал до 54км/ч,после 43/ч дельфин поймал..
О главном....
Тахометр вреде как работает а вроде как и нет,обороты завышает,во время работы на холостых 2000 показывает(мотор работал на самых малых) При разгоне стрелка падает на макс.!! :sorry:
Может ещё впаять транз...
И ещё,стрелочку на попе крутил,на р2 молчит,на р6 завышает,на р12 падает на максимум..
Андрей(танкист) спасай))) :eek:
Серёжа привет!!! впаивай второй точно так же как первый посмотрим опять много ему сигнала будет или нет, вольтметр у тебя на лодке есть? очень хочется узнать сколько вольт идёт на АКБ.
 

Aksenof

капитан-лейтенант
Регистрация
28.03.2014
Сообщения
417
Карма
139
Возраст
48
Город
ХМАО-Югра
Имя
Сергей
Лодка
Продал
Мотор
Продал
Re: Re:

танкист сказал(а):
Aksenof сказал(а):
танкист сказал(а):
Серёжа привет, да ты всё правильно сделал испытывай как возможность будет, жду уже результата с нетерпением :popcorn
Андрей привет!))
Извиняюсь за затяжку,работа совсем все время свободное съедает...
Сегодня в 5 утра был на воде,покатался,порыбачил...+27,паут лодку догоняет на скорости 40км/ч..
Разогнал до 54км/ч,после 43/ч дельфин поймал..
О главном....
Тахометр вреде как работает а вроде как и нет,обороты завышает,во время работы на холостых 2000 показывает(мотор работал на самых малых) При разгоне стрелка падает на макс.!! :sorry:
Может ещё впаять транз...
И ещё,стрелочку на попе крутил,на р2 молчит,на р6 завышает,на р12 падает на максимум..
Андрей(танкист) спасай))) :eek:
Серёжа привет!!! впаивай второй точно так же как первый посмотрим опять много ему сигнала будет или нет, вольтметр у тебя на лодке есть? очень хочется узнать сколько вольт идёт на АКБ.
Андрей у меня эхолот питание показывает,13,6v.
О вольтметре пока не думал,но знаю что надо.
Буду впаивать второй кондей...Я думаю одного маловато....
 

танкист

капитан 1-го ранга
Регистрация
15.11.2014
Сообщения
12 410
Карма
3 901
Город
г. Пермь
Имя
Андрей
Лодка
Прогресс-4
Мотор
Нептун-23 Вихрь-25 Вихрь-30 Ветерок-8М Johnson-60
Re: Re:

Aksenof сказал(а):
Андрей у меня эхолот питание показывает,13,6v.
О вольтметре пока не думал,но знаю что надо.
Буду впаивать второй кондей...Я думаю одного маловато....
:yes: :yes: :yes:
 
Вверх Снизу