Каланчин

капитан 1-го ранга
Регистрация
17.07.2011
Сообщения
1 748
Карма
80
Город
Новосибирск
Имя
Владимир
Лодка
Самоделка джонбот
Мотор
Вихрь-30, 25 - 2 шт.
Сергей сказал(а):
Владимир, объясни на пальцах нам бестолковым, можно с рисунками, очень интересно.
Ничего тут бестолкового нет, просто вы забыли закон Ньютона.
Не буду грузить вас формулами, объясню на пальцах.
При увеличении скорости увеличивается масса тела, не важно из чего состоит тело, дерево, железо, магнит. Положив доску на палец ну немного прищемите и только, а если её уронить на палец то в другом месте может и закапать. :)
Далее поставим вертикально гвоздь на доску и поставим сверху молоток, ну ни чего не произошло, а теперь по радиусу плечевого сустава резко опустим молоток на гвоздь, пол гвоздя ушло в доску. (При этом эксперименте гвоздь должен держать помощник, иначе при неловком попадании может опять с конца струя брызнуть) :)
Ну и наконец магнит, подключаем к катушке вольтметр и медленно крутим, напряжение маленькое, добавляем обороты, скорость движения магнита увеличивается и напряжение повышается. Почему? :?
При увеличении скорости движения увеличивается масса магнита и соответственно от массы увеличиваются магнитное поле магнита которое датчик почувствует раньше.
Вот картинка где человек заинтересовался почему так.
Ответ простой, просто ОКБ разработало новое зажигание но оно почему то при увеличении оборотов начинало притормаживать двигатель.
Ну и сделав хорошую мину при плохой игре назвали его зажиганием с автоматическим ограничением оборотов. :pardon:
А потом "дологорифмировав" этот агрегат подрезали датчик и в результате при малых оборотах когда слабый магнит датчик срабатывает в конце сегмента где зазор наименьший, и при увеличении оборотов, то есть увеличении массы и соответственно увеличении магнитного поля, срабатывает там где магнитного поля достаточно для наведения ЭДС через зазор между магнитом и датчиком.
Можете попросить Андрея замерить магнитное поле на разных оборотах,
и опровергнуть мою теорию.
 

Вложения

Сергей

лейтенант
Регистрация
24.01.2010
Сообщения
274
Карма
11
Возраст
68
Город
Алтайский край. Барнаул.
Имя
Сергей
Лодка
Крым
Мотор
SEA-PRO T30E, Вихрь 30-3 шт.
Хорошо Владимир, ты меня почти убедил, тогда почему в схеме Дмитрия этого не происходит. Схема почти одинаковая, датчик почти такой, но приходится угол опережения изменять механически?
 

Сергей

лейтенант
Регистрация
24.01.2010
Сообщения
274
Карма
11
Возраст
68
Город
Алтайский край. Барнаул.
Имя
Сергей
Лодка
Крым
Мотор
SEA-PRO T30E, Вихрь 30-3 шт.
Сергей сказал(а):
Хорошо Владимир, ты меня почти убедил, тогда почему в схеме Дмитрия этого не происходит. Схема почти одинаковая, датчик почти такой, но приходится угол опережения изменять механически?
Получается нужно поставить датчик от МБ-22 и угол опережения будет работать автоматически?
 

Каланчин

капитан 1-го ранга
Регистрация
17.07.2011
Сообщения
1 748
Карма
80
Город
Новосибирск
Имя
Владимир
Лодка
Самоделка джонбот
Мотор
Вихрь-30, 25 - 2 шт.
Сергей сказал(а):
Получается нужно поставить датчик от МБ-22 и угол опережения будет работать автоматически?
Относительно автоматически, у каждого маховика своя намагниченность.
И ещё нужно проверить и подогнать расстояния зазоров в зависимости от оборотов
и желательно длину датчика в 30 градусов тогда можно будет говорить об совершенстве датчика, а датчик от МБ-22 это сырая идея автоматического опережения, как всегда в СССР дополнительная нагрузка ширпотреба для ВПК поэтому и сконструирована лишь бы отчитаться о проделанной работе.

Схема зажигания может быть любая и при существующих датчиках все схемы будут выдавать в пределах 8 градусов опережения в силу этого закона Ньютона. Альтернатива только зажигание на процессорах.
В общем для Андрея с его "станочной базой" эта разработка :good: .
 

танкист

капитан 1-го ранга
Регистрация
15.11.2014
Сообщения
12 410
Карма
3 902
Город
г. Пермь
Имя
Андрей
Лодка
Прогресс-4
Мотор
Нептун-23 Вихрь-25 Вихрь-30 Ветерок-8М Johnson-60
Каланчин сказал(а):
В общем для Андрея с его "станочной базой" эта разработка :good: .
Володя, если бы я не учил физику в школе, институте- возможно бы я и поверил в закон Ньютона и опережение связанное с ним. Но к сожалению чудес на свете не бывает. Косой датчик это не главное в опережении- углом управляет схема и правильная её настройка на нужное напряжение срабатывания.
На наших ПЛМ нет магнитных систем которые бы позволили сделать опережение в 30 градусов. Максимум что можно получить это 10-15 градусов..........
 

Каланчин

капитан 1-го ранга
Регистрация
17.07.2011
Сообщения
1 748
Карма
80
Город
Новосибирск
Имя
Владимир
Лодка
Самоделка джонбот
Мотор
Вихрь-30, 25 - 2 шт.
танкист сказал(а):
Каланчин сказал(а):
В общем для Андрея с его "станочной базой" эта разработка :good: .
Володя, если бы я не учил физику в школе, институте- возможно бы я и поверил в закон Ньютона и опережение связанное с ним. Но к сожалению чудес на свете не бывает. Косой датчик это не главное в опережении- углом управляет схема и правильная её настройка на нужное напряжение срабатывания.
На наших ПЛМ нет магнитных систем которые бы позволили сделать опережение в 30 градусов. Максимум что можно получить это 10-15 градусов..........
А я поверил в закон Ньютона и ни раз его проверил на практике, это наверное по тому что в отличии от других предметов по физике всегда были 4 и 5, и преподаватель был от бога, умел всё преподать в сравнении, а не тупо мучить нас формулами.
И на не наших ПЛМ тоже только 10-15 градусов, потому что нет смысла что то мудрить, и так работает. :|
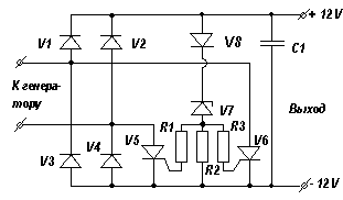
Да, кстати о схеме, какие элементы и как там влияют на опережение?
 

Сергей

лейтенант
Регистрация
24.01.2010
Сообщения
274
Карма
11
Возраст
68
Город
Алтайский край. Барнаул.
Имя
Сергей
Лодка
Крым
Мотор
SEA-PRO T30E, Вихрь 30-3 шт.
Ребята, я Вос очень уважаю как корефеев сайта, значит получается, что на МБ 22 практически нет автоматического опережения, а10-15 градусов это не решает проблемы с опережением. Если я соберу схему для ремонта МБ22 у меня будет опережение в 30 градусов?
 

танкист

капитан 1-го ранга
Регистрация
15.11.2014
Сообщения
12 410
Карма
3 902
Город
г. Пермь
Имя
Андрей
Лодка
Прогресс-4
Мотор
Нептун-23 Вихрь-25 Вихрь-30 Ветерок-8М Johnson-60
Сергей сказал(а):
Ребята, я Вос очень уважаю как корефеев сайта, значит получается, что на МБ 22 практически нет автоматического опережения, а10-15 градусов это не решает проблемы с опережением. Если я соберу схему для ремонта МБ22 у меня будет опережение в 30 градусов?
МБ-22 изначально устанавливается на 10-15 градусов раннего, остальные 10-15 градусов добавляет схема.
 

levani8022

капитан 3-го ранга
Регистрация
09.05.2015
Сообщения
601
Карма
31
Возраст
45
Город
Грузия батуми
Имя
Леван
Лодка
Прогресс-2
Мотор
вихръ-30 штук 3, ветерок 8, Евинруд 4Л.с. Джонсон 4Л.с.
Здраствуите, если можно подскожите било зажигание Мб-2, Собрали на схему димитрия22, мотор заводица вроде нормално но работает с перебоеми и стрелает с карбуратора. проблема моментом зажиганием. если поставит от Мб-1 или перепаят схему подругому както может сопаст момент зажигание?
 

52Рыбачок52

матрос
Регистрация
15.01.2017
Сообщения
15
Карма
0
Возраст
41
Город
Балахна
Имя
Александр
Лодка
Прогресс 4, картоп Игоря Сидельникова
Мотор
Нептун 23, Ветерок 8-3 шт,Москва М-2 шт, В мешках-много шт
Здравствуйте. Подскажите кто знает катушки от МБ-2 с 6 проводами каким проводом намотаны и сколько там витков? И еще вопрос из магнето выходят 2 белых провода ,синий,зеленый и 2 красных, красные это кнопка стоп?
 

levani8022

капитан 3-го ранга
Регистрация
09.05.2015
Сообщения
601
Карма
31
Возраст
45
Город
Грузия батуми
Имя
Леван
Лодка
Прогресс-2
Мотор
вихръ-30 штук 3, ветерок 8, Евинруд 4Л.с. Джонсон 4Л.с.
Благодарю за отклики.
 

Хрущев

матрос
Регистрация
02.04.2017
Сообщения
17
Карма
0
Город
Самара
Лодка
ЗиЧ
Мотор
Н23
Доброго времени суток, форумчане!
Сейчас пока остановился на 90й странице темы, поэтому если кто-то уже спрашивал, просьба тапками не кидать, а ткнуть где обсуждалось :)
1. Правильно я понимаю, что если катушка намотана/спаяна неправильно или есть пробой, то при правильно собранном коммутаторе искры не будет в принципе (что на холостых, что на малом/среднем газу)?
Как еще можно удостовериться в работоспособности катушки кроме как снять показания сопротивления?
Спрашиваю потому как лодка за 500 км от мотора (нептун-23, МН-1, контактное), и если что-то пойдет не так на воде, то будет очень сложно разбираться, где косяк (катушка или коммутатор).
Запасной коммутатор будет, может сразу заодно намотать и запасную катушку? Был бы запасной сердечник- было бы проще, снял старый, поставил новый с запасной катушкой(уже посаженной). А с одним сердечником - геморно будет на воде менять катушку.

2. Из прочитанного отсюда и других тем сделал вывод, что из 3х схем ("надежное" отсюда, Сх№3 Лукича и "надежное NEW") сх№3 плохо себя ведет на высоких оборотах, NEW чуть получше "надежной", но и "надежная" очень даже неплохая будет по всему диапазону оборотов, применительно к нептуновскому МН-1 контактному (магниты вроде живые на моем маховике)

Поделитесь мнениями, на каком варианте остановились бы вы.
Спасибо
 

SHAFAR

ст. мичман
Регистрация
13.10.2010
Сообщения
199
Карма
13
Хрущев сказал(а):
Доброго времени суток, форумчане!
Сейчас пока остановился на 90й странице темы, поэтому если кто-то уже спрашивал, просьба тапками не кидать, а ткнуть где обсуждалось :)
1. Правильно я понимаю, что если катушка намотана/спаяна неправильно или есть пробой, то при правильно собранном коммутаторе искры не будет в принципе (что на холостых, что на малом/среднем газу)?
Как еще можно удостовериться в работоспособности катушки кроме как снять показания сопротивления?
Спрашиваю потому как лодка за 500 км от мотора (нептун-23, МН-1, контактное), и если что-то пойдет не так на воде, то будет очень сложно разбираться, где косяк (катушка или коммутатор).
Запасной коммутатор будет, может сразу заодно намотать и запасную катушку? Был бы запасной сердечник- было бы проще, снял старый, поставил новый с запасной катушкой(уже посаженной). А с одним сердечником - геморно будет на воде менять катушку.

2. Из прочитанного отсюда и других тем сделал вывод, что из 3х схем ("надежное" отсюда, Сх№3 Лукича и "надежное NEW") сх№3 плохо себя ведет на высоких оборотах, NEW чуть получше "надежной", но и "надежная" очень даже неплохая будет по всему диапазону оборотов, применительно к нептуновскому МН-1 контактному (магниты вроде живые на моем маховике)

Поделитесь мнениями, на каком варианте остановились бы вы.
Спасибо
CjD94W6JD8A[/url]
Это ссылка на прибор проверки на межвитковое. Что значит "неправильно спаяна" ? О направлении намотки тут сказано много и достаточно. Если мотор за 500 км и есть сомнения в ЭСЗ , то контактное держать в рабочем состоянии про запас...........
 

Хрущев

матрос
Регистрация
02.04.2017
Сообщения
17
Карма
0
Город
Самара
Лодка
ЗиЧ
Мотор
Н23
"Спаяна неправильно" - имел ввиду что выводы с катушки уйдут в неправильные входы на коммутатор.
Контактное и будет про запас. только это не избавит от снятия маховика и установки на сердечник:(
Поэтому и спрашивал про выбор схемы, т.к. читал что сх№3 позволяет вернутся с ЭСЗ на контактное не снимая маховик
 

olegm

гл. кор. старшина
Регистрация
27.09.2010
Сообщения
149
Карма
51
Город
Украина, Запорожье
Имя
Олег
Лодка
Прог2, ОБЬ
Мотор
YAMAHA 15 2T
Хрущев сказал(а):
Доброго времени суток, форумчане!
Сейчас пока остановился на 90й странице темы, поэтому если кто-то уже спрашивал, просьба тапками не кидать, а ткнуть где обсуждалось :)
1. Правильно я понимаю, что если катушка намотана/спаяна неправильно или есть пробой, то при правильно собранном коммутаторе искры не будет в принципе (что на холостых, что на малом/среднем газу)?
Как еще можно удостовериться в работоспособности катушки кроме как снять показания сопротивления?
Спрашиваю потому как лодка за 500 км от мотора (нептун-23, МН-1, контактное), и если что-то пойдет не так на воде, то будет очень сложно разбираться, где косяк (катушка или коммутатор).
Запасной коммутатор будет, может сразу заодно намотать и запасную катушку? Был бы запасной сердечник- было бы проще, снял старый, поставил новый с запасной катушкой(уже посаженной). А с одним сердечником - геморно будет на воде менять катушку.

2. Из прочитанного отсюда и других тем сделал вывод, что из 3х схем ("надежное" отсюда, Сх№3 Лукича и "надежное NEW") сх№3 плохо себя ведет на высоких оборотах, NEW чуть получше "надежной", но и "надежная" очень даже неплохая будет по всему диапазону оборотов, применительно к нептуновскому МН-1 контактному (магниты вроде живые на моем маховике)

Поделитесь мнениями, на каком варианте остановились бы вы.
Спасибо
Я лично остановился на схеме из этой темы. Использую ее с наверно лет пять или шесть, очень понравилась! Двигатель Н23. За все время эксплуатации есть несколько замечаний. Не делать печатных плат для нее, заливать эбокситкой и правильно выставлять УОЗ. Из грустного поделюсь опытом. Неделю назад погнал на рыбалку, поймал подводное препятствие. Обрыв шпонки, шплинта, потеря колпачка на валу редуктора...Мотор с диким ревом вылетает из воды...обороты думаю больше 10000 оборотов. Схема не выдержала, хорошо была кулачковка в запасе, на ней дошел до лодочной. Но это так сказать форс-мажор. А вообще за годы использования нет нареканий. Схема отличная!
Отлично на холостых и максимальных.
 

Ivanvo

ст. матрос
Регистрация
12.09.2012
Сообщения
47
Карма
0
Возраст
34
Город
РБ, аг. Мотоль
Имя
Иван
Лодка
Ока-1
Мотор
Вихрь-30
Народ подскажите пожалуйста Надежная схема NEW можно ли поставить маховик МВ-1 а сама каретка магдиго МБ-2? Либо все таки переделывать каретку МВ-1?
 

AlexLee

капитан 3-го ранга
Регистрация
02.02.2016
Сообщения
736
Карма
18
Возраст
52
Город
Днепр
Имя
Александр
Лодка
Прогресс 2
Мотор
Нептун 23
Ivanvo сказал(а):
Народ подскажите пожалуйста Надежная схема NEW можно ли поставить маховик МВ-1 а сама каретка магдиго МБ-2? Либо все таки переделывать каретку МВ-1?
Тарелка МВ-2 под маховиком с МВ-1 даже лучше будет. Не надо будет "запозднивать" УОЗ. Только катушки ставь на тот сердечник, который справа от ванночки.
 

дмитрий22

капитан 2-го ранга
Регистрация
11.05.2010
Сообщения
1 472
Карма
159
Город
Украина,Херсон
Имя
Дмитрий
Лодка
"Крым"; "Кайман-305";"Пелла Фиорд 430"
Мотор
Джонсон 15 4-т, Ветерок-12, Вихри
Ivanvo сказал(а):
Народ подскажите пожалуйста Надежная схема NEW можно ли поставить маховик МВ-1 а сама каретка магдиго МБ-2? Либо все таки переделывать каретку МВ-1?
Что основание от МВ, что от МБ 2 - УОЗ и угадывать полярность нужно. Тарелка роли не играет, все зависит от маховика.
 

SHAFAR

ст. мичман
Регистрация
13.10.2010
Сообщения
199
Карма
13
дмитрий22 сказал(а):
Ivanvo сказал(а):
Народ подскажите пожалуйста Надежная схема NEW можно ли поставить маховик МВ-1 а сама каретка магдиго МБ-2? Либо все таки переделывать каретку МВ-1?
Что основание от МВ, что от МБ 2 - УОЗ и угадывать полярность нужно. Тарелка роли не играет, все зависит от маховика.
Ну, угадывать перестановкой на рогах понятно. Не проще переключать провода от катушек?
 

SHAFAR

ст. мичман
Регистрация
13.10.2010
Сообщения
199
Карма
13
Как подключить одно к другому? С постоянкой понятно-мост из регулятора убрать. А куда переменку?
Катушки же отдельно на свои мосты.
 

Вложения

SHAFAR

ст. мичман
Регистрация
13.10.2010
Сообщения
199
Карма
13
дмитрий22 сказал(а):
Можно и переключать вывода катушек .
Спасибо, Дмитрий22. Тогда, нужно по два провода от каждой обмотки и , при угадывании, менять на всех ?
 

Хрущев

матрос
Регистрация
02.04.2017
Сообщения
17
Карма
0
Город
Самара
Лодка
ЗиЧ
Мотор
Н23
Народ, помощь нужна, прям оперативная. Завтра на воду, а тут проблемка
Собрал схему, L3 (вывод управляющей катушки) через кнопку пустил на массу. Когда тестил в гараже, кнопка работала - замыкала L3 и массу, искры не было когда на кнопку нажимаешь.
Поставил мотор на лодку и кнопка останова перестала работать, хотя при нажатой кнопке цепь L3-масса прозванивается.
Причем когда заводил мотор первый раз, остановил через кнопку без проблем.
Мотор нептун, что может быть? В кнопке что-то перегорело?
 

Хрущев

матрос
Регистрация
02.04.2017
Сообщения
17
Карма
0
Город
Самара
Лодка
ЗиЧ
Мотор
Н23
замкнул L3 и массу напрямую,чтоб не думалось про кнопку - все равно искра есть
Пошел ставить запасную спаянную схему
 

AlexLee

капитан 3-го ранга
Регистрация
02.02.2016
Сообщения
736
Карма
18
Возраст
52
Город
Днепр
Имя
Александр
Лодка
Прогресс 2
Мотор
Нептун 23
Хрущев сказал(а):
Народ, помощь нужна, прям оперативная. Завтра на воду, а тут проблемка
Собрал схему, L3 (вывод управляющей катушки) через кнопку пустил на массу. Когда тестил в гараже, кнопка работала - замыкала L3 и массу, искры не было когда на кнопку нажимаешь.
Поставил мотор на лодку и кнопка останова перестала работать, хотя при нажатой кнопке цепь L3-масса прозванивается.
Причем когда заводил мотор первый раз, остановил через кнопку без проблем.
Мотор нептун, что может быть? В кнопке что-то перегорело?
Какую схему собрал? Эту:
 
Вверх Снизу