Nemo

матрос
Регистрация
27.09.2012
Сообщения
22
Карма
0
Имя
Виталий
Лодка
Ока-4
Мотор
Вихрь-30
негде не могу найдти график опережения на вихрь
 

Nemo

матрос
Регистрация
27.09.2012
Сообщения
22
Карма
0
Имя
Виталий
Лодка
Ока-4
Мотор
Вихрь-30
на будуший год хочу собрать измеритель угла опережения и поэксперементировать с углами
 

Виталий_Киев

ст. лейтенант
Регистрация
09.09.2012
Сообщения
326
Карма
20
Имя
ViT
Лодка
ПрогреSS-2М
Мотор
Москва30Э
У меня "Москва30Э" ,установил CDI . Датчик Холла срабатывает от магнита но механическая регулировка УОЗ. Работает хорошо но хочется попробовать работу от МК что бы не крутить основание магнето.По этому и спрашиваю на сколько изменилась работа ПЛМ ,а то что на Вихре клапана я знаю.
 

Виталий_Киев

ст. лейтенант
Регистрация
09.09.2012
Сообщения
326
Карма
20
Имя
ViT
Лодка
ПрогреSS-2М
Мотор
Москва30Э
В инструкции по эксплуатации на Вихрь должна быть эта информация. Измеритель угла без тахометра ничего не даст.
В данной схеме можно зашить 3 графика с разными углами какие сам задаешь.А какие углы зашиты сейчас?
 

Nemo

матрос
Регистрация
27.09.2012
Сообщения
22
Карма
0
Имя
Виталий
Лодка
Ока-4
Мотор
Вихрь-30

Виталий_Киев

ст. лейтенант
Регистрация
09.09.2012
Сообщения
326
Карма
20
Имя
ViT
Лодка
ПрогреSS-2М
Мотор
Москва30Э
В "Двухколесном..."открой Ing Master и пиши свои углы в 3х протоколах и будет тебе счастье. То что ты хочешь собрать имеет тахометр ,выбирая один из протоколов , останавливаешься на том что показывает немного меньше максимального что бы не залезть в область детонации.
 

Nemo

матрос
Регистрация
27.09.2012
Сообщения
22
Карма
0
Имя
Виталий
Лодка
Ока-4
Мотор
Вихрь-30
да я так и делал
 

Nemo

матрос
Регистрация
27.09.2012
Сообщения
22
Карма
0
Имя
Виталий
Лодка
Ока-4
Мотор
Вихрь-30

Nemo

матрос
Регистрация
27.09.2012
Сообщения
22
Карма
0
Имя
Виталий
Лодка
Ока-4
Мотор
Вихрь-30
Виталий_Киев сказал(а):
В "Двухколесном..."открой Ing Master и пиши свои углы в 3х протоколах и будет тебе счастье. То что ты хочешь собрать имеет тахометр ,выбирая один из протоколов , останавливаешься на том что показывает немного меньше максимального что бы не залезть в область детонации.
я сделаю немного по другому поставлю временно комутатор с ручным октан коректором и постараюсь найдти оптимальные углы на разных оборотах и нагрузках и потом прошью контроллер
 

lapan

капитан-лейтенант
Регистрация
12.11.2011
Сообщения
377
Карма
29
Возраст
42
Имя
Павел
Лодка
ЯНТАРЬ-2 - 2 шт.
Мотор
Было:Нептун-23, Москва-9.5, Москва-М, Москва-12.5, Ветерок-8, гибрид-МосВет. Есть:M9.9, Ветерок 8Э
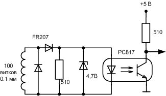
Сегодня опробовал новый датчик, но пока только для тахометра:
 

Вложения

lapan

капитан-лейтенант
Регистрация
12.11.2011
Сообщения
377
Карма
29
Возраст
42
Имя
Павел
Лодка
ЯНТАРЬ-2 - 2 шт.
Мотор
Было:Нептун-23, Москва-9.5, Москва-М, Москва-12.5, Ветерок-8, гибрид-МосВет. Есть:M9.9, Ветерок 8Э
Забыл резак перед ик диодом PC817 200-300 Ом
 

PMS

гл. кор. старшина
Регистрация
27.04.2010
Сообщения
143
Карма
21
Возраст
77
Город
г. Санкт-Петербург
Имя
Семёныч
Лодка
Амур-3
Мотор
Yamaha 90 AETO, Yamaha 8C
Просмотрел всю ветку. Единственное видео не открывается.
Где же увидеть работу мотора с этим зажиганием ?
И результатов нигде не нашел. Какие плюсы ? За что боролись ?
 

PMS

гл. кор. старшина
Регистрация
27.04.2010
Сообщения
143
Карма
21
Возраст
77
Город
г. Санкт-Петербург
Имя
Семёныч
Лодка
Амур-3
Мотор
Yamaha 90 AETO, Yamaha 8C
Виталий_Киев сказал(а):
PMS т.к. у вас стационарный двигатель то вам лучше обратится на форум http://forum.cxem.net/index.php?showtopic=46870&st=2840
о как...
У меня не только стационар, а если бы и только, то разве нельзя узнать как работает эта система на подвесном ? Ну.. если интересно...
И все таки, что дает эта система ?
Где можно посмотреть видео работающего мотора ?
 

vlad123

матрос
Регистрация
14.12.2012
Сообщения
12
Карма
0
Имя
Влад
Лодка
Днепр
Мотор
Вихрь,Бийск 45
:hny Есть проект и для 3-х цилиндрового мотора.

Интересен проект для 3-х цилиндрового мотора . Возможно ли применить его для ПЛМ "Бийск-45"? В штатной ЭСЗ не предусмотрено изменение УОЗ. Три индукционных датчика расположены ч\з 120град. снаружи маховика, срабатывают от одного магнита, далее три отдельных канала на тиристорах.
 

Виталий_Киев

ст. лейтенант
Регистрация
09.09.2012
Сообщения
326
Карма
20
Имя
ViT
Лодка
ПрогреSS-2М
Мотор
Москва30Э
Самому интересно узнать стоит ли овчинка вычинки. Из-за этого занялся изучением программирования. У меня Москва 30Э
переделанная под систему CDI, бегает уверенно.Поставил 2 датчика Холла и прикрепил на маховике один магнит. На месте
ТЛМ поставил ВВ катушки для зарядки конденсаторов двух отдельных каналов на тиристорах. А та ссылка интересна для
ознакомления .
 

daryinalexej

капитан 3-го ранга
Регистрация
28.07.2012
Сообщения
841
Карма
70
Возраст
43
Город
Домодедово
Имя
Алексей
Лодка
Южанка-2
Мотор
Вихрь 30
Виталий_Киев сказал(а):
Самому интересно узнать стоит ли овчинка вычинки. Из-за этого занялся изучением программирования. У меня Москва 30Э
переделанная под систему CDI, бегает уверенно.Поставил 2 датчика Холла и прикрепил на маховике один магнит. На месте
ТЛМ поставил ВВ катушки для зарядки конденсаторов двух отдельных каналов на тиристорах. А та ссылка интересна для
ознакомления .
А один датчик и два магнита чем хуже?
 

Виталий_Киев

ст. лейтенант
Регистрация
09.09.2012
Сообщения
326
Карма
20
Имя
ViT
Лодка
ПрогреSS-2М
Мотор
Москва30Э
Алексей,на Москве в маховик встроены 4-ре магнита для работы генератора.Для работы 2-х независимых каналов CDI необходимо
2 датчика,а в случае выхода из строя одного канала я смогу дойти на одном цилиндре.
 

daryinalexej

капитан 3-го ранга
Регистрация
28.07.2012
Сообщения
841
Карма
70
Возраст
43
Город
Домодедово
Имя
Алексей
Лодка
Южанка-2
Мотор
Вихрь 30
Виталий_Киев сказал(а):
Алексей,на Москве в маховик встроены 4-ре магнита для работы генератора.Для работы 2-х независимых каналов CDI необходимо
2 датчика,а в случае выхода из строя одного канала я смогу дойти на одном цилиндре.
Виталь я тебя понял, просто в теме "Микропроцессорное зажигание на вихрь" моя крайняя схема с прошивками рассчитана на работу отдельно на канал на одном биполярном датчике и двумя отдельно установленными на маховике магнитами, один обращен полюсом S другой N к плоскости датчика, так система распознает где 1,2 цилиндры. Твое мнение?
 

Виталий_Киев

ст. лейтенант
Регистрация
09.09.2012
Сообщения
326
Карма
20
Имя
ViT
Лодка
ПрогреSS-2М
Мотор
Москва30Э
Алексей, http://forum.cxem.net/index.php?showtopic=46870&st=2840 на этой ссылке эта тема обсосана со всех сторон .Свое зажигание я лепил из того что было.Была клавиатура с ДХ МН3ss2 их и установил, а МК применить и не думал.Заинтересовался этой темой не давно из любопытства. Есть прошивка на PIC12F675 только не понятно как ДАД установить и нужен он вообще
на ПЛМ.Полемика на форуме автомоторников по роботе ДАД идет до сих пор. По мне так чем система проще тем она надежней.
Если не будет экономии топлива при той же мощности то и заниматься этим не стоит,а заводится он сейчас без проблем,не зимой
заводим.
 

lapan

капитан-лейтенант
Регистрация
12.11.2011
Сообщения
377
Карма
29
Возраст
42
Имя
Павел
Лодка
ЯНТАРЬ-2 - 2 шт.
Мотор
Было:Нептун-23, Москва-9.5, Москва-М, Москва-12.5, Ветерок-8, гибрид-МосВет. Есть:M9.9, Ветерок 8Э

lapan

капитан-лейтенант
Регистрация
12.11.2011
Сообщения
377
Карма
29
Возраст
42
Имя
Павел
Лодка
ЯНТАРЬ-2 - 2 шт.
Мотор
Было:Нептун-23, Москва-9.5, Москва-М, Москва-12.5, Ветерок-8, гибрид-МосВет. Есть:M9.9, Ветерок 8Э
Решил сделать опторазвязку для управления тиристором.
Прикупил MOC3052, собрал схему. 150 вольт взял с транса. Управлял сразу лабораторным генератором, после написал прогу для PIC12F629. По нажатию на кнопку меняется частота 0, 10, 20, 50 и 100 Гц и так по кругу.
Сопротивление резистора 10к увеличивал до 50 кОм - все работает.
При управлении пиком сразу поставил резистор 430 Ом, после увеличивал - работает до 2 кОм. Решил остановиться на 1кОм. Ток получился около 4 мА.
 

Вложения

lapan

капитан-лейтенант
Регистрация
12.11.2011
Сообщения
377
Карма
29
Возраст
42
Имя
Павел
Лодка
ЯНТАРЬ-2 - 2 шт.
Мотор
Было:Нептун-23, Москва-9.5, Москва-М, Москва-12.5, Ветерок-8, гибрид-МосВет. Есть:M9.9, Ветерок 8Э
Вверх Снизу