Посмотреть вложение 250940
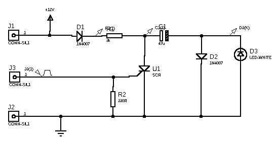
Вот такая простенькая схема стробоскопа для проверки зажигания. В симуляторе работает. Это я разобрал китайский, сделанный в подвале, Провода хлипкие. Отвалился один. Работает сносно. Тиристор стоит MCR100-8, но думаю, что будет работать любой. В качестве прищепки используется канцелярский зажим, к которому припаян провод идущий на управляющий электрод. Диод обычный "сверхяркий" которые стоят в фонариках и светодиодных лентах. Собрать на соплях для проверки - минут десять с перекурами, дольше провода зачищать

На свету, понятно, что видно плохо. Вот думаю, попробовать УФ диоды использовать, а метки наносить флюоресцентной краской. Белый строительный маркер тоже хорошо светится при облучении УФ фонариком.