Rex

лейтенант
Регистрация
20.02.2017
Сообщения
265
Карма
69
Город
Самара
Имя
Дмитрий
Лодка
Обь ГАЗИСО, Флагман-DK320
Мотор
Привет-22; Нептун-23; Москва-12,5; гибрид
Поделитесь, пожалуйста, печаткой платы МБЭ в СпринтЛайот , может только внешними размерами, без разводки. Надо плату сваять, а мотор далеко.
 

Sergei19

капитан 3-го ранга
Регистрация
13.07.2014
Сообщения
610
Карма
109
Возраст
57
Город
Урал
Имя
Сергей
Лодка
Самодельная из пвх
Мотор
Гибрид из Ветерка 8 и Чемпион 200, Москва-М, Yamaha 9,9 Mercury 40
Поделитесь, пожалуйста, печаткой платы МБЭ в СпринтЛайот , может только внешними размерами, без разводки. Надо плату сваять, а мотор далеко.
Паяй навесным монтажем и заливай эпоксидкой .
 

Voivano

вице-адмирал
Команда форума
Регистрация
11.08.2016
Сообщения
5 105
Карма
2 426
Возраст
65
Город
Ачинск
Имя
Владимир
Лодка
Ракета РЛ-380
Мотор
Ветерок 8, Ветерок 12, Yamaha 6E3S (5CSMH), Москва М, Гибрид 7 лс. Гибрид 8 лс. Стрела и еще разные.
Плата МБЭ
Я не пользуюсь SL Вот контур платы. Сам импортируй и рисуй, если надо.
 

Rex

лейтенант
Регистрация
20.02.2017
Сообщения
265
Карма
69
Город
Самара
Имя
Дмитрий
Лодка
Обь ГАЗИСО, Флагман-DK320
Мотор
Привет-22; Нептун-23; Москва-12,5; гибрид

Sergei19

капитан 3-го ранга
Регистрация
13.07.2014
Сообщения
610
Карма
109
Возраст
57
Город
Урал
Имя
Сергей
Лодка
Самодельная из пвх
Мотор
Гибрид из Ветерка 8 и Чемпион 200, Москва-М, Yamaha 9,9 Mercury 40
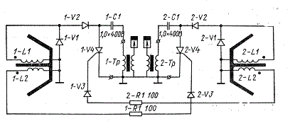
Ну схему дайте.. диоды 1N4007 тиристоры ВТ151R600 накопительные катушки провод 0.14 -4500 витков , управляющие 250 витков.Обрати на то что в схеме влияет на управление тиристорами фазировка катушек. То есть соблюдай начала и концы обмоток
 

Вложения

Voivano

вице-адмирал
Команда форума
Регистрация
11.08.2016
Сообщения
5 105
Карма
2 426
Возраст
65
Город
Ачинск
Имя
Владимир
Лодка
Ракета РЛ-380
Мотор
Ветерок 8, Ветерок 12, Yamaha 6E3S (5CSMH), Москва М, Гибрид 7 лс. Гибрид 8 лс. Стрела и еще разные.
Схема неправильная. Не хочется по-новой обсуждать. Просто сравните со стоковой. Простая замена в стоковой схеме на близкие по параметрам китайские детали, приемлемо и достаточно надежно. Если не лепить кнопку стоп, отключающую обмотку управления, и не делая защиты от перенапряжения на аноде тиристора и, соответственно, конденсаторе.
 

Sergei19

капитан 3-го ранга
Регистрация
13.07.2014
Сообщения
610
Карма
109
Возраст
57
Город
Урал
Имя
Сергей
Лодка
Самодельная из пвх
Мотор
Гибрид из Ветерка 8 и Чемпион 200, Москва-М, Yamaha 9,9 Mercury 40
Схема неправильная. Не хочется по-новой обсуждать. Просто сравните со стоковой. Простая замена в стоковой схеме на близкие по параметрам китайские детали, приемлемо и достаточно надежно. Если не лепить кнопку стоп, отключающую обмотку управления, и не делая защиты от перенапряжения на аноде тиристора и, соответственно, конденсаторе.
Владимир я по этой схеиме собрал кучу зажигалок и для москвы и для ветра . Все прекрасно работают. Вот родная ветровская схема , принцип один и тот же.
 

Вложения

Последнее редактирование:

Voivano

вице-адмирал
Команда форума
Регистрация
11.08.2016
Сообщения
5 105
Карма
2 426
Возраст
65
Город
Ачинск
Имя
Владимир
Лодка
Ракета РЛ-380
Мотор
Ветерок 8, Ветерок 12, Yamaha 6E3S (5CSMH), Москва М, Гибрид 7 лс. Гибрид 8 лс. Стрела и еще разные.
Ну и что из этого. Много чего неправильно сделанного, построенного, работает и довольно долго. Открой даташит и посмотри рекомендации. Зачем же создавать устройство, которое будет работать на запасе прочности, заложенном производителем. Здесь в стоковой схеме резисторы R1,R2 необходимы и установлены правильно. А в приведенной твоей схеме, вместо тиристора должен стоять симистор. Для него шунтирующие резисторы - зло. Это я про схемотехнику говорю. Но, к примеру, если в стоковой схеме, вместо тиристора поставить трехквадрантный симистор, ничего другого не меняя. то будет работать ( гипотетически) не хуже чем с тиристором, а четырехквадрантный сгорит довольно быстро (проверено) :)
 

Sergei19

капитан 3-го ранга
Регистрация
13.07.2014
Сообщения
610
Карма
109
Возраст
57
Город
Урал
Имя
Сергей
Лодка
Самодельная из пвх
Мотор
Гибрид из Ветерка 8 и Чемпион 200, Москва-М, Yamaha 9,9 Mercury 40
Схема неправильная. Не хочется по-новой обсуждать. Просто сравните со стоковой. Простая замена в стоковой схеме на близкие по параметрам китайские детали, приемлемо и достаточно надежно. Если не лепить кнопку стоп, отключающую обмотку управления, и не делая защиты от перенапряжения на аноде тиристора и, соответственно, конденсаторе.
Владимир я по этой схеме собрал кучу зажигалок и для москвы и для ветра . Все прекрасно работают.
Ну и что из этого. Много чего неправильно сделанного, построенного, работает и довольно долго. Открой даташит и посмотри рекомендации. Зачем же создавать устройство, которое будет работать на запасе прочности, заложенном производителем. Здесь в стоковой схеме резисторы R1,R2 необходимы и установлены правильно. А в приведенной твоей схеме, вместо тиристора должен стоять симистор. Для него шунтирующие резисторы - зло. Это я про схемотехнику говорю. Но, к примеру, если в стоковой схеме, вместо тиристора поставить трехквадрантный симистор, ничего другого не меняя. то будет работать ( гипотетически) не хуже чем с тиристором, а четырехквадрантный сгорит довольно быстро (проверено) :)
Ставил всегда ВТ151R600 и ни каких проблем не было . Работали , не грелись и не подводили.
 

Voivano

вице-адмирал
Команда форума
Регистрация
11.08.2016
Сообщения
5 105
Карма
2 426
Возраст
65
Город
Ачинск
Имя
Владимир
Лодка
Ракета РЛ-380
Мотор
Ветерок 8, Ветерок 12, Yamaha 6E3S (5CSMH), Москва М, Гибрид 7 лс. Гибрид 8 лс. Стрела и еще разные.
Владимир я по этой схеме собрал кучу зажигалок и для москвы и для ветра . Все прекрасно работают.

Ставил всегда ВТ151R600 и ни каких проблем не было . Работали , не грелись и не подводили.
Греться-то им с чего?.. Запас х.з сколько кратный. Но по идее УОЗ должен немного плавать в зависимости от оборотов, а в некоторых случаях и перескакивать на паразитный импульс. Где-то в начале ветки я пробовал с резисторами играться, и схему с удвоением пытал. Сейчас отладил мостовую, которая работает замечательно, без паразитной искры на МЛ10. Напряжение на конденсаторе ограничено 350 в., емкость 1.5 мкф.
 

Виталий_Киев

ст. лейтенант
Регистрация
09.09.2012
Сообщения
326
Карма
20
Имя
ViT
Лодка
ПрогреSS-2М
Мотор
Москва30Э
Сейчас отладил мостовую, которая работает замечательно, без паразитной искры на МЛ10. Напряжение на конденсаторе ограничено 350 в., емкость 1.5 мкф.
Вот потому и работает замечательно что поставил ограничитель на ВВ напряжение. Практика показала что сварочный аппарат из ПЛМ делать не стоит. Многие мотают по 6000 и более витков, когда вполне достаточно 4500. Зачастую испытания проводят дома при 1500 оборотах, а что будет при 4500 - 5200 узнаем только на воде или в бочке, но кратковременно. Меня жизнь заставила перейти на фиксированный УОЗ МП из-за трения магнитов по магнитоприводам, да и с переходом на 92й не хватало опережения.
 

Voivano

вице-адмирал
Команда форума
Регистрация
11.08.2016
Сообщения
5 105
Карма
2 426
Возраст
65
Город
Ачинск
Имя
Владимир
Лодка
Ракета РЛ-380
Мотор
Ветерок 8, Ветерок 12, Yamaha 6E3S (5CSMH), Москва М, Гибрид 7 лс. Гибрид 8 лс. Стрела и еще разные.
Вот потому и работает замечательно что поставил ограничитель на ВВ напряжение. Практика показала что сварочный аппарат из ПЛМ делать не стоит. Многие мотают по 6000 и более витков, когда вполне достаточно 4500. Зачастую испытания проводят дома при 1500 оборотах, а что будет при 4500 - 5200 узнаем только на воде или в бочке, но кратковременно. Меня жизнь заставила перейти на фиксированный УОЗ МП из-за трения магнитов по магнитоприводам, да и с переходом на 92й не хватало опережения.
Количество витков не добавит напряжения под нагрузкой, а напротив, его снизит. Хоть миллион витков намотай, толку от этого не будет. Ну а так для информации, у меня стенд, осциллограф (если надо). Могу раскрутить до 10 тыс об/мин, но этого не делаю. В пределах рабочего диапазона. Кстати, у меня супрессоры в нормальном режиме не работают. Ограничение идет совсем по другому алгоритму. Пробовал ограничивать супрессорами, не живут они долго, греются и очень быстро выходят из строя.
 

Виталий_Киев

ст. лейтенант
Регистрация
09.09.2012
Сообщения
326
Карма
20
Имя
ViT
Лодка
ПрогреSS-2М
Мотор
Москва30Э
Количество витков не добавит напряжения под нагрузкой, а напротив, его снизит. Хоть миллион витков намотай, толку от этого не будет. Ну а так для информации, у меня стенд, осциллограф (если надо). Могу раскрутить до 10 тыс об/мин, но этого не делаю. В пределах рабочего диапазона. Кстати, у меня супрессоры в нормальном режиме не работают. Ограничение идет совсем по другому алгоритму. Пробовал ограничивать супрессорами, не живут они долго, греются и очень быстро выходят из строя.
Супрессор можно использовать как стабилитрон и в ограничителе он вполне справляется с задачей. Но в чистом виде он не выдерживает перегрева, если цепь может выдавть большие токи. Хотя утверждать не буду т.к. не раскручивал маховик до рабочих оборотов. Работаю над этим! Разобрал старый пылесос, а там движок на 14000. Поставлю регулятор и буду эксперементировать... На воде нет долгих переходов. максимум 40 минут. Ограничитель с супрессором в цепи стабилитрона не подводил, а сделать замеры напряжения при этом не получилось, для этого надо было выводить контрольные провода , нагрузки менять и пр. неудобства на воде. Дома сподручней!
 

efik53

капитан 1-го ранга
Регистрация
25.01.2017
Сообщения
2 038
Карма
664
Возраст
72
Город
UA
Имя
Виктор Ефимов
Лодка
Энерджи 350 НДНД
Мотор
СузукиДф2.5 Ветерок8м. Эвинруд9,9
Вот потому и работает замечательно что поставил ограничитель на ВВ напряжение
А без ограничителя, что хуже работает? Какой смысл если с ростом оборотов напряжение на кандере уменьшается?
 

Сергей Б

капитан 1-го ранга
Регистрация
09.12.2017
Сообщения
5 412
Карма
1 597
Возраст
61
Город
Москва
Имя
Сергей
Лодка
А нету.
Мотор
Тоже нету.
Супрессоры и стабилитроны нужно включать через резисторы 300-500 ом на 2 ватта, тогда и работают как надо, и вывести из строя нереально.
Где то попадалась фраза - ''стабилитроны выкинул отовсюду, для надёжности'' - снимаю шляпу.
Когда супрессор или стабилитрон разряжает в себя конденсатор от импульсной помехи - это смерть.
 
Последнее редактирование:

Voivano

вице-адмирал
Команда форума
Регистрация
11.08.2016
Сообщения
5 105
Карма
2 426
Возраст
65
Город
Ачинск
Имя
Владимир
Лодка
Ракета РЛ-380
Мотор
Ветерок 8, Ветерок 12, Yamaha 6E3S (5CSMH), Москва М, Гибрид 7 лс. Гибрид 8 лс. Стрела и еще разные.
У меня в качестве балласта для супрессора выступает накопительная обмотка (500ом). В стоковой схеме, тоже диод индуктивной защиты, отсекающий отрицательный импульс, включен без дополнительных резисторов. Смысла в усложнении этой схемы не вижу никакого. Некоторые лепят снаббер, шунтирующий конденсатор, Диод еще один,и пр.Оно, конечно, не мешает, в принципе, но и пользы большой не приносит.
 

Sergei19

капитан 3-го ранга
Регистрация
13.07.2014
Сообщения
610
Карма
109
Возраст
57
Город
Урал
Имя
Сергей
Лодка
Самодельная из пвх
Мотор
Гибрид из Ветерка 8 и Чемпион 200, Москва-М, Yamaha 9,9 Mercury 40
Греться-то им с чего?.. Запас х.з сколько кратный. Но по идее УОЗ должен немного плавать в зависимости от оборотов, а в некоторых случаях и перескакивать на паразитный импульс. Где-то в начале ветки я пробовал с резисторами играться, и схему с удвоением пытал. Сейчас отладил мостовую, которая работает замечательно, без паразитной искры на МЛ10. Напряжение на конденсаторе ограничено 350 в., емкость 1.5 мкф.
Зачем здесь плавающий УОЗ.? Здесь он меняется механически , есть начальный и конечный угол опережения ,и по моему самое простое есть самое лучшее.
 

VVS2177

капитан 1-го ранга
Регистрация
30.06.2020
Сообщения
1 820
Карма
2 079
Город
Москва - столица Российской Федерации
Имя
Владимир
Лодка
Альтаир HD-380 KS, Неман-2пнд
Мотор
Suzuki dt9,9as, MESAN T9,9+, Forward 62pro, TucleBrothers 35lb, Haswing Cayman b 55 gps
Подскажите, пожалуйста. В штатной схеме электронного зажигания В-8М два провода красный и зеленый от платы до ВВ катушек проходят через два вывода катушки освещения. В чём сакральный смысл? Можно ли эти провода бросить напрямую на ВВ катушки, а с катушки освещения вывести только белый и черный для подключения к выпрямителю? Не повлияет ли это на работу зажигания или катушки освещения?
195007
 
Последнее редактирование:

bosya

капитан 1-го ранга
Регистрация
02.07.2014
Сообщения
1 750
Карма
307
Город
Украина
Имя
Александр
Лодка
Колибри К-280, Колибри КМ-300->>МКМ, Романтика-2 ->>Автобот,
Мотор
Прибой->Ветерок-8Э->Ветерок-12 ->>, Fisher 2.5->> Hidea HD3.0FHS, Москва-М, Привет-22, Нептун-23
Можно, не повлияет. На катушке освещения распаяна выводная колодка. Ее два контакта используются как переходные контакты. Желательно вывести для зажигания три провода - два на ВВ катушки и один на корпус. Катушка освещения припаяна одним концом на корпус. Если не планируется ставить выпрямитель-стабилизатор, а использовать только для освещения лампой накаливания то можно оставить черный так как есть, иначе развязать второй вывод световой катушки от корпуса и вывести отдельными проводами.
 

VVS2177

капитан 1-го ранга
Регистрация
30.06.2020
Сообщения
1 820
Карма
2 079
Город
Москва - столица Российской Федерации
Имя
Владимир
Лодка
Альтаир HD-380 KS, Неман-2пнд
Мотор
Suzuki dt9,9as, MESAN T9,9+, Forward 62pro, TucleBrothers 35lb, Haswing Cayman b 55 gps
Катушка освещения припаяна одним концом на корпус
Черный провод на массу под маховиком закреплен. Это имеется в виду? Или катушка освещения ещё где-то контачит на корпус? Я вывел белый и черный провода от катушки освещения из-под маховика для подключения к ним выпрямителя-регулятора. Черный от массы отсоединил
 

bosya

капитан 1-го ранга
Регистрация
02.07.2014
Сообщения
1 750
Карма
307
Город
Украина
Имя
Александр
Лодка
Колибри К-280, Колибри КМ-300->>МКМ, Романтика-2 ->>Автобот,
Мотор
Прибой->Ветерок-8Э->Ветерок-12 ->>, Fisher 2.5->> Hidea HD3.0FHS, Москва-М, Привет-22, Нептун-23
черный от корпуса для катушки освещения отсоединил, а для зажигания оставил? в итоге должно выходить пять проводов - три на зажигание - один из них корпус, и два на освещение - на корпусе не должны быть. в теории на зажигание можно не кидать отдельный провод, но тогда через смазку, плохой контакт и пр. помехи не пройдет/может не пройти, напряжение для образования искры на катушки от конденсатора. если по простому.
 

VVS2177

капитан 1-го ранга
Регистрация
30.06.2020
Сообщения
1 820
Карма
2 079
Город
Москва - столица Российской Федерации
Имя
Владимир
Лодка
Альтаир HD-380 KS, Неман-2пнд
Мотор
Suzuki dt9,9as, MESAN T9,9+, Forward 62pro, TucleBrothers 35lb, Haswing Cayman b 55 gps
Масса катушек и платы зажигания затянуты на корпус штатным винтиком в подмаховичном пространстве
 
Вверх Снизу