whitlak12

матрос
Регистрация
28.03.2016
Сообщения
7
Карма
0
Город
Улан Удэ
Лодка
фанерка
Мотор
Ветерок8, Москва10
Привет. Досталась десятка без кулачка зажигания, пришлось поставить зажигание целиком с Ветерка, заодно и карб с него. Благо, маховик один в один а карбу ушки подрезал
 

antrek0t

матрос
Регистрация
21.03.2016
Сообщения
5
Карма
0
Город
Санкт-Петербург
Лодка
Комбат-380
Мотор
Москва М
Добрый день, товарищи. Подскажите, пожалуйста, где у этой катушки общий вывод для двух обмоток? Чёрный или зелёный? Мультиком разницу в 0.5 Ома не разглядеть.
Заранее спасибо.
 

Вложения

bosya

капитан 1-го ранга
Регистрация
02.07.2014
Сообщения
1 750
Карма
308
Город
Украина
Имя
Александр
Лодка
Колибри К-280, Колибри КМ-300->>МКМ, Романтика-2 ->>Автобот,
Мотор
Прибой->Ветерок-8Э->Ветерок-12 ->>, Fisher 2.5->> Hidea HD3.0FHS, Москва-М, Привет-22, Нептун-23
Не важно. Схема работает при любом подключении.
 

antrek0t

матрос
Регистрация
21.03.2016
Сообщения
5
Карма
0
Город
Санкт-Петербург
Лодка
Комбат-380
Мотор
Москва М
Сейчас померил еще несколько раз. Получается, что сопротивление между бронепроводом и черной клеммой меньше, чем между бронепроводом и зеленой клеммой. Значит все-таки черный общий.
Перерисовал схему, для наглядности. Выходит, что ток через в/в обмотку пойдет от бронепровода на массу, по контуру: бронепровод - в/в обмотка - н/в обмотка - масса - бронепровод (или в обратную сторону). Не сгорит ли от этого н/в катушка? Боюсь спалить при наладке ЭСЗ, т.к. мотор в области и заменить быстро будет нечем.
 

Вложения

zmei2008

матрос
Регистрация
12.09.2014
Сообщения
28
Карма
0
Город
Москва
Лодка
Адмирал 290
Мотор
ХондоСтрел 160
Люди помогите разобратся, купил москву м, решил востановить, полез в зажигание, выкинул все потраха, купил катушки с пускателей 380в, намотка проводом 0,11м 7150 витков, отматал 1000 витков, получил 6150, купил катушки с сди от сузуки ран, вставил под маховик катушки от пускателя вывел оба провода, подключил один к контакту бабины второй на массу, бабину тоже на массу, кручу искры нет. Замерил прибором ток с катушек, выходит гдето 12в, катушки перестовлял по разному, провода тоже, результата нет, проверял прибором бабины с сди, прибор поставил в положение где нарисован диод, между выходом и массой бабины в одном положении прозванивается, когда меняешь местами щупы на приборе не прозваниваеся, если вставить один шуп в бронепровод, а второй на клейму или массу бабины не чего не покозывает, но если отруваешь щуп от клеймы и сразу снова соединяешь есть небольшое показание прибора на долю секунды, (как понимаю конденсатор заряжается и отдает ток). Кручу уже два дня не знаю на что грешить, на катушки на бабины, или еще на что. Маховик вроде как московский два магнита. Если можете помогите советом куда копать.
 

bosya

капитан 1-го ранга
Регистрация
02.07.2014
Сообщения
1 750
Карма
308
Город
Украина
Имя
Александр
Лодка
Колибри К-280, Колибри КМ-300->>МКМ, Романтика-2 ->>Автобот,
Мотор
Прибой->Ветерок-8Э->Ветерок-12 ->>, Fisher 2.5->> Hidea HD3.0FHS, Москва-М, Привет-22, Нептун-23
один из выводов катушки должен быть связан с массой. т.е. бронепровод-масса должно быть сопротивление около 2-4кОм.
 

zmei2008

матрос
Регистрация
12.09.2014
Сообщения
28
Карма
0
Город
Москва
Лодка
Адмирал 290
Мотор
ХондоСтрел 160
bosya сказал(а):
один из выводов катушки должен быть связан с массой. т.е. бронепровод-масса должно быть сопротивление около 2-4кОм.
А как это измерить, на что надо переключить прибор?
 

bosya

капитан 1-го ранга
Регистрация
02.07.2014
Сообщения
1 750
Карма
308
Город
Украина
Имя
Александр
Лодка
Колибри К-280, Колибри КМ-300->>МКМ, Романтика-2 ->>Автобот,
Мотор
Прибой->Ветерок-8Э->Ветерок-12 ->>, Fisher 2.5->> Hidea HD3.0FHS, Москва-М, Привет-22, Нептун-23
покажи фото прибора.
 

zmei2008

матрос
Регистрация
12.09.2014
Сообщения
28
Карма
0
Город
Москва
Лодка
Адмирал 290
Мотор
ХондоСтрел 160

Вложения

bosya

капитан 1-го ранга
Регистрация
02.07.2014
Сообщения
1 750
Карма
308
Город
Украина
Имя
Александр
Лодка
Колибри К-280, Колибри КМ-300->>МКМ, Романтика-2 ->>Автобот,
Мотор
Прибой->Ветерок-8Э->Ветерок-12 ->>, Fisher 2.5->> Hidea HD3.0FHS, Москва-М, Привет-22, Нептун-23
красных букв на фото совсем не разобрать, как не силился. прибор установи на 20К. между бронепроводом и массой около 3-4кОм должно быть. если катушка с CDI показания между другими контактами будут разные.
почитай здесь подробно описано.
возможно вот твоя проблема "провод выбираем начиная от 0.15мм и до 0.17-0.18. Меньше не хватит тока, больше - маловато кол во витков"
 

zmei2008

матрос
Регистрация
12.09.2014
Сообщения
28
Карма
0
Город
Москва
Лодка
Адмирал 290
Мотор
ХондоСтрел 160
Поставил прибор на 20к. между массой и бранепроводом показывает 3.37 , между клеммой и массой бабины разные показатели, показывает долю секунды. На катушке которая под маховиком показывает 0.77. Хотел пойти по самому простому пути, поставить бабины с СДИ и катушки от пускателей, а теперь думаю как добится искры, если это реально, не охота убить еще катушки и потом покупать еще бабины без СДИ. Кто собирал на бабинах с СДИ подскажите что надо делать.
 

bosya

капитан 1-го ранга
Регистрация
02.07.2014
Сообщения
1 750
Карма
308
Город
Украина
Имя
Александр
Лодка
Колибри К-280, Колибри КМ-300->>МКМ, Романтика-2 ->>Автобот,
Мотор
Прибой->Ветерок-8Э->Ветерок-12 ->>, Fisher 2.5->> Hidea HD3.0FHS, Москва-М, Привет-22, Нептун-23

zmei2008

матрос
Регистрация
12.09.2014
Сообщения
28
Карма
0
Город
Москва
Лодка
Адмирал 290
Мотор
ХондоСтрел 160
Судя по твоим фоткам должно быть в районе1.4 я так понял меряем прибром также на показании 20к, если так завтра доеду с прибором до магазина буду мерять на месте.
 

bosya

капитан 1-го ранга
Регистрация
02.07.2014
Сообщения
1 750
Карма
308
Город
Украина
Имя
Александр
Лодка
Колибри К-280, Колибри КМ-300->>МКМ, Романтика-2 ->>Автобот,
Мотор
Прибой->Ветерок-8Э->Ветерок-12 ->>, Fisher 2.5->> Hidea HD3.0FHS, Москва-М, Привет-22, Нептун-23
6920 витков провода 0,112мм. как написано на катушках дают сопротивление 1,14-1,32кОм (прибор и на 2кОм можно постаить. не выше же верхнего предела, точнее будут измерения)
мне пришлось подбирать части схемы, чтобы она заработала. и не только мне.
если есть возможность - найти/наматать катушки проводом больше чем 0,12 до 0,2мм 5-6к витков.
ВВ катушки - сопротивление вторичной обмотки (бронепровод-масса) - 3-4кОм (прибор на 20 кОм)
 

zmei2008

матрос
Регистрация
12.09.2014
Сообщения
28
Карма
0
Город
Москва
Лодка
Адмирал 290
Мотор
ХондоСтрел 160
На вторичной у меня и показывает 3,4 , а вот новая катушка с пускателя показывает 0,97 в ней провод 0,11 намотка 7150 оборотов, я на одной 1000 отматал, стало показывать 0,77. Случайно не знаешь сколько надо вольт чтоб бабина от сузуки заискрила?
 

Макс43

капитан 3-го ранга
Регистрация
22.10.2013
Сообщения
586
Карма
69
Возраст
42
Город
Краснодарский кр. Кропоткин
Имя
Максим
Лодка
Днепр, МКМ, Норд-Сильвер 390
Мотор
Вихри, Нептуны, Москвы, Ино.разные
В этом видео с 12ой минуты говорю про эту катушку.
 

zmei2008

матрос
Регистрация
12.09.2014
Сообщения
28
Карма
0
Город
Москва
Лодка
Адмирал 290
Мотор
ХондоСтрел 160
bosya сказал(а):
мало чтото показывает под маховиком. вот мои катушки. работают изумительно. topic6805-25.html#p181023
здесь http://izhevsk.ru/forummessage/69/4859363.html твой коллега.
Купил сегодня точно такие катушки, поставил, искры нет, вместо свечи потом поставил щупы прибора, крутнул рукой прибор молчит вообще, начал крутить шуруповертом, на проборе опять полный ноль, снял бабины и взял в руки провод с катушки под маховиком, крутнул маховик от руки, ударило током не слабо, замерил прбором доходит до 30 вольт. На всякий случай купил сегодня и катушки от пускателей побольше наших раза в полтора, но ней было 4950 провода 0,18 , разобрал родную московскую катушку и с помощью шуруповерта за 2 часа намотал примерно 6000 проводом 0,18 , всë обильно промазывал лаком, завтра высохнет буду пробовать с ней, если опять ноль искры, наверно придется паять, и опять тратить деньги на детали и бабины без СДИ.
 

zmei2008

матрос
Регистрация
12.09.2014
Сообщения
28
Карма
0
Город
Москва
Лодка
Адмирал 290
Мотор
ХондоСтрел 160
Да и самое интересное котушки с проводом 0.18 и номоткой 4950 показыват на приборе всего 0,33 кОм, причем демал гдето замкнула помëрял 4 шт все примерно так, на моей свеже намотай, показывает 0,3155кОм. Причем на 7150 проводом 0,11 показывает 0,97кОм , а на катушке 6920 провадом 0,112 показывает 1,24кОм, в чем закономерность не понял. Еще хотел спросить, если паять самому можно использовать теристоры ку202 или не стоит?
 

нордик301

капитан 1-го ранга
Регистрация
22.10.2011
Сообщения
2 202
Карма
340
Возраст
72
Город
Алтайский край
Имя
Анатолий Ильич
Лодка
Нордик -300 (был ) , самодельная кастрюля -"люмишка " Солар-380
Мотор
"Мелкомоськи , "В-8 " , "Ямаха 9,9 GMHS"
zmei2008 сказал(а):
Да и самое интересное котушки с проводом 0.18 и номоткой 4950 показыват на приборе всего 0,33 кОм,
++++ Может переключатель прибора рискнуть установить на 1000 ом ?
 

zmei2008

матрос
Регистрация
12.09.2014
Сообщения
28
Карма
0
Город
Москва
Лодка
Адмирал 290
Мотор
ХондоСтрел 160
нордик301 сказал(а):
zmei2008 сказал(а):
Да и самое интересное котушки с проводом 0.18 и номоткой 4950 показыват на приборе всего 0,33 кОм,
++++ Может переключатель прибора рискнуть установить на 1000 ом ?
Что это даст будет показывать 330 Ом, искра от этого не появится.
 

Макс43

капитан 3-го ранга
Регистрация
22.10.2013
Сообщения
586
Карма
69
Возраст
42
Город
Краснодарский кр. Кропоткин
Имя
Максим
Лодка
Днепр, МКМ, Норд-Сильвер 390
Мотор
Вихри, Нептуны, Москвы, Ино.разные
Я не пойму, СКОЛЬКО МОЖНО ТУПИТЬ???? Я выложил видео, где на русском языке объяснил что нужно делать чтобы эта катушка дала искру. Научись включать мозг.
 

zmei2008

матрос
Регистрация
12.09.2014
Сообщения
28
Карма
0
Город
Москва
Лодка
Адмирал 290
Мотор
ХондоСтрел 160
Макс43 сказал(а):
Я не пойму, СКОЛЬКО МОЖНО ТУПИТЬ???? Я выложил видео, где на русском языке объяснил что нужно делать чтобы эта катушка дала искру. Научись включать мозг.
Макс извени видео не могу посмотреть, интерет юзаю на работе, а здесь колонок у компа нет. Попробую залить в телефон и глянуть.
 

kabani

ст. матрос
Регистрация
06.01.2016
Сообщения
34
Карма
0
Город
Херсон
Имя
Виктор
Лодка
пластиковая водоизмещенка
Мотор
кама, вихрь20, москва, москва-м
а кто как располагает саму схему ?? есть преимущества перед установкой под маховиком или наружным блоком ??

и печаткой никто не поделиться, не люблю навесной монтаж
 

zmei2008

матрос
Регистрация
12.09.2014
Сообщения
28
Карма
0
Город
Москва
Лодка
Адмирал 290
Мотор
ХондоСтрел 160
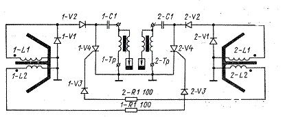
Ничего не выходит с этими катушками от СУЗУКИ РАН, сегодня ставил катушки 6000 проводом 0,18, потом 4000 проводом 0,18, затем 2500 проводом 0,2 искры нигде нет. На выходных привезут детали на 2х канальную схему, буду паять. Кстати на схеме в начале этой темы, какая катушка накопительная, а какая управляющая, там обозначение л1 и л2.
 
Вверх Снизу