КЭБ ЛМ Волгарь

капитан-лейтенант
Регистрация
13.11.2012
Сообщения
446
Карма
15
Город
Ульяновск
Имя
Александр
Лодка
нет
Мотор
Волгарь-9.9, Волгарь-15, Волгарь-18
daryinalexej сказал(а):
Спасибо за подсказки, подумаем, попробуем.
Только не забывайте, что это уже не CDI, а DC CDI, а это означает, что нужно обязательно выключать DC на время действия управляющего импульса на тиристорах. В трансформаторных DC это обычно делают подачей стробирующего сигнала на "подходящий" вход ШИМ контроллера, останавливая его генератор. В выше указанных схемах это не прокатит т.к. ток с генераторных обмоток или АКБ или... будет продолжать течь через L1, открытый тиристор ( который конечно не закроется), первичную обмотку КЗ и как результат всему
. Поэтому чтобы отключать такой DC нужен внешний ключ последовательно L1, как правило это полевик установленный до L1 (на низкой стороне), а это еще один подводный гемор. В моей схеме (на транзисторах, а не на тиристорах) естественно такие отключения не нужны т.е. можно тупо подключать любой DC блочек и не париться, что несомненно является еще одним преимуществом транзисторно-конденсаторного зажигания.
Понятно, что это будет уже другая схема. И в ней вполне можно применить транзистор. Я не против него, просто мне показалась неубедительным то обоснование его применения. Имея DC-DC, процессор и транзистор можно уже подумать и о многоискровом зажигании, когда время разряда (0.5 .. 1.2 мс) заполняется переменкой и получается что-то вроде электродуги. Мощная вещь! Но без изменения ВВтрансов наверное не получится.
 

daryinalexej

капитан 3-го ранга
Регистрация
28.07.2012
Сообщения
841
Карма
70
Возраст
44
Город
Домодедово
Имя
Алексей
Лодка
Южанка-2
Мотор
Вихрь 30
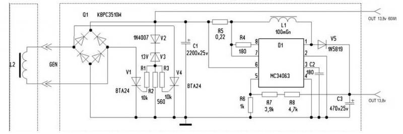
Уважаемый КЭБ ЛМ Волгарь, вопрос- R1,R3 в схеме Вашего "СЭО-В" правда 10кОм или это опечатка, шутка и т.д.
 

Вложения

КЭБ ЛМ Волгарь

капитан-лейтенант
Регистрация
13.11.2012
Сообщения
446
Карма
15
Город
Ульяновск
Имя
Александр
Лодка
нет
Мотор
Волгарь-9.9, Волгарь-15, Волгарь-18
daryinalexej сказал(а):
Уважаемый КЭБ ЛМ Волгарь, вопрос- R1,R3 в схеме Вашего "СЭО-В" правда 10кОм или это опечатка, шутка и т.д.
Ручаться не могу. Разрабатывал и паял не я, этот человек до февраля недоступен :( Но он брал какой-то типовой вариант, не знаю откуда...
 

daryinalexej

капитан 3-го ранга
Регистрация
28.07.2012
Сообщения
841
Карма
70
Возраст
44
Город
Домодедово
Имя
Алексей
Лодка
Южанка-2
Мотор
Вихрь 30
Эти два резистора по 10кОм давно меня смущали, сегодня я повторил ( на столе) Вашу схему и прогнозы сбылись. А именно- BTA24 открываются не при 13,8 Вольт ( на обкладках конденсатора), а при 50 с лишним. Потом подал переменное напряжение через балласт, ну да схема ограничивает напряжение не на 13,8 В, а на 50. Дело в том, что для того чтобы открылся тиристор необходим определенный ток в цепи его управляющего электрода, резисторы в 10000 Ом этот ток СИЛЬНО ограничивают и в результате они открываются только при достижении очень большого напряжения в точке соединения R1,R2,R3,и стабилитрона. Таким образом этот узел ограничивает (стабилизирует) напряжение далеко не на 13,8В, а позволяет ему подниматься гораздо выше. Это может явится причиной завышенного напряжения в цепи питания процессора или пробить MC34063, приводить к сбоям или вывести из строя процессор НА БОЛЬШИХ ОБОРОТАХ.
 

КЭБ ЛМ Волгарь

капитан-лейтенант
Регистрация
13.11.2012
Сообщения
446
Карма
15
Город
Ульяновск
Имя
Александр
Лодка
нет
Мотор
Волгарь-9.9, Волгарь-15, Волгарь-18
daryinalexej сказал(а):
Эти два резистора по 10кОм давно меня смущали, сегодня я повторил ( на столе) Вашу схему и прогнозы сбылись.
Понял. Спасибо за замечание.
Это ошибка в схеме, извиняюсь, иначе при проверке блоков бы это сразу вылезло. Проверяем на стенде (генератор под маховиком от электропривода) на всех оборотах.
А какие значения получились? Могу попробовать подправить до приезда человека, который этим занимался.
 

Калашников

капитан 1-го ранга
Регистрация
25.05.2012
Сообщения
2 469
Карма
93
Город
Междуреченск
Имя
Виталий
Лодка
ПВХ,Самдельная с тонелем
Мотор
водомёт,Нептун-23,25 Вихрь-30 и 25,Джонсон-30,Тохацу-25 джет драйв
Алексей.Вот таким способом КЭБ и делает свои моторы.Вы подскали и другие тоже а клиент мучается и платит деньги.
 

daryinalexej

капитан 3-го ранга
Регистрация
28.07.2012
Сообщения
841
Карма
70
Возраст
44
Город
Домодедово
Имя
Алексей
Лодка
Южанка-2
Мотор
Вихрь 30
А какие значения получились? Могу попробовать подправить до приезда человека, который этим занимался.
Эти резисторы там вообще не нужны, ниже фото- тому доказательство. Амперметр (желтый прибор) подключен последовательно стабилитрону, зеленый (вольтметр) на выходе схемы, вместо L2- сеть 220В через лампу накаливания 100W. И так резисторов нет вместо них перемычки, ток через стабилитрон 23мА- это абсолютная норма- BTA24 рассчитан на максимальный управляющий постоянный ток- 50мА, мощность рассеиваемая на стабилитроне при таком токе 0,299W т.е. ему тоже ничего не угрожает, он рассчитан на 0,5W. Зато на вольтметре (зеленый прибор) напряжение 13,8В- как положено, начнете увеличивать R1,R3 это напряжение начнет расти и при 10кОм достигнет 50В.
 

Вложения

  • 84,7 КБ Просмотры: 2 129

КЭБ ЛМ Волгарь

капитан-лейтенант
Регистрация
13.11.2012
Сообщения
446
Карма
15
Город
Ульяновск
Имя
Александр
Лодка
нет
Мотор
Волгарь-9.9, Волгарь-15, Волгарь-18
daryinalexej сказал(а):
Эти резисторы там вообще не нужны, ниже фото- тому доказательство.
Спасибо, Алексей. Тогда всё-таки придётся дождаться автора чтобы до конца разобраться, для чего-то же он их рисовал.
Я тут кстати пару недель назад попробовал зажигание с внешним подмагниченным датчиком, с одним из форумчан обсуждали это в привате. Решение - не будем делать. В принципе работает. Помехи есть, но небольшие и синфазные, т.е. отстроиться от них вероятно можно, но система очень чувствительна к положению датчика (высота и зазор). Нужна будет финишная индивидуальная настройка. А я своих пользователей знаю, они обязательно подстраивать начнут :) тут кирдык всему и придёт! Оставляем управляющую катушку "а ля МБ-23А".
 

александр1975

ст. матрос
Регистрация
25.12.2012
Сообщения
44
Карма
6
Лодка
фрегат 3,фрегт290ек
Мотор
гибрид хонда160
зажигание 2ц в данный момент какое,поподробней.фото в студию.ждёмс.(надоже всё разжевать мы тут все самоделкины,безрукий некогда его некупит).
 

КЭБ ЛМ Волгарь

капитан-лейтенант
Регистрация
13.11.2012
Сообщения
446
Карма
15
Город
Ульяновск
Имя
Александр
Лодка
нет
Мотор
Волгарь-9.9, Волгарь-15, Волгарь-18
александр1975 сказал(а):
зажигание 2ц в данный момент какое,поподробней.фото в студию.ждёмс.(надоже всё разжевать мы тут все самоделкины,безрукий некогда его некупит).
А там и разжовывать нечего :) любой может повторить. Писал про него в МБ-23 на Волгаре (извиняюсь, схема от руки) R1 ставим 150 Ом 2Вт, D4, D5 сейчас не ставим. Подмаховичные катушки идентичны МБ-23, наша магнитная система совпадает с Нептуновской.

daryinalexej сказал(а):
Эти два резистора по 10кОм давно меня смущали, сегодня я повторил ( на столе) Вашу схему и прогнозы сбылись.
Вы совершенно правы. Стабилизатор Блока Питания сделан по другой схеме. Извиняюсь.
 

александр1975

ст. матрос
Регистрация
25.12.2012
Сообщения
44
Карма
6
Лодка
фрегат 3,фрегт290ек
Мотор
гибрид хонда160
желательно фото того что под маховиком и после.вещи серийного пр-ва или буран,нептун импровизация.выкиньте фото для общения.здесь отдельная тема небудем ссылаться(я нихрена непонял).желательно поподробнее.давайте разжуём подробно. александр снизойдите до просьб простых трудящихся. :shock:
 

daryinalexej

капитан 3-го ранга
Регистрация
28.07.2012
Сообщения
841
Карма
70
Возраст
44
Город
Домодедово
Имя
Алексей
Лодка
Южанка-2
Мотор
Вихрь 30
КЭБ ЛМ Волгарь сказал(а):
Ручаться не могу. Разрабатывал и паял не я, этот человек до февраля недоступен :( Но он брал какой-то типовой вариант, не знаю откуда...
Февраль однако!
 

КЭБ ЛМ Волгарь

капитан-лейтенант
Регистрация
13.11.2012
Сообщения
446
Карма
15
Город
Ульяновск
Имя
Александр
Лодка
нет
Мотор
Волгарь-9.9, Волгарь-15, Волгарь-18
Приветствую, Алексей!
Мне казалось, что я уже ответил на этот вопрос: "Вы совершенно правы. Стабилизатор Блока Питания сделан по другой схеме. Извиняюсь.". Вряд ли точная схема нашего БП представляет какой-то интерес.
Как Ваше процессорное зажигание продвигается? Мы по-прежнему готовы покупать зажигание у стороннего производителя, никогда не стремились сделать всё сами.
 

daryinalexej

капитан 3-го ранга
Регистрация
28.07.2012
Сообщения
841
Карма
70
Возраст
44
Город
Домодедово
Имя
Алексей
Лодка
Южанка-2
Мотор
Вихрь 30
Приветствую!
КЭБ ЛМ Волгарь сказал(а):
Как Ваше процессорное зажигание продвигается? Мы по-прежнему готовы покупать зажигание у стороннего производителя, никогда не стремились сделать всё сами.
Продвигается, занимаюсь написанием драйвера и утилиты для ПК, чтобы можно было редактировать и отслеживать УОЗ и другие параметры зажигания с ПК через USB, используя графический интерфейс. Ну и одновременно тропа выводит к параллельной работе контроллера с существующими (штатными) системами зажигания ПЛМ, т.е. контроллер должен дополнять основную систему и его отключение не должно приводить к неработоспособности мотора- такова задумка. Продумываю вариант с питание контроллера и зарядом CDI от генераторных (низковольтных) обмоток. И это далеко не все, в общем есть куда развиваться.
 

КЭБ ЛМ Волгарь

капитан-лейтенант
Регистрация
13.11.2012
Сообщения
446
Карма
15
Город
Ульяновск
Имя
Александр
Лодка
нет
Мотор
Волгарь-9.9, Волгарь-15, Волгарь-18
daryinalexej сказал(а):
Приветствую!
КЭБ ЛМ Волгарь сказал(а):
Как Ваше процессорное зажигание продвигается? Мы по-прежнему готовы покупать зажигание у стороннего производителя, никогда не стремились сделать всё сами.
Продвигается, занимаюсь написанием драйвера и утилиты для ПК, чтобы можно было редактировать и отслеживать УОЗ и другие параметры зажигания с ПК через USB, используя графический интерфейс. Ну и одновременно тропа выводит к параллельной работе контроллера с существующими (штатными) системами зажигания ПЛМ, т.е. контроллер должен дополнять основную систему и его отключение не должно приводить к неработоспособности мотора- такова задумка. Продумываю вариант с питание контроллера и зарядом CDI от генераторных (низковольтных) обмоток. И это далеко не все, в общем есть куда развиваться.
Пожелаю удачи и буду ждать результат. Своё МПЗ мы пока отложили в "дальний ящик", некогда заниматься.
Совмешение CDI и МПЗ нам виделось просто: блок электронный превращается в исполнительный модуль включённый через Блок управления, а тот уже перехватывает управление на себя или отдаёт его если нет питания. Очень заманчиво иметь преобразователь 6-14В в 200-250В. А процессор как формирователь импульсов там не поможет? Можно бы было менять режим работы в зависимости от уровня напряжения на входе.
 

daryinalexej

капитан 3-го ранга
Регистрация
28.07.2012
Сообщения
841
Карма
70
Возраст
44
Город
Домодедово
Имя
Алексей
Лодка
Южанка-2
Мотор
Вихрь 30
А процессор как формирователь импульсов там не поможет? Можно бы было менять режим работы в зависимости от уровня напряжения на входе.
Процессор для этого должен иметь и уметь:
1. Источник опорного напряжения.
2. Компаратор или АЦП
3. Процессор должен производить непростые расчеты ширины и длительности импульсов и все это делать в промежутки между этими импульсами и он же должен эти импульсы формировать, а в связи большой частотой импульсов преобразователя процессор будет тратить на это огромные вычислительные ресурсы, в несколько десятков раз большие чем на вычисление угла опережения зажигания.
При частоте частоте кварца в 4МГц и 8 битном контроллере на определение УОЗ без ШИМ еле ресурсов хватает.
В общем Ваше предложение приведет к необоснованным техническим усложнениям и затратам.
Я уже построил импульсный преобразователь по SEPIC структуре на MC34063 для питания PIC (пока только для PIC), такая структура схемы преобразователя позволяет поддерживать стабильные 5В на выходе при напряжении на входе от 3,5 до 15В (т.е. напряжение на входе, может быть как ниже так и выше 5В). Причем даже при резких изменениях напряжения на входе и динамической нагрузке, напряжение на выходе остается стабильным благодаря быстрой реакции системы. Схема весьма простая, высокое КПД, вот это и есть то что нужно.
 

КЭБ ЛМ Волгарь

капитан-лейтенант
Регистрация
13.11.2012
Сообщения
446
Карма
15
Город
Ульяновск
Имя
Александр
Лодка
нет
Мотор
Волгарь-9.9, Волгарь-15, Волгарь-18
Не буду спорить. Я имел ввиду управление процессором преобразователя при низких уровнях входного напряжения, т.е. на малых оборотах. Времени там достаточно. А на средних и высоких можно уже преобразователем не управлять, пусть работает по стандартной схеме. Хотя, ещё проще наверное, сделать 2 схемы - для малого и нормального входного напряжения и просто переключать их.
Ха! Ещё проще - сделать 2 обмотки и запитываться то с одной - то с другой, или складывать их через диоды.
Ну как-то так...
 

daryinalexej

капитан 3-го ранга
Регистрация
28.07.2012
Сообщения
841
Карма
70
Возраст
44
Город
Домодедово
Имя
Алексей
Лодка
Южанка-2
Мотор
Вихрь 30
КЭБ ЛМ Волгарь сказал(а):
Не буду спорить. Я имел ввиду управление процессором преобразователя при низких уровнях входного напряжения, т.е. на малых оборотах. Времени там достаточно. А на средних и высоких можно уже преобразователем не управлять, пусть работает по стандартной схеме. Хотя, ещё проще наверное, сделать 2 схемы - для малого и нормального входного напряжения и просто переключать их.
Ха! Ещё проще - сделать 2 обмотки и запитываться то с одной - то с другой, или складывать их через диоды.
Ну как-то так...
Нет проще повышающе/понижающий импульсный преобразователь (стабилизатор) SEPIC. Намного проще, надежней, им не надо управлять он сам по себе, без управления, обладает перечисленными вами свойствами.
 

КЭБ ЛМ Волгарь

капитан-лейтенант
Регистрация
13.11.2012
Сообщения
446
Карма
15
Город
Ульяновск
Имя
Александр
Лодка
нет
Мотор
Волгарь-9.9, Волгарь-15, Волгарь-18
Наверное мы про разное говорим. Я про преобразователь исключающий заряжающую катушку. Процессор то и у нас питается от осветительной катушки с 3В переменки (кажется), а вот преобразовать 3-5В в 90-150В для начала искрообразования наверное непросто сделать.
Кстати, в Ульяновске нашлись намотчики катушек и если есть рабочая схема, можно проговорить её производство. Как я понимаю, кроме катушки там никаких чудес?
 

daryinalexej

капитан 3-го ранга
Регистрация
28.07.2012
Сообщения
841
Карма
70
Возраст
44
Город
Домодедово
Имя
Алексей
Лодка
Южанка-2
Мотор
Вихрь 30
КЭБ ЛМ Волгарь сказал(а):
Наверное мы про разное говорим. Я про преобразователь исключающий заряжающую катушку. Процессор то и у нас питается от осветительной катушки с 3В переменки (кажется), а вот преобразовать 3-5В в 90-150В для начала искрообразования наверное непросто сделать.
Кстати, в Ульяновске нашлись намотчики катушек и если есть рабочая схема, можно проговорить её производство. Как я понимаю, кроме катушки там никаких чудес?
вторая страница, четвертое снизу сообщение.
 

КЭБ ЛМ Волгарь

капитан-лейтенант
Регистрация
13.11.2012
Сообщения
446
Карма
15
Город
Ульяновск
Имя
Александр
Лодка
нет
Мотор
Волгарь-9.9, Волгарь-15, Волгарь-18
Извиняюсь, Алексей. Запамятовал, что вопрос отвечен...
 

lapan

капитан-лейтенант
Регистрация
12.11.2011
Сообщения
377
Карма
29
Возраст
42
Имя
Павел
Лодка
ЯНТАРЬ-2 - 2 шт.
Мотор
Было:Нептун-23, Москва-9.5, Москва-М, Москва-12.5, Ветерок-8, гибрид-МосВет. Есть:M9.9, Ветерок 8Э
daryinalexej сказал(а):
Уважаемый КЭБ ЛМ Волгарь, вопрос- R1,R3 в схеме Вашего "СЭО-В" правда 10кОм или это опечатка, шутка и т.д.
из статьи КиА
V7 - стабилитрон Д814Д, КС213Ж.
V8 - любой маломощный кремниевый диод, например, Д223;
R1, R3 - резисторы МЛТ-0.25 30 Ом;
R2 - резистор МЛТ-0.25 200 Ом;
C1 - конденсатор C > 2000 мкф (чем больше, тем лучше), 16 V.

V1-V4 - это штатный выпрямитель "Вихрей" и "Нептунов" ВБГ-3А,
V5, V6 - любые тиристоры в корпусе ТО-220 с допустимым током 10~25 А и напряжением > 200 V,
во Владивостоке самыми дешевыми тиристорами, удовлетворяющими этим условиям,
оказались BT-151-500R фирмы "Phillips Semiconductors" стоимостью 19 руб/штука.
 

lapan

капитан-лейтенант
Регистрация
12.11.2011
Сообщения
377
Карма
29
Возраст
42
Имя
Павел
Лодка
ЯНТАРЬ-2 - 2 шт.
Мотор
Было:Нептун-23, Москва-9.5, Москва-М, Москва-12.5, Ветерок-8, гибрид-МосВет. Есть:M9.9, Ветерок 8Э
Вверх Снизу