aleksejiva

старшина 1ст.
Регистрация
04.01.2024
Сообщения
99
Карма
3
Город
Дмитров
Имя
Алексей
Лодка
волжанка 51
Мотор
suzuki df90
если этот конденсатор отсоеденить то мотор перестает на ключ реагировать да и в целом ни на что не реагирует .
 

Василий Любов

капитан 2-го ранга
Регистрация
23.10.2016
Сообщения
1 175
Карма
776
Возраст
52
Город
Чайковский, Пермский край
Имя
Василий
Лодка
Пассажир на лодке: К5М1
Мотор
Ковыряюсь по электронике: Тоха-25(30) 4т. Мерк-2,5 2т.

Василий Любов

капитан 2-го ранга
Регистрация
23.10.2016
Сообщения
1 175
Карма
776
Возраст
52
Город
Чайковский, Пермский край
Имя
Василий
Лодка
Пассажир на лодке: К5М1
Мотор
Ковыряюсь по электронике: Тоха-25(30) 4т. Мерк-2,5 2т.

_NickY_

капитан 3-го ранга
Регистрация
15.07.2019
Сообщения
955
Карма
236
Город
Москва
Имя
Никита
Лодка
Волжанка. Проект Малиновского
Мотор
Нептун 23

Василий Любов

капитан 2-го ранга
Регистрация
23.10.2016
Сообщения
1 175
Карма
776
Возраст
52
Город
Чайковский, Пермский край
Имя
Василий
Лодка
Пассажир на лодке: К5М1
Мотор
Ковыряюсь по электронике: Тоха-25(30) 4т. Мерк-2,5 2т.

aleksejiva

старшина 1ст.
Регистрация
04.01.2024
Сообщения
99
Карма
3
Город
Дмитров
Имя
Алексей
Лодка
волжанка 51
Мотор
suzuki df90

Василий Любов

капитан 2-го ранга
Регистрация
23.10.2016
Сообщения
1 175
Карма
776
Возраст
52
Город
Чайковский, Пермский край
Имя
Василий
Лодка
Пассажир на лодке: К5М1
Мотор
Ковыряюсь по электронике: Тоха-25(30) 4т. Мерк-2,5 2т.

Василий Любов

капитан 2-го ранга
Регистрация
23.10.2016
Сообщения
1 175
Карма
776
Возраст
52
Город
Чайковский, Пермский край
Имя
Василий
Лодка
Пассажир на лодке: К5М1
Мотор
Ковыряюсь по электронике: Тоха-25(30) 4т. Мерк-2,5 2т.
Ну вот чего бы сразу проверил.
Форсунки писькают, значит, всякие сенсоры и датчики положения как-то работают. Нет зажигания. Каждая катушка зажигания на 3 вывода: серый плюс, серо-желтый - управление и черный минус. Управление напрямую на ЭБУ, плюс на разъем-объединитель (Joint connector Gr, W), куда и форсунки подцеплены - значит, плюс есть. А вот минус катушек - на другой разъём-объединитель (Joint connector B) - минусовый. И верхний его вывод как раз на минусе ( корпусе). Контакт есть?
Я бы сдёрнул разъём с катушки и вызвонил черный на корпус. Каждую.

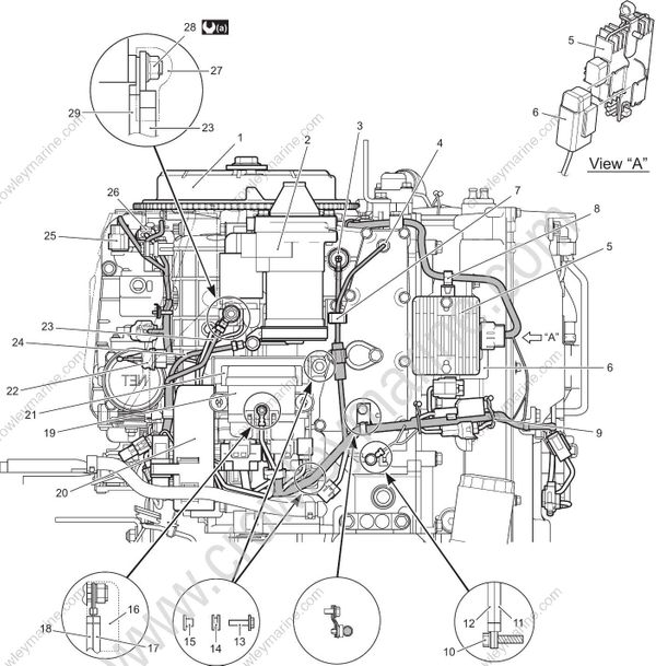
По поводу "конденсатора". На схеме необозначеный узел - прямоугольник над PTT relay. Другого ничего не нашел. Судя по "потрохам", какой-то выпрямитель или диодная развязка по питанию много чего питающий/питающая (CMP sensor. например). Да, конденсатор внутри есть. Чего там должно быть: положение ключа IG; на черно-зеленом плюс, черно-синем - плюс чуть меньше, черный жосско на корпусе. ))) Естественно, коннектор с этой штуки сняли - питаний нет - мотор молчит.

ЗЫ: схема - "выколи глаз...")))
 
Последнее редактирование:

aleksejiva

старшина 1ст.
Регистрация
04.01.2024
Сообщения
99
Карма
3
Город
Дмитров
Имя
Алексей
Лодка
волжанка 51
Мотор
suzuki df90
Истина где то рядом , сейчас начал крутить и смотреть сигналы на форсунках, на второй форсунке сигнал появляется один раз и пропадает совсем , на всех остальных сигналы разные где то мощнее где то слабее. Маховик относительно датчика коленвала ходит то вверх то вниз , видимо его не только свернуло со шпонки но и погнуло . Но единственное что не понятно почему с маховиком от донора не было тоже искры
 

aleksejiva

старшина 1ст.
Регистрация
04.01.2024
Сообщения
99
Карма
3
Город
Дмитров
Имя
Алексей
Лодка
волжанка 51
Мотор
suzuki df90
Истина где то рядом , сейчас начал крутить и смотреть сигналы на форсунках, на второй форсунке сигнал появляется один раз и пропадает совсем , на всех остальных сигналы разные где то мощнее где то слабее. Маховик относительно датчика коленвала ходит то вверх то вниз , видимо его не только свернуло со шпонки но и погнуло . Но единственное что не понятно почему с маховиком от донора не было тоже искры
На маховике фрезерованные окошки , видимо какое то из них пропускает движением вверх и вниз
 

Ярослав

капитан 1-го ранга
Регистрация
25.11.2012
Сообщения
2 998
Карма
1 059
Город
Чайковский
Имя
Ярослав
Лодка
Волжанка 46, Казанка 5м2
Мотор
Honda BF60, Yamaha 50
Маховик относительно датчика коленвала ходит то вверх то вниз
Маховик врядли погнуло, вот цапфу коленвала могло. Надо маховик снять и индикатором посмотреть биение в верхней части конуса посадочного.
 

Ярослав

капитан 1-го ранга
Регистрация
25.11.2012
Сообщения
2 998
Карма
1 059
Город
Чайковский
Имя
Ярослав
Лодка
Волжанка 46, Казанка 5м2
Мотор
Honda BF60, Yamaha 50
На маховике фрезерованные окошки , видимо какое то из них пропускает движением вверх и вниз
Это маловероятно, а вот "рыба" на осциллограмме от этого точно может быть.
 

_NickY_

капитан 3-го ранга
Регистрация
15.07.2019
Сообщения
955
Карма
236
Город
Москва
Имя
Никита
Лодка
Волжанка. Проект Малиновского
Мотор
Нептун 23
Маховик врядли погнуло, вот цапфу коленвала могло. Надо маховик снять и индикатором посмотреть биение в верхней части конуса посадочного.
Погнуло колено и не погнуло шатун, чудеса
 

aleksejiva

старшина 1ст.
Регистрация
04.01.2024
Сообщения
99
Карма
3
Город
Дмитров
Имя
Алексей
Лодка
волжанка 51
Мотор
suzuki df90

aleksejiva

старшина 1ст.
Регистрация
04.01.2024
Сообщения
99
Карма
3
Город
Дмитров
Имя
Алексей
Лодка
волжанка 51
Мотор
suzuki df90

_NickY_

капитан 3-го ранга
Регистрация
15.07.2019
Сообщения
955
Карма
236
Город
Москва
Имя
Никита
Лодка
Волжанка. Проект Малиновского
Мотор
Нептун 23
Фильтрация питания ЭБУ.
Истина где то рядом , сейчас начал крутить и смотреть сигналы на форсунках, на второй форсунке сигнал появляется один раз и пропадает совсем , на всех остальных сигналы разные где то мощнее где то слабее.
Не может конденсатор себя так проявлять?
 

_NickY_

капитан 3-го ранга
Регистрация
15.07.2019
Сообщения
955
Карма
236
Город
Москва
Имя
Никита
Лодка
Волжанка. Проект Малиновского
Мотор
Нептун 23
Кто же его знает
Это я Василию. Я все же настаиваю на замене проводки. Если у вас не было гидроудара то и деформаций коленвала быть не должно. Был у меня случай с моим мотором, абсолютно новое электронное зажигание которое либо работает либо нет работало 5 проворотов маховика и переставало, если дать ему отдохнуть пару минут то начинало работать так же раз 5-6. Причину так и не нашли
 

Ярослав

капитан 1-го ранга
Регистрация
25.11.2012
Сообщения
2 998
Карма
1 059
Город
Чайковский
Имя
Ярослав
Лодка
Волжанка 46, Казанка 5м2
Мотор
Honda BF60, Yamaha 50
на форсунке на второй так же появляется и пропадает сразу сигнал , и тишина
Еще предложение, покрутите мотор не стартером, чем угодно, шнурком, можно дрелью за гайку маховика. Естественно замок в положение вкл и крутим, смотрим искру и что на форсунках.
 
Вверх Снизу