Тугарин

капитан 1-го ранга
Регистрация
08.03.2015
Сообщения
26 188
Карма
12 212
Возраст
44
Город
Саратов - Рай
Имя
Александр сын Сергея
Лодка
П2, К, К5м, К5м4, К2м, Амур-д, ПрофМарин 350 нднд было, Обь-м НТ, ямаран т330, гулянка есть
Мотор
Ямахa 2, Вихрь 25,30, HDX T5, Меркурий 50ЕО, джонсон 70 было. Джонсон 15, Ямаха F25AEHT, Вихрь 30 есть

AuTuQu

капитан 3-го ранга
Регистрация
01.08.2019
Сообщения
592
Карма
430
Возраст
31
Город
Саратов
Имя
Сергей
Лодка
Волжанка 46 фиш
Мотор
Mercury F60 ELPT EFI
Ага, 700к за корыто без мотора. Которое еще не выдерешь зубами из диллера
Почему не выдерешь зубами? Какая проблема на этом этапе?
Я лично пришёл к дилеру в том году. Сказал какие заводские допы мне нужны (клотик, бак и тент), они посчитали. Единственное, платил за доставку. Но цену сказали сразу. Потом они позвонили, когда лодка пришла. Через несколько часов уже была готова к отдаче. Договорились на определённый день, я пришёл и мне её отдали. Ничего похожего на покупку машины не было (когда без допов дилера хрен купишь).
 

Douglas

мл. лейтенант
Регистрация
19.01.2021
Сообщения
213
Карма
50
Город
Москва
Имя
Константин
Лодка
VOLZHANKA 46 FISH 2021
Мотор
Yamaha F50AET карб.
Почему не выдерешь зубами? Какая проблема на этом этапе?
Я лично пришёл к дилеру в том году. Сказал какие заводские допы мне нужны (клотик, бак и тент), они посчитали. Единственное, платил за доставку. Но цену сказали сразу. Потом они позвонили, когда лодка пришла. Через несколько часов уже была готова к отдаче. Договорились на определённый день, я пришёл и мне её отдали. Ничего похожего на покупку машины не было (когда без допов дилера хрен купишь).
У меня тоже самое было, заказал купил, забрал, о чём выше речь не понятно, я из Москвы. но покупал в Тольятти, там есть дилер мотолодка Сергей зовут, обратитесь к дилеру в Тольятти не пожалеете если кому без допов надо. В прокатись.ру, меня действительно прокатили, сказав очередь до следующего года и типа какая цена будет никому неизвестно, позвонил в Тольятти, оплатил и через 3 месяца лодка была у меня по цене на сайте завода.
 

Redmon

ст. матрос
Регистрация
29.09.2021
Сообщения
35
Карма
19
Город
Великий Новгород
Лодка
Гидрик, лодки пока нет
Мотор
Нет лодки
Прокатись.ру, похоже, худший диллер в стране)) При том, что самый распиаренный.
 

Redmon

ст. матрос
Регистрация
29.09.2021
Сообщения
35
Карма
19
Город
Великий Новгород
Лодка
Гидрик, лодки пока нет
Мотор
Нет лодки
Но в любом случае волжанку я уже точно брать не буду, голое корыто за 500к, а с допами от завода -- 700к это перебор.
Я подбираю лодку в пределах 300-350 тысяч. Сейчас вот присматриваюсь к Неман 450 DC New
 

Tom367

матрос
Регистрация
20.09.2021
Сообщения
19
Карма
2
Город
СПБ
Имя
Артем
Лодка
НДНД
Мотор
Mercury F6M
Но в любом случае волжанку я уже точно брать не буду, голое корыто за 500к, а с допами от завода -- 700к это перебор.
Я подбираю лодку в пределах 300-350 тысяч. Сейчас вот присматриваюсь к Неман 450 DC New
поддерживаю, волжанка ушла в другой класс, смотрю windboat и realcraft у них хоть на выборе мотора можно уменьшить бюджет. жаль конечно, 360 тысяч за волжанку не жалко, она стоит этого, но больше..
 

AuTuQu

капитан 3-го ранга
Регистрация
01.08.2019
Сообщения
592
Карма
430
Возраст
31
Город
Саратов
Имя
Сергей
Лодка
Волжанка 46 фиш
Мотор
Mercury F60 ELPT EFI
Но в любом случае волжанку я уже точно брать не буду, голое корыто за 500к, а с допами от завода -- 700к это перебор.
Я подбираю лодку в пределах 300-350 тысяч. Сейчас вот присматриваюсь к Неман 450 DC New
Ещё можно посмотреть ORIONBOAT 46FISH https://orionboat.com/lodki-i-katera/orionboat-46fish
Они тоже пока цены не повысили
 

Redmon

ст. матрос
Регистрация
29.09.2021
Сообщения
35
Карма
19
Город
Великий Новгород
Лодка
Гидрик, лодки пока нет
Мотор
Нет лодки
Ещё можно посмотреть ORIONBOAT 46FISH https://orionboat.com/lodki-i-katera/orionboat-46fish
Они тоже пока цены не повысили
Заходил к ним на оф сайт, да. связался в вотсапе. Спросили только из какого я города, я ответил, а дальше они пропали и больше не отвечают. Попробую сейчас на сайте оформить заказ, может очнутся и свяжутся со мной...

Расскажу, что узнаю.
 

Ярослав

капитан 1-го ранга
Регистрация
25.11.2012
Сообщения
2 950
Карма
1 042
Город
Чайковский
Имя
Ярослав
Лодка
Волжанка 46, Казанка 5м2
Мотор
Honda BF60, Yamaha 50
пришёл к дилеру в том году.
Точно так же, пришел в ноябре. В конце февраля менеджер позвонил и сообщил, что лодка готова на заводе. В конце марта забрал у дилера, Ямаха-центр г. Ижевск.
 

AuTuQu

капитан 3-го ранга
Регистрация
01.08.2019
Сообщения
592
Карма
430
Возраст
31
Город
Саратов
Имя
Сергей
Лодка
Волжанка 46 фиш
Мотор
Mercury F60 ELPT EFI
Прокатись.ру, похоже, худший диллер в стране)) При том, что самый распиаренный.
Похоже теперь не мне одному интересно, что они говорили по этому поводу. Навязывали свои дилерские допы?
 

Redmon

ст. матрос
Регистрация
29.09.2021
Сообщения
35
Карма
19
Город
Великий Новгород
Лодка
Гидрик, лодки пока нет
Мотор
Нет лодки
Похоже теперь не мне одному интересно, что они говорили по этому поводу. Навязывали свои дилерские допы?
Динамили.

Первый раз я с ними связался в июле. Сказали звоните в сентябре. Дождался, звоню. В сентябре они заявляют - звоните в октябре. В конце сентбяря - просто перестают отвечать, полный игнор. И при оформлении заказа на их же сайте, и в вотсапе, везде. Пишу "Есть контакт?". Сообщения прочитаны, и молчание. Контакты официальные с их же сайта. И, конечно, по сформированному заказу они так и не перезвонили.

Короче, сначала просто "прокатывали", зная видимо, что будет подорожание. Потом вообще забили на клиента ,потому что мне не нужен их комплект за 1,5 мульта, а я хотел голую лодку.

В общем, у них там в роликах показывают лодки по 5 мульта с какими-то космическими наворотами, словно это не лодка, а шаттл, и видимо у них позиция продавать богатым москвичам такое. А голые за, по их мнению, копейки - не интересно.

Ну и вот этот диалог под их роликом вообще добил, еще и идиотом попытались выставить (и терли комменты). Ролик тут:
 

Вложения

Последнее редактирование:

Douglas

мл. лейтенант
Регистрация
19.01.2021
Сообщения
213
Карма
50
Город
Москва
Имя
Константин
Лодка
VOLZHANKA 46 FISH 2021
Мотор
Yamaha F50AET карб.
Похоже теперь не мне одному интересно, что они говорили по этому поводу. Навязывали свои дилерские допы?
Просто динамят у них много клиентов на комплектные лодки, голые им нет смысла видимо продавать, дилер отстой подтверждаю, сколько не обращался ни по запчастям не помогут ни соответственно по лодкам.
Зачем Вам прокатись если вы в других городах?
Почти в каждом городе есть дилер и работают намного лучше, почему многие считают что в Москве что то по иному, тут всё так же как у всех, клиентов с деньгами может в процентном отношении чуть больше, остальное тоже самое, а зачастую и хуже.
Ну в общем я рад что успел, но мотор из Японии ни кому не советую, говно говном весь засран солью.
 

mura555555

капитан 1-го ранга
Регистрация
24.08.2015
Сообщения
29 830
Карма
8 738
Возраст
42
Город
Ратомка Беларусь
Имя
Андрей
Лодка
Нырок2(был)Кефаль(была) плоскадонка дерево (была)калибри330 (была)прогресс2м(был)Афалина 460
Мотор
ветер8,12(умер на троллинге) стрела( была переделана первая на гибрид)ветерок гибрид, вихрь30 хонда40а(была),вихрь25 Mariner60 bigfoot

Redmon

ст. матрос
Регистрация
29.09.2021
Сообщения
35
Карма
19
Город
Великий Новгород
Лодка
Гидрик, лодки пока нет
Мотор
Нет лодки
Созвонился с Орионбот. Приятный мужик там оказался, мило побеседовали.

Из интересного
В месяц делают около 20 лодок, сам говорит, что они небольшое производство
Орионбот 46 придумали всего год назад, лодка новая
Собственную сварку оценивают на "четверку" (какие-то эксперты, мол, приходили смотрели)
Уверяют, что Орионбот это не то же что Волжанка, внешне похоже, но по всему прям разные лодки конструктивно
Есть вариант беспроцентной рассрочки через сбербанк на пустой корпус, который на сайте стоит за 224 тысячи. Но это именно прям совсем пустое корыто,, без топливной системы, рулевого, электрики, без нифига, короче. Но, наверное, это самое доступное пустое корыто в этом типаразмере на рынке. Отдать могут по рассрочке без проблем. Остальные довески, чтобы превратить корыто в лодку, можно отдельно налом, полная лодка по его словам будет 350-360 тыщ.
Предоплата, если без рассрочки банка, то 5 000 руб, и понеслась душа в рай. Производство до двух месяцев.
Оклейка пленкой бесплатно, окраска - 13к снаружи, столько же внутри.
Доставка в районе 23к до новгорода, можно и самому забрать, конечно

Не знаю-не знаю... Задумался. По ощущениям, Вятбот и их лодки Неман более проверенные что ли, более большое производство.
Но тут условия интересные с банком.

Ну да, собрал у них на сайте полную лодку в конфигураторе, получилось 410 тыщ. Почти в два раза больше от стандарта)
 

Вложения

Последнее редактирование:

Тугарин

капитан 1-го ранга
Регистрация
08.03.2015
Сообщения
26 188
Карма
12 212
Возраст
44
Город
Саратов - Рай
Имя
Александр сын Сергея
Лодка
П2, К, К5м, К5м4, К2м, Амур-д, ПрофМарин 350 нднд было, Обь-м НТ, ямаран т330, гулянка есть
Мотор
Ямахa 2, Вихрь 25,30, HDX T5, Меркурий 50ЕО, джонсон 70 было. Джонсон 15, Ямаха F25AEHT, Вихрь 30 есть

Redmon

ст. матрос
Регистрация
29.09.2021
Сообщения
35
Карма
19
Город
Великий Новгород
Лодка
Гидрик, лодки пока нет
Мотор
Нет лодки

Redmon

ст. матрос
Регистрация
29.09.2021
Сообщения
35
Карма
19
Город
Великий Новгород
Лодка
Гидрик, лодки пока нет
Мотор
Нет лодки
Чё лучше-то - Орионбот 46 или Неман 450 DC New? ))
 

Тугарин

капитан 1-го ранга
Регистрация
08.03.2015
Сообщения
26 188
Карма
12 212
Возраст
44
Город
Саратов - Рай
Имя
Александр сын Сергея
Лодка
П2, К, К5м, К5м4, К2м, Амур-д, ПрофМарин 350 нднд было, Обь-м НТ, ямаран т330, гулянка есть
Мотор
Ямахa 2, Вихрь 25,30, HDX T5, Меркурий 50ЕО, джонсон 70 было. Джонсон 15, Ямаха F25AEHT, Вихрь 30 есть
Чё лучше-то - Орионбот 46 или Неман 450 DC New? ))
Орион красивее, но меньше, его длина без кринолинов 4300, имей это ввиду.
Неман чуть больше, дешевле и грубее выглядит
 

Шустрый

капитан 1-го ранга
Регистрация
03.11.2016
Сообщения
8 463
Карма
3 238
Город
Сызрань
Имя
Александр
Лодка
Орионбот-48 ФИШ
Мотор
Ямаха-80.
Чё лучше-то - Орионбот 46 или Неман 450 DC New? ))
До сих пор еще не понял?Если берешь Орионбот-денег выложишь больше,нежели за Неман,у которого те допы,за которые платишь Ориону-у Немена уже в стоке.
 

AuTuQu

капитан 3-го ранга
Регистрация
01.08.2019
Сообщения
592
Карма
430
Возраст
31
Город
Саратов
Имя
Сергей
Лодка
Волжанка 46 фиш
Мотор
Mercury F60 ELPT EFI
Их лет 5 делают.:hahaha:
Посмотри темы по ним на нашем форуме
Да, это странно. Но вот, что сказал, то и пересказываю. За что купил, как грица. Хер знает.
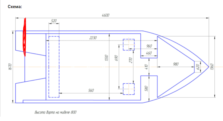
Это другая 46ая. Её реально в том сентябре только начали выпускать. Я когда свою заказывал - эта у них только появилась.
А прикол в ней такой, что она честные 4,6.
Вот схема их старой 46ой (с их же сайта). Размер считался с кринолинами
215209
Вот схема "новой 46ой"на которую я ссылку кидал. Тут уже размер считается до транца.
215210
Да и по обводам это совершенно другая лодка
 

AuTuQu

капитан 3-го ранга
Регистрация
01.08.2019
Сообщения
592
Карма
430
Возраст
31
Город
Саратов
Имя
Сергей
Лодка
Волжанка 46 фиш
Мотор
Mercury F60 ELPT EFI
Орион красивее, но меньше, его длина без кринолинов 4300, имей это ввиду.
Неман чуть больше, дешевле и грубее выглядит
Получается не меньше. Эта честные 4,6
Ну да, собрал у них на сайте полную лодку в конфигураторе, получилось 410 тыщ. Почти в два раза больше от стандарта)
Нужно идентичные комплектации смотреть. Думаю орион будет примерно на 60 тысяч дороже немана
 
Последнее редактирование:

Шустрый

капитан 1-го ранга
Регистрация
03.11.2016
Сообщения
8 463
Карма
3 238
Город
Сызрань
Имя
Александр
Лодка
Орионбот-48 ФИШ
Мотор
Ямаха-80.
Получается не меньше. Эта честные 4,6
Ты не прав!У них-даже кринолины,которые и создают габаритный размер 460-за деньги.И стоит это удовольствие-6000 руб.Посмотри сам-на сайте завода.
А комплектации я сравнивал.У Немана 500 получается 410 тыс,у Орионбота-489 тыс!Разница поболе,чем 60 тыс!
Виноват!Разница-более ста тысяч!Пересчитал только сейчас.Получилось-Орион-518 тыс,А Неман-406 тыс.
 

AuTuQu

капитан 3-го ранга
Регистрация
01.08.2019
Сообщения
592
Карма
430
Возраст
31
Город
Саратов
Имя
Сергей
Лодка
Волжанка 46 фиш
Мотор
Mercury F60 ELPT EFI
Ты не прав!У них-даже кринолины,которые и создают габаритный размер 460-за деньги.
Так та, которую я скидывал 4.6 без кринолинов считается. У них это даже на схеме видно. Это новая лодка. Год выпускается. А старая да, с кринолинами считалась, но про неё и не говорим.

А комплектации я сравнивал.У Немана 500 получается 410 тыс,у Орионбота-489 тыс!Разница поболе,чем 60 тыс!
Виноват!Разница-более ста тысяч!Пересчитал только сейчас.Получилось-Орион-518 тыс,А Неман-406 тыс.
Тут наверное смотря что нужно.
Берём список который сверху собрал Redmon
И теперь комплектуем Неман
215221

А Неман это стандарт (297 000) + Леера 4000, тент 30 000 + мягкий диван 10 000. Получаем 341 000. Против 410 000. Разница 69 000.
Ошибся я на 9 тысяч
215222
 

Redmon

ст. матрос
Регистрация
29.09.2021
Сообщения
35
Карма
19
Город
Великий Новгород
Лодка
Гидрик, лодки пока нет
Мотор
Нет лодки

Вот это жесть....

И комменты - зачитаться можно.
 
Вверх Снизу