Александр60

гл. старшина
Регистрация
13.10.2013
Сообщения
106
Карма
3
Имя
Александр
Лодка
Казанка , Прогресс.
Мотор
Вихри.
Re: Зажигание на Москве м

[quote="bigserpent"[/media]z6B81ICwSik[/quote]
Металлические щелчки, (в конце ролика) - они по-моему и есть пропуски в работе цилиндра, у меня верхнего(пробовал со снятой свечей). На мой взгляд, это воспламенение смеси в картере(затяжное горение слишком обедненной смеси воспламеняет свежую порцию в момент открытия продувочных окон)????
 

bigserpent

гл. кор. старшина
Регистрация
01.04.2013
Сообщения
131
Карма
8
Имя
владимир
Лодка
барк
Мотор
москва
Re: Зажигание на Москве м

Александр60 сказал(а):
[quote="bigserpent"[/media]z6B81ICwSik
Металлические щелчки, (в конце ролика) - они по-моему и есть пропуски в работе цилиндра, у меня верхнего(пробовал со снятой свечей). На мой взгляд, это воспламенение смеси в картере(затяжное горение слишком обедненной смеси воспламеняет свежую порцию в момент открытия продувочных окон)????[/quote]
Нет. Двигатель просто глушил сдвигая угол опережения зажигания в минус.
 

Evgeniy

капитан 3-го ранга
Регистрация
02.01.2011
Сообщения
506
Карма
13
Возраст
45
Город
Вологодская обл. г.Сокол
Имя
Евгений
Лодка
Надувнуха продана, Днепр продан, Ладога 1 продана, Флагман 380К продан, Кайман-400
Мотор
Honda BF50A, Вихрь-30, Ветерок-8М, Салют-Э
Re: Зажигание на Москве м

а вакуум для дроссельной заслонки где брал?
 

bigserpent

гл. кор. старшина
Регистрация
01.04.2013
Сообщения
131
Карма
8
Имя
владимир
Лодка
барк
Мотор
москва
Re: Зажигание на Москве м

Там в карбюраторе все внутри.
 

bigserpent

гл. кор. старшина
Регистрация
01.04.2013
Сообщения
131
Карма
8
Имя
владимир
Лодка
барк
Мотор
москва
Re: Зажигание на Москве м

Единственное, убрал систему обогащения смеси при холодном двигателе. Она там электрическая.
 

Evgeniy

капитан 3-го ранга
Регистрация
02.01.2011
Сообщения
506
Карма
13
Возраст
45
Город
Вологодская обл. г.Сокол
Имя
Евгений
Лодка
Надувнуха продана, Днепр продан, Ладога 1 продана, Флагман 380К продан, Кайман-400
Мотор
Honda BF50A, Вихрь-30, Ветерок-8М, Салют-Э
Re: Зажигание на Москве м

с жиклерами делал что нибудь?
 

Александр60

гл. старшина
Регистрация
13.10.2013
Сообщения
106
Карма
3
Имя
Александр
Лодка
Казанка , Прогресс.
Мотор
Вихри.
Re: Зажигание на Москве м

bigserpent сказал(а):
Александр60 сказал(а):
[quote="bigserpent"[/media]z6B81ICwSik
Металлические щелчки, (в конце ролика) - они по-моему и есть пропуски в работе цилиндра, у меня верхнего(пробовал со снятой свечей). На мой взгляд, это воспламенение смеси в картере(затяжное горение слишком обедненной смеси воспламеняет свежую порцию в момент открытия продувочных окон)????
Нет. Двигатель просто глушил сдвигая угол опережения зажигания в минус.[/quote]
Может и так, только хочу вот сказать: - почему то нечестны мы перед собой, болезнь "Ветерков": - я их два изъездил, - переход на малые - отказ верхнего цилиндра, добавил топлива, прохватил когда - некогда второй. Ели в момент холостого хода - оборвало шпонку. Ну вообщем пошлая любовь с пляской.
Про Москву пока такого сказать не могу, потому как всего первый сезон эксплуатирую.
 

masyak

ст. лейтенант
Регистрация
02.06.2012
Сообщения
333
Карма
11
Возраст
54
Город
Ижевск
Имя
Евгений
Лодка
Корсар 335
Мотор
Москва,Москва-М,Москва 12.5
Re: Зажигание на Москве м

masyak сказал(а):
Купил вот такие катушки,сразу с подобием схемы №3,сегодня буду пробовать.Под маховиком будут катушки взятые от зажигания МБ2.
Отчитаюсь по катушкам.Жил неделю на р.Белой,мотор эксплуатировал в разное время суток температура была от 0 до +10 к катушкам претензий не имею :) За все дни ни разу не лазил под колпак. Уже прикупил такие же катухи на второй моторчег,хотя там у меня нормально пашет схема №3.Жаль ветровский маховик забыл в гараже.хотел еще с ним попробовать.
 

МОСКВОВОД

лейтенант
Регистрация
21.03.2013
Сообщения
274
Карма
7
Город
Питер
Лодка
Казанка
Мотор
Москва м
Re: Зажигание на Москве м

При запуске иногда появляется обратная отдача, рывок. Запускается почти с пол оборота. Но и не заглушить. (может иглу опустить?)Так понимаю нужна корректировка зажигания. Стоит электро и к36 карб. В какую сторону сдвигать зажигу, если смотреть сверху. Т.е. закручивать или откручивать гайку на поводке зажигания? Предполагаю из-за обратного рывка крайний раз провернуло крыльчатку. Стояла нового образца. Также вопрос тем кто уже пользовался - в какую сторону смещать при использовании 92 бензина?
 

sergey081965

капитан 1-го ранга
Регистрация
10.04.2011
Сообщения
4 323
Карма
508
Город
Мурманская область
Имя
Сергей
Лодка
Флагман-420
Мотор
Москва-10,5, Ямаха-30.
Re: Зажигание на Москве м

Подумай сам: если повернуть зажигу НАВСТРЕЧУ вращению маховика - зажигание станет "более ранним", если зажигу повернуть ВСЛЕД вращению - сдвинешь зажигание в "позднюю" сторону. или прикинь, куда поворачивается зажига при увеличении оборотов - в сторону ОПЕРЕЖЕНИЯ.
ЗЫ: в твоем случае (бьет в руку) нужно сдвигать зажигу в "позднюю" сторону.
 

seva

старшина 1ст.
Регистрация
30.07.2012
Сообщения
93
Карма
6
Возраст
53
Город
г.Москва
Имя
Александр
Лодка
Катамаран "Альбатрос", самодельная лодка "Бесенок"
Мотор
Москва 10, Нептун 23
Re: Зажигание на Москве м

МОСКВОВОД сказал(а):
При запуске иногда появляется обратная отдача, рывок. Запускается почти с пол оборота. Но и не заглушить. (может иглу опустить?)Так понимаю нужна корректировка зажигания. Стоит электро и к36 карб. В какую сторону сдвигать зажигу, если смотреть сверху. Т.е. закручивать или откручивать гайку на поводке зажигания? Предполагаю из-за обратного рывка крайний раз провернуло крыльчатку. Стояла нового образца. Также вопрос тем кто уже пользовался - в какую сторону смещать при использовании 92 бензина?
Все верно "sergey081965" говорит, смещай зажигание навстречу маховику. Я с этим сталкивался в этом году при установке электроники "КИТ" на свою Мосю 10. Делал простой моментоском и искал наивыгоднейший УОЗ 38-40грд.
 

shalagin

капитан 1-го ранга
Регистрация
05.08.2012
Сообщения
1 806
Карма
256
Город
г.Сыктывкар
Имя
Сергей
Мотор
Ветерок-8м
Re: Зажигание на Москве м

МОСКВОВОД сказал(а):
При запуске иногда появляется обратная отдача, рывок. Запускается почти с пол оборота. Но и не заглушить. (может иглу опустить?)Так понимаю нужна корректировка зажигания. Стоит электро и к36 карб. В какую сторону сдвигать зажигу, если смотреть сверху. Т.е. закручивать или откручивать гайку на поводке зажигания? Предполагаю из-за обратного рывка крайний раз провернуло крыльчатку. Стояла нового образца. Также вопрос тем кто уже пользовался - в какую сторону смещать при использовании 92 бензина?
Всё правильно пишут .....Однако перед тем как что-то крутить, надо проверить максимальный УОЗ при полностью открытой дроссельной заслонке. По паспорту Москвы он равен 42 градуса, его уменьшать нельзя, и если же уменьшить, то зажигание станет поздним и снизится макс. мощность. Если УОЗ в норме, то причина в кинематике управления газ-УОЗ, её несоответсвие, при запуске (малый газ) у вас раннее зажигание (слишком большой УОЗ)....При использовании 92 бензина обычно делают зажигание пораньше, т.е. максимальный УОЗ больше на 2-3 градуса.
 

sergey081965

капитан 1-го ранга
Регистрация
10.04.2011
Сообщения
4 323
Карма
508
Город
Мурманская область
Имя
Сергей
Лодка
Флагман-420
Мотор
Москва-10,5, Ямаха-30.
Re: Зажигание на Москве м

Александр(seva) - если при запуске бьет отдача в руку, значит, зажигание раннее,; надо сделать его более поздним, т.е. основание зажиги надо повернуть ПО ХОДУ(по направлению вращения) маховика. а вот на какой именно угол повернуть - тут вам моментоскопы и стробоскопы в помощь. правда, что на мотоцикле, что на М-М я крутил "на глазок". не буду утверждать, что зажигание было выставлено идеально, но меня устраивало вполне, потом годами не трогал зажигу.
 

МОСКВОВОД

лейтенант
Регистрация
21.03.2013
Сообщения
274
Карма
7
Город
Питер
Лодка
Казанка
Мотор
Москва м
Re: Зажигание на Москве м

Большое спасибо за исчерпывающие ответы. Завтра проверю в тёплых условиях.
 

seva

старшина 1ст.
Регистрация
30.07.2012
Сообщения
93
Карма
6
Возраст
53
Город
г.Москва
Имя
Александр
Лодка
Катамаран "Альбатрос", самодельная лодка "Бесенок"
Мотор
Москва 10, Нептун 23
Re: Зажигание на Москве м

sergey081965 сказал(а):
Александр(seva) - если при запуске бьет отдача в руку, значит, зажигание раннее,; надо сделать его более поздним, т.е. основание зажиги надо повернуть ПО ХОДУ(по направлению вращения) маховика.
Прошу прощения, конечно же ты прав. ОписАлся. :roll:
 

МОСКВОВОД

лейтенант
Регистрация
21.03.2013
Сообщения
274
Карма
7
Город
Питер
Лодка
Казанка
Мотор
Москва м
Re: Зажигание на Москве м

Проверил - а крутить гайку уже некуда. На самом краю тяги. Да, свечи оказались беленькие... смесь бедная. Или из-за зажигания? Думаю ставить свечи А14.
 

sergey081965

капитан 1-го ранга
Регистрация
10.04.2011
Сообщения
4 323
Карма
508
Город
Мурманская область
Имя
Сергей
Лодка
Флагман-420
Мотор
Москва-10,5, Ямаха-30.
Re: Зажигание на Москве м

А тягу удлинить(нарастить, заменить) - никак? бьет в руку - признак раннего зажигания, бесспорно. Со свечами А14 Москву не юзал. Несколько лет пользуюсь свечами А11(Уфа)- без замечаний.
 

МОСКВОВОД

лейтенант
Регистрация
21.03.2013
Сообщения
274
Карма
7
Город
Питер
Лодка
Казанка
Мотор
Москва м
Re: Зажигание на Москве м

Думаю заменить. Свечи тоже 11, только Энгельс.
 

masyak

ст. лейтенант
Регистрация
02.06.2012
Сообщения
333
Карма
11
Возраст
54
Город
Ижевск
Имя
Евгений
Лодка
Корсар 335
Мотор
Москва,Москва-М,Москва 12.5
Re: Зажигание на Москве м

Катушки от МБ-2,подходят без перемотки для работы со схемой №3 и так же работают с китаекатушками + CDI. Катушки кетай как на 1 фото.
 

Вложения

pollop

капитан-лейтенант
Регистрация
05.04.2013
Сообщения
436
Карма
1
Город
Минск
Имя
паша
Лодка
охотничья, самиздат картоп Сидельникова 3,7м
Мотор
прибой
Re: Зажигание на Москве м

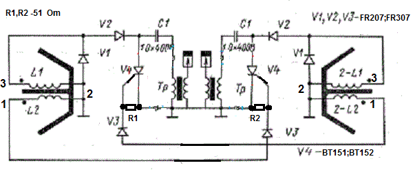
здравствуйте уважаемые электрики электронщики. достались мне катушки от трехфазного электросчетчика подскажите пожалуйста что с ними нужно делать, как зарабатывать чтобы установить электронное зажигание по схеме ниже. есть ли можно объясните самым простым и доступным языком просто я в электронике не разбираюсь
 

Вложения

нордик301

капитан 1-го ранга
Регистрация
22.10.2011
Сообщения
2 202
Карма
340
Возраст
72
Город
Алтайский край
Имя
Анатолий Ильич
Лодка
Нордик -300 (был ) , самодельная кастрюля -"люмишка " Солар-380
Мотор
"Мелкомоськи , "В-8 " , "Ямаха 9,9 GMHS"

pollop

капитан-лейтенант
Регистрация
05.04.2013
Сообщения
436
Карма
1
Город
Минск
Имя
паша
Лодка
охотничья, самиздат картоп Сидельникова 3,7м
Мотор
прибой
Re: Зажигание на Москве м

Да этот форум я читал, вопрос в том можно ли на катушке оставить этот прово и сколько витков его оставить? Он ведь толще, или это не принципиально?
 

нордик301

капитан 1-го ранга
Регистрация
22.10.2011
Сообщения
2 202
Карма
340
Возраст
72
Город
Алтайский край
Имя
Анатолий Ильич
Лодка
Нордик -300 (был ) , самодельная кастрюля -"люмишка " Солар-380
Мотор
"Мелкомоськи , "В-8 " , "Ямаха 9,9 GMHS"
Re: Зажигание на Москве м

pollop сказал(а):
Да этот форум я читал, вопрос в том можно ли на катушке оставить этот прово и сколько витков его оставить? Он ведь толще, или это не принципиально?
+++ Провод оставляй этот -- все пойдет. Там таблица по виткам , сопротивлению обмоток , направлению намотки . Выдерживай строго все рекомендации и будет счастье .
 

Avilchi

мл. лейтенант
Регистрация
21.12.2014
Сообщения
215
Карма
6
Возраст
67
Город
Краматорск , Украина
Имя
Александр
Лодка
Колибри КМ-300
Мотор
Прибой 5 ,Parsun 2.6
Re: Зажигание на Москве м

В этой теме упоминался карбюратора со скутера.Не советую с ним связываться.Этот карбюратор вакуумник,т.е. ручкой газа на румпеле вы поворачиваете заслонку в карбюраторе. Создается разрежение над диафрагмой,а уже после этого разрежением приподымает диафрагму с иглой ,регулирующей подачу топлива. Применяется в четырехтактном двигателе. А там компрессия побольше. Добиться совпадения всех параметров ,а именно компресии-разрежения,диаметра диффузора и размера гл.жиклера очень сложно. Не нужно лишний раз трахать себе моск! Хотите поэкспериментировать,так купите себе карб на минский мотоцикл типа Pacco,К-2401 или китайский аналоХ и будет вам щастя . :)
 
Вверх Снизу