Crook
старшина 1ст.
- Регистрация
- 25.05.2012
- Сообщения
- 84
- Карма
- 2
- Имя
- Евгений
- Лодка
- Прогресс-2
- Мотор
- Вихрь-25
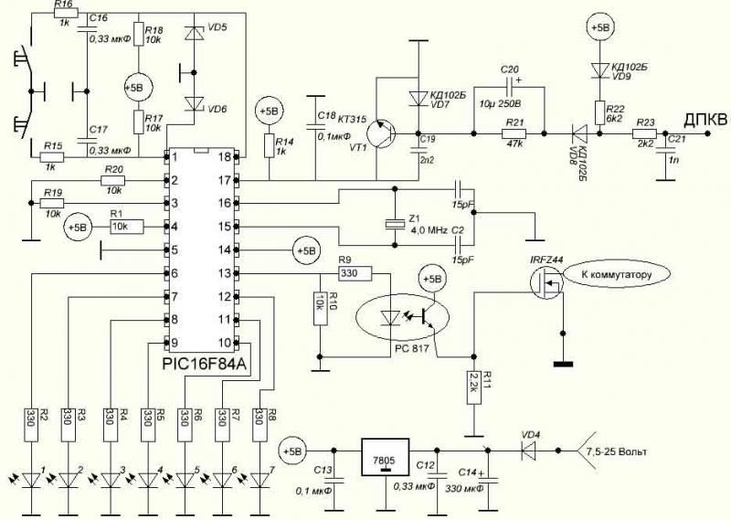
Re: Микропроцессорное зажигание на вихрь
Roman-i7, можно дурацкий вопрос? А какой смысл в нескольких кривых УОЗ? УОЗ же функция от количества оборотов, а какая нагрузка на валу - это уже вопрос третий. Или я не правильно мыслю? И еще, почувствует ли мотор разницу между кривыми? Моему например пофиг, если основание магнето чуток покрутить туда-сюда...
Roman-i7, можно дурацкий вопрос? А какой смысл в нескольких кривых УОЗ? УОЗ же функция от количества оборотов, а какая нагрузка на валу - это уже вопрос третий. Или я не правильно мыслю? И еще, почувствует ли мотор разницу между кривыми? Моему например пофиг, если основание магнето чуток покрутить туда-сюда...


