Каланчин

капитан 1-го ранга
Регистрация
17.07.2011
Сообщения
1 748
Карма
80
Город
Новосибирск
Имя
Владимир
Лодка
Самоделка джонбот
Мотор
Вихрь-30, 25 - 2 шт.
Re: Батарейное зажигание для Вихря.

На 131 уже стоит ограничитель-формирователь сигнала.

А на восмёрошном, под ДХ этого каскада нет.
 

Вложения

Алехандрэ

мл. лейтенант
Регистрация
29.11.2011
Сообщения
244
Карма
9
Возраст
47
Имя
Александр
Лодка
Крым
Мотор
HDX-30 Вихрь30
Re: Батарейное зажигание для Вихря.

Я имел ввиду схему подключения коммутатора к двигателю.
 

Каланчин

капитан 1-го ранга
Регистрация
17.07.2011
Сообщения
1 748
Карма
80
Город
Новосибирск
Имя
Владимир
Лодка
Самоделка джонбот
Мотор
Вихрь-30, 25 - 2 шт.
Re: Батарейное зажигание для Вихря.

Алехандрэ сказал(а):
Я в электрике не бум-бум,чё там куда поять это не про меня :) проще купить и поставить готовое. На фото которое я выкладывал схема правильная?
На фото правельно, да и на других не ошибёшся , там буквенные обозначения.
Д - датчик, + - плюс питания, К или КЗ - катушка зажигания (бобина).
 

Алехандрэ

мл. лейтенант
Регистрация
29.11.2011
Сообщения
244
Карма
9
Возраст
47
Имя
Александр
Лодка
Крым
Мотор
HDX-30 Вихрь30
Re: Батарейное зажигание для Вихря.

Спасибо!
 

Алехандрэ

мл. лейтенант
Регистрация
29.11.2011
Сообщения
244
Карма
9
Возраст
47
Имя
Александр
Лодка
Крым
Мотор
HDX-30 Вихрь30
Re: Батарейное зажигание для Вихря.

А такой пойдёт? Или к нему то-же вариатор нужно? Я других в магазинах чё-та не нашёл.
 

Вложения

Каланчин

капитан 1-го ранга
Регистрация
17.07.2011
Сообщения
1 748
Карма
80
Город
Новосибирск
Имя
Владимир
Лодка
Самоделка джонбот
Мотор
Вихрь-30, 25 - 2 шт.
Re: Батарейное зажигание для Вихря.

132.3774-01 считается аналогом ТК-102 которму необходим вариатор.
Более точно можно определить сняв коробку,
при наличии микросхемы отподает необходимости в вариаторе.
Вообще я с опаской отношусь к изделиям " Подвал и КО",
Предпочитаю "Старый Оскол", накололся с восмёрошным,
купил чтоб над микросхемой поиздеваться а оказался транзисторный.
 

sarin nos

капитан 3-го ранга
Регистрация
29.04.2010
Сообщения
917
Карма
20
Возраст
56
Город
г.Вытегра
Лодка
Прогресс 4
Мотор
Вихрь-М, 30; Москва-25, 30
Re: Батарейное зажигание для Вихря.

а по датчику коленвала кто нибудь знает выходы? там 1 ,2 ,3. ну два от обмотки,а еще один зачем?
 

Алехандрэ

мл. лейтенант
Регистрация
29.11.2011
Сообщения
244
Карма
9
Возраст
47
Имя
Александр
Лодка
Крым
Мотор
HDX-30 Вихрь30
Re: Батарейное зажигание для Вихря.

Ты наверное ошибся с датчиками у датчика колен вала 2 выхода мне сначала в магазине то-же продали датчик фаз у него 3 выхода.
 

Вложения

sarin nos

капитан 3-го ранга
Регистрация
29.04.2010
Сообщения
917
Карма
20
Возраст
56
Город
г.Вытегра
Лодка
Прогресс 4
Мотор
Вихрь-М, 30; Москва-25, 30
Re: Батарейное зажигание для Вихря.

почему ошибся? у меня датчик коленвала 23.3847. провод 60см и колодка с тремя выводами.
 

Каланчин

капитан 1-го ранга
Регистрация
17.07.2011
Сообщения
1 748
Карма
80
Город
Новосибирск
Имя
Владимир
Лодка
Самоделка джонбот
Мотор
Вихрь-30, 25 - 2 шт.

Каланчин

капитан 1-го ранга
Регистрация
17.07.2011
Сообщения
1 748
Карма
80
Город
Новосибирск
Имя
Владимир
Лодка
Самоделка джонбот
Мотор
Вихрь-30, 25 - 2 шт.
Re: Батарейное зажигание для Вихря.

А ларчик просто открывался.
Экранирующая обмотка на массу, для изоляции от помех с ВВ провода.
 

igorM_

лейтенант
Регистрация
02.09.2010
Сообщения
255
Карма
9
Город
Измаил, Украина
Имя
Игорь
Лодка
МКМ
Мотор
Вихрь30,СУЗА15
Re: Батарейное зажигание для Вихря.

Датчик лучше все-таки ставить снаружи в ущерб компактности. Зарядные катушки могут влиять на него, если стоит внутри магнето, и не поймешь, в чем проблема.
 

Алехандрэ

мл. лейтенант
Регистрация
29.11.2011
Сообщения
244
Карма
9
Возраст
47
Имя
Александр
Лодка
Крым
Мотор
HDX-30 Вихрь30
Re: Батарейное зажигание для Вихря.

Это кому как у меня внутри ни магнитов ни катушек!!!
 

sarin nos

капитан 3-го ранга
Регистрация
29.04.2010
Сообщения
917
Карма
20
Возраст
56
Город
г.Вытегра
Лодка
Прогресс 4
Мотор
Вихрь-М, 30; Москва-25, 30
Re: Батарейное зажигание для Вихря.

подождите,мой датчик 23.3847 с тремя выводами годится или нет? я то снаружи буду лепить на москву
 

igorM_

лейтенант
Регистрация
02.09.2010
Сообщения
255
Карма
9
Город
Измаил, Украина
Имя
Игорь
Лодка
МКМ
Мотор
Вихрь30,СУЗА15
Re: Батарейное зажигание для Вихря.

Годится в комплекте с коммутатором 131.3734. Экранирующую обмотку(3-й провод) посади на массу.
 

sarin nos

капитан 3-го ранга
Регистрация
29.04.2010
Сообщения
917
Карма
20
Возраст
56
Город
г.Вытегра
Лодка
Прогресс 4
Мотор
Вихрь-М, 30; Москва-25, 30
Re: Батарейное зажигание для Вихря.

понятно,спасибо Игорь!
 

sarin nos

капитан 3-го ранга
Регистрация
29.04.2010
Сообщения
917
Карма
20
Возраст
56
Город
г.Вытегра
Лодка
Прогресс 4
Мотор
Вихрь-М, 30; Москва-25, 30
Re: Батарейное зажигание для Вихря.

интересно получится ли симбиоз,если в качестве управляющей катушки схемы Дмитрия использовать датчик 23.3847,вынесенный из под маховика? у меня сопротивление датчика 700 ом,видимо его надо ограничивать по току чем то.
 

ribac666

капитан 2-го ранга
Регистрация
03.06.2010
Сообщения
1 209
Карма
74
Возраст
51
Город
Россия
Имя
Владимир
Лодка
Колибри-240,Колибри КМ-330Д, Таврия
Мотор
Меркурий 6, ямаха 2, вихрь 30, ветерки 8-12, гибриды 2-6,5л.с
Re: Батарейное зажигание для Вихря.

нужно проверять, я делал похожий вариант зажигания работает
 

sarin nos

капитан 3-го ранга
Регистрация
29.04.2010
Сообщения
917
Карма
20
Возраст
56
Город
г.Вытегра
Лодка
Прогресс 4
Мотор
Вихрь-М, 30; Москва-25, 30
Re: Батарейное зажигание для Вихря.

курю 2 часа в интернете,не могу найти нужен ли вариатор к коммутатору 131.3774-01? в магазине только такие,выбора нет,купил.
 

Каланчин

капитан 1-го ранга
Регистрация
17.07.2011
Сообщения
1 748
Карма
80
Город
Новосибирск
Имя
Владимир
Лодка
Самоделка джонбот
Мотор
Вихрь-30, 25 - 2 шт.
Re: Батарейное зажигание для Вихря.

sarin nos сказал(а):
курю 2 часа в интернете,не могу найти нужен ли вариатор к коммутатору 131.3774-01? в магазине только такие,выбора нет,купил.
Конечно не нужен, там микросхема эти прблемы решает.
И симбиоз получится с датчиком, я вообше какои то от импортной мотораки пробовал,
искра ещё чётче чем на МБ2.
 

sarin nos

капитан 3-го ранга
Регистрация
29.04.2010
Сообщения
917
Карма
20
Возраст
56
Город
г.Вытегра
Лодка
Прогресс 4
Мотор
Вихрь-М, 30; Москва-25, 30
Re: Батарейное зажигание для Вихря.

спасибо,Каланчин! порадовали.
 

Msmer54

капитан 3-го ранга
Регистрация
30.08.2011
Сообщения
908
Карма
128
Город
Новосибирск
Имя
Александр
Лодка
Самодельная ПВХ 3.40, казанка 5М1
Мотор
ветерок 8,12, Бийск 45, Вихрь 30, ВетроМося.
Re: Батарейное зажигание для Вихря.

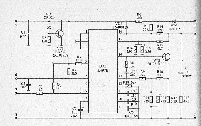
Здраствуйте, есть идейка как зацепить ДПКВ к восьмеричному коммутатору. Накидал схемку, примерно такая в ЭБУ стоит. Подключение к коммутатору с лапки 1 операционника
 

Вложения

ribac666

капитан 2-го ранга
Регистрация
03.06.2010
Сообщения
1 209
Карма
74
Возраст
51
Город
Россия
Имя
Владимир
Лодка
Колибри-240,Колибри КМ-330Д, Таврия
Мотор
Меркурий 6, ямаха 2, вихрь 30, ветерки 8-12, гибриды 2-6,5л.с
Re: Батарейное зажигание для Вихря.

А зачем? есть волговский коммутатор производства ВТН 131.3734-11 которому не нужен вариатор, не критичный к напряжению, имеющий много искровой режим при запуске и вообще идеально подходящий для наших целей.
 

denis

старшина 2ст.
Регистрация
10.08.2010
Сообщения
51
Карма
0
Город
Северная Двина
Re: Батарейное зажигание для Вихря.

попробовал собрать схему с коммут468332.007 почему то неработает,интересноДПКВ можно прозвонить лампочкой.И еще катушка обязательно должна быть двухискровая или же можно ради проверки использовать обычную
 
Вверх Снизу