timontiy

капитан-лейтенант
Регистрация
01.08.2016
Сообщения
372
Карма
99
Возраст
44
Город
Екатеринбург
Имя
Тимофей
Лодка
Казанка 5М
Мотор
Mercury ME 40M Sea Pro
JVL сказал(а):
Согласен Бренд собранный в китае им и остается, коньроль качества соблюдается, я имею ввиду чисто китайские поделки запчастей для брендовых марок. Типа взять китайское крыло на машину или б/у но оригинал.
вот тут согласен! тут же сверху выкладывал крыльчатку китайскую. обошлась мне в 800 руб с доставкой, без доработки надфилем не поставить. втулка из метала, у родной крыльчатки - пластмасса. оригинал около 2000 руб.
 

JVL

капитан 3-го ранга
Регистрация
14.03.2016
Сообщения
844
Карма
249
Город
Ногинск
Имя
Юрий
Лодка
Романтика 3, Nissamaran TR320, Hydra 350
Мотор
Mercury 15M
Я тоже брал на Али на 20-ку за 450 втулка латунь как и у оригинала, встала нормально, на сама резина какая я то вся мохнатая (подстригал) доверия не внушает, сколько проходить никому неизвестно,поэтому заказал потом еще у другого продавца чуть подороже за 550 пришла в нормальном виде и резина на ощупь другая.
 

Ma-kss

лейтенант
Регистрация
11.01.2016
Сообщения
291
Карма
47
Возраст
53
Город
Якутск
Имя
Максим
Лодка
Хантер 320, Прогресс-4
Мотор
Парсун 9.8 2т, Меркури МЕ 40М СиПро
timontiy сказал(а):
если есть возможность, и не сложно, то скинь, сфоткай. заодно померь вот эти размеры:
1) см. рисунок
2) см. рисунок
3) глубина самого "колодца"
4) чтобы закрепить съемник, нужно знать расстояния от центра до винтов или отверстий (примерно хотя бы), они, я полагаю, находятся внутри этой "коронки"
5) съемная ли эта коронка? логика конечно подсказывает что съемная должна быть, но все же!?
Снял кожух ручного стартера.
 

Вложения

Ma-kss

лейтенант
Регистрация
11.01.2016
Сообщения
291
Карма
47
Возраст
53
Город
Якутск
Имя
Максим
Лодка
Хантер 320, Прогресс-4
Мотор
Парсун 9.8 2т, Меркури МЕ 40М СиПро
А еще фото а-ля гидроподьем, как "бонус" от предыдущего хозяина. :D
Сначала думал, что запасная шмыргалка накручена, и даже не распутывал ее, пока из бочки не достал.
 

Вложения

timontiy

капитан-лейтенант
Регистрация
01.08.2016
Сообщения
372
Карма
99
Возраст
44
Город
Екатеринбург
Имя
Тимофей
Лодка
Казанка 5М
Мотор
Mercury ME 40M Sea Pro
Вот спасибо! Теперь ясно стало к чему готовиться. Съемник мой подойдет точно, единственное шарик брать больше чем 6мм. Плюсанул в карму ;)
 

timontiy

капитан-лейтенант
Регистрация
01.08.2016
Сообщения
372
Карма
99
Возраст
44
Город
Екатеринбург
Имя
Тимофей
Лодка
Казанка 5М
Мотор
Mercury ME 40M Sea Pro
Ma-kss сказал(а):
А еще фото а-ля гидроподьем, как "бонус" от предыдущего хозяина. :D
Сначала думал, что запасная шмыргалка накручена, и даже не распутывал ее, пока из бочки не достал.
типа один конец веревки в корме лежит, когда надо приподнять, то веревку тянешь? :D
сильно!!!!
хотя вот у меня транец выносной и для того чтобы поднять мотор из воды приходится частично вылезать за корму и упираться одной ногой в транец. А осенью не очень хотелось бы купаться при поднятии мотора, пару раз чуть не соскользнул!!
 

Ma-kss

лейтенант
Регистрация
11.01.2016
Сообщения
291
Карма
47
Возраст
53
Город
Якутск
Имя
Максим
Лодка
Хантер 320, Прогресс-4
Мотор
Парсун 9.8 2т, Меркури МЕ 40М СиПро
timontiy сказал(а):
типа один конец веревки в корме лежит, когда надо приподнять, то веревку тянешь? :D
сильно!!!!
хотя вот у меня транец выносной и для того чтобы поднять мотор из воды приходится частично вылезать за корму и упираться одной ногой в транец. А осенью не очень хотелось бы купаться при поднятии мотора, пару раз чуть не соскользнул!!
Да каак-то не понятно... Веревка привязана к мотору и перекинута через упорный штырь, разве так можно что-нибудь поднять? На конце веревки привязана ручка, чтоб тянуть... Галимотья какая-то.
 

Ma-kss

лейтенант
Регистрация
11.01.2016
Сообщения
291
Карма
47
Возраст
53
Город
Якутск
Имя
Максим
Лодка
Хантер 320, Прогресс-4
Мотор
Парсун 9.8 2т, Меркури МЕ 40М СиПро

timontiy

капитан-лейтенант
Регистрация
01.08.2016
Сообщения
372
Карма
99
Возраст
44
Город
Екатеринбург
Имя
Тимофей
Лодка
Казанка 5М
Мотор
Mercury ME 40M Sea Pro
topic10912.html эта тема как раз по подключению такого тахометра, ну или почти такого. В чем у тебя сложность возникла? У тебя регулятор напряжения родной, или спрошу так, он вообще имеется? (на фото не увидел). АКБ как заряжаться должен? (в комплекте с этим мотором регулятор и выпрямитель не поставлялся)
Если родной, то питание от акб возьми, сигнал на тахометр серый. Если нет вообще, то лучше закажи, тут есть местные умельцы, изготовят, вот ссылка topic10362.html, а мы тебе подскажем как подключить. Вообще проясни картину. И еще, тут Танкист часто советует при подключении тахометро дополнительно ставить конденсатор в 1мФ между минусовым проводом и сигнальным. Попробую найти картинку.
вот например
вот про выпрямитель это если бюджет совсем не позволяет ничего.
 

Ma-kss

лейтенант
Регистрация
11.01.2016
Сообщения
291
Карма
47
Возраст
53
Город
Якутск
Имя
Максим
Лодка
Хантер 320, Прогресс-4
Мотор
Парсун 9.8 2т, Меркури МЕ 40М СиПро
Вот за это спасибо! Огромное спасибо, Тимофей.
 

timontiy

капитан-лейтенант
Регистрация
01.08.2016
Сообщения
372
Карма
99
Возраст
44
Город
Екатеринбург
Имя
Тимофей
Лодка
Казанка 5М
Мотор
Mercury ME 40M Sea Pro
Максим, так не за что пока)) у тебя то в итоге, я так понимаю, нет выпрямителя и регулятора?
Мне это устройство в одном корпусе осенью делали, буду по весне подключать, обязательно сюда выложу информацию.
Еще совсем забыл, покупал статор зимой, более мощный (3 катушки на зажигание и 9 на зарядку), чем наш родной (3 катушки на зажигание и 3 на зарядку), родной конечно будет заряжать, но очень медленно. Чтобы понять какой у тебя статор - загляни снизу под статор со стороны стартера, посмотри какие провода из него выходят. На родном 6 проводов: бел/зел, зел/бел, син/бел, желт, желт, черн. На более мощном 4 провода: бел/зел, зел/бел, желт, желт. Желтые это выходы с генератора, на них переменный ток.

вот так выглядит мой регулятор:



Из фирменного мерковского регулятора выходит еще и серый провод, он как раз и идет на сигнал тахометра. Как они это реализовали в схеме для меня загадка. Поговаривают, что сигнал на тахометр можно взять с одного из желтых, но тогда второй желтый нужно прикрутить на массу. Будет ли твой Кус так работать я не знаю. Может читающие тему подскажут.
Себе по поводу тахометра думал очень много, и Кус смотрел, в принципе приемлем вариант, Блик М - отечественный производитель, и даже имею ТХ-193 (от ваз 2106) очень лохматого года выпуска. Пока остановился на последнем, но с ним нужно поколдовать, чтобы он верно показывал. Даже шкалы для него нарисовал в кореле. Вот например:


В глубине души конечно понимаю, что это все колхоз, но он мне нравится)))
 

Вложения

луха

капитан 1-го ранга
Регистрация
13.07.2010
Сообщения
10 972
Карма
4 770
Возраст
50
Город
Волжский-Волгоград
Имя
Алексей
Лодка
Снегоход
Мотор
быстрый
Второй желтый не надо на минус.при условии что тах работает от постоянного тока( есть экземпляры от переменки,но редко) в любом случае должен стоять выпрямитель на который оба желтых и подключаются.на тах.берется плюс,минус и сигнал с любого из желтых.
 

timontiy

капитан-лейтенант
Регистрация
01.08.2016
Сообщения
372
Карма
99
Возраст
44
Город
Екатеринбург
Имя
Тимофей
Лодка
Казанка 5М
Мотор
Mercury ME 40M Sea Pro
луха сказал(а):
на тах.берется плюс,минус и сигнал с любого из желтых.
это как раз случай максима. если потребителей немного в лодке и аккум подзаряжать переодически, то это самый дешевый вариант.
 

луха

капитан 1-го ранга
Регистрация
13.07.2010
Сообщения
10 972
Карма
4 770
Возраст
50
Город
Волжский-Волгоград
Имя
Алексей
Лодка
Снегоход
Мотор
быстрый
timontiy сказал(а):
луха сказал(а):
на тах.берется плюс,минус и сигнал с любого из желтых.
это как раз случай максима. если потребителей немного в лодке и аккум подзаряжать переодически, то это самый дешевый вариант.
Вон оно чаго придумали??? Вообще акум к движку не подключать???
Но тогда новерное на минус кидать надо,но будет роботать или нет - х.з.......по идее должен.
 

timontiy

капитан-лейтенант
Регистрация
01.08.2016
Сообщения
372
Карма
99
Возраст
44
Город
Екатеринбург
Имя
Тимофей
Лодка
Казанка 5М
Мотор
Mercury ME 40M Sea Pro
луха сказал(а):
Вон оно чаго придумали??? Вообще акум к движку не подключать???
Так это только рассуждения мои бредовые :D
Ждем ответа ТС, у него свои хотелки и бюджет.
 

Ma-kss

лейтенант
Регистрация
11.01.2016
Сообщения
291
Карма
47
Возраст
53
Город
Якутск
Имя
Максим
Лодка
Хантер 320, Прогресс-4
Мотор
Парсун 9.8 2т, Меркури МЕ 40М СиПро
Всё не было времени подробно разобраться. Так по порядку.
Тахометра у меня пока нет, только заказывать собираюсь. Посоветовали сайт "1000 размеров", вот и возник вопрос по подключению.
timontiy сказал(а):
...В чем у тебя сложность возникла? У тебя регулятор напряжения родной, или спрошу так, он вообще имеется? (на фото не увидел)...
Я так понял, нет у меня регулятора напряжения, на фото по всей видимости ограничитель оборотов.
 

Вложения

Ma-kss

лейтенант
Регистрация
11.01.2016
Сообщения
291
Карма
47
Возраст
53
Город
Якутск
Имя
Максим
Лодка
Хантер 320, Прогресс-4
Мотор
Парсун 9.8 2т, Меркури МЕ 40М СиПро
timontiy сказал(а):
Еще совсем забыл, покупал статор зимой, более мощный (3 катушки на зажигание и 9 на зарядку), чем наш родной (3 катушки на зажигание и 3 на зарядку), родной конечно будет заряжать, но очень медленно. Чтобы понять какой у тебя статор - загляни снизу под статор со стороны стартера, посмотри какие провода из него выходят. На родном 6 проводов: бел/зел, зел/бел, син/бел, желт, желт, черн. На более мощном 4 провода: бел/зел, зел/бел, желт, желт. Желтые это выходы с генератора, на них переменный ток.
у меня 1-й вариант с 6-ю проводами. Но думаю, более мощный, я покупать не буду.
timontiy сказал(а):
вот так выглядит мой регулятор:
Из фирменного мерковского регулятора выходит еще и серый провод, он как раз и идет на сигнал тахометра.
Если я правильно понимаю, регулятор напряженя можно установить практически любой, даже автомобильный?
timontiy сказал(а):
Себе по поводу тахометра думал очень много, и Кус смотрел, в принципе приемлем вариант, Блик М - отечественный производитель, и даже имею ТХ-193 (от ваз 2106) очень лохматого года выпуска... Пока остановился на последнем, но с ним нужно поколдовать, чтобы он верно показывал.
И тоже самое с тахометром? Но тахометр не так уж и дорого стоит, как фирменный регулятор напряжения. Я еще, конечно поищу варианты, но КУС меня в принципе устраивает, тем более, что он со счетчиком моточасов.
 

Ma-kss

лейтенант
Регистрация
11.01.2016
Сообщения
291
Карма
47
Возраст
53
Город
Якутск
Имя
Максим
Лодка
Хантер 320, Прогресс-4
Мотор
Парсун 9.8 2т, Меркури МЕ 40М СиПро
луха сказал(а):
timontiy сказал(а):
луха сказал(а):
на тах.берется плюс,минус и сигнал с любого из желтых.
это как раз случай максима. если потребителей немного в лодке и аккум подзаряжать переодически, то это самый дешевый вариант.
Вон оно чаго придумали??? Вообще акум к движку не подключать???
Но тогда новерное на минус кидать надо,но будет роботать или нет - х.з.......по идее должен.
Как это акб к движку не подключать? а как же заряжать батарею и вообще к электростартеру? У меня "+" подходит только к реле стартера, а затем к самому стартеру. Получается, у меня сейчас зарядка на батарею с движка не уходит. Выхода два, либо ставить выпрямитель, либо заряжать акб от внешнего источника после поездок?
 

Ma-kss

лейтенант
Регистрация
11.01.2016
Сообщения
291
Карма
47
Возраст
53
Город
Якутск
Имя
Максим
Лодка
Хантер 320, Прогресс-4
Мотор
Парсун 9.8 2т, Меркури МЕ 40М СиПро
Сегодня занялся движком, еще раз подробно осмотрел, разобрался с приводами заслонок и переключением реверса, поднитием мотора и т.п. Почистил его. Слил редукторное масло...
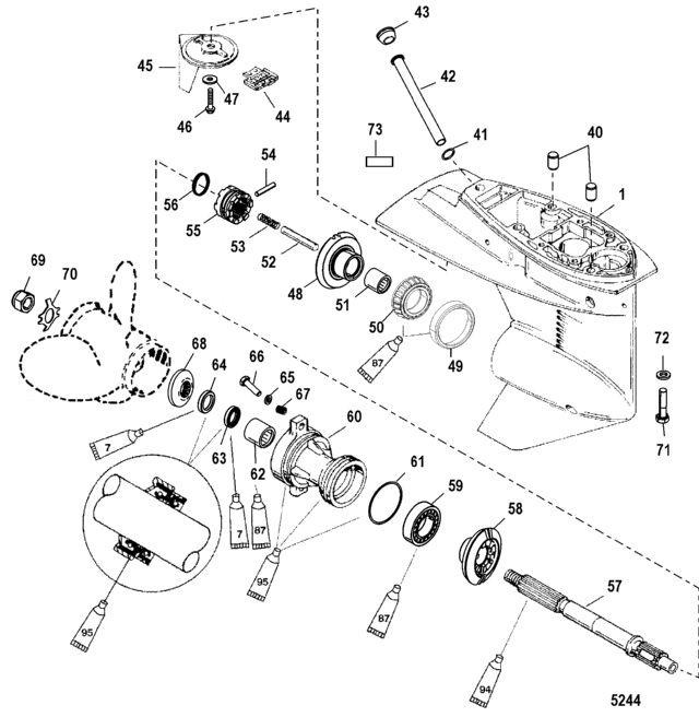
Оказалось отломана ручка с рычага фиксатора заднего хода (поз. 30), вот и привязана у меня шмыргалка, для поднятия самого фиксатора (поз. 37), чтобы поднимать мотор.
 

Вложения

Ma-kss

лейтенант
Регистрация
11.01.2016
Сообщения
291
Карма
47
Возраст
53
Город
Якутск
Имя
Максим
Лодка
Хантер 320, Прогресс-4
Мотор
Парсун 9.8 2т, Меркури МЕ 40М СиПро
До конца не разобрался, что за система переключения (поз.30 - 38). Для мелководья что ли?
 

Вложения

Ma-kss

лейтенант
Регистрация
11.01.2016
Сообщения
291
Карма
47
Возраст
53
Город
Якутск
Имя
Максим
Лодка
Хантер 320, Прогресс-4
Мотор
Парсун 9.8 2т, Меркури МЕ 40М СиПро
И что обидно, отсутствует триммер... Нужен ли он так уж или нет?
 

Вложения

Ma-kss

лейтенант
Регистрация
11.01.2016
Сообщения
291
Карма
47
Возраст
53
Город
Якутск
Имя
Максим
Лодка
Хантер 320, Прогресс-4
Мотор
Парсун 9.8 2т, Меркури МЕ 40М СиПро
Еще один вопрос. Поз. 29 - это температурный датчик? в толмуде сказано просто "датчик". Если это температурный, можно ли данные с него вывести на прибор на панели?
 

Вложения

Ma-kss

лейтенант
Регистрация
11.01.2016
Сообщения
291
Карма
47
Возраст
53
Город
Якутск
Имя
Максим
Лодка
Хантер 320, Прогресс-4
Мотор
Парсун 9.8 2т, Меркури МЕ 40М СиПро
Кстати, расшифровал маркировку винта (фото в начале темы).
Если перевести на нормальный язык, то это винт 3 х 10 3/8 х 14, а именно: 3-х лопастной, диаметром 10 3/8, шаг 14.
 

timontiy

капитан-лейтенант
Регистрация
01.08.2016
Сообщения
372
Карма
99
Возраст
44
Город
Екатеринбург
Имя
Тимофей
Лодка
Казанка 5М
Мотор
Mercury ME 40M Sea Pro
Ma-kss сказал(а):
Еще один вопрос. Поз. 29 - это температурный датчик? в толмуде сказано просто "датчик". Если это температурный, можно ли данные с него вывести на прибор на панели?
это датчик. можно только зажечь лампу или подать сигнал на зумер, прибор показывать не будет.
находится на задней крышке (где свечи). к нему подходит бежевый провод с синей полосой.
 

timontiy

капитан-лейтенант
Регистрация
01.08.2016
Сообщения
372
Карма
99
Возраст
44
Город
Екатеринбург
Имя
Тимофей
Лодка
Казанка 5М
Мотор
Mercury ME 40M Sea Pro
Ma-kss сказал(а):
И что обидно, отсутствует триммер... Нужен ли он так уж или нет?
триммер подравнивает ход лодки и является анодом. как бы нужен больше с функцией анода, особенно тем кто в соленой воде. поищи по магазинам дубликаты, оригинал 3000 мне говорили у оф. диллера в ЕКБ.
 
Вверх Снизу