Алекс Линк
старшина 2ст.
- Регистрация
- 26.07.2016
- Сообщения
- 53
- Карма
- 6
- Город
- Волгоград
- Имя
- Алексей
- Лодка
- ПВХ Badger 330 UL
- Мотор
- Monark Crescent 14, Hangkai 3.5, Nissan Marine 9.8
Здравствуйте уважаемые форумчане, гуру ремонта и эксплуатации ПЛМ и т.д. и т.п. Решил обратиться к Вам за советом и возможно помощью. В общем стал я "счастливым" обладателем некомплектного кресчента почти задаром, так что удержаться не смог.
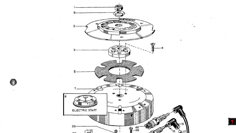
По комплектации - нет бензонасоса, карбюратора, и на блоке стартера - одной небольшой хреновинки (или двух), покажу на схеме - может у кого есть лишние. Нет трубки подвода воды от помпы и нет румпеля (соответственно никаких тяг и тому подобного).
Мотор чуть со ржавчинкой, но коленвал крутится и чувствуется, что компрессия есть, но пока не смог открутить болты верхнего сальника - надо добраться до гаража.
Сам вал в ноге крутится норм, ничего не заедает, вперед, нейтраль и задний ход работают, винт родной. До ноги пока не добрался, по помпе и редуктору ничего сказать не могу, но надеюсь все не сильно страшно. В общем мне внушает мотор надежду, посмотрим как будет дальше, а теперь немного фото (мотор сразу пришел раскиданный на основные узлы):
По комплектации - нет бензонасоса, карбюратора, и на блоке стартера - одной небольшой хреновинки (или двух), покажу на схеме - может у кого есть лишние. Нет трубки подвода воды от помпы и нет румпеля (соответственно никаких тяг и тому подобного).
Мотор чуть со ржавчинкой, но коленвал крутится и чувствуется, что компрессия есть, но пока не смог открутить болты верхнего сальника - надо добраться до гаража.
Сам вал в ноге крутится норм, ничего не заедает, вперед, нейтраль и задний ход работают, винт родной. До ноги пока не добрался, по помпе и редуктору ничего сказать не могу, но надеюсь все не сильно страшно. В общем мне внушает мотор надежду, посмотрим как будет дальше, а теперь немного фото (мотор сразу пришел раскиданный на основные узлы):
Вложения
-
57,2 КБ Просмотры: 1 492
-
54,6 КБ Просмотры: 1 449
-
56,7 КБ Просмотры: 1 548
-
56,7 КБ Просмотры: 1 491
-
64,8 КБ Просмотры: 1 467
-
59,5 КБ Просмотры: 1 524
-
59 КБ Просмотры: 1 510
-
69,1 КБ Просмотры: 1 524
-
61,6 КБ Просмотры: 1 489
-
61 КБ Просмотры: 1 544
