танкист
капитан 1-го ранга
- Регистрация
- 15.11.2014
- Сообщения
- 12 413
- Карма
- 3 906
- Город
- г. Пермь
- Имя
- Андрей
- Лодка
- Прогресс-4
- Мотор
- Нептун-23 Вихрь-25 Вихрь-30 Ветерок-8М Johnson-60
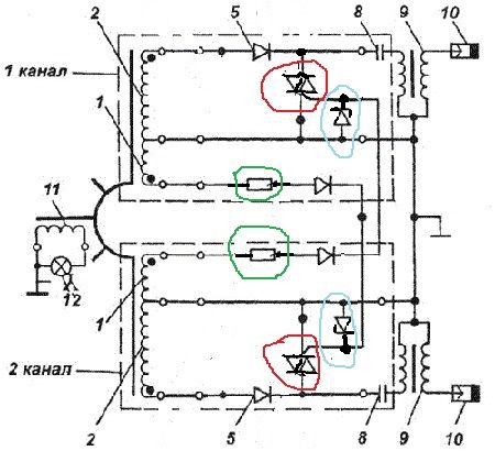
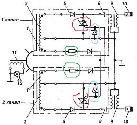
Re: ветерок 8Э - напряжение на трансформаторе
Вот Саша в этом и суть что импульс управляющий один и больше не чем открыть тиристор в схеме ветерка да и не нужно это, потому что затухающие колебания малы и не смогут создать искровой разряд повторно. Я то же много чего видел на осциллографе и не совсем новичок в электронике.bosya сказал(а):создал бы, да не хватило заряда конденсатора для пробоя искрового промежутка. часто эл.тахо считает этот импульс, как искру и врет безбожно.танкист сказал(а):То есть ты видел как тиристор несколько раз открылся от каких то неизвестных импульсов напряжения и при этом конденсатор несколько раз успел зарядиться от затухающих колебаний ВВ катушки и тут же успел создать ещё 2-4 искры на свече и всё это за пол оборота маховика?rjn сказал(а):Я же говорю что я лично осциллографом это измерял и всё видел .

... то это вызывает бурное несогласие
.... задом наперёд
... . ему то же не нравится