дмитрий22
капитан 2-го ранга
- Регистрация
- 11.05.2010
- Сообщения
- 1 472
- Карма
- 159
- Город
- Украина,Херсон
- Имя
- Дмитрий
- Лодка
- "Крым"; "Кайман-305";"Пелла Фиорд 430"
- Мотор
- Джонсон 15 4-т, Ветерок-12, Вихри
дмитрий22 сказал(а):Нормально и скутерные работают.Но Оковская,мне кажется,получше.Как подключена Оковская катушка?Не может на ней быть плохая искра.
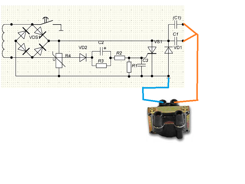
Зечем было делать печатку?Вот,как можно все компоновать.
не знаю может катушка левая(производство подвал полный китайцами)
Я на втором сердечнике поставил катушку для генератора, другое пространство заполнил ген.мостами, и мне удобней выводить 2 провода, вместо 3-4...
на фото с катушки выхотит 3 провода ,это не для схемы №2?
зачетное видео!!!!!ямахи покурят))))лодочник217 сказал(а):не-не-не,не хочу
Может стоит скопировать такое зажигание и не изобретать велосипед!?Зайди на форумы по снегоходам-каждая пятая тема "Чем заменить сгоревшее зажигание Дукати?".На авиафорумах абсолютно та же картина.И Ротакс с зажиганием Дукати б\у стоит в пару раз дешевле.Lvovsky сказал(а):Какая схема на самодельном Эл.Заж. лучше всего себя показала на НЕПТУНЕ?
.
Разговаривал с человеком у него снегоход Тикси от "Русской механики" там стоит половинка двигателя Тайги. Так вот на вопрос возит ли он с собой запасной коммутатор, он ответил что самым сильным и не ломучим элементом этого снегохода является зажигание. На эти двигатели ставят итальянское зажигание Дукати с каким то програмируемым опережением. Что больше всего меня удивило, так это то что заводиться двигатель практически в любой мороз! на моих глазах заводили снегоход стоявший четыре дня, утром было минус пятнадцать, завелся с третьего рывка!Может стоит скопировать такое зажигание и не изобретать велосипед!?
+100дмитрий22 сказал(а):Зайди на форумы по снегоходам-каждая пятая тема "Чем заменить сгоревшее зажигание Дукати?".На авиафорумах абсолютно та же картина.И Ротакс с зажиганием Дукати б\у стоит в пару раз дешевле.Lvovsky сказал(а):Какая схема на самодельном Эл.Заж. лучше всего себя показала на НЕПТУНЕ?
.
Разговаривал с человеком у него снегоход Тикси от "Русской механики" там стоит половинка двигателя Тайги. Так вот на вопрос возит ли он с собой запасной коммутатор, он ответил что самым сильным и не ломучим элементом этого снегохода является зажигание. На эти двигатели ставят итальянское зажигание Дукати с каким то програмируемым опережением. Что больше всего меня удивило, так это то что заводиться двигатель практически в любой мороз! на моих глазах заводили снегоход стоявший четыре дня, утром было минус пятнадцать, завелся с третьего рывка!Может стоит скопировать такое зажигание и не изобретать велосипед!?

+1000%Калашников сказал(а):Lvovsky.Моторы как и люди все разные.Какой хозяин таков и мотор.
Совершенно не важно отечественный мотор или нет, почему то никто не удивляется когда с первого раза в мороз заводится ВАЗ -2108. Если мотор рассчитан на те условия и все системы в порядке он и будет заводиться так как ему положено.Lvovsky сказал(а):но что бы отечественный 2х тактник покрытый инеем в мороз заводился с третьего рывка...