Статус
Закрыто для дальнейших ответов.

DAASN

капитан 2-го ранга
Регистрация
12.09.2015
Сообщения
1 365
Карма
106
Город
Новосибирск
Имя
Александр
Лодка
Крым
Мотор
Вихрь 30
МИЧМАН сказал(а):
Вы наверное путаете с ВЫСОКОВОЛЬТНЫМ проводом идущим на катушку.
Ну да. Вы же говорите "Нет подключил именно к проводам что идут на ПОДВЕСНЫЕ КАТУШКИ или как их тлм."
 

МИЧМАН

капитан 3-го ранга
Регистрация
30.03.2015
Сообщения
583
Карма
18
Возраст
57
Город
Таганрог
Имя
Артур
Лодка
Адмирал-320, Стелс 275 аэро
Мотор
Москва-10 ;М; 12,5 Сузуки 2,2
Voivano сказал(а):
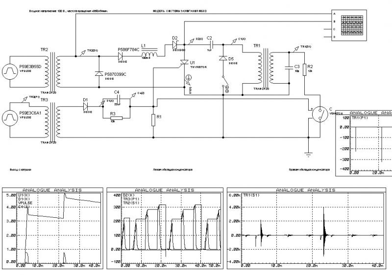
У тебя не будет работать, просто искра будет даже лучше, так-как ты будешь, во время попытки заглушить мотор, шунтировать первичную обмотку диодом. Такие ставятся на многих зажиганиях. http://motorka.org/book/remont_vihr/715 ... vixre.html Рисунок №97
Ваша ссылка конечно интересна но напрягать остатки мозгов уже на пом не ( последний раз этим занимался на рем базе у нас в Таганроге производил доводочные работы Ан-12 систем : Автопилот , привод, анероидных систем, речевых самописцев, системы обледенения, заправки баков, всех датчиков двигателя, навигации и так далее. Ушел от туда потому что стал проверять после себя по 2-3 раза ТУПО СТАЛ ЗАБЫВАТЬ. А в деле ремонта ставишь подпись под каждой системой что настроил.
 

Voivano

вице-адмирал
Команда форума
Регистрация
11.08.2016
Сообщения
5 116
Карма
2 443
Возраст
65
Город
Ачинск
Имя
Владимир
Лодка
Ракета РЛ-380
Мотор
Ветерок 8, Ветерок 12, Yamaha 6E3S (5CSMH), Москва М, Гибрид 7 лс. Гибрид 8 лс. Стрела и еще разные.
Так я правильно понял схему подключения кнопки "стоп" ? Диод подключается анодом в точку соединения конденсатора и первичной обмотки катушки зажигания. Или же к конденсатору но с другой стороны? Тогда придется все равно лезть внутрь. Я переделывал одно зажигание на мостовую схему. Там, если кнопку стоп подключать к обмотке управления, мотор не глох. пришлось подключать к накопительным обмоткам.
 

МИЧМАН

капитан 3-го ранга
Регистрация
30.03.2015
Сообщения
583
Карма
18
Возраст
57
Город
Таганрог
Имя
Артур
Лодка
Адмирал-320, Стелс 275 аэро
Мотор
Москва-10 ;М; 12,5 Сузуки 2,2
Voivano сказал(а):
Так я правильно понял схему подключения кнопки "стоп" ? Диод подключается анодом в точку соединения конденсатора и первичной обмотки катушки зажигания. Или же к конденсатору но с другой стороны? Тогда придется все равно лезть внутрь. Я переделывал одно зажигание на мостовую схему. Там, если кнопку стоп подключать к обмотке управления, мотор не глох. пришлось подключать к накопительным обмоткам.
Подключал по факту выход конденсатора и ТЛМ и проблем в принципе не в чем не вижу. Почему рекомендуют чтоб ничего не сгорело если крутишь маховик без свечей высоковольтные провода ЗАЗЕМЛЯТЬ тобищь на корпус ????? Хуже если напруге с катушки некуда уходить (разряжаться)
 

Voivano

вице-адмирал
Команда форума
Регистрация
11.08.2016
Сообщения
5 116
Карма
2 443
Возраст
65
Город
Ачинск
Имя
Владимир
Лодка
Ракета РЛ-380
Мотор
Ветерок 8, Ветерок 12, Yamaha 6E3S (5CSMH), Москва М, Гибрид 7 лс. Гибрид 8 лс. Стрела и еще разные.
Ты соединяешь D6 SW1 как на схеме, это у тебя типа кнопки стоп? Так?
 

Вложения

МИЧМАН

капитан 3-го ранга
Регистрация
30.03.2015
Сообщения
583
Карма
18
Возраст
57
Город
Таганрог
Имя
Артур
Лодка
Адмирал-320, Стелс 275 аэро
Мотор
Москва-10 ;М; 12,5 Сузуки 2,2
По сути да точка после кондера и масса
 

МИЧМАН

капитан 3-го ранга
Регистрация
30.03.2015
Сообщения
583
Карма
18
Возраст
57
Город
Таганрог
Имя
Артур
Лодка
Адмирал-320, Стелс 275 аэро
Мотор
Москва-10 ;М; 12,5 Сузуки 2,2
МИЧМАН сказал(а):
По сути да точка после кондера и масса
Да и так же через диод он полоской у меня смотрит на массу.
 

МИЧМАН

капитан 3-го ранга
Регистрация
30.03.2015
Сообщения
583
Карма
18
Возраст
57
Город
Таганрог
Имя
Артур
Лодка
Адмирал-320, Стелс 275 аэро
Мотор
Москва-10 ;М; 12,5 Сузуки 2,2
Voivano сказал(а):
Ты соединяешь D6 SW1 как на схеме, это у тебя типа кнопки стоп? Так?
D6 SW1 это я так понимаю доработка ? у меня было зажигание МБ-3 или МБ-4 уже на импортных деталяз там кнопки стоп не было предусмотрено (покупал новое) паял диоды на плате. кстати на той Москве что поменял на Ветерок
 

Voivano

вице-адмирал
Команда форума
Регистрация
11.08.2016
Сообщения
5 116
Карма
2 443
Возраст
65
Город
Ачинск
Имя
Владимир
Лодка
Ракета РЛ-380
Мотор
Ветерок 8, Ветерок 12, Yamaha 6E3S (5CSMH), Москва М, Гибрид 7 лс. Гибрид 8 лс. Стрела и еще разные.
В общем я нихрена не понял, написано много :) Если как на схеме, то работать не будет.
 

МИЧМАН

капитан 3-го ранга
Регистрация
30.03.2015
Сообщения
583
Карма
18
Возраст
57
Город
Таганрог
Имя
Артур
Лодка
Адмирал-320, Стелс 275 аэро
Мотор
Москва-10 ;М; 12,5 Сузуки 2,2
Voivano сказал(а):
В общем я нихрена не понял, написано много :) Если как на схеме, то работать не будет.
Работает прекрасно сделаю фото сегодня.
 

Voivano

вице-адмирал
Команда форума
Регистрация
11.08.2016
Сообщения
5 116
Карма
2 443
Возраст
65
Город
Ачинск
Имя
Владимир
Лодка
Ракета РЛ-380
Мотор
Ветерок 8, Ветерок 12, Yamaha 6E3S (5CSMH), Москва М, Гибрид 7 лс. Гибрид 8 лс. Стрела и еще разные.
Нарисуй схему. Слишком неизъяснимо ты изъясняешься. Потому в своем недоразумении, тебя не разумею :)
 

МИЧМАН

капитан 3-го ранга
Регистрация
30.03.2015
Сообщения
583
Карма
18
Возраст
57
Город
Таганрог
Имя
Артур
Лодка
Адмирал-320, Стелс 275 аэро
Мотор
Москва-10 ;М; 12,5 Сузуки 2,2
Voivano сказал(а):
Нарисуй схему. Слишком неизъяснимо ты изъясняешься. Потому в своем недоразумении, тебя не разумею :)
Объяснил вроде доходчиво как в школе, вот фото
 

Вложения

Voivano

вице-адмирал
Команда форума
Регистрация
11.08.2016
Сообщения
5 116
Карма
2 443
Возраст
65
Город
Ачинск
Имя
Владимир
Лодка
Ракета РЛ-380
Мотор
Ветерок 8, Ветерок 12, Yamaha 6E3S (5CSMH), Москва М, Гибрид 7 лс. Гибрид 8 лс. Стрела и еще разные.
Может я один такой тупой, но я не увидел толкового объяснения. что там на фото, куда провода идут... х.з. Нарисуй схему на бумажке и сфотай, если не хочешь делать на компе. Либо на моей подрисуй, ты третий день пишешь, за это время десяток схем можно было нарисовать и закрыть вопрос.
 

МИЧМАН

капитан 3-го ранга
Регистрация
30.03.2015
Сообщения
583
Карма
18
Возраст
57
Город
Таганрог
Имя
Артур
Лодка
Адмирал-320, Стелс 275 аэро
Мотор
Москва-10 ;М; 12,5 Сузуки 2,2
Voivano сказал(а):
Может я один такой тупой, но я не увидел толкового объяснения. что там на фото, куда провода идут... х.з. Нарисуй схему на бумажке и сфотай, если не хочешь делать на компе. Либо на моей подрисуй, ты третий день пишешь, за это время десяток схем можно было нарисовать и закрыть вопрос.
Ну сто тут не понятно Масса Видишь прикручена далее провод идет на кнопку С кнопки уходит на подвесные катушки раздваеваеться и через диоды Н 4007 подходит к выносным катушкам на фото видно.
 

МИЧМАН

капитан 3-го ранга
Регистрация
30.03.2015
Сообщения
583
Карма
18
Возраст
57
Город
Таганрог
Имя
Артур
Лодка
Адмирал-320, Стелс 275 аэро
Мотор
Москва-10 ;М; 12,5 Сузуки 2,2
МИЧМАН сказал(а):
Voivano сказал(а):
Может я один такой тупой, но я не увидел толкового объяснения. что там на фото, куда провода идут... х.з. Нарисуй схему на бумажке и сфотай, если не хочешь делать на компе. Либо на моей подрисуй, ты третий день пишешь, за это время десяток схем можно было нарисовать и закрыть вопрос.
Ну сто тут не понятно Масса Видишь прикручена далее провод идет на кнопку С кнопки уходит на подвесные катушки раздваеваеться и через диоды Н 4007 подходит к выносным катушкам на фото видно.
На первом фото зеленый и красный провод это выходные провода с эажигания ( первый и второй каналы) идут на ТЛМ и к ним подпаены желтые провода через диоды и на кнопку стоп.
 

болгарин

ст. мичман
Регистрация
19.09.2017
Сообщения
195
Карма
28
Город
Новодвинск
Имя
Александр
Лодка
Марлин-340SLK
Мотор
гибрид ветерка и Briggs&Stratton, Ветерок 8 Электрон
Voivano сказал(а):
В общем я нихрена не понял, написано много :) Если как на схеме, то работать не будет.
Работать то оно работает, давно уж пробовал. Но у меня сразу же пробило один диод, а это не есть гуд, плохой знак для надёжности. Либо двойную кнопку ставить, но всё равно, в дождь, наверно, щелкать будет.
 

МИЧМАН

капитан 3-го ранга
Регистрация
30.03.2015
Сообщения
583
Карма
18
Возраст
57
Город
Таганрог
Имя
Артур
Лодка
Адмирал-320, Стелс 275 аэро
Мотор
Москва-10 ;М; 12,5 Сузуки 2,2
А при чем дождь ?
 

Voivano

вице-адмирал
Команда форума
Регистрация
11.08.2016
Сообщения
5 116
Карма
2 443
Возраст
65
Город
Ачинск
Имя
Владимир
Лодка
Ракета РЛ-380
Мотор
Ветерок 8, Ветерок 12, Yamaha 6E3S (5CSMH), Москва М, Гибрид 7 лс. Гибрид 8 лс. Стрела и еще разные.
Работать то оно работает, давно уж пробовал. Но у меня сразу же пробило один диод, а это не есть гуд, плохой знак для надёжности. Либо двойную кнопку ставить, но всё равно, в дождь, наверно, щелкать будет.
Написав кучу постов, ничего толком не объяснив, показывал чего-то на пальцах :). С горем пополам, я понял как ты соединил. Твою схему можно назвать: "Что вперед сгорит" :) У тебя при замыкании диода Д5 шунтируется первичная обмотка катушки зажигания, и разряд конденсатора происходит через тиристор и диод Д5. Т.е в режиме короткого замыкания. Поставь диоды помощнее, чтобы не сгорали, пусть лучше тиристор вышибает, он ведь все равно китайский :)
 

Вложения

МИЧМАН

капитан 3-го ранга
Регистрация
30.03.2015
Сообщения
583
Карма
18
Возраст
57
Город
Таганрог
Имя
Артур
Лодка
Адмирал-320, Стелс 275 аэро
Мотор
Москва-10 ;М; 12,5 Сузуки 2,2
Voivano сказал(а):
Работать то оно работает, давно уж пробовал. Но у меня сразу же пробило один диод, а это не есть гуд, плохой знак для надёжности. Либо двойную кнопку ставить, но всё равно, в дождь, наверно, щелкать будет.
Написав кучу постов, ничего толком не объяснив, показывал чего-то на пальцах :). С горем пополам, я понял как ты соединил. Твою схему можно назвать: "Что вперед сгорит" :) У тебя при замыкании диода Д5 шунтируется первичная обмотка катушки зажигания, и разряд конденсатора происходит через тиристор и диод Д5. Т.е в режиме короткого замыкания. Поставь диоды помощнее, чтобы не сгорали, пусть лучше тиристор вышибает, он ведь все равно китайский :)
Диоды стоят N4007 на 800 вольт ничего не сгорит все будет работать а в том что конденсатор разряжается на корпус так это нормально если сгорит шунтирующий диод тоже не беда, просто появится искра на свече на том канале и глушится будет хуже.
 

Voivano

вице-адмирал
Команда форума
Регистрация
11.08.2016
Сообщения
5 116
Карма
2 443
Возраст
65
Город
Ачинск
Имя
Владимир
Лодка
Ракета РЛ-380
Мотор
Ветерок 8, Ветерок 12, Yamaha 6E3S (5CSMH), Москва М, Гибрид 7 лс. Гибрид 8 лс. Стрела и еще разные.
Вариант: прошивает диод. в результате тиристор напрямую замыкает конденсатор на землю, скорее всего ему тоже хана будет. Себе такую схему можешь оставлять. Сам придумал, сам и пользуйся, только другим не надо рекомендовать.
 

МИЧМАН

капитан 3-го ранга
Регистрация
30.03.2015
Сообщения
583
Карма
18
Возраст
57
Город
Таганрог
Имя
Артур
Лодка
Адмирал-320, Стелс 275 аэро
Мотор
Москва-10 ;М; 12,5 Сузуки 2,2
Voivano сказал(а):
Вариант: прошивает диод. в результате тиристор напрямую замыкает конденсатор на землю, скорее всего ему тоже хана будет. Себе такую схему можешь оставлять. Сам придумал, сам и пользуйся, только другим не надо рекомендовать.
я ре кому не рекомендую просто показал как я сделал. а при прошивке диода на свече просто появится искра включайте логику
 

болгарин

ст. мичман
Регистрация
19.09.2017
Сообщения
195
Карма
28
Город
Новодвинск
Имя
Александр
Лодка
Марлин-340SLK
Мотор
гибрид ветерка и Briggs&Stratton, Ветерок 8 Электрон
Voivano сказал(а):
Написав кучу постов, ничего толком не объяснив, показывал чего-то на пальцах :). С горем пополам, я понял как ты соединил. Твою схему можно назвать: "Что вперед сгорит" :) У тебя при замыкании диода Д5 шунтируется первичная обмотка катушки зажигания, и разряд конденсатора происходит через тиристор и диод Д5. Т.е в режиме короткого замыкания. Поставь диоды помощнее, чтобы не сгорали, пусть лучше тиристор вышибает, он ведь все равно китайский :)
Я надеюсь, что это не в мой огород! Постов я не писал, хотя цитата моя. А на счёт подключения, так я сделал, как все люди делают. Диоды на управляющие катушки навесом на плату поставил и вывел один провод с фишкой на кнопку в жгуте. И вся любовь!
 

болгарин

ст. мичман
Регистрация
19.09.2017
Сообщения
195
Карма
28
Город
Новодвинск
Имя
Александр
Лодка
Марлин-340SLK
Мотор
гибрид ветерка и Briggs&Stratton, Ветерок 8 Электрон

Voivano

вице-адмирал
Команда форума
Регистрация
11.08.2016
Сообщения
5 116
Карма
2 443
Возраст
65
Город
Ачинск
Имя
Владимир
Лодка
Ракета РЛ-380
Мотор
Ветерок 8, Ветерок 12, Yamaha 6E3S (5CSMH), Москва М, Гибрид 7 лс. Гибрид 8 лс. Стрела и еще разные.
МИЧМАН сказал(а):
я ре кому не рекомендую просто показал как я сделал. а при прошивке диода на свече просто появится искра включайте логику
При прошивке диода, когда его сопротивление упадет до нуля и нажатии на кнопку стоп, как писал выше, у тебя тиристор, замкнет конденсатор на землю. Мотор заглохнет, тиристор если выдержит, то нормально. При обрыве диода, мотор не будет глушиться, это тоже понятно. А между собой замыкать конденсаторы не пробовал?
 

МИЧМАН

капитан 3-го ранга
Регистрация
30.03.2015
Сообщения
583
Карма
18
Возраст
57
Город
Таганрог
Имя
Артур
Лодка
Адмирал-320, Стелс 275 аэро
Мотор
Москва-10 ;М; 12,5 Сузуки 2,2
Voivano сказал(а):
МИЧМАН сказал(а):
я ре кому не рекомендую просто показал как я сделал. а при прошивке диода на свече просто появится искра включайте логику
При прошивке диода, когда его сопротивление упадет до нуля и нажатии на кнопку стоп, как писал выше, у тебя тиристор, замкнет конденсатор на землю. Мотор заглохнет, тиристор если выдержит, то нормально. При обрыве диода, мотор не будет глушиться, это тоже понятно. А между собой замыкать конденсаторы не пробовал?
Между собой если не ошибаюсь устроена схема глушения на Прибое .
 
Статус
Закрыто для дальнейших ответов.
Вверх Снизу