Василий Любов
капитан 2-го ранга
- Регистрация
- 23.10.2016
- Сообщения
- 1 175
- Карма
- 776
- Возраст
- 52
- Имя
- Василий
- Лодка
- Пассажир на лодке: К5М1
- Мотор
- Ковыряюсь по электронике: Тоха-25(30) 4т. Мерк-2,5 2т.
PS в начале:
Для гостей Форума: можно не регистрироваться, мне можно написать vslubov@rtural.ru или https://vk.com/luboff_sky или 9223357136 Макс и Телеграм (пока ещё). Но ещё лучше-присоединяйтесь, Форум - замечательный
.
Господа, для исключения лишнего трепа прошу ВНИМАТЕЛЬНО прочитать нижеследующее
Даже не так: ЧИТАЙТЕ!!! ЧИТАЙТЕ !!! ЧИТАЙТЕ!!! ЧИТАЙТЕ!!! ЧИТАЙТЕ !!! ЧИТАЙТЕ!!!
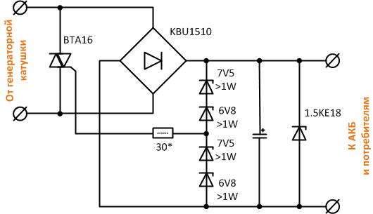
Итак, господа, имею возможность изготавливать выпрямитель-регулятор для подвесного лодочного мотора (далее по тексту - приблуда
. В штучном варианте. Схемотехника: не шунтирующий тиристорный - не греет почем зря генераторную катушку в отличие от шунтирующих (штатный ямаховский, незабвенный ВРНЛ, китаескутерные и т.п.). Схема версии 4.0
, разработана мной.
Предназначен для подзарядки свинцового (гелевый, кислотный, AGM...) аккумулятора от генератора лодочного мотора и питания потребителей. Если у вас литий с BMS, то почитайте вот здесь.
Подходит для большинства моторов с одной или двумя генераторными катушками (2т. моторы и некоторые 4т.), а также для моторов с трехфазными генераторными катушками.
Не подходит для моторов с многокатушечными однофазными генераторами (типа инжекторных Сузуки-9,9..20)
, к сожалению (вялотекущая работа в этом направлении мной ведется, но ооооочень вялотекущая...).
Конструктив: алюминиевое основание (радиатор), на нем деталюшки, залитые компаундом, герметиком и т.п. Размеры 50х50х25 мм.
Чего на выходе: напряжение не более 14,2..14,3В (т.е. пресловутая страшилка про "перезаряд" исключена СХЕМОТЕХНИЧЕСКИ!!!); максимальный ток до 10А (лишь бы ваш генератор такое "умел").
Чего еще есть внутри приблуды интересного, чего нет в большинстве других выпрямителей-регуляторов:

Сами деталюшки взяты с неплохим запасом: мост 15А 1000В (KBU1510), тиристоры 13А 600В (BT152-600).
Стоимость АКТУАЛЬНАЯ - 2400. С формирователем тахосигнала - 2900. На Ямаху VEOS (и др. с клапаном холодного пуска) - 3000.
Умощненные: например, для Меркури/Тохацу-50 2т., Хонд с электрозапуском - 3000.
Трехфазник: например, для Меркури/Тохацу-25/30 EFI (инжектор), Тохацу -80 2т., Ямаха-60 4т. - 3900.
Пересылка плюсом: ориентировочно 350..400=00 СДЭК-ом или 400..450=00 почтой России на Ваш выбор. Полную стоимость, думаю, посчитаете
Ну, и бонусы
: каждому 200-му заказчику пересылка - за мой счет. Тысячному - бесплатно!
Как узнать, можно ли установить приблуду на ваш ПЛМ:
Для начала идем СЮДА, например, и смотрим комплектацию вашего мотора на предмет наличия генератора (может быть опционально, т.е. повезет/не повезет).
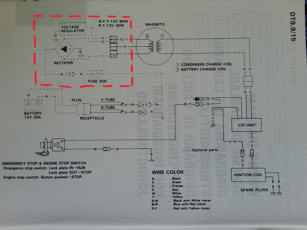
Если "ничё нипанятна", то заглядываем под колпак, там из-под маховика ОБЯЗАТЕЛЬНО идут провода на модуль зажигания. Смотрим ВНИМАТЕЛЬНО, есть ли другие провода ТОЖЕ идущие из-под маховика. Если ДА, то вам повезло - шанс есть. Мудрее говоря, если ваш ПЛМ имеет некую "обмотку освещения" (light coil или как вариант battery charge coil, см. схему ниже), которая предназначена для установки лампочек на 12В. Самая простая проверка: подключить к этим проводам лампочку на 12В 21Вт автомобильную, завести мотор, погазовать и посмотреть, светится или нет. На больших оборотах лампочку можно спалить
Очень кратко о возможностях генераторной катушки см. следующий пост.
Цвета проводов генераторных катушек:
1). Использовать приблуду с различными электронными девайсами (эхолот, навигатор, зарядные телефонов и т.п.) без подключенного АКБ не получится, в общем-то
И проверять работоспособность, кстати - тоже.
Особо талантливые или неверящие могут попробовать
. Соединение АКБ-потребители должно быть надежным, лучше всего болт с гравером или пайка. Наконечники имеют свойство слетать рано или поздно в самый неподходящий момент. Если же все-таки у вас отпало во время движения, то приблуда выключится по защите. И не включится, пока не перезапустите. Перезапуск: глушите мотор, отключаете приблуду от АКБ (если уже успели на ходу подцепить
), минуту ждете, подключаете обратно к АКБ - и вперед.
Наличие такой защиты накладывает некие повышенные требования: 1) надежность контактов - "сопли", "дребезг" и т.п. приведут к срабатыванию защиты; 2) нормальный АКБ, а не 10-ти летний "из тестевой заначки", потерявший емкость (тут отдельная песня: купили мотор за ... ого-го, короче, так истратьте еще пару тысяч на аккумулятор); 3) толщина провода и его качество - многожильный медный хотя бы 0,75 мм.кв., а лучше 1.0, а еще лучше 1.5 (это опять о цене мотора и 100 руб на нормальный провод), естественно, окисленный "новый
" провод 20-ти летней давности, провалявшийся в гараже, не катит.
2). Типовая схема подключения в системе катушка генератора - приблуда - аккум - девайс:
Красный провод - плюс, черный - минус, оставшиеся два (желтые, зеленые, желтый и белый) с "папами" - переменка от генератора.
И никакие другие соединения проводов от генератора (на корпус мотора, например) НЕ ДОПУСКАЮТСЯ!!! Приблуда сдохнет однозначно. Так что смотрите внимательно, особенно, если у вас как-то был подключен тахометр. Пунктиром показано подключение тахометра к приблуде (провод ДРУГОГО цвета с "мамой").
Предохранитель нужен как защита от переполюсовки (входит в "приблуду"). Так что если при установке/подключении АКБ предохранитель умер, смотрите подключение "приблуды" к АКБ. Не надо ставить "гвозди" или "потолще" предохранитель - спалите защиту внутри "приблуды" и поплавите провода/разъёмы.
Какие разъемы можно применить на корпус двигателя см. следующий пост.
3). Видео по установке нету
Присылайте в личку - опубликую тут.
Для особо пытливых: делаю аналог куска схемы, обведенного красным пунктиром:
4). Устанавливать приблуду необходимо или на штатное место, или на поддон, или "на другую большую железяку". Почему: теплоотводящих возможностей применяемого мной радиатора тупо не хватит при больших токах. Спокойно сверлите пустую площадку под ваш крепеж - для этого и оставлена. Примеры установки - смотрите далее.
5). И повторюсь!!! Если при подключении к АКБ вы все-таки переполюсовали и предохранитель сдох (а куда он денется
), то не нужно ставить предохранитель "потолще" или тем более "жука" - спАлите защиту внутри приблуды и провода поплавите с разъёмами. (Для тех, кто всё-таки спалил: ТЫК СЮДЫ)
6). И еще, господа. Если у вас с основами электрики "не очень", "не разбираюсь" и т.п., то дайте почитать тему тому, кто больше чем "не очень". Почему: онлайн курсов начинающих электриков и электроников не провожу. Выше и ниже есть всё, чтобы не запутаться в 4..5 проводах. Не надо меня заваливать кучей фотографий с вариантами подключений по принципу гадания.
7). И самое главное: приобретая и устанавливая моё изделие, вы должны осознавать, что меняете конструктив вашего мотора со всеми вытекающими.
Приблуда сильно дешевле ШУНТИРУЮЩЕГО регулятора с Мотолодок, а с учетом имеющихся защит и допов... короче, демпингуем
Про "шунты" - "не шунты" см. следующий пост.
География пользователей: Москва и МО, Питер и ЛО, Абакан, Агидель, Азов, Альметьевск, Анапа, Архангельск, Астрахань, Балтийск, Белгород, Березники, Бийск, Братск, Владивосток, Волгоград, Волгодонск, Вологда, Воронеж, Геленджик, Глазов, Дагестан, Дзержинск, Димитровград, Ейск, Екатеринбург, Ессентуки, Ижевск, Иркутск, Йошкар-Ола, Казань, Калининград, Камень-на-Оби, Кандалакша, Кемерово, Киров, Кирово-Чепецк, Комсомольск-на-Амуре, Кострома, Котлас, Краснодар, Красноярск, Курган, Курск, Липецк, Луганск, Льгов, Магадан, Мин. Воды, Мурманск, оба Новгорода, Набережные Челны, Находка, Нижневартовск, Новокуйбышевск, Новокузнецк, Новосибирск, Норильск, Омск, Пенза, Пермь, Петрозаводск, Петропавловск-Камчатский, Ростов-на-Дону, Рыбинск, Рязань, Самара, Саратов, Сарапул, Сатка, Сахалин, Севастополь, Северодвинск, Северск, Смоленск, Ставрополь, Сургут, Сызрань, Сыктывкар, Таганрог, Тайшет, Тверь, Тобольск, Тольятти, Томск, Тула, Тюмень, Углич, Ульяновск, Уфа, Феодосия, Хабаровск, Ханты-Мансийск, Челябинск, Энгельс, Южно-Сахалинск, Ярославль... Ну, и Чайковский, конечно же. Короче, Россия широко представлена
Ближнее зарубежье: Беларусь, Казахстан, Молдова, Украина. Дальнее: Австралия, Германия, Финляндия.
В планах: все-таки победить инжекторные Сузы (призрачно....
)
Вариации на тему проводов и разъемов под конкретные моторы. Чтобы "снял-поставил":
Ямаха-8/9,9/15 2т.

Ямаха-25BWC, 30HWC + выход на тахометр
вместо 
Ямаха-40ВЕОС + выходы на тахометр и термоклапан (схема подключения: смотрите следующий пост)
вместо 
Джонсон-Эвинруд

И подробности: Переход (ТЫНЦ)
Тохацу-18, 30, 40; Меркури-30 2т. с электростартером + выход на тахометр
вместо 
Ямаха-40XW** + выход на тахометр
вместо 
Сузуки-30..40 2т. с эл.стартером + выход на тахометр
вместо 
Хонда BF40..50A
вместо 
Меркури/Тохацу - 25/30 4т. (инжектор (EFI) в том числе)

Пример установки (ТЫНЦ)
Ханкай - 9,9 (30) + выход на тахометр
вместо 
Для гостей Форума: можно не регистрироваться, мне можно написать vslubov@rtural.ru или https://vk.com/luboff_sky или 9223357136 Макс и Телеграм (пока ещё). Но ещё лучше-присоединяйтесь, Форум - замечательный
.Господа, для исключения лишнего трепа прошу ВНИМАТЕЛЬНО прочитать нижеследующее
Даже не так: ЧИТАЙТЕ!!! ЧИТАЙТЕ !!! ЧИТАЙТЕ!!! ЧИТАЙТЕ!!! ЧИТАЙТЕ !!! ЧИТАЙТЕ!!!
Итак, господа, имею возможность изготавливать выпрямитель-регулятор для подвесного лодочного мотора (далее по тексту - приблуда
Предназначен для подзарядки свинцового (гелевый, кислотный, AGM...) аккумулятора от генератора лодочного мотора и питания потребителей. Если у вас литий с BMS, то почитайте вот здесь.
Подходит для большинства моторов с одной или двумя генераторными катушками (2т. моторы и некоторые 4т.), а также для моторов с трехфазными генераторными катушками.
Не подходит для моторов с многокатушечными однофазными генераторами (типа инжекторных Сузуки-9,9..20)
Конструктив: алюминиевое основание (радиатор), на нем деталюшки, залитые компаундом, герметиком и т.п. Размеры 50х50х25 мм.
Чего на выходе: напряжение не более 14,2..14,3В (т.е. пресловутая страшилка про "перезаряд" исключена СХЕМОТЕХНИЧЕСКИ!!!); максимальный ток до 10А (лишь бы ваш генератор такое "умел").
Чего еще есть внутри приблуды интересного, чего нет в большинстве других выпрямителей-регуляторов:
- Без подключенного аккумулятора не включится. Совсем. Даже совсем-совсем-совсем. И не просите
Будет висеть "бесплатной" 100-граммовой коробочкой, нисколько не мешая работе мотора.
- Защита от отпадания аккумулятора. Отпало во время работы - выключится. Так что пульсации на выход не пройдут. Защита триггерная, т.е. сработало - нужен перезапуск. Как - читайте ниже.
- Защита от переполюсовки. Параллельно выходу установлен мощный диод Шоттки на 20А. Вместе с предохранителем выполняет роль защиты от переполюсовки АКБ.
- На случай "атомного землетрясения" - выхода регулятора из строя - подключен защитный супрессор, который сыграет роль Матросова, закрыв грудью ваши дорогущие эхолоты/навигаторы и т.п. Он же
- По Вашему желанию встрою формирователь импульсов для стационарного тахометра (на выходе - прямоугольные импульсы амплитудой 12В и с частотой генератора). Типа: KUS, Фария, Мореман, ямаховский, тохатсовский и т.п. (к тахометрам, берущим сигнал от свечного провода, это НЕ относится). Почему: тахометры, берущие сигнал с генераторной катушки, НЕ "дружат" с регуляторами (и не только с "приблудой"). И я тоже 100% гарантировать не могу, к сожалению (почему: подробнее читайте ниже).

Сами деталюшки взяты с неплохим запасом: мост 15А 1000В (KBU1510), тиристоры 13А 600В (BT152-600).
Стоимость АКТУАЛЬНАЯ - 2400. С формирователем тахосигнала - 2900. На Ямаху VEOS (и др. с клапаном холодного пуска) - 3000.
Умощненные: например, для Меркури/Тохацу-50 2т., Хонд с электрозапуском - 3000.
Трехфазник: например, для Меркури/Тохацу-25/30 EFI (инжектор), Тохацу -80 2т., Ямаха-60 4т. - 3900.
Пересылка плюсом: ориентировочно 350..400=00 СДЭК-ом или 400..450=00 почтой России на Ваш выбор. Полную стоимость, думаю, посчитаете
Ну, и бонусы
: каждому 200-му заказчику пересылка - за мой счет. Тысячному - бесплатно!Как узнать, можно ли установить приблуду на ваш ПЛМ:
Для начала идем СЮДА, например, и смотрим комплектацию вашего мотора на предмет наличия генератора (может быть опционально, т.е. повезет/не повезет).
Если "ничё нипанятна", то заглядываем под колпак, там из-под маховика ОБЯЗАТЕЛЬНО идут провода на модуль зажигания. Смотрим ВНИМАТЕЛЬНО, есть ли другие провода ТОЖЕ идущие из-под маховика. Если ДА, то вам повезло - шанс есть. Мудрее говоря, если ваш ПЛМ имеет некую "обмотку освещения" (light coil или как вариант battery charge coil, см. схему ниже), которая предназначена для установки лампочек на 12В. Самая простая проверка: подключить к этим проводам лампочку на 12В 21Вт автомобильную, завести мотор, погазовать и посмотреть, светится или нет. На больших оборотах лампочку можно спалить
Очень кратко о возможностях генераторной катушки см. следующий пост.
Цвета проводов генераторных катушек:
- Ямаха и клоны - 2 зеленых.
- Сузуки 2т - желтый и желто-красный, Сузуки 4т - желтый и красный (да-да, КРАСНЫЙ - переменка, сам в шоке).
- Тохацу/Ниссан-Марин/Меркури СиПро и клоны - белый и желтый (а черный - не трогайте!!!)
- Меркури - 2 желтых
- Зонгшен-Сельва - 2 черно-голубых
- Хонда - 2 серых
- Джонсон/Евинруд - желтый и желто-серый
- "другие провода", но нет на них выпрямителя;
- "другие провода", выпрямитель, но нет регулятора;
- всё, но сдохло или не нравится как работает, то вы мой потенциальный клиент
1). Использовать приблуду с различными электронными девайсами (эхолот, навигатор, зарядные телефонов и т.п.) без подключенного АКБ не получится, в общем-то
Особо талантливые или неверящие могут попробовать
Наличие такой защиты накладывает некие повышенные требования: 1) надежность контактов - "сопли", "дребезг" и т.п. приведут к срабатыванию защиты; 2) нормальный АКБ, а не 10-ти летний "из тестевой заначки", потерявший емкость (тут отдельная песня: купили мотор за ... ого-го, короче, так истратьте еще пару тысяч на аккумулятор); 3) толщина провода и его качество - многожильный медный хотя бы 0,75 мм.кв., а лучше 1.0, а еще лучше 1.5 (это опять о цене мотора и 100 руб на нормальный провод), естественно, окисленный "новый
2). Типовая схема подключения в системе катушка генератора - приблуда - аккум - девайс:
Красный провод - плюс, черный - минус, оставшиеся два (желтые, зеленые, желтый и белый) с "папами" - переменка от генератора.
И никакие другие соединения проводов от генератора (на корпус мотора, например) НЕ ДОПУСКАЮТСЯ!!! Приблуда сдохнет однозначно. Так что смотрите внимательно, особенно, если у вас как-то был подключен тахометр. Пунктиром показано подключение тахометра к приблуде (провод ДРУГОГО цвета с "мамой").
Предохранитель нужен как защита от переполюсовки (входит в "приблуду"). Так что если при установке/подключении АКБ предохранитель умер, смотрите подключение "приблуды" к АКБ. Не надо ставить "гвозди" или "потолще" предохранитель - спалите защиту внутри "приблуды" и поплавите провода/разъёмы.
Какие разъемы можно применить на корпус двигателя см. следующий пост.
3). Видео по установке нету
Присылайте в личку - опубликую тут.
Для особо пытливых: делаю аналог куска схемы, обведенного красным пунктиром:
4). Устанавливать приблуду необходимо или на штатное место, или на поддон, или "на другую большую железяку". Почему: теплоотводящих возможностей применяемого мной радиатора тупо не хватит при больших токах. Спокойно сверлите пустую площадку под ваш крепеж - для этого и оставлена. Примеры установки - смотрите далее.
5). И повторюсь!!! Если при подключении к АКБ вы все-таки переполюсовали и предохранитель сдох (а куда он денется
6). И еще, господа. Если у вас с основами электрики "не очень", "не разбираюсь" и т.п., то дайте почитать тему тому, кто больше чем "не очень". Почему: онлайн курсов начинающих электриков и электроников не провожу. Выше и ниже есть всё, чтобы не запутаться в 4..5 проводах. Не надо меня заваливать кучей фотографий с вариантами подключений по принципу гадания.
7). И самое главное: приобретая и устанавливая моё изделие, вы должны осознавать, что меняете конструктив вашего мотора со всеми вытекающими.
Приблуда сильно дешевле ШУНТИРУЮЩЕГО регулятора с Мотолодок, а с учетом имеющихся защит и допов... короче, демпингуем
География пользователей: Москва и МО, Питер и ЛО, Абакан, Агидель, Азов, Альметьевск, Анапа, Архангельск, Астрахань, Балтийск, Белгород, Березники, Бийск, Братск, Владивосток, Волгоград, Волгодонск, Вологда, Воронеж, Геленджик, Глазов, Дагестан, Дзержинск, Димитровград, Ейск, Екатеринбург, Ессентуки, Ижевск, Иркутск, Йошкар-Ола, Казань, Калининград, Камень-на-Оби, Кандалакша, Кемерово, Киров, Кирово-Чепецк, Комсомольск-на-Амуре, Кострома, Котлас, Краснодар, Красноярск, Курган, Курск, Липецк, Луганск, Льгов, Магадан, Мин. Воды, Мурманск, оба Новгорода, Набережные Челны, Находка, Нижневартовск, Новокуйбышевск, Новокузнецк, Новосибирск, Норильск, Омск, Пенза, Пермь, Петрозаводск, Петропавловск-Камчатский, Ростов-на-Дону, Рыбинск, Рязань, Самара, Саратов, Сарапул, Сатка, Сахалин, Севастополь, Северодвинск, Северск, Смоленск, Ставрополь, Сургут, Сызрань, Сыктывкар, Таганрог, Тайшет, Тверь, Тобольск, Тольятти, Томск, Тула, Тюмень, Углич, Ульяновск, Уфа, Феодосия, Хабаровск, Ханты-Мансийск, Челябинск, Энгельс, Южно-Сахалинск, Ярославль... Ну, и Чайковский, конечно же. Короче, Россия широко представлена
В планах: все-таки победить инжекторные Сузы (призрачно....
Вариации на тему проводов и разъемов под конкретные моторы. Чтобы "снял-поставил":
Ямаха-8/9,9/15 2т.

Ямаха-25BWC, 30HWC + выход на тахометр
вместо 
Ямаха-40ВЕОС + выходы на тахометр и термоклапан (схема подключения: смотрите следующий пост)
вместо 
Джонсон-Эвинруд

И подробности: Переход (ТЫНЦ)
Тохацу-18, 30, 40; Меркури-30 2т. с электростартером + выход на тахометр
вместо 
Ямаха-40XW** + выход на тахометр
вместо 
Сузуки-30..40 2т. с эл.стартером + выход на тахометр
вместо 
Хонда BF40..50A
вместо 
Меркури/Тохацу - 25/30 4т. (инжектор (EFI) в том числе)

Пример установки (ТЫНЦ)
Ханкай - 9,9 (30) + выход на тахометр
вместо 
Последнее редактирование:

































Итак,





Читайте еще раз первый пост. Там ВСЁ АКТУАЛЬНО!!!