parosigareta

лейтенант
Регистрация
27.02.2016
Сообщения
254
Карма
47
Возраст
53
Город
Минск
Имя
Дмитрий
Лодка
сапсан 340
Мотор
Яма 5,EVENRUDE 9.9 - 15
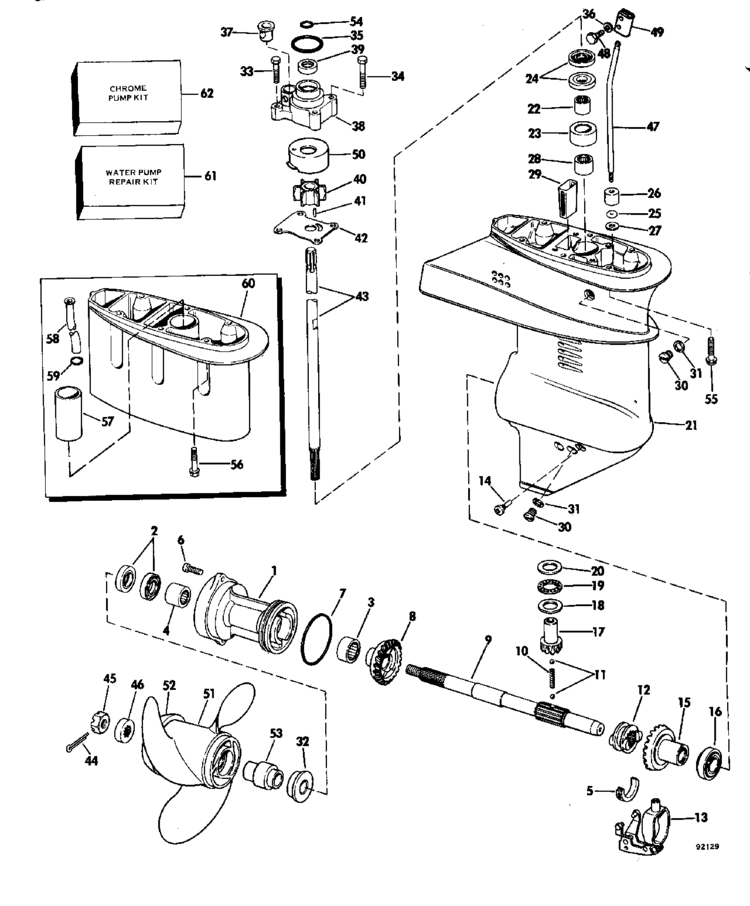
Привет,Пришли мне части на мотор с Америки.

Сальник №39 размеры:
сам мерил:22,46 х 11,53 х 6,45 мм, от заявленного размера есть отличие, ну может штангенциркуль врёт.
Вопрос возник:резиновое уплотнение №54 (при разборке не обнаружил!) куда устанавливается и какую функцию несёт?
 

Вложения

garik64

капитан 2-го ранга
Регистрация
14.11.2013
Сообщения
1 466
Карма
626
Возраст
61
Город
МОСКВА
Имя
Игорь
Лодка
викинг 340 был Ладога 1 была Ладога 2 есть
Мотор
,эвенруд 40 ,джонсон 40 джонсон 50 были Джонсон 70 лс Мотор грайд Бульдог 55
parosigareta сказал(а):
Привет,Пришли мне части на мотор с Америки.

Сальник №39 размеры:
сам мерил:22,46 х 11,53 х 6,45 мм, от заявленного размера есть отличие, ну может штангенциркуль врёт.
Вопрос возник:резиновое уплотнение №54 (при разборке не обнаружил!) куда устанавливается и какую функцию несёт?
Кольцо под номером 54 одевается на вертикальный вал при входе в двигатель чтоб не попадала вода в шлици туда можно поставить любое,на валу есть канавка
 

parosigareta

лейтенант
Регистрация
27.02.2016
Сообщения
254
Карма
47
Возраст
53
Город
Минск
Имя
Дмитрий
Лодка
сапсан 340
Мотор
Яма 5,EVENRUDE 9.9 - 15
321481 OMC Driveshaft Oil Seal Evinrude Johnson 9.9-40HP(321481 ОМС Карданный вал уплотнение масла Джонсон Evinrude 9.9-40)
сальники редуктора.
 

Вложения

Aleksei 1415

капитан 1-го ранга
Регистрация
14.11.2015
Сообщения
2 930
Карма
906
Возраст
52
Город
липецк
Имя
Алексей
Лодка
Казанка 6, Диана 3 02
Мотор
JOHNSON 15RSOC, JOHNSON BJ20BFCDC, EVINRUDE BE30BAEUD, YAMAHA 5.
Всем привет, получил рем комплект для редуктора JOHNSON 15RSOC 2005 года, маркировка в миллиметрах,если я не ошибаюсь :сальники на вал винта KOK SA2Y 16.67 31.75 6.35/6.75 K655 ; на главный вал : KOK SA2Y. 12.7 31. 75. 4.76/5.16. K654. Маркировку на сальники, который ставится в корпус крыльчатки прочитать даже с лупой не смог.
 

Вложения

Aleksei 1415

капитан 1-го ранга
Регистрация
14.11.2015
Сообщения
2 930
Карма
906
Возраст
52
Город
липецк
Имя
Алексей
Лодка
Казанка 6, Диана 3 02
Мотор
JOHNSON 15RSOC, JOHNSON BJ20BFCDC, EVINRUDE BE30BAEUD, YAMAHA 5.
Почему то фото не грузятся
 

Aleksei 1415

капитан 1-го ранга
Регистрация
14.11.2015
Сообщения
2 930
Карма
906
Возраст
52
Город
липецк
Имя
Алексей
Лодка
Казанка 6, Диана 3 02
Мотор
JOHNSON 15RSOC, JOHNSON BJ20BFCDC, EVINRUDE BE30BAEUD, YAMAHA 5.
С телефона, планшетом фотографировал - не грузятся, размер сука большой
 

Вложения

Maxmot

матрос
Регистрация
02.03.2016
Сообщения
7
Карма
0
Город
Люберцы
Имя
Макс
Лодка
Hunter 320
Мотор
Johnson 9
Добрый день. Для мотора 9,9 и 15, объемом 216см, отлично подходит верхний подшипник коленвала cargo 140228, нужно только просверлить небольшое отверстие для смазки.
 

Volgasar

капитан 1-го ранга
Регистрация
30.09.2016
Сообщения
3 777
Карма
1 288
Возраст
54
Город
Пушкино
Имя
Павел
Лодка
ПВХ НДНД 370 :(
Мотор
Было много отечественных,сейчас; Ямаха 3.5, Джонсон-Евинруд 2- 9,9-15-25-30-40.Дальше видно будет.
Aleksei 1415. А размеры сальников горизонтального валика не подскажете?
 

Aleksei 1415

капитан 1-го ранга
Регистрация
14.11.2015
Сообщения
2 930
Карма
906
Возраст
52
Город
липецк
Имя
Алексей
Лодка
Казанка 6, Диана 3 02
Мотор
JOHNSON 15RSOC, JOHNSON BJ20BFCDC, EVINRUDE BE30BAEUD, YAMAHA 5.
Volgasar сказал(а):
Aleksei 1415. А размеры сальников горизонтального валика не подскажете?
Горизонтального вала-это вал винта?
 

Volgasar

капитан 1-го ранга
Регистрация
30.09.2016
Сообщения
3 777
Карма
1 288
Возраст
54
Город
Пушкино
Имя
Павел
Лодка
ПВХ НДНД 370 :(
Мотор
Было много отечественных,сейчас; Ямаха 3.5, Джонсон-Евинруд 2- 9,9-15-25-30-40.Дальше видно будет.

Aleksei 1415

капитан 1-го ранга
Регистрация
14.11.2015
Сообщения
2 930
Карма
906
Возраст
52
Город
липецк
Имя
Алексей
Лодка
Казанка 6, Диана 3 02
Мотор
JOHNSON 15RSOC, JOHNSON BJ20BFCDC, EVINRUDE BE30BAEUD, YAMAHA 5.
Volgasar сказал(а):
Aleksei 1415 сказал(а):
Volgasar сказал(а):
Aleksei 1415. А размеры сальников горизонтального валика не подскажете?
Горизонтального вала-это вал винта?
Да
Павел, выше я привёл размеры и выше я привёл размеры горизонтального сальника,в мм,и вертикального. Но на русских сайтах я таких размеров не нашёл. .....
 

Volgasar

капитан 1-го ранга
Регистрация
30.09.2016
Сообщения
3 777
Карма
1 288
Возраст
54
Город
Пушкино
Имя
Павел
Лодка
ПВХ НДНД 370 :(
Мотор
Было много отечественных,сейчас; Ямаха 3.5, Джонсон-Евинруд 2- 9,9-15-25-30-40.Дальше видно будет.
Aleksei 1415. Спасибо,туплю:)
 

Aleksei 1415

капитан 1-го ранга
Регистрация
14.11.2015
Сообщения
2 930
Карма
906
Возраст
52
Город
липецк
Имя
Алексей
Лодка
Казанка 6, Диана 3 02
Мотор
JOHNSON 15RSOC, JOHNSON BJ20BFCDC, EVINRUDE BE30BAEUD, YAMAHA 5.

Volgasar

капитан 1-го ранга
Регистрация
30.09.2016
Сообщения
3 777
Карма
1 288
Возраст
54
Город
Пушкино
Имя
Павел
Лодка
ПВХ НДНД 370 :(
Мотор
Было много отечественных,сейчас; Ямаха 3.5, Джонсон-Евинруд 2- 9,9-15-25-30-40.Дальше видно будет.
По игольчатому колена 9.9-15(может и еще других моделей)
Добрые люди подсказали по аналогам. Пока вырисовывается три: Ina SCH1412 (т.н. тяжелая серия) Koyo JH 1412(подозреваю то-же) и Cargo 140228(подшипник генератора).
Последний можно купить за 300-400р. А вот на Ina мне сегодня прислали цену.2100р
Вот чешу репу. Уже до крови расчесал;))))
 

Maxmot

матрос
Регистрация
02.03.2016
Сообщения
7
Карма
0
Город
Люберцы
Имя
Макс
Лодка
Hunter 320
Мотор
Johnson 9
Koyo на амазоне по 3,5 $. По Cargo - прийдется просверлить тонким сверлом отверстие для смазки и сделать фиксирующий прилив. Стоит отлично никаких шумов или люфтов, он выше чем оригинал на 1мм, но там места достаточно даже если выше на 5мм.

Я для набития руки заказал пару WAI GLOBAL 81073 - они стоят копейки.
 

Volgasar

капитан 1-го ранга
Регистрация
30.09.2016
Сообщения
3 777
Карма
1 288
Возраст
54
Город
Пушкино
Имя
Павел
Лодка
ПВХ НДНД 370 :(
Мотор
Было много отечественных,сейчас; Ямаха 3.5, Джонсон-Евинруд 2- 9,9-15-25-30-40.Дальше видно будет.
Maxmot сказал(а):
Koyo на амазоне по 3,5 $. По Cargo - прийдется просверлить тонким сверлом отверстие для смазки и сделать фиксирующий прилив. Стоит отлично никаких шумов или люфтов, он выше чем оригинал на 1мм, но там места достаточно даже если выше на 5мм.

Я для набития руки заказал пару WAI GLOBAL 81073 - они стоят копейки.
Прилив-тонкая трубка в отверстии-она же фиксируется в картере?
Мысль-вопрос. Он же моется смесью в картере.Нужно ли отверстие? Может это для густой смазки,как на вертикальном валу(под помпой к примеру)?
Можно ссыль в личку на Койо?Я в гулянке с 2Ч 8,5/11 дизелем,в Саратове, на ходу родился,не ориентируюсь;))
P/S/На ибеях мериканьски с хранения Ina можно за 3т пару найти
 

AKLIK

старшина 1ст.
Регистрация
05.02.2015
Сообщения
84
Карма
5
Возраст
49
Город
Киев
Имя
Алексей
Лодка
Навигатор ЛК-330
Мотор
Evinrude 15
Maxmot сказал(а):
Koyo на амазоне по 3,5 $. По Cargo - прийдется просверлить тонким сверлом отверстие для смазки и сделать фиксирующий прилив. Стоит отлично никаких шумов или люфтов, он выше чем оригинал на 1мм, но там места достаточно даже если выше на 5мм.

Я для набития руки заказал пару WAI GLOBAL 81073 - они стоят копейки.
Хочу попросить, если не трудно, рассказать где сверлили и какого диаметра отверстие для смазки, а также как и из чего делали фиксирующий прилив.
 

volchara28

капитан 1-го ранга
Регистрация
23.05.2013
Сообщения
1 670
Карма
259
Возраст
53
Город
Рязань
Имя
Андрей
Лодка
Прогресс-2 (в душе будет всегда). Неман-500 в продаже. Сейчас Trofy 1802/
Мотор
Вихрь-30, Evinrude35, Johnson70 Honda BF 90.Mercury 115
Maxmot сказал(а):
Koyo на амазоне по 3,5 $. По Cargo - прийдется просверлить тонким сверлом отверстие для смазки и сделать фиксирующий прилив. Стоит отлично никаких шумов или люфтов, он выше чем оригинал на 1мм, но там места достаточно даже если выше на 5мм.

Я для набития руки заказал пару WAI GLOBAL 81073 - они стоят копейки.
Не надо ничего сверлить,можно конечно но это не отверстие для смазки,это просто стопор чтобы подшипник не проворачивался в картере и не *сползал*,для смазки есть выборка на одной половинке картера.Можно просто посадить на фиксатор резьбы и никуда подшипник не уползет.
Ina SCH1412 (т.н. тяжелая серия) Koyo JH 1412(подозреваю то-же) и Cargo 140228(подшипник генератора).
В аннотации к подшипникам есть информация по предельным оборотам которые выдерживает подшипник и класс точности,хотя карго не плохие подшипники.То что генераторный подходит не факт что он прослужит столько сколько нужно,они на генераторах то сыпятся...есть вообще подшипники которые стоят по 50-100 руб и подходят один в один но я даже не рассматривал их установку от слова никогда :? ради интереса эти игольчатые подшипники стоят на подвеске то ли снежиков,то ли мотоциклов,короче мототехники....
 

avk648

капитан 3-го ранга
Регистрация
28.05.2015
Сообщения
762
Карма
115
Город
Санкт-Петербург
Имя
Александр
Лодка
Сарепта,Казанка-м
Мотор
Эвинруд 30, Нептун-23, Ветерок-12 , ЗИФ5
А размеры нижнего сальника КВ Э25/30 не подскажете?
 

Volgasar

капитан 1-го ранга
Регистрация
30.09.2016
Сообщения
3 777
Карма
1 288
Возраст
54
Город
Пушкино
Имя
Павел
Лодка
ПВХ НДНД 370 :(
Мотор
Было много отечественных,сейчас; Ямаха 3.5, Джонсон-Евинруд 2- 9,9-15-25-30-40.Дальше видно будет.
Джон-Эвин 9,9-15(и возможно меньшие братья) Верхний КВ -Corteco 01025576B . Нижний КВ-Corteco 19016528B
 

avk648

капитан 3-го ранга
Регистрация
28.05.2015
Сообщения
762
Карма
115
Город
Санкт-Петербург
Имя
Александр
Лодка
Сарепта,Казанка-м
Мотор
Эвинруд 30, Нептун-23, Ветерок-12 , ЗИФ5
Вот нагуглилось
Нижний подшипник к/в Э\Д20-35 2т 25-52-15 аналог 205
сальник 25-35-? двухкромочный аналог ТНВД Камаз

P.S. Терзают смутные сомнения :(
1 Метрические размеры,ведь даже крепеж дюймовый
2 Правильность размера ф35мм при вале ф25
 

avk648

капитан 3-го ранга
Регистрация
28.05.2015
Сообщения
762
Карма
115
Город
Санкт-Петербург
Имя
Александр
Лодка
Сарепта,Казанка-м
Мотор
Эвинруд 30, Нептун-23, Ветерок-12 , ЗИФ5
По з/ч Камаз
 

Вложения

IVAN1324

пассажир
Регистрация
04.03.2018
Сообщения
3
Карма
0
Город
Калужская область
Имя
Иван
Лодка
Навигатор 350
Мотор
Evinrude BE15BACOB ; Нептун 23
Здравствуйте. Сальника на винте два стоит?
 

Вложения

  • 97,3 КБ Просмотры: 1 045

Aleksei 1415

капитан 1-го ранга
Регистрация
14.11.2015
Сообщения
2 930
Карма
906
Возраст
52
Город
липецк
Имя
Алексей
Лодка
Казанка 6, Диана 3 02
Мотор
JOHNSON 15RSOC, JOHNSON BJ20BFCDC, EVINRUDE BE30BAEUD, YAMAHA 5.
Таки да, или один двойной
 

Вложения

IVAN1324

пассажир
Регистрация
04.03.2018
Сообщения
3
Карма
0
Город
Калужская область
Имя
Иван
Лодка
Навигатор 350
Мотор
Evinrude BE15BACOB ; Нептун 23
как понять?если заказывать его купить то надо два заказывать? Evinrude BE15BACOB
 
Вверх Снизу