parosigareta
лейтенант
- Регистрация
- 27.02.2016
- Сообщения
- 252
- Карма
- 47
- Возраст
- 53
- Город
- Минск
- Имя
- Дмитрий
- Лодка
- сапсан 340
- Мотор
- Яма 5,EVENRUDE 9.9 - 15
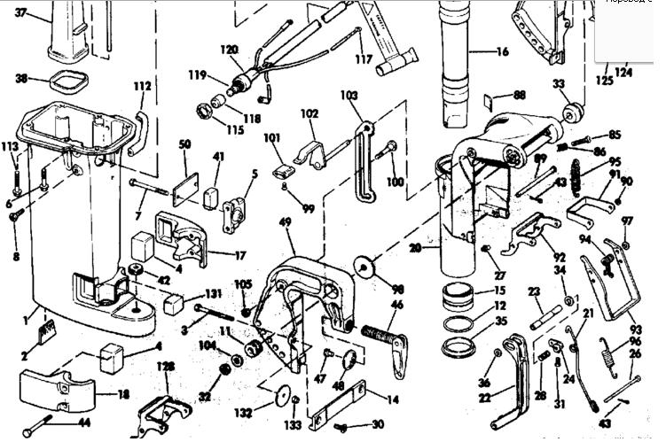
У меня 79 года, есть только полный подъём и возможность поднять с помощью штифта.Volgasar сказал(а):Дмитрий,на моделях 74-ххх эта опция есть изначально.
Может фото сделаете, посмотрю чего в моём не хватает.
... только наверное "в свежих", а "в новых" Е-ТЕКах не знаю - не курил тему, но думаю никто ничего не менял в этом плане 