Ребята, спасибо за ответы, по пунктам:
докер сказал(а):

Ну если сильно не вникать то два вопроса;1 зачем плюс с отключением?
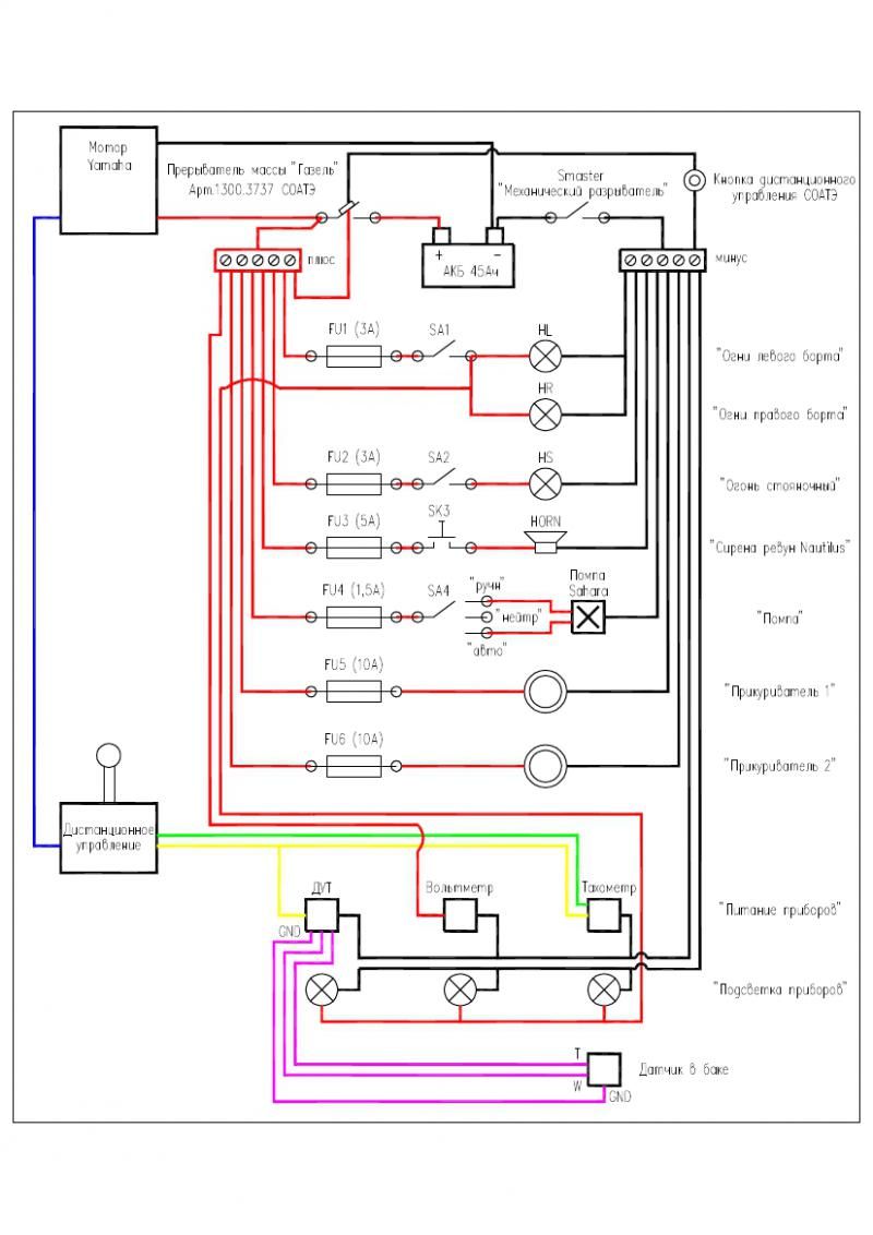
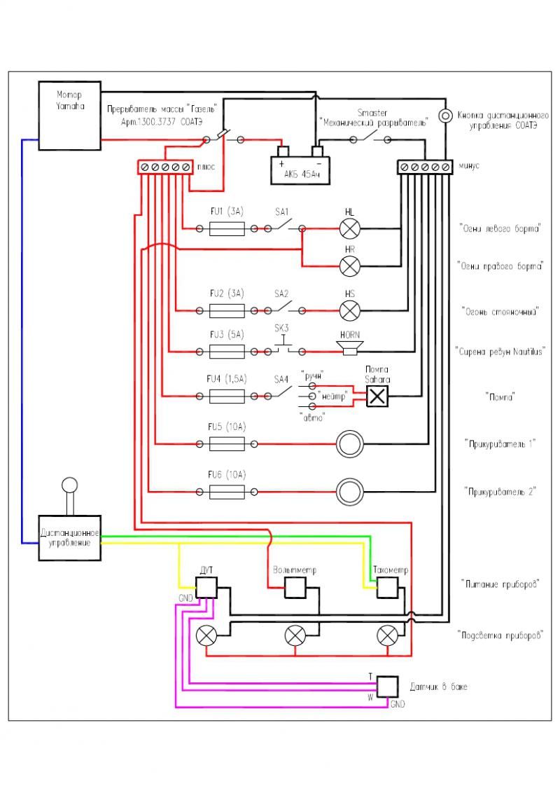
Тут уже ответили - вроде как большинство склоняется именно к разрыву плюса, т.к. минус рви-не рви - мотор-то на корпусе сидит, ну и до кучи ставлю разрыв минуса, из предосторожности.
докер сказал(а):
2 для сахары предохранитель в автоматическом режиме очень большой,хватит и 1.5 А
Тут согласен, надо убавить, у меня, если что Сахара 500... Вы с U150 определитесь, что в мануале - такой и себе поставлю =)
докер сказал(а):
Датчик в бак если фирменный то там два провода(чёрный масса и синий сигнал на прибор,а у тебя три?
У меня от ВАЗ 2106 датчик и указатель, приложил его схему подключения и фото - вот тут что-то мне не понятно, я от клеммника минусового веду линию на землю прибора и далее петлю на датчик делаю?
докер сказал(а):
Вольтметр можно проще подключить,просто питание подаёшь при включении массы получаеш информацию о вольтаже в бортовой цепи,а после запуска двигателя о зарядке.
Т.е. протянуть от клеммной колодки к вольтметру отдельный плюс?
З.Ы. Вольтметр и тахометр у меня Фария.