yoric

капитан 1-го ранга
Регистрация
06.05.2012
Сообщения
6 332
Карма
767
Город
Нью-сибирск
Имя
Йорик, в миру Юрий
Лодка
Ока4
Мотор
П25
Re: TOMOS

Что по электрике за вопрос, конкретно? Кстати, судя по подключению Дт, я думаю, что там контактное зажигание.
 

Игорь Кронштадт

капитан 2-го ранга
Регистрация
14.01.2013
Сообщения
1 335
Карма
70
Возраст
59
Город
Санкт-Петербург, Кронштадт
Имя
Игорь
Лодка
Автобот
Мотор
TOMOS 18
Re: TOMOS

yoric сказал(а):
Что по электрике за вопрос, конкретно? Кстати, судя по подключению Дт, я думаю, что там контактное зажигание.
Обоснование по Дt. А конкретно, я уже третий раз пытаюсь спросить : Не кажется ли , что схема слегка перепутана. Как ее исправить для возможности подключения ДУ. Машинка "Москва" - голимая механика, приборная панель самодельная (будет).
 

yoric

капитан 1-го ранга
Регистрация
06.05.2012
Сообщения
6 332
Карма
767
Город
Нью-сибирск
Имя
Йорик, в миру Юрий
Лодка
Ока4
Мотор
П25
Re: TOMOS

Игорь Кронштадт сказал(а):
Обоснование по Дt.
Судя по схеме, которая фото на бумажке, он коротит одну бобину. При электронном, мне кажется, так не делают. КЗ бобины при электронике может вывести из строя эту самую электронику. При электронном датчик влияет непосредственно на, так сказать, коммутатор. Хотя и при механике мало хорошего. НО при мощных контактах в датчике (если только там контакты) может и ничего. И при перегреве вроде должен на одном цилиндре ползти. А может и ошибаюсь, наука она того, не стоит на месте :D

Игорь Кронштадт сказал(а):
Не кажется ли , что схема слегка перепутана. Как ее исправить для возможности подключения ДУ. Машинка "Москва" - голимая механика
Схема срисована досконально? Непонятно, куда верхний жёлтый провод 5, на соленоид подсоса 5? Всё-таки без внутренностей это гадание на кофейной гуще. И еще, в каком месте пересекаются электросхема и подключение к механическому ДУ?
 

Игорь Кронштадт

капитан 2-го ранга
Регистрация
14.01.2013
Сообщения
1 335
Карма
70
Возраст
59
Город
Санкт-Петербург, Кронштадт
Имя
Игорь
Лодка
Автобот
Мотор
TOMOS 18
Re: TOMOS

Как же Дt замыкает одну катушку? Два провода с датчика идут на контакты 1 и 2 клемной коробки, и с них же на катушки и в магнето. На обе катушки приходят Кр, Кор и по одному Бел и Сер на каждую. Датчик, опять повторюсь, (предположение!) при достижении критической температуры замыкается на корпус, тем самым глушит двигатель. Возможно такое или нет? А желтый провод Был пустой и засунут обратно в кембрик. Цифры в кружках это маркировка проводов, похоже заводская, такие пластиковые мини прищепки с номерами. По механическому ДУ - я имел ввиду, что от мотора никакая электрика на него не будет идти. Нужно только скоммутировать мотор и панель приборов, на которой как минимум должны быть Кнопки СТАРТ, СТОП или замок зажигания, также ряд тумблеров на ХО, ТО, Помпу, прикуриватель и т.д. Пожалуйста не обьясняйте, что еще должно тут быть, я в курсе, но пока бы в основном разобраться.
 

Игорь Кронштадт

капитан 2-го ранга
Регистрация
14.01.2013
Сообщения
1 335
Карма
70
Возраст
59
Город
Санкт-Петербург, Кронштадт
Имя
Игорь
Лодка
Автобот
Мотор
TOMOS 18
Re: TOMOS

Вот еще добавлю, на самом моторе отсутствует кнопка СТОП с чекой, хотя на картинке (по ссылке выше) она присутствует
 

yoric

капитан 1-го ранга
Регистрация
06.05.2012
Сообщения
6 332
Карма
767
Город
Нью-сибирск
Имя
Йорик, в миру Юрий
Лодка
Ока4
Мотор
П25
Re: TOMOS

К клемме 1 КК подключены обе бобины (типа общий провод), а к клепмме2 одна правая. ЕСли бы он коротил на массу, достаточно было бы клеммы 1. А вообще бобины странные, трехвыводные. Кнопка СТОП - двухконтактная, один контакт параллельно Дт, второй по аналогии на вторую бобину. А может верхний жёлтый провод 5 со стопа остался.
А если хоть заглянуть под маховик, что там видно? Ну или всё-таки надо бы со сведущим человеком попытаться попрозванивать, что там есть, если снимать неохота, и это правильно. Гадание дело неблагодарное.
 

Игорь Кронштадт

капитан 2-го ранга
Регистрация
14.01.2013
Сообщения
1 335
Карма
70
Возраст
59
Город
Санкт-Петербург, Кронштадт
Имя
Игорь
Лодка
Автобот
Мотор
TOMOS 18
Re: TOMOS

Да где же сведущего то сыскать, Послезавтра попробую крышку на маховике снять, но не сам маховик. А бобины вообще четырех контактные, но в жгуте только три провода
 

Игорь Кронштадт

капитан 2-го ранга
Регистрация
14.01.2013
Сообщения
1 335
Карма
70
Возраст
59
Город
Санкт-Петербург, Кронштадт
Имя
Игорь
Лодка
Автобот
Мотор
TOMOS 18
Re: TOMOS

Ну вот и получается, что с магнето на обе катушки идут: Кр провод через разъем, мимо КК и Кор через КК на обе катушки. Это, я так понимаю, (+) и (-) катушек. Где Кор это (-), потому что такой же Кор идет на Реле стартера и Соленоид заслонки и соединен с корпусом у "ВКЛ нейтрали".
 

igorM_

лейтенант
Регистрация
02.09.2010
Сообщения
255
Карма
9
Город
Измаил, Украина
Имя
Игорь
Лодка
МКМ
Мотор
Вихрь30,СУЗА15
Re: TOMOS

У нас полно ТОМОСов, только в основном 4 лс, воздушное охлаждение. Очень хорош для мелких и заросших травой водоёмов.
У тех, что разбирал, контактное зажигание. Заводится обычно с полтыка.
 

Игорь Кронштадт

капитан 2-го ранга
Регистрация
14.01.2013
Сообщения
1 335
Карма
70
Возраст
59
Город
Санкт-Петербург, Кронштадт
Имя
Игорь
Лодка
Автобот
Мотор
TOMOS 18
Re: TOMOS

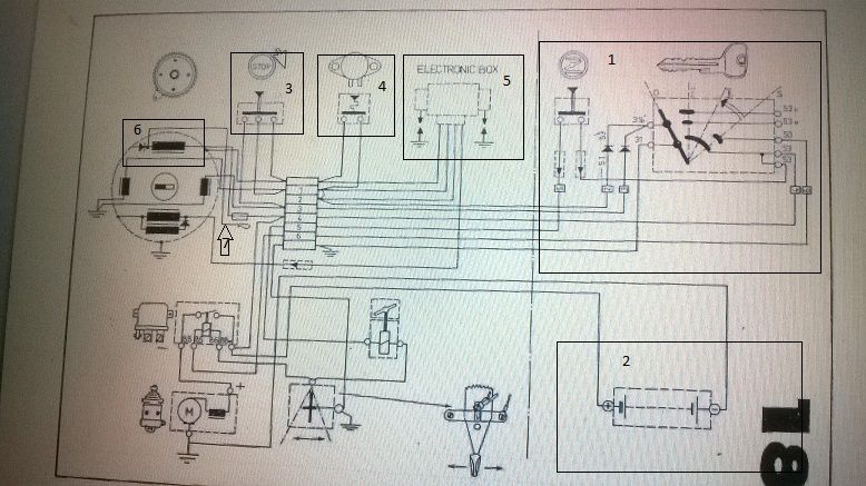
Вот надыбал схемку ТОМОС 18. Но некоторых моментов понять не могу. Сейчас выложу обе - оригинал и свою. Посравнивайте пожалуйста, спецы! Чуть позже на схеме отмечу, что мне не понятно и потребую разъяснений :crazy:
 

Вложения

Игорь Кронштадт

капитан 2-го ранга
Регистрация
14.01.2013
Сообщения
1 335
Карма
70
Возраст
59
Город
Санкт-Петербург, Кронштадт
Имя
Игорь
Лодка
Автобот
Мотор
TOMOS 18
Re: TOMOS

Ну вот собственно вопросы:
1. Это пока не трогаем. Вижу, что это кнопка заслонки и замок зажигания, которые потом будут на приборной панели.
2. АКБ - тут все понятно.
3. Кнопка СТОП на моторе, которой у меня нет. Надо ли ее восстановить или необязательно?
4. Датчик t, здесь немного ошибался, на корпус аварийно он не замыкается.
5. Электроник бох - коммутатор? Но у меня их два, возможно: а. схема для одноцилиндрового ТОМОС 10(9.9), а для Т18 по умолчанию похоже. б. на моторе два одинаковых блочка на моторе на схеме объединены в один.
6.Катушка непонятного назначения (у меня соединено точно также). Могу предположить, что это подзаряд АКБ. Так как присутствует диод у катушки и предохранитель на проводе.
7. Это пустой провод присутствует и у меня на схеме - Желтого цвета с магнето ( в кружке 5). И если судить по схеме , то это, скорее всего, какой то (-). Смею предположить - изолированный (-), чтобы на корпус металлической лодки его не сажать. Но не факт!
 

Вложения

Игорь Кронштадт

капитан 2-го ранга
Регистрация
14.01.2013
Сообщения
1 335
Карма
70
Возраст
59
Город
Санкт-Петербург, Кронштадт
Имя
Игорь
Лодка
Автобот
Мотор
TOMOS 18
Re: TOMOS

Ради прикола, схему выцепил с форума водкомоторников из Сербии. Пролистал 7 страниц, осталось 21. Мозг вскипел! Вот один из постов в автопереводе. Это по винтам на ТОМОС.
Возьмите его с вала и у каждого есть лейбл, который нет никакого
225/225
225/250
225/275
, если nevidi немного Скраб с другой стороны, что идет к двигателю нет

http://vukovisadunava.com/motori/tomos-18/90/
Вот еще оттуда же :Проверьте все соединения и шланги. Вполне возможно, что трещины где-то. Или это что-то где-то грязно и zastopano.

http://vukovisadunava.com/motori/tomos-18/105
 

shalagin

капитан 1-го ранга
Регистрация
05.08.2012
Сообщения
1 806
Карма
256
Город
г.Сыктывкар
Имя
Сергей
Мотор
Ветерок-8м
Re: TOMOS

Игорь Кронштадт сказал(а):
Югославия перестала быть страной в 2006 году, завод прекратил выпуск таких моторов в 2005. Сейчас завод ТОМОС работает вновь, в Словении, выпускает мопеды, мотопомпы
Почитал Википедию....Если завод находился только в Словении, то эта республика вышла из состава Югославии ещё в 1992 году (тогда вышли 4 из 6 республик) и врядли завод выпускал ПМ в 2003 г. под маркой Югославии, а не под собственной маркой, хотя всякое бывает.... Если заводы ещё были в Сербии или Черногории, тогда тоже может быть....Кнопки Стоп у вас нет на моторе, т.к. он безрумпельный, кнопка только дистанционная. А поставить кнопку на поддон конечно можно.
 

Игорь Кронштадт

капитан 2-го ранга
Регистрация
14.01.2013
Сообщения
1 335
Карма
70
Возраст
59
Город
Санкт-Петербург, Кронштадт
Имя
Игорь
Лодка
Автобот
Мотор
TOMOS 18
Re: TOMOS

Какая разница! Вам то зачем, а? Ткнуть меня что "не нулевый мотор" купил", так я и так знаю. Я инфу за что купил, за то продал" , что гуголь выдал. Мне больше интересны ответы на мои вопросы, но чего то тишина. Неужели никто не сталкивался с похожей проблемой?
 

shalagin

капитан 1-го ранга
Регистрация
05.08.2012
Сообщения
1 806
Карма
256
Город
г.Сыктывкар
Имя
Сергей
Мотор
Ветерок-8м
Re: TOMOS

Игорь Кронштадт сказал(а):
Какая разница! Вам то зачем, а? Ткнуть меня что "не нулевый мотор" купил",
Знать год выпуска мотора нужно только при заказе запчастей и усё :)
 

Игорь Кронштадт

капитан 2-го ранга
Регистрация
14.01.2013
Сообщения
1 335
Карма
70
Возраст
59
Город
Санкт-Петербург, Кронштадт
Имя
Игорь
Лодка
Автобот
Мотор
TOMOS 18
Re: TOMOS

Без обид! Механика мотора не менялась. Если судить по форуму словенскому в конце 90-х начале 00-х были изменения цвета, электронной начинки и вроде все. Как раз с 00-х годов стали ставить стартер без наружного втягивающего, реле стартера Бош, новые катушки. Видимо это произошло как раз из-за развала СФРЮ.
 

Игорь Кронштадт

капитан 2-го ранга
Регистрация
14.01.2013
Сообщения
1 335
Карма
70
Возраст
59
Город
Санкт-Петербург, Кронштадт
Имя
Игорь
Лодка
Автобот
Мотор
TOMOS 18
Re: TOMOS

Может кому интересно будет. Сканы некоторых страниц из мануала.
 

Вложения

Игорь Кронштадт

капитан 2-го ранга
Регистрация
14.01.2013
Сообщения
1 335
Карма
70
Возраст
59
Город
Санкт-Петербург, Кронштадт
Имя
Игорь
Лодка
Автобот
Мотор
TOMOS 18
Re: TOMOS

Сегодня поменял масло, завел, вода из контрольки не побежала! Пришлось делать ревизию. Порадовало, что мотор, разбирается минимумом инструмента. Использовал отвертку, рожковый на 10, два шестигранника на 8 и 6, плоскогубцы. С моторголовой, прикинул, аналогично будет. Причину неисправности нашел сразу, только снял ногу. Похоже бюргер ( мотор ввезён из Германии) попытался ремонтировать самостоятельно. Но не получилось и решил избавится. Все резинки, крыльчатка на вид новые. Но на водяной трубке со стороны помпы резинка не стояла вообще! По ходу, забыл поставить немец. Родного уплотнения, само собой, не было у меня. Помог кусочек топливного шланга. Около сантима отрезал, напялил на трубку. На наждаке обточил под нужный размер, чуть на конус. Вставил в помпу, осадил на место, собрал и поставил ногу на место. В ноге ничего необычного, все как у наших моторов. Помпа очень похожа на прибоевскую, но с поправкой на на немецкое качество. Корни то у ТОМОСа фрицевские. Фото не делал, забыл, да и руки грязные. Собирать обратно пришлось на герметик. Я такого тонкого паронита и не видел исчо, ес-но некоторые прокладки слегка расслоились. Использовал красный герметик. Видео работы отремонтированного мотора выложу завтра.
 

zavitay

капитан 1-го ранга
Регистрация
04.07.2012
Сообщения
6 355
Карма
379
Возраст
59
Город
Москва
Имя
Алексей
Лодка
Прогресс 2
Мотор
Стрела
Re: TOMOS

Нет,так дело не пойдет,разбирай все назад и все фотографируй подробно! А может ты его и не разбирал,не верю! :D
 

Саня С

капитан 1-го ранга
Регистрация
16.03.2012
Сообщения
3 263
Карма
134
Возраст
53
Город
Краснодар
Имя
Саня
Лодка
Badger Duck Line 300 AL
Мотор
Merkury 8М
Re: TOMOS

как моторчик ожил, вода пошла ?
 

КОЛЕБАСС

капитан 1-го ранга
Регистрация
23.08.2013
Сообщения
1 765
Карма
71
Возраст
47
Город
Ростовская область.Новошахтинск
Имя
НИКОЛАЙ
Лодка
Динги-самострой. неман 1
Мотор
САЛЮТ-2. прибой5 сузуки дт 15
Re: TOMOS

Игорь поздравляю с приобретением.по вашей схеме.датчик температуры работает по принципу кнопки стоп.вот только с катушками не понятно.почему стоко выводов?они у вас случаем не с встроеным комутатором?
 

Игорь Кронштадт

капитан 2-го ранга
Регистрация
14.01.2013
Сообщения
1 335
Карма
70
Возраст
59
Город
Санкт-Петербург, Кронштадт
Имя
Игорь
Лодка
Автобот
Мотор
TOMOS 18
Re: TOMOS

Я в электронике не особо силен, хотя тоже предположил наличие встроенного коммутатора. Такие катушки стали ставить на заводе с 00-х. В Словении, где узают эти моторы больше, с такой "приблудой" тоже немного. В основном еще со старыми катушками, как на советских мопедах. В воскресенье дежурю, буду разбираться с проводкой.
 

КОЛЕБАСС

капитан 1-го ранга
Регистрация
23.08.2013
Сообщения
1 765
Карма
71
Возраст
47
Город
Ростовская область.Новошахтинск
Имя
НИКОЛАЙ
Лодка
Динги-самострой. неман 1
Мотор
САЛЮТ-2. прибой5 сузуки дт 15
Re: TOMOS

Игорь может пока работает пусть работает.подкинуть кнопку стоп и хорош.
 

КОЛЕБАСС

капитан 1-го ранга
Регистрация
23.08.2013
Сообщения
1 765
Карма
71
Возраст
47
Город
Ростовская область.Новошахтинск
Имя
НИКОЛАЙ
Лодка
Динги-самострой. неман 1
Мотор
САЛЮТ-2. прибой5 сузуки дт 15
Re: TOMOS

кстати почему бы не добавить томос в список где все моторы.может и наберется база по моторчику
 
Вверх Снизу