buriy

гл. старшина
Регистрация
04.06.2014
Сообщения
102
Карма
18
Город
tam
Лодка
glastron 19ft Robalo21ft
Мотор
mercury 115hp efi yamaha 150hp hpdi

buriy

гл. старшина
Регистрация
04.06.2014
Сообщения
102
Карма
18
Город
tam
Лодка
glastron 19ft Robalo21ft
Мотор
mercury 115hp efi yamaha 150hp hpdi
если у кого имеется то прошу поделиться мануалом 2003-2004 Yamaha F150. спасибо
 

Blacksmith

пассажир
Регистрация
07.03.2017
Сообщения
4
Карма
0
Город
Березники
Имя
Дмитрий
Лодка
К5М3
Мотор
Y40XWS

Vetal1978

гл. кор. старшина
Регистрация
17.11.2015
Сообщения
143
Карма
3
Возраст
48
Город
Краснодарский край
Имя
Виталий
Лодка
Обь-3
Мотор
Вихрь 30, YAMAHA 40
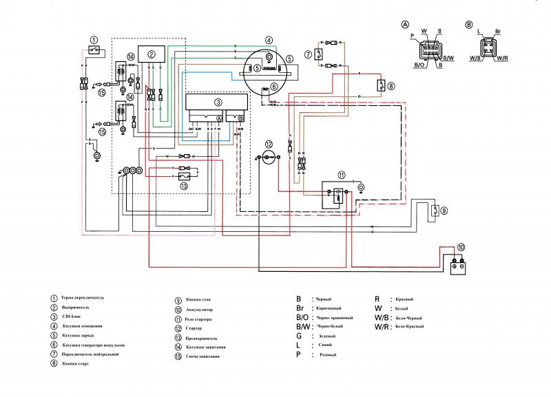
Вот, нашел электросхему Ямаха 40 2-х тактная 2-х цилиндровая.Перевел на русский.
 

Вложения

iiyama

капитан-лейтенант
Регистрация
15.07.2016
Сообщения
431
Карма
138
Возраст
46
Город
Маркс
Лодка
ОКА-4
Мотор
Yama F40
ссылки из первого сообщения не фурычат...
 

Старший помощник Лом

капитан 1-го ранга
Регистрация
20.07.2013
Сообщения
8 998
Карма
517
Возраст
56
Город
С-ЗФО, Ладожское озеро
Имя
Сергей Валерьевич
Лодка
Казанка 5М3 + VIKING NV-340 LE + Автобот + Малютка-2 ( одна нормальная, одна удлиненная на одну секцию)
Мотор
Yamaha F30FET-L + Yamaha 2DMHS + Honda BF10DK2 SHU + NissanMaran Ecomotor Pro 50 + Болотоход "Техномастер" г. Тольятти + Suzuki DF 6
iiyama сказал(а):
ссылки из первого сообщения не фурычат...
Напиши админу в ЛС, он все исправит. Видно что это связано с переходом на новый сайт...
 

vepr40

матрос
Регистрация
10.08.2017
Сообщения
10
Карма
0
Город
Калужская обл.
Лодка
Зодиак
Мотор
Yamaha 9.9
Доброго дня ! подскажите где найти инструкцию на русском языке к YAMAHA YDS DIAGNOSTIC v 1.33
была тема на старом сайте может кто прислать на vovkavasechkin@mail.ru
 

нордик301

капитан 1-го ранга
Регистрация
22.10.2011
Сообщения
2 202
Карма
340
Возраст
72
Город
Алтайский край
Имя
Анатолий Ильич
Лодка
Нордик -300 (был ) , самодельная кастрюля -"люмишка " Солар-380
Мотор
"Мелкомоськи , "В-8 " , "Ямаха 9,9 GMHS"
Всем привет ! Требуется помощь нашему брату водномоторнику по ПЛМ " Ямаха -5 " 4 Т -- масло в картере " молочного оттенка " Поиском пробежался , ни темы ремонтной не нашел , ни руководства по ремонту на русском ... Кто может подсказать - прошу откликнуться . Заранее спасибо . С уважением.
 

Старший помощник Лом

капитан 1-го ранга
Регистрация
20.07.2013
Сообщения
8 998
Карма
517
Возраст
56
Город
С-ЗФО, Ладожское озеро
Имя
Сергей Валерьевич
Лодка
Казанка 5М3 + VIKING NV-340 LE + Автобот + Малютка-2 ( одна нормальная, одна удлиненная на одну секцию)
Мотор
Yamaha F30FET-L + Yamaha 2DMHS + Honda BF10DK2 SHU + NissanMaran Ecomotor Pro 50 + Болотоход "Техномастер" г. Тольятти + Suzuki DF 6
нордик301 сказал(а):
Всем привет ! Требуется помощь нашему брату водномоторнику по ПЛМ " Ямаха -5 " 4 Т -- масло в картере " молочного оттенка " Поиском пробежался , ни темы ремонтной не нашел , ни руководства по ремонту на русском ... Кто может подсказать - прошу откликнуться . Заранее спасибо . С уважением.
http://ldm.su/instrukcii_k_lodochnym_motoram_yamaha
http://mlodka.ru/instrukczii-k-lodochny ... amaha.html
http://www.autoinfo24.ru/rukovodstva-po ... ika/yamaha
 

Olanium

пассажир
Регистрация
04.11.2013
Сообщения
3
Карма
2
Имя
Дмитрий
Лодка
Винбот
Мотор
Салют
Руководство по выбору, монтажу и установке аксессуаров для подвесных лодочных моторов Yamaha

http://motorka.org/doc/yamaha/RiggingGuide_2010_rus.rar

Данное руководство будет полезно не только владельцам моторов Yamaha, но всем другим.

Содержание

Установка

Описание символов на упаковке подвесного мотора
Вскрытие упаковки подвесного мотора (стандартная стальная рама мотора).
установка подвесного мотора
Высота установки 4-тактного подвесного мотора
Сдвоенная установка
Расчет максимальной скорости судна
Установка выносного масляного бака
Размеры выносного масляного бака
При монтаже выносного масляного бака
Габаритные размеры подвесных моторов
Таблица условных обозначений габаритных размеров подвесных моторов
Габаритные размеры 2-тактных подвесных моторов
Габаритные размеры 4-тактных подвесных моторов
Таблица условных обозначений габаритных размеров кронштейна подвесных Моторов
Габаритные размеры кронштейна подвесных моторов

Гребные винты
Техническиехарактеристики гребных винтов
Подбор гребного винта
Таблица применяемости гребных винтов 2010 года
Максимальные обороты подвесных моторов

Дистанционное управление
Применяемость пультов дистанционного управления
Применяемость замков зажигания
Тросы пультов дистанционного управления
Крепежные комплекты пультов дистанционного управления
Кронштейн рулевого управления
Крепежный комплект тяги рулевого управления
Электропроводка
Электропроводка пультов дистанционного управления, совместимых с шиной данных

Румпели
Многофункциональный румпель 6х4
Регулировка трения в поворотном шарнире подвесного мотора

Приборы, несовместимые с шиной данных (серии 6y5 и 6y7)
Установка приборов
Аналоговый тахометр
Цифровой тахометр
Спидометр
Прибор топливной системы
Аналоговый указатель угла наклона мотора
Указатель давления охладителя
Указатель температуры охладителя
Счетчик мото-часов
Вольтметр
Указатель уровня топлива
Индикатор заряда аккумуляторной батареи
Электропроводка
Схема электрооборудования.
Описание уплотнительных колец

Приборы, совместимые с шиной данных (серии 6y8)
Совместимость приборов с подвесными моторами
Применяемость приборов
Размеры приборов
Дополнительное оборудование
Электропроводка
Схема электрооборудования
Первоначальная настройка приборов
Поиск неисправностей
Основные требования
Подключение оборудования, совместимого со стандартом nmea0183

Аккумуляторная батарея
Рекомендуемая аккумуляторная батарея
Длина проводов аккумуляторной батареи
Электропроводка аккумуляторной батареи

Приложение
Табличка с данными подвесного мотора
Вакуум в топливной системе
Переносныетопливные баки (стандарт)
Топливопроводы (стандарт)
Первичный насос (стандарт)
Предпродажная подготовка
Стандартные комплекты приборов
Стандартные комплекты приборов, совместимых с шиной данных
Начальные серийные номера подвесных моторов 2010 года выпуска

Данное руководство прислал Рудольф

Скачать: http://motorka.org/doc/yamaha/RiggingGuide_2010_rus.rar
Доброго времени суток! Форум и Тема живы? Serg отличный мануал! Но уже 2019 год, не появилось ли чего то нового?
 
Реакции: Serg

Serg

админ
Команда форума
Регистрация
21.11.2009
Сообщения
2 047
Карма
893
Возраст
45
Город
Иркутск
Имя
Сергей
Лодка
Прогресс-2М, ProfMarineAir330
Мотор
Suzuki DT30, DF2,5

Василий Любов

капитан 2-го ранга
Регистрация
23.10.2016
Сообщения
1 172
Карма
766
Возраст
52
Город
Чайковский, Пермский край
Имя
Василий
Лодка
Пассажир на лодке: К5М1
Мотор
Ковыряюсь по электронике: Тоха-25(30) 4т. Мерк-2,5 2т.
:snimau shlyapu:
есть у кого электросхема или сервис мануал на Yamaha 30 hwcs? Чего-то не гуглиццо... :(
 

Юрий Юрченко

пассажир
Регистрация
18.02.2020
Сообщения
4
Карма
0
Город
Минск
Имя
Юрий
Лодка
басс худра спорт
Мотор
ямаха 115
Добрый день. Помогите найти статью в какие годы обновлялась модель Ямаха 115 4т по годам.
 

Максимум

пассажир
Регистрация
04.08.2020
Сообщения
3
Карма
0
Город
Саяногорск
Имя
Максим
Лодка
Катер
Мотор
Yamaha 100
Доброго времени суток. Помогите русифицированным мануалом по диагностике YAMAHA YDS DIAGNOSTIC v 1.33. Если будет такая возможность прошу отправить на почту zelarond@mail.ru за ранее при много благодарен.
 

ahgel00

матрос
Регистрация
12.08.2020
Сообщения
7
Карма
0
Город
Домодедово
Имя
сергей
Лодка
yamaxa
Мотор
yamaxa f150
всем доброго времени суток! устоновил приборы ямаха 6y8 тахометр и спидометр а найти как ими пользоваться не могу! может кто помочь сбросить инструкцию на русском?
 

ahgel00

матрос
Регистрация
12.08.2020
Сообщения
7
Карма
0
Город
Домодедово
Имя
сергей
Лодка
yamaxa
Мотор
yamaxa f150
Добрый день, а нет инструкции к приборам 6y8?
 
Последнее редактирование модератором:

TuzAnd

пассажир
Регистрация
17.08.2020
Сообщения
2
Карма
0
Город
Дудинка
Имя
Андрей
Лодка
казанка М4
Мотор
Yamaha 25 F25A
Подскажите есть документация по ремонту лодочного мотора Yamaha 25 модель F25A 2005 года
 

Serg

админ
Команда форума
Регистрация
21.11.2009
Сообщения
2 047
Карма
893
Возраст
45
Город
Иркутск
Имя
Сергей
Лодка
Прогресс-2М, ProfMarineAir330
Мотор
Suzuki DT30, DF2,5
Инструкция для тахометра Ямахи 6Y8 на русском языке
Человек приславший инструкцию попросил не упоминать его ник.
 

Рудольф

капитан 1-го ранга
Регистрация
25.03.2011
Сообщения
2 247
Карма
145
Возраст
52
Город
Кстово Нижегородская область!
Имя
Рудольф
Лодка
Windboat 47 DC
Мотор
Ямаха-F60 CETL

Gudvinzvo

гл. старшина
Регистрация
06.03.2019
Сообщения
122
Карма
23
Город
Звенигово
Имя
Роман
Лодка
Казанка-5M
Мотор
Yamaha E40

Вложения

Жуков Денис

пассажир
Регистрация
22.07.2021
Сообщения
2
Карма
1
Город
Нижний Новгород
Имя
Денис
Лодка
UMS 450 Nelma
Мотор
Suzuki Df 60A
Всем привет! ПЛМ Yamaha F60FETL, новый, 21 года, повесили на транец, подключили. Тахометр электронный, коммутация через ХАБ, указатель тримма показывает все время одно верхнее положение. НИ как не реагирует на спуск/подъем мотора. Все разъемы подключены. В чем причина???
 

Максимум

пассажир
Регистрация
04.08.2020
Сообщения
3
Карма
0
Город
Саяногорск
Имя
Максим
Лодка
Катер
Мотор
Yamaha 100
Всем привет! ПЛМ Yamaha F60FETL, новый, 21 года, повесили на транец, подключили. Тахометр электронный, коммутация через ХАБ, указатель тримма показывает все время одно верхнее положение. НИ как не реагирует на спуск/подъем мотора. Все разъемы подключены. В чем причина???
Добрый день. Скорее всего что то с проводкой при подключении напортачили!!!
 

Жуков Денис

пассажир
Регистрация
22.07.2021
Сообщения
2
Карма
1
Город
Нижний Новгород
Имя
Денис
Лодка
UMS 450 Nelma
Мотор
Suzuki Df 60A
Добрый день. Скорее всего что то с проводкой при подключении напортачили!!!
С проводкой все в порядке, да и напортачить там не возможно. Все разъемы подключены. Может они сейчас тарируются, настраиваются как то?
 
Вверх Снизу