Msmer54

капитан 3-го ранга
Регистрация
30.08.2011
Сообщения
915
Карма
130
Город
Новосибирск
Имя
Александр
Лодка
Самодельная ПВХ 3.40, казанка 5М1
Мотор
ветерок 8,12, Бийск 45, Вихрь 30, ВетроМося.
Подскажите простенький стробоскоп на светодиоде.
 

Бешенный

капитан 1-го ранга
Регистрация
08.12.2010
Сообщения
2 664
Карма
237
Возраст
60
Город
Волгоградская обл Светлый Яр
Имя
Владимир Валерьевич
Лодка
Две самоделки, Профмарин340, Малютка.
Мотор
Ветерок 8, 12, Прибой, Салют, Гибрид, Москва 12,5, 30, Нептун, Волгарь, Вихрь М, 30
Re: Простой стробоскоп на светодиоде. Нужна схема.

Обычно всё делаю своими руками,но здесь посоветую купить за 300 р китайский и не париться.
В любом автолабазе сей дейвас есть.
А хочешь найти "схему" ,не ленись погугли

Удачи всем
 

massergey

старшина 1ст.
Регистрация
22.01.2012
Сообщения
83
Карма
6
Город
Сыктывкар
Имя
Сергей
Лодка
Неман-2
Мотор
Tohatsu M 18 E2 EPS

Vladd

гл. кор. старшина
Регистрация
30.08.2011
Сообщения
148
Карма
7
Возраст
66
Город
Киев
Имя
Владимир
Лодка
самострой
Мотор
Минкота 30, Ветерок 8
Re: Простой стробоскоп на светодиоде. Нужна схема.

схемка описывалась на сайте Дырчик.ру. Собрал, проверил зажигание, выкинул.
 

Вложения

Msmer54

капитан 3-го ранга
Регистрация
30.08.2011
Сообщения
915
Карма
130
Город
Новосибирск
Имя
Александр
Лодка
Самодельная ПВХ 3.40, казанка 5М1
Мотор
ветерок 8,12, Бийск 45, Вихрь 30, ВетроМося.
Re: Простой стробоскоп на светодиоде. Нужна схема.

спасибо. я так понимаю под датчиком используется просто намотоный провод на высоковольтные провода?
 

Vladd

гл. кор. старшина
Регистрация
30.08.2011
Сообщения
148
Карма
7
Возраст
66
Город
Киев
Имя
Владимир
Лодка
самострой
Мотор
Минкота 30, Ветерок 8
Re: Простой стробоскоп на светодиоде. Нужна схема.

да, вместо транзистора ставил два, типа 3102 (составной получился), светодиод ставил синий с зажигалки, все экранировал, кроме 2 см провода для двух витков на ВВ провод.
 

Игорь 61

мл. лейтенант
Регистрация
16.03.2012
Сообщения
222
Карма
3
Город
Ростов-на-Дону
Имя
Игорь
Лодка
Катер ИП, Лодка ИП
Мотор
Газ-24, Стрела, MINN KOTA
Re: Простой стробоскоп на светодиоде. Нужна схема.

Vladd сказал(а):
да, вместо транзистора ставил два, типа 3102 (составной получился), светодиод ставил синий с зажигалки, все экранировал, кроме 2 см провода для двух витков на ВВ провод.
КТ972 и есть составной, у него h21 более 750.
 

Vladd

гл. кор. старшина
Регистрация
30.08.2011
Сообщения
148
Карма
7
Возраст
66
Город
Киев
Имя
Владимир
Лодка
самострой
Мотор
Минкота 30, Ветерок 8
Re: Простой стробоскоп на светодиоде. Нужна схема.

Составной. Но за неимением оного колхозим сами из того, что под рукой.
 

lapan

капитан-лейтенант
Регистрация
12.11.2011
Сообщения
377
Карма
29
Возраст
42
Имя
Павел
Лодка
ЯНТАРЬ-2 - 2 шт.
Мотор
Было:Нептун-23, Москва-9.5, Москва-М, Москва-12.5, Ветерок-8, гибрид-МосВет. Есть:M9.9, Ветерок 8Э
Re: Простой стробоскоп на светодиоде. Нужна схема.

Собрал по предложенной выше схеме стробоскоп, для 2-4-х светодиодов все работает, но для 20 штук еле светит.
Поэтому на выход добавил схему с PIC12F675. По приходу импульса пик открывает полевик на 1 мс.
Результат: светит ярче, метку видно лучше.
Позже скину схему и прошивку.
 

daryinalexej

капитан 3-го ранга
Регистрация
28.07.2012
Сообщения
841
Карма
70
Возраст
44
Город
Домодедово
Имя
Алексей
Лодка
Южанка-2
Мотор
Вихрь 30
Re: Простой стробоскоп на светодиоде. Нужна схема.

lapan сказал(а):
Собрал по предложенной выше схеме стробоскоп, для 2-4-х светодиодов все работает, но для 20 штук еле светит.
Поэтому на выход добавил схему с PIC12F675. По приходу импульса пик открывает полевик на 1 мс.
Результат: светит ярче, метку видно лучше.
Позже скину схему и прошивку.
Паш,а стробоскоп на процессоре- не очень сложная реализация очень простой штуки с очень простой функцией?
 

LPB

капитан 1-го ранга
Регистрация
10.05.2010
Сообщения
1 634
Карма
93
Город
Новосибирск
Имя
Павел
Лодка
Прогресс-2
Мотор
HONDA BF-30
Re: Простой стробоскоп на светодиоде. Нужна схема.



куда дешевле 330руб




500р
или чуть дороже 690руб!

 

Вложения

lapan

капитан-лейтенант
Регистрация
12.11.2011
Сообщения
377
Карма
29
Возраст
42
Имя
Павел
Лодка
ЯНТАРЬ-2 - 2 шт.
Мотор
Было:Нептун-23, Москва-9.5, Москва-М, Москва-12.5, Ветерок-8, гибрид-МосВет. Есть:M9.9, Ветерок 8Э
Re: Простой стробоскоп на светодиоде. Нужна схема.

daryinalexej сказал(а):
lapan сказал(а):
Собрал по предложенной выше схеме стробоскоп, для 2-4-х светодиодов все работает, но для 20 штук еле светит.
Поэтому на выход добавил схему с PIC12F675. По приходу импульса пик открывает полевик на 1 мс.
Результат: светит ярче, метку видно лучше.
Позже скину схему и прошивку.
Паш,а стробоскоп на процессоре- не очень сложная реализация очень простой штуки с очень простой функцией?
Нет. Без задержки импульсы очень короткие, а реализация не сложная. После сделаю с тохометром.

LPB, я никогда не покупаю то, что могу сделать сам.
 

LPB

капитан 1-го ранга
Регистрация
10.05.2010
Сообщения
1 634
Карма
93
Город
Новосибирск
Имя
Павел
Лодка
Прогресс-2
Мотор
HONDA BF-30
Re: Простой стробоскоп на светодиоде. Нужна схема.

Значит есть время... :(
Стробоскоп на светодиодах для лодки-зря потраченное время...
 

lapan

капитан-лейтенант
Регистрация
12.11.2011
Сообщения
377
Карма
29
Возраст
42
Имя
Павел
Лодка
ЯНТАРЬ-2 - 2 шт.
Мотор
Было:Нептун-23, Москва-9.5, Москва-М, Москва-12.5, Ветерок-8, гибрид-МосВет. Есть:M9.9, Ветерок 8Э
Re: Простой стробоскоп на светодиоде. Нужна схема.

Почему??
 

LPB

капитан 1-го ранга
Регистрация
10.05.2010
Сообщения
1 634
Карма
93
Город
Новосибирск
Имя
Павел
Лодка
Прогресс-2
Мотор
HONDA BF-30
Re: Простой стробоскоп на светодиоде. Нужна схема.

Солнце...
Нужна линза и цветные светодиоды и то невидно. Делал пару лет назад. Купил ксеноновый и то...
 

lapan

капитан-лейтенант
Регистрация
12.11.2011
Сообщения
377
Карма
29
Возраст
42
Имя
Павел
Лодка
ЯНТАРЬ-2 - 2 шт.
Мотор
Было:Нептун-23, Москва-9.5, Москва-М, Москва-12.5, Ветерок-8, гибрид-МосВет. Есть:M9.9, Ветерок 8Э
Re: Простой стробоскоп на светодиоде. Нужна схема.

Мне стробоскоп нужен в гараже для регулировки уоз...
 

daryinalexej

капитан 3-го ранга
Регистрация
28.07.2012
Сообщения
841
Карма
70
Возраст
44
Город
Домодедово
Имя
Алексей
Лодка
Южанка-2
Мотор
Вихрь 30
Re: Простой стробоскоп на светодиоде. Нужна схема.

lapan сказал(а):
Мне стробоскоп нужен в гараже для регулировки уоз...
А зачем тогда 20 диодов?
 

lapan

капитан-лейтенант
Регистрация
12.11.2011
Сообщения
377
Карма
29
Возраст
42
Имя
Павел
Лодка
ЯНТАРЬ-2 - 2 шт.
Мотор
Было:Нептун-23, Москва-9.5, Москва-М, Москва-12.5, Ветерок-8, гибрид-МосВет. Есть:M9.9, Ветерок 8Э
Re: Простой стробоскоп на светодиоде. Нужна схема.

20 светят ярче чем 1...
 

Vladd

гл. кор. старшина
Регистрация
30.08.2011
Сообщения
148
Карма
7
Возраст
66
Город
Киев
Имя
Владимир
Лодка
самострой
Мотор
Минкота 30, Ветерок 8
Re: Простой стробоскоп на светодиоде. Нужна схема.

Я один диод ставил, зажигание настраивал вечером при тусклом освещении. Из пару десятков диодов, правда, выбрал самый яркий, таки разные они (я про дешевые от зажигалок). :hahaha:
Кстати, некоторые зажигалки с фонариком имеют касно-синюю блымалку (как мигалка у гайцев), которая запускается, когда клацаешь пьезокристалом (в смысле когда прикуриваешь). Она срабатывает от магнитного поля созданного импульсом высокого напряжения пьезокристала, удобно проверять такой зажигалкой присутствие высокого, как такового (типа индикатор электромагнитных импульсов), срабатывает на растоянии ~10 см от ВВ провода. Если установить зависимость этого растояния от напряжения импульса опытным путем, думаю, что можно строить диагностические выводы :crazy: .
 

paralaxx

пассажир
Регистрация
19.12.2015
Сообщения
1
Карма
0
Город
земля
Лодка
лодка
Мотор
мотор
Приветствую всех форумчан, вот еще одна простая схема стробоскопа на светодиоде
стробоскоп на транзисторе КТ315 в настройке не нуждается, работает сразу после включения.Напряжение питания 12вольт

Видео работы стробоскопа:

https://youtu.be/1LnM3rl0u90
 

Вложения

weilder

гл. старшина
Регистрация
11.09.2015
Сообщения
108
Карма
3
Город
Сумы
Имя
Константин
Лодка
Шельф-310
Мотор
Москва10,Ветерок8
Re: Простой стробоскоп на светодиоде. Нужна схема.

Ну и как им проверить УОЗ? Он моргает сам по себе.
 

танкист

капитан 1-го ранга
Регистрация
15.11.2014
Сообщения
12 413
Карма
3 906
Город
г. Пермь
Имя
Андрей
Лодка
Прогресс-4
Мотор
Нептун-23 Вихрь-25 Вихрь-30 Ветерок-8М Johnson-60
Re: Простой стробоскоп на светодиоде. Нужна схема.

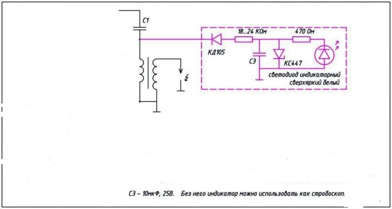
Думаю попробовать вот такую, схема проста и не требует питания, планирую сделать для лодки как мобильный тестер который всегда под рукой. По результатам отпишу.
 

Вложения

savik

капитан-лейтенант
Регистрация
03.08.2013
Сообщения
354
Карма
15
Возраст
49
Город
Курская обл
Имя
Виктор
Лодка
Хантер 320 LK, самодельная фанерка
Мотор
Стрела-5 была, Ветерок-8М, Салют-2, Гибрид-был
Re: Простой стробоскоп на светодиоде. Нужна схема.

Vladd сказал(а):
схемка описывалась на сайте Дырчик.ру. Собрал, проверил зажигание, выкинул.
Делал эту схему. Основа зажигалка с фонариком, из неё брал батарейки и диод. Транзистор делал из кт315 и кт815. Корпус 5 кубовый одноразовый шприц. Работает уже не первый год.
 

vladimirlugansk

капитан 3-го ранга
Регистрация
19.07.2016
Сообщения
625
Карма
65
Возраст
47
Город
Ахтубинск
Имя
Владимир
Лодка
intex excursion 2, прогресс-4
Мотор
mercury t34, вихрь-М
Решил подключить сей замечательный прибор (Стробоскоп автомобильный СТБ-2) к мотору для проверки угла на зажигании МБ-22. И как бы хрен. Ничего не моргнуло ни разу. Разобрал увидел два конденсатора МБМ 0,25 мкФ на 500 и 700 вольт, два диода и лампу ИСШ-15. Решил, что дело в кондерах т.к. они по моему мнению сдохли от старости. Поставил новые 0,25 мкФ 630 в. Подкинул все это на мотор и опять нифига не вышло. Я подумал что это похоже на удвоитель для питания лампы. Питание лампы начинается от 250 В и до 1200 В (напряжение самопробоя). Управление лампой происходит с датчика вставленного в разрыв провода и катушки. Датчик из себя представляет витков 10 провода вокруг латунных конусов. Между конусами есть небольшое расстояние. Питание удвоителя брал с массы и контакта двухискровой катушки. По моим соображения должно работать. При разрядке конденсатора на первичку катушки приходит 250-300 В (где-то находил на форуме) соответственно, питания для лампы должно хватать. Что я не так делаю?
P.S. вопрос закрыт. Все было сделано правильно, причина была в плохом контакте на датчике. Вдруг кому нужно будет, сердечник датчика состоит из двух частей. Части не соприкасаются. Между ними зазор около 2 мм. Почистил конусы в зазоре, искра пошла, строб заработал.
 

SHAFAR

ст. мичман
Регистрация
13.10.2010
Сообщения
199
Карма
13
Re: Простой стробоскоп на светодиоде. Нужна схема.

танкист сказал(а):
Думаю попробовать вот такую, схема проста и не требует питания, планирую сделать для лодки как мобильный тестер который всегда под рукой. По результатам отпишу.
Результат есть?
 
Вверх Снизу