Re: Нужен(куплю) электростартер для Нептун 23 и кронштейн(или чертёж)
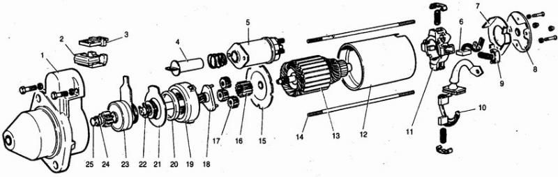
Купил стартер Стартер 5121.3708000 редукторный Ваз 2110.
Номинальное напряжение, В 12
Емкость АКБ, А·ч 55
Мощность ном./пуск., кВт 1,4 / 1,0
Направление вращения левое
Масса, кг 3,0
Потребляемый ток тягового реле:
• втягивающей обмотки, А
• удерживающей обмотки, А
Шестерня привода:
• число зубьев 9
• модуль, мм 2,11667
• угол профиля зуба 12°
Шестерня остается штатная?
Корпус стартера надо фрезеровать?
Есть ли еще какие доработки на стартере /Ваз 2110?
Какой припуск для проточки маховика?
После проточки маховика его можно греть для посадки венца? Везде разные мнения
При установке (на весь процесс) сделаю фото.