- Регистрация
- 25.04.2011
- Сообщения
- 18 866
- Карма
- 911
- Город
- Саратов
- Имя
- Дмитрий
- Лодка
- Нептун-3,Прогресс-2,2М, Сарепта(были) ,Орионбот 53НТ Pro, АКВА ОПТИМА 260(есть).
- Мотор
- Вихрь М; Honda BF90; Honda BF2
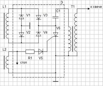
Re: Ремонт электронных систем зажигания различных ПЛМ.
... В сервис его!!! 
Паш, так он на гарантии!!!beb2 сказал(а):Павел что посоветуешь...
...мотор 2013года.
... В сервис его!!! 
