Сергей 54321

матрос
Регистрация
21.12.2019
Сообщения
23
Карма
1
Город
Днепр
Имя
Сергей
Лодка
Казанка
Мотор
Сузуки 20
На табличке- SUZUKI DF 20A
 

Вложения

Anders

гл. кор. старшина
Регистрация
08.09.2017
Сообщения
146
Карма
69
Возраст
53
Город
Братск
Имя
Андрей
Лодка
РИБ самоделка
Мотор
SUZUKI DF25A
Ну и ? Дальше то где повествование ? Ты в секте партизанов состоишь , чтоли ? :pardon:Что с тебя все тянуть то надобно ? :D
Дистанция-машинка подключена ? Что мот выдает при повороте ключа ?
 

Anders

гл. кор. старшина
Регистрация
08.09.2017
Сообщения
146
Карма
69
Возраст
53
Город
Братск
Имя
Андрей
Лодка
РИБ самоделка
Мотор
SUZUKI DF25A
Про предохранитель , регулятор ... Отслеживай эту цепь ( выделил красным ) Там везде должно быть +12в ( при напряжении на аккуме +12В естественно )
170102
 

Сергей 54321

матрос
Регистрация
21.12.2019
Сообщения
23
Карма
1
Город
Днепр
Имя
Сергей
Лодка
Казанка
Мотор
Сузуки 20
На табличке- SUZUKI DF 20AПосмотреть вложение 170099
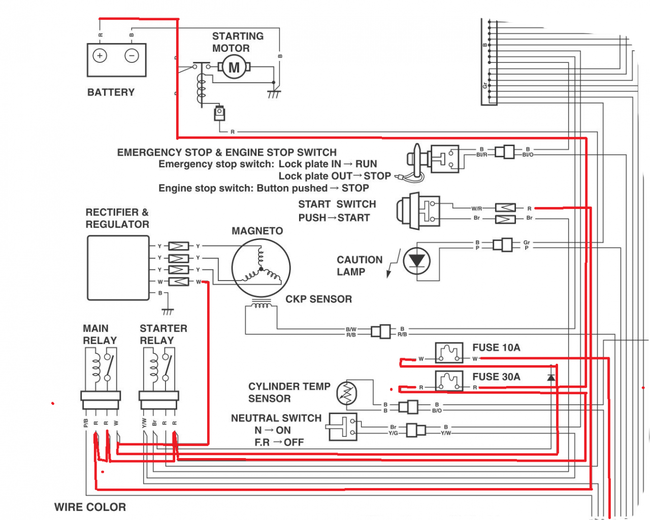
Про предохранитель , регулятор ... Отслеживай эту цепь ( выделил красным ) Там везде должно быть +12в ( при напряжении на аккуме +12В естественно )
Посмотреть вложение 170102
В том то идело-дистанция не сузуковская.брал без неё.А движок по ходу румпельный,но с эл.стартером и дёрголкой.
 

Сергей 54321

матрос
Регистрация
21.12.2019
Сообщения
23
Карма
1
Город
Днепр
Имя
Сергей
Лодка
Казанка
Мотор
Сузуки 20
На табличке- SUZUKI DF 20AПосмотреть вложение 170099
В том то идело-дистанция не сузуковская.брал без неё.А движок по ходу румпельный,но с эл.стартером и дёрголкой.
Включаю массу,и сразу на движок питание пошло.При этом ничего не выдает.Начинаю крутить стартером-загорается кр.лампочка,и сразу тухнет.всё.
 

chebarik

капитан 1-го ранга
Регистрация
28.01.2015
Сообщения
15 837
Карма
4 197
Город
Земля
Имя
Андрей
Лодка
Романтика
Мотор
Mcculloch 4
Вот и я говорю, ну их в опу эти четырехтактники....
 

dm_al

капитан 3-го ранга
Регистрация
22.10.2019
Сообщения
555
Карма
101
Город
Лен. обл. Вознесенье.
Имя
Дмитрий
Лодка
Трайдент 450
Мотор
Yamaha 20 DMO
ну их в опу эти четырехтактники....
Я вот не могу понять: самая дешёвая 20-ка это Сузука, а Тоха на 20 тыщ дороже. а Ямаха с Хондой ещё на 20 тыщ дороже. Почему самый инновационный мотор инжектор и самый лёгкий и стоит дешевле всех А?
 

chebarik

капитан 1-го ранга
Регистрация
28.01.2015
Сообщения
15 837
Карма
4 197
Город
Земля
Имя
Андрей
Лодка
Романтика
Мотор
Mcculloch 4
Я вот не могу понять: самая дешёвая 20-ка это Сузука, а Тоха на 20 тыщ дороже. а Ямаха с Хондой ещё на 20 тыщ дороже. Почему самый инновационный мотор инжектор и самый лёгкий и стоит дешевле всех А?
Ответ напрашивается))))
 

Сергей 54321

матрос
Регистрация
21.12.2019
Сообщения
23
Карма
1
Город
Днепр
Имя
Сергей
Лодка
Казанка
Мотор
Сузуки 20
Про предохранитель , регулятор ... Отслеживай эту цепь ( выделил красным ) Там везде должно быть +12в ( при напряжении на аккуме +12В естественно )
Посмотреть вложение 170102
Благодарю за схемму,немного проясняется в голове.завтра поковыряюсь ешё.
 

Anders

гл. кор. старшина
Регистрация
08.09.2017
Сообщения
146
Карма
69
Возраст
53
Город
Братск
Имя
Андрей
Лодка
РИБ самоделка
Мотор
SUZUKI DF25A
Я вот не могу понять: самая дешёвая 20-ка это Сузука, а Тоха на 20 тыщ дороже. а Ямаха с Хондой ещё на 20 тыщ дороже. Почему самый инновационный мотор инжектор и самый лёгкий и стоит дешевле всех А?
Видимо Сузука из всех представленных меньше требует процента за бренд .
А так , мое ИМХА , все моторы не хорошие и не плохие - если хозяин распиз....дяй - то ты хоть какой суперсовременный мотор предоставь ему - он его успешно убьет . :lol: Почему большинство предпочитают двухтактники - они позволяют больше издеваться над собой (и терпят ) . Когда льют непонятно какое масло , бенз , купленный где подешевше ... Я такие экземпляры видел , что мама не горюй - непонятно , как он еще работает . Недавно привезли Сузу ДТ30 - моту 12 лет - ревизии-техобслуживания ни какого не проводилось , масло в ноге заливалось один раз , масло в бенз - какое придется (что остается от бензопил , и т.д. ) и он только сейчас начал "как-то не так работать " ( со слов хозяина) Четырехтактник явно бы такого издевательства не выдержал бы .
У меня все четырехтактники были - нравятся они мне сильно . Ну и расход ощутимо меньше (было с чем сравнивать ) .
 

Anders

гл. кор. старшина
Регистрация
08.09.2017
Сообщения
146
Карма
69
Возраст
53
Город
Братск
Имя
Андрей
Лодка
РИБ самоделка
Мотор
SUZUKI DF25A

Volgasar

капитан 1-го ранга
Регистрация
30.09.2016
Сообщения
3 742
Карма
1 237
Возраст
54
Город
Пушкино
Имя
Павел
Лодка
ПВХ НДНД 370 :(
Мотор
Было много отечественных,сейчас; Ямаха 3.5, Джонсон-Евинруд 2- 9,9-15-25-30-40.Дальше видно будет.
Парни, простите пожалуйста.Зачем вы такое г..вно покупаете???
 

Anders

гл. кор. старшина
Регистрация
08.09.2017
Сообщения
146
Карма
69
Возраст
53
Город
Братск
Имя
Андрей
Лодка
РИБ самоделка
Мотор
SUZUKI DF25A
Включаю массу,и сразу на движок питание пошло.При этом ничего не выдает.Начинаю крутить стартером-загорается кр.лампочка,и сразу тухнет.всё.
Потухнуть она должна после того , как мот заведется - это показатель , что давление масла есть .
А с чекой что ? она подключена ? Прозвони саму кнопку , тож может не размыкаться , было такое .
 

Anders

гл. кор. старшина
Регистрация
08.09.2017
Сообщения
146
Карма
69
Возраст
53
Город
Братск
Имя
Андрей
Лодка
РИБ самоделка
Мотор
SUZUKI DF25A
Парни, простите пожалуйста.Зачем вы такое г..вно покупаете???
Хм , а сам то что покупаешь , если не секрет ? Какой сейчас у тебя мот ?
Ниче , что у тебя в подписи - Джонсон - та же Сузука , но на американском рынке ...
 
Реакции: 2С1

chebarik

капитан 1-го ранга
Регистрация
28.01.2015
Сообщения
15 837
Карма
4 197
Город
Земля
Имя
Андрей
Лодка
Романтика
Мотор
Mcculloch 4

chebarik

капитан 1-го ранга
Регистрация
28.01.2015
Сообщения
15 837
Карма
4 197
Город
Земля
Имя
Андрей
Лодка
Романтика
Мотор
Mcculloch 4
Паша ответит, наверно.. А у мну на основной лодке Японовихрь 40 XWC, на Казанке Эвин 4383 и Вест Бенд.
 

Volgasar

капитан 1-го ранга
Регистрация
30.09.2016
Сообщения
3 742
Карма
1 237
Возраст
54
Город
Пушкино
Имя
Павел
Лодка
ПВХ НДНД 370 :(
Мотор
Было много отечественных,сейчас; Ямаха 3.5, Джонсон-Евинруд 2- 9,9-15-25-30-40.Дальше видно будет.
Хм , а сам то что покупаешь , если не секрет ? Какой сейчас у тебя мот ?
Ниче , что у тебя в подписи - Джонсон - та же Сузука , но на американском рынке ...
Нет, друг мой, я не покупаю,.а у меня есть пара- тройка старых Джонсонов, которые меня устраивают.
 

Anders

гл. кор. старшина
Регистрация
08.09.2017
Сообщения
146
Карма
69
Возраст
53
Город
Братск
Имя
Андрей
Лодка
РИБ самоделка
Мотор
SUZUKI DF25A
Я бы может тоже купил бы Эвин , но обслужить его в случае поломки - упс - у нас на такую диковину ни чего нет , только под заказ , за не очень вменяемые деньги .
 

chebarik

капитан 1-го ранга
Регистрация
28.01.2015
Сообщения
15 837
Карма
4 197
Город
Земля
Имя
Андрей
Лодка
Романтика
Мотор
Mcculloch 4
Я бы может тоже купил бы Эвин , но обслужить его в случае поломки - упс - у нас на такую диковину ни чего нет , только под заказ , за не очень вменяемые деньги .
Они не ломаются)))
 

Anders

гл. кор. старшина
Регистрация
08.09.2017
Сообщения
146
Карма
69
Возраст
53
Город
Братск
Имя
Андрей
Лодка
РИБ самоделка
Мотор
SUZUKI DF25A
Нет, друг мой, я не покупаю,.а у меня есть пара- тройка старых Джонсонов, которые меня устраивают.
Ну , тебе повезло , что есть старые моты , вменяемо работающие .
У нас - допустим если искать б/у мот - или с помоек Япии , что есть лотерея 50 на 50 , или с рук - очень прилично убитый . Редко встречал адекватных хозяев , чтоб был норм мот и по адекватной цене . Ну или новый в магазине .
 

Anders

гл. кор. старшина
Регистрация
08.09.2017
Сообщения
146
Карма
69
Возраст
53
Город
Братск
Имя
Андрей
Лодка
РИБ самоделка
Мотор
SUZUKI DF25A
Да вот пример - что далеко ходить - Сергей - Загорелась лампа ошибки , нет ,чтобы посмотреть , почему она загорелась - он его убивал 30 часов ... :lol:
А потом вопрос -" не заводится , что делать ?" Это мот виноват , марка мота , или владелец ?...
Вот и делайте выводы , г...авно мот , или нет ...
 

Сергей 54321

матрос
Регистрация
21.12.2019
Сообщения
23
Карма
1
Город
Днепр
Имя
Сергей
Лодка
Казанка
Мотор
Сузуки 20
Да вот пример - что далеко ходить - Сергей - Загорелась лампа ошибки , нет ,чтобы посмотреть , почему она загорелась - он его убивал 30 часов ... :lol:
А потом вопрос -" не заводится , что делать ?" Это мот виноват , марка мота , или владелец ?...
Вот и делайте выводы , г...авно мот , или нет ...
Чего это я его убивал?Я знал что масла в норме.Погуглил про лампочку-оказалось счётчик отсчитал 100 часов.Блокировать не должен.На работе ни как не сказывалось.Чувствую окажется что это просто совпадение.По поводу глушилки-я с неё начал поиски проблемы.Не оно.Теоретически судя по схемме,и по тому что я вчера намерял,проблемма в релюшке MAIN RELAY.Гдето в ней плюс пропадает.Теперь не пойму как снять этот блок управления,чтоб до релюшек долесть.Они за ним стоят.
 

Сергей 54321

матрос
Регистрация
21.12.2019
Сообщения
23
Карма
1
Город
Днепр
Имя
Сергей
Лодка
Казанка
Мотор
Сузуки 20
А на счёт мотов,я только за четырёхтактников,за ними будущее.Это у меня уже 3-й сузуки.И не сказал бы что прям проблемные.Ещё брал 6-ку парсун,новый в магазе.Вот тот затрахал за 2 сезона.Не дождался конца гарантии-продал,и перекрестился.
 
Вверх Снизу