daryinalexej

капитан 3-го ранга
Регистрация
28.07.2012
Сообщения
841
Карма
70
Возраст
44
Город
Домодедово
Имя
Алексей
Лодка
Южанка-2
Мотор
Вихрь 30
http://youtu.be/VxZBnIvH4ow
Чтобы не вспоминать правило буравчика и правой руки, чтобы не напутать с направлением намотки и ее полюсовки соберите простой макет. Каким концом стрелка компаса смотрит на магнит, таким она должна смотреть и на торец гвоздя- то есть на данный магнит нужно мотать катушку и подключать как на гвозде если направление стрелок компаса у гвоздя и магнита совпадают. ВРОДЕ ПОНЯТНО ВЫРАЗИЛСЯ. На гвоздь мотается несколько десятков витков любого провода, на батарейке провода долго не держите,при подключении к "гвоздю" она работает в режиме КЗ. http://youtu.be/2NHmOOGrHcY
 

Вложения

  • 33,5 КБ Просмотры: 1 455

Slawa

ст. мичман
Регистрация
11.07.2012
Сообщения
197
Карма
4
Возраст
43
Город
Оса, Пермский край
Имя
Слава
Лодка
прогресс 4
Мотор
Меркури 45
Благодарю, алгоритм понял. А кстати чтоб макет не коротил в него можно последовательно лампочку всунуть наверно. И наверно чем мощней лампочка тем сильнее будет поле на имповизированных электромагнитах макет.
 

daryinalexej

капитан 3-го ранга
Регистрация
28.07.2012
Сообщения
841
Карма
70
Возраст
44
Город
Домодедово
Имя
Алексей
Лодка
Южанка-2
Мотор
Вихрь 30
Можно.
 

mihail20122012

матрос
Регистрация
01.10.2012
Сообщения
12
Карма
0
Имя
Михаил
Лодка
МОСКВИЧКА
Мотор
Москва м
Аесли моховик от москвы м .у него магниты внутри.кто знает как мотать .как будет располагаться обмотка.Заранее признателен.Михаил.
 

дмитрий22

капитан 2-го ранга
Регистрация
11.05.2010
Сообщения
1 472
Карма
160
Город
Украина,Херсон
Имя
Дмитрий
Лодка
"Крым"; "Кайман-305";"Пелла Фиорд 430"
Мотор
Джонсон 15 4-т, Ветерок-12, Вихри
Для Москвы может можно на сердечник намотать провод.Потом сердечник вплотную приложить к паре магнитов и подать ток.Сам я так не делал.Размагниченного маховика от Москвы не имею и не видел и проверить нет возможности.
Я маховики от Вихря так восстанавливаю-намагничивание.
Но,например,сегодня пришел маховик с одним полностью неживым магнитом-притом три других,как новые.Так вот,что я ему не делал-он даже не шевельнулся в требуемом направлении.Интересно,что с ним случилось?Кто может пояснить?
 

daryinalexej

капитан 3-го ранга
Регистрация
28.07.2012
Сообщения
841
Карма
70
Возраст
44
Город
Домодедово
Имя
Алексей
Лодка
Южанка-2
Мотор
Вихрь 30
Но,например,сегодня пришел маховик с одним полностью неживым магнитом-притом три других,как новые.Так вот,что я ему не делал-он даже не шевельнулся в требуемом направлении.Интересно,что с ним случилось?Кто может пояснить?
Нагреть и намагничивать в нагретом состоянии, ток "не отпускать" до остывания- должно помочь.
 

дмитрий22

капитан 2-го ранга
Регистрация
11.05.2010
Сообщения
1 472
Карма
160
Город
Украина,Херсон
Имя
Дмитрий
Лодка
"Крым"; "Кайман-305";"Пелла Фиорд 430"
Мотор
Джонсон 15 4-т, Ветерок-12, Вихри
daryinalexej сказал(а):
Но,например,сегодня пришел маховик с одним полностью неживым магнитом-притом три других,как новые.Так вот,что я ему не делал-он даже не шевельнулся в требуемом направлении.Интересно,что с ним случилось?Кто может пояснить?
Нагреть и намагничивать в нагретом состоянии, ток "не отпускать" до остывания- должно помочь.
так этож придется снять магнит-иначе те другие размагнитятся,так?
а вообще,чего он,сволочь не хочет-даже железяку можно ж намагнитить?
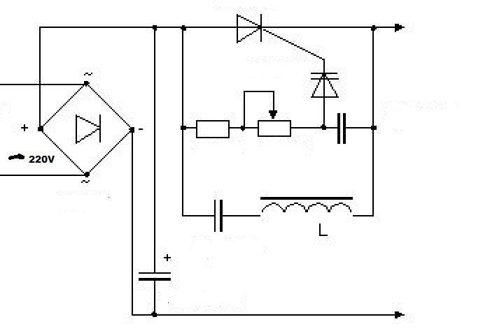
хочу собрать такую установку для намагничивания.Что скажешь?
 

Вложения

daryinalexej

капитан 3-го ранга
Регистрация
28.07.2012
Сообщения
841
Карма
70
Возраст
44
Город
Домодедово
Имя
Алексей
Лодка
Южанка-2
Мотор
Вихрь 30

vpelyh

ст. мичман
Регистрация
13.08.2010
Сообщения
183
Карма
12
Имя
Владимир
Лодка
Днепр
Мотор
Вихрун 30,Нептун 23.Susuki 15
Где то проскочило выражение, что можно переточить посадочное место нептуновскрго маховика на вихрёвский конус, сегодня даже примерял ,на нептуновском всё хорошо, зубчатый венец садиться вихрёвский, магниты отличные, на панели торцы магнитопроводов слегка подрезать,и всё. Проблема одна, конус.У кого есть такой опыт.
 

дмитрий22

капитан 2-го ранга
Регистрация
11.05.2010
Сообщения
1 472
Карма
160
Город
Украина,Херсон
Имя
Дмитрий
Лодка
"Крым"; "Кайман-305";"Пелла Фиорд 430"
Мотор
Джонсон 15 4-т, Ветерок-12, Вихри
Было бы отлично.
Магнитопроводы бывают одинакового размера или бывает у Нептуна на 0,3-0,5мм короче.
 

vpelyh

ст. мичман
Регистрация
13.08.2010
Сообщения
183
Карма
12
Имя
Владимир
Лодка
Днепр
Мотор
Вихрун 30,Нептун 23.Susuki 15
Магнитопроводы у вихря немного длиннее, но их можно поставить и с нептуновской панели, чтобы не зацепляли, но надо идти к токарю, чтобы переточить конус, так же возможно если плохой конус (с приварами)на вихрёвском коленвале, проточить его.Там даже паз под шпонку должен остаться.
 
Вверх Снизу