Арчибальд
капитан 1-го ранга
- Регистрация
- 18.10.2015
- Сообщения
- 3 133
- Карма
- 1 295
- Город
- Сызрань
- Имя
- Александр
- Лодка
- Казанка 5М
- Мотор
- HIDEA 40 FES
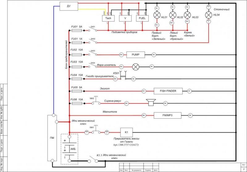
Кирилл вот тебе схема, да их полно в инете, переделай всё, а то не дай бог.Kirill-samara сказал(а):а расскажите про выключатель массы. я так понимаю, что при его наличии нет необходимости откручивать плюсовую клемму?
сегодня ставил аккумулятор. лодка б.у. Куча мотни и скруток. вроде более менее разобрался. Но вот куда подсоединять провод от главного выключателя. у меня торчит просто кусок провода.
Вложения
-
52 КБ Просмотры: 1 230


Или взять 32кв и не париться.