okey

лейтенант
Регистрация
18.06.2021
Сообщения
270
Карма
36
Город
Moscow
Имя
okey
Лодка
катер
Мотор
Ямаха F40betl
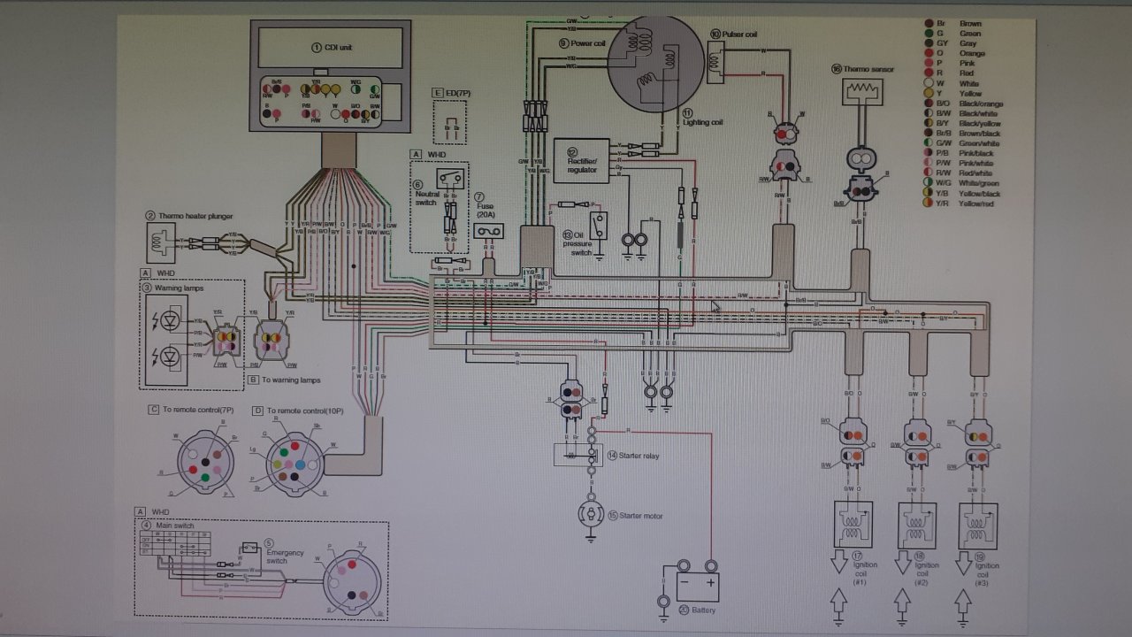
Ещё разъём у мотора, есть 7ми пиновый и 10ти.
Вот думаю и его пошевелить (посмотреть контакты), может там проблема. Бывали такие случаи?
И повторю вопрос, может кто знает
Второй вопрос: в замок зажигания входят несколько проводов, какие надо перемкнуть, чтобы запустить стартер в обход ключика?
Для проверки и можно просто кнопочку поставить для запуска стартера.
Кстати, а не может глючить реле стартера? О, вспомнил пост выше
Там же стартер без втягивающего, реле стартера стоит отдельно - оно может так мозги канифолить. То есть по порядку провекри я бы взял:
  1. реле стартера - проверить что управляющий сигнал с ключа приходит. Если не приходит - см п. 2, если приходит но не запускает - реле.
  2. замок зажигания
  3. провода и масса.
п. 1 - то есть один держит повернутым до упора ключ, а другой замеряет плюс на входе и выходе с реле. Проверим.
 
Последнее редактирование:

Серега36

старшина 2ст.
Регистрация
14.05.2021
Сообщения
79
Карма
15
Город
Конаково
Имя
Сергей
Лодка
Альбакор 410
Мотор
Y-F30A

Вложения

Реакции: okey

okey

лейтенант
Регистрация
18.06.2021
Сообщения
270
Карма
36
Город
Moscow
Имя
okey
Лодка
катер
Мотор
Ямаха F40betl
В реле стартера входит толстый силовой провод и выходит их него толстый на стартер. Между ними без повернутого ключа показывает напряжение. Так и должно быть? Почему на толстом проводе из стартера без зажигания минус? Думал на нем ничего не должно быть пока не сработало реле.
 

simply man

капитан 3-го ранга
Регистрация
26.06.2012
Сообщения
958
Карма
852
Возраст
45
Город
Пермь
Имя
Дмитрий
Лодка
Прогресс 2м (был), Николь-Фаворит 1
Мотор
Вихрь-30 (были), Suzuki DT30RS (был), Yamaha F115AETL
В реле стартера входит толстый силовой провод и выходит их него толстый на стартер. Между ними без повернутого ключа показывает напряжение. Так и должно быть? Почему на толстом проводе из стартера без зажигания минус? Думал на нем ничего не должно быть пока не сработало реле.
Так и должно быть. Сопротивление вольтметра большое, протекающий при изменении ток маленький, при таком малом токе падения напряжения на стартере практически нет и вольтметр его видит как "минус". Т.к. другой вывод стартера всегда посажен на массу.
 

okey

лейтенант
Регистрация
18.06.2021
Сообщения
270
Карма
36
Город
Moscow
Имя
okey
Лодка
катер
Мотор
Ямаха F40betl
За прошлый сезон два раза на ходу глох двигатель, потом сразу запускался и ходил без проблем.
Так может проблема - запускается с ключа через раз - не в замке зажигания, реле и проч., а где-то просто в проводке? Куда смотреть? Контакты как-будто все перепроверил...
 

ovchinnikov 1966

капитан 1-го ранга
Регистрация
29.01.2012
Сообщения
9 287
Карма
1 271
Имя
Alex
Лодка
Terhi 405. Flinc 320
Мотор
Johnson, Evenrud, Chrysler.Terhi . Volvo Penta ///...
За прошлый сезон два раза на ходу глох двигатель, потом сразу запускался и ходил без проблем.
Так может проблема - запускается с ключа через раз - не в замке зажигания, реле и проч., а где-то просто в проводке? Куда смотреть? Контакты как-будто все перепроверил...
снять и зачистить все клеммы МАССА.Хорошо протянуть. Бывает и чека-кнопка стоп замыкает от вибрации.Она замыкает катушку при стопе на массу
 
Вверх Снизу